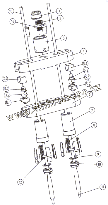
Каталог запасных частей к технике: Ижнефтемаш ПНШ-80. Подвеска сальникового штока ДПКР.301525.004-01
1
2
3
4
5
5.1
5.2
5.3
5.4
6
7
8
9
10
11
12
13
13.1
13.2
13.3
13.4
14
15
| Позиция на иллюстрации | Заводской номер детали | Название детали | |
|---|---|---|---|
| 1 | ДПКР.71 3243.001 | Втулка резьбовая штока | |
| 2 | ДПКР.72 3353.002 | Плашка для штока | |
| 3 | ДПКР.71 3172.001 | Втулка штока | |
| 4 | ДПКР.73 4511.002 | Траверса верхняя | |
| 5 | ДПКР.30 4522.001-01 | Винт подъемный | |
| 5.1 | ДПКР 74 1124.001 | Упор | |
| 5.2 | ДПКР753615.001 | Кольцо пружинное | |
| 5.3 | ДПКР716712.001-01 | Винт | |
| 5.4 | ДПКР758431.001-01 | Гайка | |
| 6 | ДПКР.73 4511.001 | Траверса нижняя | |
| 7 | ДПКР.71 3371.001 | Втулка каната | |
| 8 | ДПКР.72 3353.001 | Плашка для каната | |
| 9 | ДПКР.75 8491.003 | Шайба | |
| 10 | ДПКР.71 3243.002 | Втулка резьбовая каната | |
| 11 | ДПКР.71 6311.001 | Штырь | |
| 12 | ДПКР.75 3613.001-01 | Пружина | |
| 13 | ДПКР.30 4522.001 | Винт подъемный | |
| 13.1 | ДПКР.74 1124.001 | Упор | |
| 13.2 | ДПКР753615.001 | Кольцо пружинное | |
| 13.3 | ДПКР716712.001-01 | Винт | |
| 13.4 | ДПКР758431.001-01 | Гайка | |
| 14 | ДПКР.75 3613.001 | Пружина | |
| 15 | Канат 25,5-Г-1-0-Н-1570 | Канат 25,5-Г-1-0-Н-1570 |
Содержащиеся в справочниках-каталогах запасные части и детали не предлагаются к продаже, а носят исключительно информационный характер