Каталог запасных частей к технике: Ижнефтемаш НЦ-320. Насос НЦ320 АФНИ.063168.002
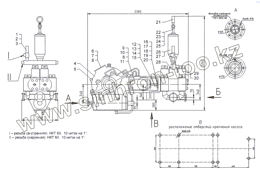
1
2
3
4
5
6
7
8
8
9
10
11
12
13
14
15
16
17
18
19
20
21
22
23
24
25
26
27
28
29
30
| Позиция на иллюстрации | Заводской номер детали | Название детали | |
|---|---|---|---|
| 1 | АФНИ.306577.002 | Клапан предохранительный | |
| 2 | АФНИ.754152.019 | Прокладка | |
| 3 | АФНИ.754176.018 | Кольцо | |
| 4 | АФНИ.303665.001 | Приводная часть | |
| 5 | АФНИ.305441.006 | Указатель масла | |
| 6 | АФНИ.741334.013 | Крышка люка | |
| 7 | АФНИ.754142.017 | Прокладка | |
| 8 | Болт М12-8gx20.56.019 | Болт М12-8gx20.56.019 | |
| 9 | АФНИ.741336.002 | Крышка | |
| 10 | АФНИ.754142.015 | Прокладка | |
| 11 | Шайба А12.04.0115 | Шайба А12.04.0115 | |
| 12 | АФНИ.306571.003-0104 | Шток поршня с поршнем и гайками | |
| 13 | АФНИ.754171.001 | Манжета штока | |
| 14 | АФНИ.758412.006 | Контр-гайка штока | |
| 15 | АФНИ.758481.004 | Шайба замковая | |
| 16 | АФНИ.713341.019 | Втулка нажимная | |
| 17 | АФНИ.741334.021 | Фланец нажимной | |
| 18 | Гайка М24-6Н.6.06 | Гайка М24-6Н.6.06 | |
| 19 | Гайка М20.5.35.06 | Гайка М20.5.35.06 | |
| 20 | Гайка М20-6Н.04.35.06 | Гайка М20-6Н.04.35.06 | |
| 21 | МП4-У-JP53-60МПа х 1,5 | Манометр МП4-У-JP53-60МПа х 1,5 | |
| 22 | 4 АН.3.53-01 | Разделитель | |
| 23 | КС-10.00.00.011-01 | Прокладка | |
| 24 | КС-10.00.00.011-02 | Прокладка | |
| 25 | КС-10.00.00.011-03 | Прокладка | |
| 26 | АФНИ.302637.015 | Коллектор нагнетательный | |
| 27 | АФНИ.754152.023 | Прокладка | |
| 28 | Гайка М27-6Н.6.06 | Гайка М27-6Н.6.06 | |
| 29 | АФНИ.306555.001-01 | Гидравлическая часть | |
| 30 | АФНИ.754171.004 | Уплотнение |
Содержащиеся в справочниках-каталогах запасные части и детали не предлагаются к продаже, а носят исключительно информационный характер