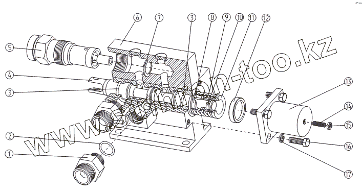
Каталог запасных частей к технике: Ижнефтемаш КПТ. Гидрораспределитель АФНИ.306154.001
1
2
3
3
4
5
6
7
8
9
10
11
12
13
14
15
16
17
| Позиция на иллюстрации | Заводской номер детали | Название детали | |
|---|---|---|---|
| 1 | АФНИ.753137.022 | Штуцер | |
| 2 | Кольцо 021-025-25-2-2 | Кольцо 021-025-25-2-2 | |
| 3 | Кольцо 025-030-30-2-2 | Кольцо 025-030-30-2-2 | |
| 4 | АФНИ.752431.002 | Золотник распределител | |
| 5 | У462.805.0 | Гидроклапан предохранительный У462.805.0 | |
| 6 | АФНИ.301116.035 | Корпус гидрораспределител | |
| 7 | АФНИ.711111.030 | Прокладка | |
| 8 | АФНИ.711343.008 | Сухарь | |
| 9 | АФНИ.753513.010 | Пружина распределител | |
| 10 | АФНИ.758494.002 | Сухарь | |
| 11 | АФНИ.713351.004 | Втулка | |
| 12 | АФНИ.711121.001 | Диск | |
| 13 | АФНИ.304111.002 | Стакан | |
| 14 | Винт М6х20 | Винт М6х20 | |
| 15 | Гайка М6 | Гайка М6 | |
| 16 | Болт М8х25 | Болт М8х25 | |
| 17 | Шайба 8.65Г | Шайба 8.65Г |
Содержащиеся в справочниках-каталогах запасные части и детали не предлагаются к продаже, а носят исключительно информационный характер