Каталог запасных частей к технике: Ижнефтемаш Ключ буровой АКБ-4. Каретка АКБ-3М2.2-18
1
2
3
3
3
4
4
4
5
6
7
8
9
10
11
12
13
14
15
16
17
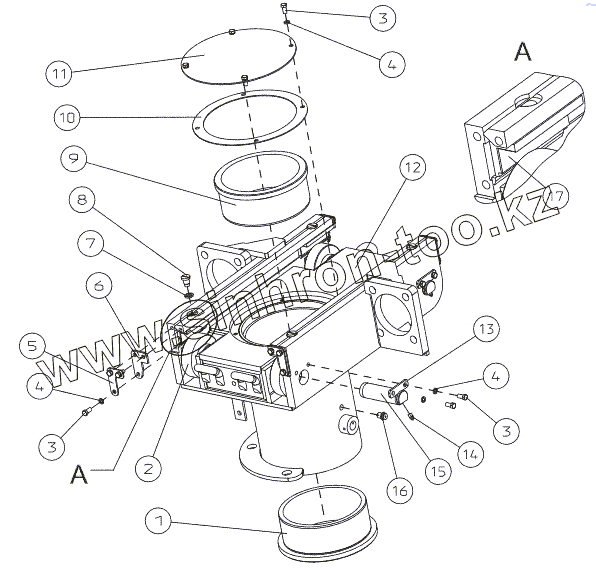
| Позиция на иллюстрации | Заводской номер детали | Название детали | |
|---|---|---|---|
| 1 | АКБ-3.2-5-1 | Втулка | |
| 2 | АКБ-3М2.2-30 | Ролик | |
| 3 | Болт М10х20 | Болт М10х20 | |
| 4 | Шайба 10.65Г | Шайба 10.65Г | |
| 5 | АКБ-3М2.2-68 | Накладка | |
| 6 | АКБ-3М2.2-69 | Прокладка | |
| 7 | Шайба 16.65Г | Шайба 16.65Г | |
| 8 | АКБ-3М2.2-76 | Винт | |
| 9 | АКБ-3М2.2-79 | Втулка верхняя | |
| 10 | АКБ-3М2.2-108 | Прокладка | |
| 11 | АКБ-3М2.2-107 | Крышка | |
| 12 | АКБ-3М2.2-19 | Корпус каретки | |
| 13 | АКБ-3М2.2-87 | Планка | |
| 14 | Масленка 1.3.Ц6 | Масленка 1.3.Ц6 | |
| 15 | АКБ-3М2.2-21 | Ось в сборе | |
| 16 | АКБ-3М2.У35 | Масленка | |
| 17 | АКБ-3М2.2-70 | Вкладыш |
Содержащиеся в справочниках-каталогах запасные части и детали не предлагаются к продаже, а носят исключительно информационный характер