Вернуться на главную
Поиск
Каталоги запчастей к технике
Спецтехника
Ижнефтемаш
Ключ буровой АКБ-3М2
Маховик АКБ-3М2Э2.01.030.00А
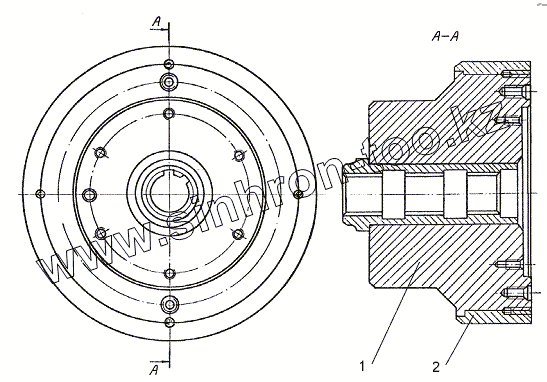
Каталог запасных частей к технике: Ижнефтемаш Ключ буровой АКБ-3М2. Маховик АКБ-3М2Э2.01.030.00А
zoom-in
zoom-out
enlarge
shrink
circle-right
circle-left
file-text2
info
cart
Тип техники
Не выбрано
Легковые автомобили
Грузовые автомобили и прицепы
Автобусы
Сельхозтехника
Спецтехника
Двигатели
Мототехника
Марка
Не выбрано
Ammann
BOMAG
CARMIX
CASE IH
Changlin
ChengGong
Dimex
Doosan
DYNAPAC
Foton
HAMM
Hidromek
Hitachi
Hyundai
JCB
JLG
John Deere
Komatsu
LIEBHERR
LiuGong
Lonking (LongGong)
Luneng
MANITOU
Mitsuber
New Holland
PENGPU
RM-Terex
SANY
SDLG
SEM
Shantui
Shehwa HBXG
Soosan
TIGARBO
VOGELE
Volvo
WAY
WIRTGEN
XCMG
XGMA
Xiamen
YTO
Yuchai
Zoomlion
Автокран
АЗСМ
Алтайлесмаш
Амкодор
АОМЗ
Атек
АТЗ
Балканкар Рекорд
БелАЗ
Беловеж
Борекс
Брянский Арсенал
Булат
ВЭКС
ГАЗ
Геомаш
Гидромаш
Донекс
Дормаш
Дормашина
Дорэлектромаш
ДЭЗ
ЕлАЗ
ЗЗГТ
Ижнефтемаш
Канаш-электрокар
КЗКТ
ККЗ
Клевер
Клинцовский автокрановый завод
КМЗ
КМЗ 1 Мая
Ковровец
Коммаш
Кранэкс
КЭЗ
КЭМЗ
ЛЗА
МАЗ
МЗИК
МЗКМ
МЗКТ
Михневский РМЗ
МоАЗ
Мозырский МЗ
МТЗ
ОЗП
Онежец
ПАО "ТЗА"
ППС Детва
Промтрактор
ПТЗ
Раскат
СпецАгрегат
ТВЭКС
ТТМ
УВЗ
Угличмаш
УЗТМ
ХТЗ
ЧЗКМ
ЧСДМ
ЧТЗ
ЭКСКО
ЭКСМАШ
ЮрМаш
Модель
Не выбрано
ГШН (2011)
Захват клиновой ЗК (2010)
Ключ буровой АКБ-3М2 (2011)
Ключ буровой АКБ-4 (2011)
КПТ (2010)
Насос буровой НБ-32 (50) (2011)
НБ-125 ИЖ (2011)
НЦ-320 (2011)
ПНШ-60-2,1-25 (2010)
ПНШ-80 (2011)
ПНШТ-60-3-31,5 (2010)
УС-50х14Кр (2010)
Установка АНЦ-320 (2011)
Схема
>
Не выбрано
Ключ АКБ-3М2.0
Ключ АКБ-3М2.Э2
Колонна ключа с кареткой АКБ-3М2.2
Цилиндр подвода ключа АКБ-3.2-5
Каретка АКБ-3М2.2-18
Блок ключа АКБ-3М2.1
Блок ключа АКБ-3М2Э2.01.00.000
Редуктор ключа АКБ-3М2.12
Шестерня в сборе АКБ-3М2.12-42
Втулка храповика в сборе АКБ-3М2.12-43
Подпор АКБ-3М2.12-51В
Ролик в сборе АКБ-3М2.12-52
Фиксатор АКБ-3.11-2
Стакан АКБ-3М2.12-46
Грязеотбойник АКБ-3М.12-18
Устройство трубозажимное верхнее АКБ-3М2.11
Челюсть АКБ-3М2.У
Челюсть АКБ-3М2.У
Пневмомотор поршневой специальный П13-16
Масленка пневматическая АКБ-3М2.18
Блок цилиндров АКБ-3М2.16
Цилиндр зажима челюстей АКБ-3М2.13
Храповик нижний АКБ-3М2.1-11
Маховик АКБ-3М2Э2.01.030.00А
Привод АКБ-3М2.Э2.01.02.000
Цилиндр в сборе АКБ-3М2Э.21-400
Пульт управления АКБ-3М2.15
Пульт управления АКБ-3М2Э.23-000
Кран клапанный АКБ-3М2.15-1А
Командоаппарат АКБУ-Э.03.01.000
Клапан "Или" АКБ-3М2Э.23-900
Кран входной АКБ-3М2.15-6
Станция управления АКБ-3М2.Э2.02.00.000
Сменные узлы и детали ключа АКБ-3М2.0 (АКБ-3М2.Э2)
Электрическая принципиальная схема ключа АКБ-3М2.Э2
Пневматическая схема ключа АКБ-3М2.Э2
Пневматическая схема ключа АКБ-3М2
Специальный инструмент
1
2
Позиция на иллюстрации
Заводской номер детали
Название детали
1
АКБ-3М2.14A
Маховик
2
АКБ-3М2.14-21
Обод
Содержащиеся в справочниках-каталогах запасные части и детали не предлагаются к продаже, а носят исключительно информационный характер
Дополнительная информация
×
Название:
Номер:
Примечание: