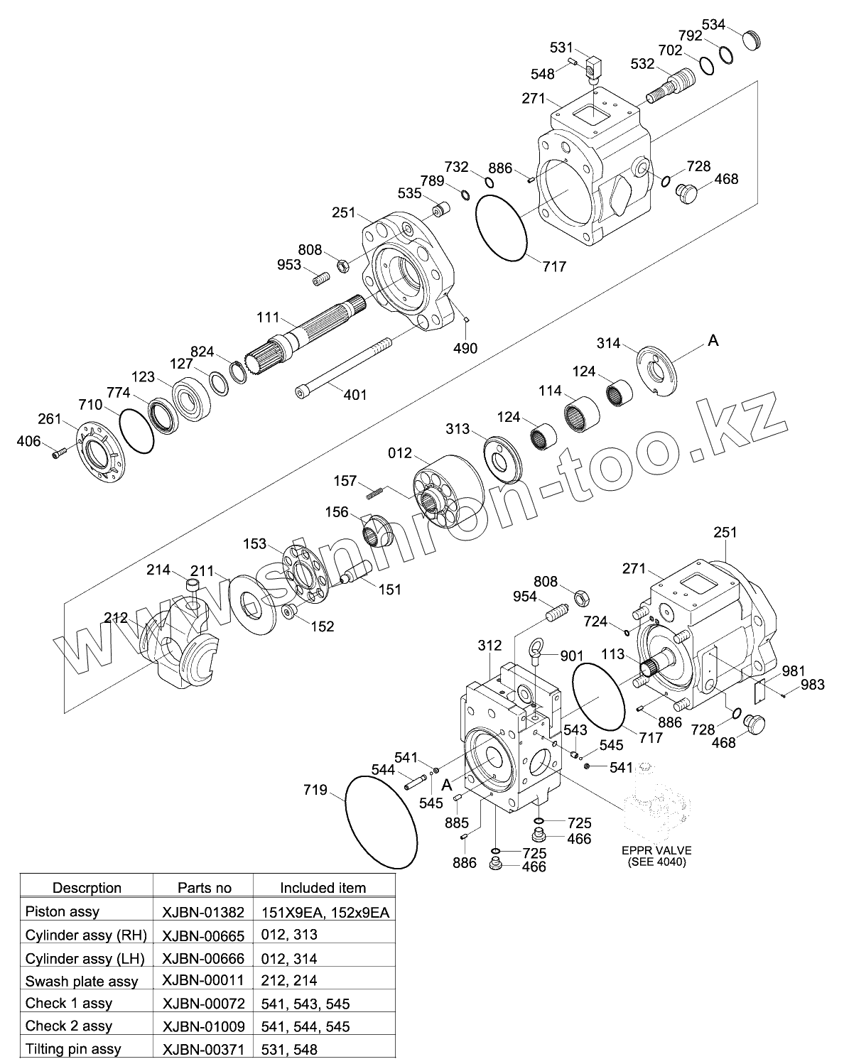
Каталог запасных частей к технике: Hyundai R330LC-9S. MAIN PUMP
11
12
12
12
13
14
30
41
42
111
113
114
123
124
124
127
151
152
153
156
157
211
212
212
214
214
251
251
261
271
271
312
313
313
314
314
401
406
466
466
468
468
490
530
531
531
532
534
535
541
541
541
541
543
543
544
544
545
545
545
545
548
548
702
710
717
717
719
724
725
725
728
728
732
774
789
792
808
808
824
885
886
886
886
901
953
954
981
983
| Позиция на иллюстрации | Заводской номер детали | Название детали | |
|---|---|---|---|
| Regulator | Regulator | Regulator | |
| 31Q9-10030 | 31Q9-10030 | Main Pump | |
| 11 | XJBN-01382 | PISTON ASSY | |
| 12 | XJBN-00680 | BLOCK-CYLINDER | |
| 13 | XJBN-00665 | Cylinder Assy-Rh | |
| 14 | XJBN-00666 | Cylinder Assy-Lh | |
| 30 | XJBN-00011 | SWASH PLATE ASSY | |
| 41 | XJBN-00072 | CHECK VALVE ASSY 1 | |
| 42 | XJBN-01009 | CHECK VALVE ASSY 3 | |
| 111 | XJBN-00015 | Shaft-Drive | |
| 113 | XJBN-00153 | Shaft-Drive | |
| 114 | XJBN-00367 | Coupling-Spline | |
| 123 | XJBN-00571 | BEARING-ROLLER | |
| 124 | XJBN-00018 | Bearing-Needle | |
| 127 | XJBN-00569 | SPACER-BEARING | |
| 151 | XJBN-00681 | PISTON | |
| 152 | XJBN-01385 | SHOE | |
| 153 | XJBN-00020 | PLATE-SET | |
| 156 | XJBN-00564 | BUSHING-SPHERICAL | |
| 157 | XJBN-00541 | SPRING-CYLINDER | |
| 211 | XJBN-00023 | PLATE-SHOE | |
| 212 | XJBN-00012 | PLATE-SWASH | |
| 214 | XJBN-00013 | BUSHING-TILTING | |
| 251 | XJBN-00560 | SUPPORT-S.P. | |
| 261 | XJBN-00025 | COVER(FR)-SEAL | |
| 271 | XJBN-01386 | CASING-PUMP | |
| 312 | XJBN-00027 | Block-Valve | |
| 313 | XJBN-01387 | PLATE(R)-VALVE | |
| 314 | XJBN-01388 | PLATE(L)-VALVE | |
| 401 | XJBN-00028 | SCREW | |
| 406 | XJBN-00355 | Screw | |
| 466 | XJBN-00356 | PLUG | |
| 468 | OVP34 | Plug | |
| 490 | XJBN-00032 | PLUG | |
| 530 | XJBN-00371 | TILTING PIN SUB ASSY | |
| 531 | XJBN-00369 | PIN-TILTING | |
| 532 | XJBN-00033 | PISTON-SERVO | |
| 534 | XJBN-00034 | STOPPER(L) | |
| 535 | XJBN-00035 | STOPPER(S) | |
| 541 | XJBN-00859 | SEAT | |
| 543 | XJBN-00860 | STOPPER | |
| 544 | XJBN-01002 | STOPPER(2) | |
| 545 | XJBN-00359 | Ball-Steel | |
| 548 | XJBN-00360 | PIN-FEED BACK | |
| 702 | OORBG40W | O-Ring | |
| 710 | OORBG105 | O-Ring | |
| 717 | XJBN-00042 | O-RING | |
| 719 | XJBN-00043 | O-RING | |
| 724 | OORBPB | O-Ring | |
| 725 | XJBN-00362 | O-RING | |
| 728 | XJBN-00363 | O-RING | |
| 732 | OORBP21W | O-Ring | |
| 774 | XJBN-01595 | Seal-Oil | |
| 789 | XJBN-00049 | RING-BACK UP | |
| 792 | XJBN-00050 | RING-BACK UP | |
| 808 | XJBN-00364 | NUT | |
| 824 | OSR45 | Ring-Snap | |
| 885 | XJBN-00053 | PIN-2 | |
| 886 | XJBN-00365 | Pin-Spring | |
| 901 | OEBM12 | Bolt-Eye | |
| 953 | XJBN-00654 | Screw-Set | |
| 954 | XJBN-00057 | SCREW-SET | |
| 981 | XJBN-00156 | NAME PLATE | |
| 983 | XJBN-00341 | PIN |
Содержащиеся в справочниках-каталогах запасные части и детали не предлагаются к продаже, а носят исключительно информационный характер