Вернуться на главную
Поиск
Каталоги запчастей к технике
Спецтехника
Hyundai
R330LC-9S
ENGINE MOUNTING
Каталог запасных частей к технике: Hyundai R330LC-9S. ENGINE MOUNTING
zoom-in
zoom-out
enlarge
shrink
circle-right
circle-left
file-text2
info
cart
Тип техники
Не выбрано
Легковые автомобили
Грузовые автомобили и прицепы
Автобусы
Сельхозтехника
Спецтехника
Двигатели
Мототехника
Марка
Не выбрано
Ammann
BOMAG
CARMIX
CASE IH
Changlin
ChengGong
Dimex
Doosan
DYNAPAC
Foton
HAMM
Hidromek
Hitachi
Hyundai
JCB
JLG
John Deere
Komatsu
LIEBHERR
LiuGong
Lonking (LongGong)
Luneng
MANITOU
Mitsuber
New Holland
PENGPU
RM-Terex
SANY
SDLG
SEM
Shantui
Shehwa HBXG
Soosan
TIGARBO
VOGELE
Volvo
WAY
WIRTGEN
XCMG
XGMA
Xiamen
YTO
Yuchai
Zoomlion
Автокран
АЗСМ
Алтайлесмаш
Амкодор
АОМЗ
Атек
АТЗ
Балканкар Рекорд
БелАЗ
Беловеж
Борекс
Брянский Арсенал
Булат
ВЭКС
ГАЗ
Геомаш
Гидромаш
Донекс
Дормаш
Дормашина
Дорэлектромаш
ДЭЗ
ЕлАЗ
ЗЗГТ
Ижнефтемаш
Канаш-электрокар
КЗКТ
ККЗ
Клевер
Клинцовский автокрановый завод
КМЗ
КМЗ 1 Мая
Ковровец
Коммаш
Кранэкс
КЭЗ
КЭМЗ
ЛЗА
МАЗ
МЗИК
МЗКМ
МЗКТ
Михневский РМЗ
МоАЗ
Мозырский МЗ
МТЗ
ОЗП
Онежец
ПАО "ТЗА"
ППС Детва
Промтрактор
ПТЗ
Раскат
СпецАгрегат
ТВЭКС
ТТМ
УВЗ
Угличмаш
УЗТМ
ХТЗ
ЧЗКМ
ЧСДМ
ЧТЗ
ЭКСКО
ЭКСМАШ
ЮрМаш
Модель
Не выбрано
R140W-9 (2013)
R140W-9S (2013)
R16-9 (2013)
R170W-7 (2013)
R170W-9 (2013)
R170W-9S (2013)
R180LC-9 (2013)
R180LC-9S (2013)
R180W-9S (2013)
R210LC-9 (2013)
R210NLC-9 (2013)
R210W-9 (2013)
R330LC-9A (2013)
R330LC-9S (2013)
R330LC-9SH (2013)
Схема
>
Не выбрано
ENGINE MOUNTING
ENGINE CONTROL SYSTEM
AIR INTAKE SYSTEM
EXHAUST SYSTEM
COOLING SYSTEM
RADIATOR ASSY
FUEL SYSTEM
FUEL TANK
AIRCON & HEATER GROUP
AIR CONDITIONER BOTTOM SUB
AIRCON & HEATER UNIT
RH ELECTRIC (CLUSTER TYPE 1)
LH ELECTRIC (CLUSTER TYPE 1)
RH ELECTRIC (CLUSTER TYPE 2)
LH ELECTRIC (CLUSTER TYPE 2)
BOOM ELECTRIC
ENGINE ELECTRIC (CLUSTER TYPE 1)
ENGINE ELECTRIC (CLUSTER TYPE 2)
CAB ELECTRIC 1
CAB ELECTRIC 2
CAB ELECTRIC 3
BOTTOM ELECTRIC
AIR COMPRESSOR ELECTRIC (#0107-)
ELECTRIC BOX
CLUSTER (TYPE 1)
CLUSTER (TYPE 2)
FUEL FILLER PUMP
FUSE BOX
PUMP MOUNTING
HYDRAULIC TANK
UPPER HYD PIPING (BASE, MCV TYPE 1)
UPPER HYD PIPING (BASE, MCV TYPE 2)
UPPER HYD PIPING (ATTACH)
UPPER HYD PIPING (ATTACH, MCV TYPE 2)
UPPER HYD PIPING (TRAVEL, MCV TYPE 1)
UPPER HYD PIPING (TRAVEL, MCV TYPE 2)
PILOT HYD PIPING (CONTROL 1)
PILOT HYD PIPING (CONTROL 2)
PILOT HYD PIPING (CONTROL 3)
PILOT HYD PIPING (CONTROL 1)
PILOT HYD PIPING (CONTROL 2)
PILOT HYD PIPING (CONTROL 3)
PILOT HYD PIP (BASE1,CLUSTER TY1,MCV TY1)
PILOT HYD PIP (BASE2,CLUSTER TY1,MCV TY1)
PILOT HYD PIP (BASE3,CLUSTER TY1,MCV TY1)
PILOT HYD PIP (BASE1,CLUSTER TY2,MCV TY1)
PILOT HYD PIP (BASE2,CLUSTER TY2,MCV TY1)
PILOT HYD PIP (BASE3,CLUSTER TY2,MCV TY1)
PILOT HYD PIP (BASE1,CLUSTER TY1,MCV TY2)
PILOT HYD PIP (BASE2,CLUSTER TY1,MCV TY2)
PILOT HYD PIP (BASE3,CLUSTER TY1,MCV TY2)
PILOT HYD PIP (BASE1,CLUSTER TY2,MCV TY2)
PILOT HYD PIP (BASE2,CLUSTER TY2,MCV TY2)
PILOT HYD PIP (BASE3,CLUSTER TY2,MCV TY2)
TRAVEL HYD PIPING
TRAVEL HYD PIPING (HIGH WALKER)
BOOM HYD PIPING (6.45M, STD)
BOOM HYD PIPING (6.15M)
BOOM GREASE LUB SYS (6.45M, STD)
BOOM GREASE LUB SYS (6.15M)
BOOM SAFTY ROCK SYSTEM
QUICK CLAMP PIPING
QUICK CLAMP (HOOK TYPE, MCV TY 1)
QUICK CLAMP (CLOSE TYPE, MCV TY 1)
QUICK CLAMP (HOOK TYPE, MCV TY 2)
QUICK CLAMP (CLOSE TYPE, MCV TY 2)
QUICK CLAMP (HOOK TYPE)
QUICK CLAMP (CLOSE TYPE)
ARM HYD PIPING (3.2M, STD)
ARM HYD PIPING (2.2M)
ARM HYD PIPING (2.5M)
ARM HYD PIPING (4.05M)
ARM SAFETY LOCK SYSTEM
D/ACT MAIN PIP KIT1 (CLUSTER TY1,MCV TY1)
D/ACT MAIN PIP KIT2 (CLUSTER TY1,MCV TY1)
D/ACT MAIN PIP KIT3 (CLUSTER TY2,MCV TY1)
D/ACT MAIN PIP KIT1 (CLUSTER TY1,MCV TY2)
D/ACT MAIN PIP KIT2 (CLUSTER TY1,MCV TY2)
D/ACT MAIN PIP KIT3 (CLUSTER TY2,MCV TY2)
ATTACH PIPING KIT (S & D/ACTING)
SINGLE PEDAL (DOUBLE ACTING)
S/ACT MAIN PIP KIT1 (CLUSTER TY1,MCV TY1)
S/ACT MAIN PIP KIT2 (CLUSTER TY2,MCV TY1)
S/ACT MAIN PIP KIT1 (CLUSTER TY1,MCV TY2)
S/ACT MAIN PIP KIT2 (CLUSTER TY2,MCV TY2)
MAIN PUMP
REGULATOR
GEAR PUMP
EPPR VALVE
MAIN CONTROL VALVE (1/4)
MAIN CONTROL VALVE (2/4)
MAIN CONTROL VALVE (3/4)
MAIN CONTROL VALVE (4/4)
MAIN CONTROL VALVE (1/5, TYPE 2)
MAIN CONTROL VALVE (2/5, TYPE 2)
MAIN CONTROL VALVE (3/5, TYPE 2)
MAIN CONTROL VALVE (4/5, TYPE 2)
MAIN CONTROL VALVE (5/5, TYPE 2)
SWING MOTOR (TYPE 1)
SWING MOTOR (TYPE 2)
SWING REDUCTION GEAR (TYPE 1)
SWING REDUCTION GEAR (TYPE 2)
TRAVEL MOTOR (1/2)
TRAVEL MOTOR (2/2)
TRAVEL REDUCTION GEAR
REMOTE CONTROL LEVER
REMOTE CONTROL PEDAL
TURNING JOINT
BOOM CYLINDER
ARM CYLINDER
BUCKET CYLINDER
SOLENOID VALVE
SOLENOID VALVE
SOLENOID VALVE
BREAKER ASSY (1/3)
BREAKER ASSY (2/3)
BREAKER ASSY (3/3)
UNDERCARRIAGE MOUNTING
UNDERCARRIAGE MTG (HIGH WALKER)
LOWER ROLLER
UPPER ROLLER
IDLER
TRACK CHAIN
ADJUST COMPONENT
CAB MOUNTING
CAB ASSY (1/4)
CAB ASSY (2/4)
CAB ASSY (3/4)
CAB ASSY (4/4, DOOR)
CAB INTERIOR 1
CAB INTERIOR 2
CAB INTERIOR 3
CONSOLE BOX 1 (LH)
CONSOLE BOX 2 (LH)
CONSOLE BOX 3 (RH)
SEAT BASE ASSY
SEAT (STD)
SEAT (SUSPENSION, HEATED)
STORAGE BOX ASSY
BOTTOM PLATE MOUNTING
COWLING 1
COWLING 2
SIDE COWL ASSY (LH)
SIDE COVER ASSY (LH)
SIDE COWL ASSY (RH)
ENGINE HOOD
UNDER COVER
TOOL BOX MOUNTING
TOOL BOX
GROMMET GROUP
UPPER FRAME & COUNTERWEIGHT
LOWER FRAME & COVER
LOWER FRAME & COVER (HIGH WALKER)
SWING RING GREASE LUB SYSTEM
BOOM MOUNTING
BOOM (6.45M,STD & H/DUTY)
BOOM (6.15M, SHORT)
ARM (3.20M, STD & H/DUTY)
ARM (4.05M, LONG)
ARM (2.50M, SHORT)
ARM (2.20M, SHORT)
BUCKET CONTROL GROUP
BUCKET (5 TEETH)
BUCKET (3 TEETH)
BUCKET (4 TEETH)
BUCKET (6 TEETH)
BUCKET (5 TEETH, HEAVY DUTY)
BUCKET (5 TEETH, ROCK)
BUCKET (4 TEETH, HEAVY DUTY)
TOOLS
HCE-DT KIT
DECALS
MANUALS
AIR INTAKE HEATER
DATAPLATE
CAMSHAFT & VALVE TAPPETS
FRONT GEAR COVER
ROCKER LEVER
CYLINDER BLOCK
CRANKSHAFT & MAIN BEARINGS
CRANKCASE & BREATHER
VIBRATION DAMPER
FRONT GEAR TRAIN ACCESSORY
FLYWHEEL MOUNTING
THERMOSTAT
ALTERNATOR LOCATION
ACCESSORY DRIVE PULLEY
MECHANICAL TACHOMETER DRIVE
FAN DRIVE
AIR FUEL CONTROL PLUMBING
FUEL FILTER
FUEL FILTER PLUMBING
FLYWHEEL HOUSING
FUEL PUMP COUPLING
FUEL PUMP
FUEL SYSTEM ACCESSORIES
FUEL PLUMBING
FUEL SHUTOFF VALVE
FLYWHEEL
FUEL INLET TUBE
LIFTING BRACKET
ENGINE OIL COOLER
OIL LEVEL GAUGE
LUBRICATING OIL PUMP
OIL PAN
TORQUE CONVERTER OIL COOLER
CYLINDER HEAD
FAN PILOT SPACER
DEBRIS SHIELD
STARTING MOTOR & MOUNTING
TURBOCHARGER
TURBOCHARGER PLUMBING
VALVE COVER
CORROSION RESISTER
WATER PUMP & INLET CONNECTION
WATER OUTLET CONNECTION
EXHAUST CONNECTION
GEAR HOUSING
AIR INTAKE CONNECTION
CONNECTING ROD & PISTON
FUEL INJECTOR
FUEL FILTER PLUMBING
1
2
3
4
5
5
5
5
6
6
6
6
7
7
8
9
9
9
9
10
10
11
11
12
12
13
13
14
15
16
16
17
18
19
20
20
20
22
23
24
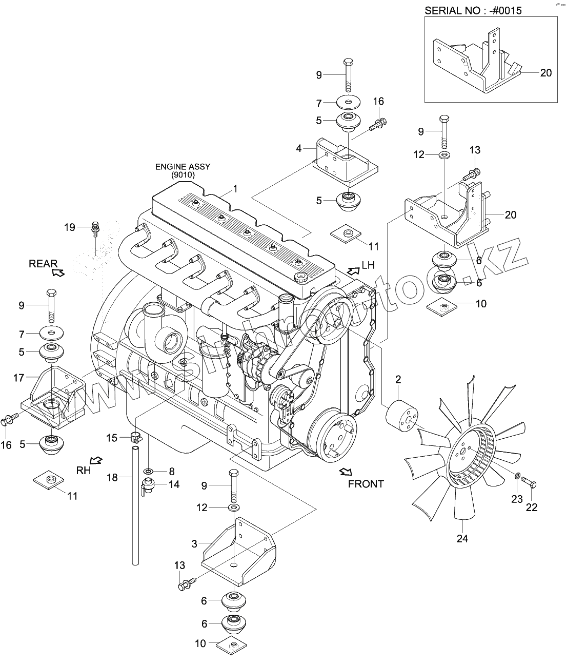
Позиция на иллюстрации
Заводской номер детали
Название детали
1
11N9-00010
Engine Assy
2
11Q9-02020
Spacer-Fan
3
11NA-00060
Bracket-Rh, Fr
4
11NA-00081
Mount Wa-Lh,Eng
5
11N6-13065
Rubber-Mount
6
11N6-13060
RESILIENT
7
11N8-00060
WASHER
8
P392-180000
Washer-Copper
9
S017-24180D
Bolt-Hex
10
11NA-00040
NUT-STOPPER
11
11N6-00160
NUT-STOPPER
12
S441-240006
WASHER-HARDENED
13
S037-123056
Bolt-W/Washer
14
11N9-00210
Valve-Oil Drain
15
S520-027000
CLAMP-HOSE
16
S037-123556
BOLT-W/WASHER
17
11NA-00051
Mount Wa-Rh,Eng
18
11E9-02070
Hose-Breather
19
S035-082026
BOLT-W/WASHER
20
11Q8-02150
Bracket-Eng & Comp
20
1BQ8-91010
Bracket-Engine & Comp
22
S017-101206
Bolt-Hex
23
S403-10200B
WASHER-PLAIN
24
11NA-00030
Fan
Содержащиеся в справочниках-каталогах запасные части и детали не предлагаются к продаже, а носят исключительно информационный характер
Дополнительная информация
×
Название:
Номер:
Примечание: