Вернуться на главную
Поиск
Каталоги запчастей к технике
Спецтехника
Hyundai
R330LC-9A
FUEL FILLER PUMP
Каталог запасных частей к технике: Hyundai R330LC-9A. FUEL FILLER PUMP
zoom-in
zoom-out
enlarge
shrink
circle-right
circle-left
file-text2
info
cart
Тип техники
Не выбрано
Легковые автомобили
Грузовые автомобили и прицепы
Автобусы
Сельхозтехника
Спецтехника
Двигатели
Мототехника
Марка
Не выбрано
Ammann
BOMAG
CARMIX
CASE IH
Changlin
ChengGong
Dimex
Doosan
DYNAPAC
Foton
HAMM
Hidromek
Hitachi
Hyundai
JCB
JLG
John Deere
Komatsu
LIEBHERR
LiuGong
Lonking (LongGong)
Luneng
MANITOU
Mitsuber
New Holland
PENGPU
RM-Terex
SANY
SDLG
SEM
Shantui
Shehwa HBXG
Soosan
TIGARBO
VOGELE
Volvo
WAY
WIRTGEN
XCMG
XGMA
Xiamen
YTO
Yuchai
Zoomlion
Автокран
АЗСМ
Алтайлесмаш
Амкодор
АОМЗ
Атек
АТЗ
Балканкар Рекорд
БелАЗ
Беловеж
Борекс
Брянский Арсенал
Булат
ВЭКС
ГАЗ
Геомаш
Гидромаш
Донекс
Дормаш
Дормашина
Дорэлектромаш
ДЭЗ
ЕлАЗ
ЗЗГТ
Ижнефтемаш
Канаш-электрокар
КЗКТ
ККЗ
Клевер
Клинцовский автокрановый завод
КМЗ
КМЗ 1 Мая
Ковровец
Коммаш
Кранэкс
КЭЗ
КЭМЗ
ЛЗА
МАЗ
МЗИК
МЗКМ
МЗКТ
Михневский РМЗ
МоАЗ
Мозырский МЗ
МТЗ
ОЗП
Онежец
ПАО "ТЗА"
ППС Детва
Промтрактор
ПТЗ
Раскат
СпецАгрегат
ТВЭКС
ТТМ
УВЗ
Угличмаш
УЗТМ
ХТЗ
ЧЗКМ
ЧСДМ
ЧТЗ
ЭКСКО
ЭКСМАШ
ЮрМаш
Модель
Не выбрано
R140W-9 (2013)
R140W-9S (2013)
R16-9 (2013)
R170W-7 (2013)
R170W-9 (2013)
R170W-9S (2013)
R180LC-9 (2013)
R180LC-9S (2013)
R180W-9S (2013)
R210LC-9 (2013)
R210NLC-9 (2013)
R210W-9 (2013)
R330LC-9A (2013)
R330LC-9S (2013)
R330LC-9SH (2013)
Схема
>
Не выбрано
ENGINE MOUNTING
FAN DRIVE SYSTEM
AIR INTAKE SYSTEM
EXHAUST SYSTEM
AFTERTREATMENT DEVICE
COOLING SYSTEM
RADIATOR ASSY
OIL COOLER SUB ASSY
FAN MOTOR
FUEL SYSTEM
FUEL TANK
AIRCON & HEATER GROUP
AIR CONDITIONER BOTTOM SUB
AIRCON & HEATER UNIT
RH ELECTRIC
LH ELECTRIC
BOOM ELECTRIC
ENGINE ELECTRIC
ELECTRIC BOX
CAB ELECTRIC 1
CAB ELECTRIC 2
CAB ROOM ELECTRIC
CLUSTER
BOTTOM ELECTRIC
FUEL FILLER PUMP
FUSE BOX
PUMP MOUNTING
HYDRAULIC TANK
UPPER HYDRAULIC PIPING (BASE)
UPPER HYDRAULIC PIPING (ATTACH)
UPPER HYDRAULIC PIPING (TRAVEL)
PILOT HYDRAULIC PIPING (CONTROL 1)
PILOT HYDRAULIC PIPING (CONTROL 2)
PILOT HYDRAULIC PIPING (CONTROL 3)
PILOT HYD PIPING (CNTL, 2-PATTERN)
PILOT HYDRAULIC PIPING (BASE 1)
PILOT HYDRAULIC PIPING (BASE 2)
PILOT HYDRAULIC PIPING (BASE 3)
TRAVEL HYDRAULIC PIPING
TRAVEL HYD PIPING (HIGH WALKER)
BOOM HYDRAULIC PIPING (6.45M, STD)
BOOM HYDRAULIC PIPING (6.15M)
BOOM GREASE LUB SYSTEM (6.45M, STD)
BOOM GREASE LUB SYSTEM (6.15M)
BOOM SAFETY LOCK
QUICK CLAMP HYD PIPING
QUICK CLAMP (HOOK TYPE)
QUICK CLAMP (CLOSE TYPE)
ARM HYDRAULIC PIPING (3.2M, STD)
ARM HYDRAULIC PIPING (2.2M)
ARM HYDRAULIC PIPING (2.5M)
ARM SAFETY LOCK SYSTEM
DOUBLE ACTING MAIN PIPING KIT 1
DOUBLE ACTING MAIN PIPING KIT 2
ATTACH PIPING KIT (S & D/ACTING)
SINGLE PEDAL (DOUBLE ACTING)
SINGLE ACTING MAIN PIPING KIT
MAIN PUMP
REGULATOR
GEAR PUMP
MAIN CONTROL VALVE (1/4)
MAIN CONTROL VALVE (2/4)
MAIN CONTROL VALVE (3/4)
MAIN CONTROL VALVE (4/4)
SWING MOTOR (TYPE 1)
SWING MOTOR (TYPE 2)
SWING REDUCTION GEAR (TYPE 1)
SWING REDUCTION GEAR (TYPE 2)
TRAVEL MOTOR (1/2)
TRAVEL MOTOR (2/2)
TRAVEL REDUCTION GEAR
REMOTE CONTROL LEVER
REMOTE CONTROL PEDAL
TURNING JOINT
BOOM CYLINDER
ARM CYLINDER
BUCKET CYLINDER
SOLENOID VALVE
UNDERCARRIAGE MOUNTING
UNDERCARRIAGE MTG (HIGH WALKER)
LOWER ROLLER
UPPER ROLLER
IDLER
TRACK CHAIN
ADJUST COMPONENT
CAB MOUNTING
CAB ASSY (1/4)
CABIN A/S
CAB ASSY (2/4)
CAB ASSY (3/4)
CAB ASSY (4/4, DOOR)
CAB INTERIOR 1
CAB INTERIOR 2
CAB INTERIOR 3
CONSOLE BOX (1/2, LH)
CONSOLE BOX (2/2, LH)
CONSOLE BOX (RH)
SEAT BASE ASSY
SEAT (SUSPENSION, HEATED, 1/2)
SEAT (SUSPENSION, HEATED, 2/2)
STORAGE BOX ASSY
BOTTOM PLATE MOUNTING
COWLING 1
COWLING 2
SIDE COWL ASSY (LH)
SIDE COVER ASSY (LH)
SIDE COWL ASSY (RH)
ENGINE HOOD
UNDER COVER
TOOL BOX MOUNTING
TOOL BOX
GROMMET GROUP
UPPER FRAME & COUNTERWEIGHT
LOWER FRAME & COVER
LOWER FRAME & COVER (HIGH WALKER)
SWING RING GREASE LUB SYSTEM
BOOM MOUNTING
BOOM (6.45M, STD & H/DUTY)
BOOM (6.15M, SHORT)
ARM (3.20M, STD & H/DUTY)
ARM (4.05M, LONG)
ARM (2.50M, SHORT)
ARM (2.20M, SHORT)
BUCKET CONTROL GROUP
BUCKET (5 TEETH)
BUCKET (3 TEETH)
BUCKET (4 TEETH)
BUCKET (6 TEETH)
BUCKET (5 TEETH, HEAVY DUTY)
BUCKET (5 TEETH, ROCK)
BUCKET (5 TEETH, CAST)
BUCKET (4 TEETH, HEAVY DUTY)
TOOLS
HCE-DT KIT
DECALS
MANUALS
CRANKSHAFT PULLEY
DATAPLATE
FRONT GEAR HOUSING
CRANKSHAFT
PISTON COOLING NOZZLE
VALVE TAPPET
CYLINDER BLOCK
CRANKCASE BREATHER
COOLANT HEATER STARTING AID
VIBRATION DAMPER
FRONT GEAR TRAIN ACCESSORY
DRAIN LOCATION
THERMOSTAT
ALTERNATOR MOUNTING
EXHAUST RECIRCULATION
EXHAUST RECIRCULATION AIR PLUMBING
EXHAUST RECIRCULATION WATER PLUMBING
FAN DRIVE MOUNTING
FAN DRIVE
FUEL DRAIN PLUMBING
FUEL FILTER PLUMBING
FUEL FILTER LOCATION
FLYWHEEL HOUSING
FUEL INLET FITTING
FUEL PUMP MOUNTING
FUEL PUMP
FUEL TRANSFER PUMP
FLYWHEEL
FRONT GEAR COVER
HEATER PLUMBING
AIR INTAKE HOSE
AIR INTAKE CONNECTION
AIR INTAKE MANIFOLD
AIR TRANSFER CONNECTION
LIFTING BRACKET MOUNTING
ENGINE OIL COOLER
OIL FILTER
OIL LEVEL GUUGE
LUBRICATING OIL PUMP
CYLINDER BLOCK COVER
OIL PAN
DRIVE PULLEY
ENGINE CONTROL MODULE PLUMBING
ENGINE CONTROL MODULE
CONNECTION ROD AND PISTON
CAMSHAFT
INJECTOR
CYLINDER HEAD
INJECTOR PLUMBING
TURBOCHARGER MOUNTING
ROCKER LEVER
ENGINE COOLANT VENT
OIL LEVEL SENSOR
HEAT SHIELD
STARTING MOTOR AND MOUNTING
EXHAUST MANIFOLD
TURBOCHARGER PLUMBING
VALVE COVER
CORROSION RESISTOR
WATER INLET & OUTLET
WATER PUMP
WATER PUMP
BELT TENSIONER
ENGINE CONTROL MODULE HARNESS
EXHAUST OUTLET CONNECTION
UPPER ENGINE GASKET KIT
LOWER ENGINE GASKET KIT
VALVE-CHECK
O-RING
SEAL-OIL
VANE
ROTOR
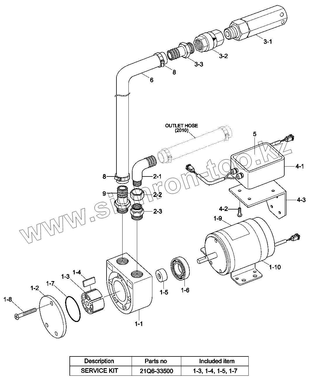
21Q6-33500
BRACKET-SWITCH
SCREW-TAPPING
CONTROL-SWITCH
ADAPTOR-HOSE
21Q6-31002
PROTECTOR-SCREEN
COUPLIING-ELBOW
FITTING-ELBOW
ELBOW
BODY
MOTOR
LABEL
SCREW
COVER-BODY
BEARING
1
2
3
4
5
6
8
8
9
Позиция на иллюстрации
Заводской номер детали
Название детали
VALVE-CHECK
VALVE-CHECK
VALVE-CHECK
O-RING
O-RING
O-RING
SEAL-OIL
SEAL-OIL
SEAL-OIL
VANE
VANE
VANE
ROTOR
ROTOR
ROTOR
21Q6-33500
21Q6-33500
SERVICE KIT
BRACKET-SWITCH
BRACKET-SWITCH
BRACKET-SWITCH
SCREW-TAPPING
SCREW-TAPPING
SCREW-TAPPING
CONTROL-SWITCH
CONTROL-SWITCH
CONTROL SWITCH ASSY
ADAPTOR-HOSE
ADAPTOR-HOSE
ADAPTOR-HOSE
21Q6-31002
21Q6-31002
FUEL FILLER PUMP
PROTECTOR-SCREEN
PROTECTOR-SCREEN
PROTECTOR-SCREEN
COUPLIING-ELBOW
COUPLIING-ELBOW
COUPLIING-ELBOW
FITTING-ELBOW
FITTING-ELBOW
FITTING-ELBOW
ELBOW
ELBOW
ELBOW
BODY
BODY
BODY
MOTOR
MOTOR
MOTOR
LABEL
LABEL
LABEL
SCREW
SCREW
SCREW
COVER-BODY
COVER-BODY
COVER-BODY
BEARING
BEARING
BEARING
1
21Q6-36001
PUMP & MOTOR ASSY
2
21Q6-36100
HOSE ADAPTOR KIT
3
21Q6-36200
FOOT VALVE KIT
4
21Q6-36301
CONTROL SWITCH KIT
5
21Q6-36400
LABEL
6
21Q6-36500
HOSE-PVC
8
21Q6-36700
CLAMP
9
21Q6-36800
NIPPLE
Содержащиеся в справочниках-каталогах запасные части и детали не предлагаются к продаже, а носят исключительно информационный характер
Дополнительная информация
×
Название:
Номер:
Примечание: