Вернуться на главную
Поиск
Каталоги запчастей к технике
Спецтехника
Hyundai
R210W-9
A030 REAR GEAR HOUSING
Каталог запасных частей к технике: Hyundai R210W-9. A030 REAR GEAR HOUSING
zoom-in
zoom-out
enlarge
shrink
circle-right
circle-left
file-text2
info
cart
Тип техники
Не выбрано
Легковые автомобили
Грузовые автомобили и прицепы
Автобусы
Сельхозтехника
Спецтехника
Двигатели
Мототехника
Марка
Не выбрано
Ammann
BOMAG
CARMIX
CASE IH
Changlin
ChengGong
Dimex
Doosan
DYNAPAC
Foton
HAMM
Hidromek
Hitachi
Hyundai
JCB
JLG
John Deere
Komatsu
LIEBHERR
LiuGong
Lonking (LongGong)
Luneng
MANITOU
Mitsuber
New Holland
PENGPU
RM-Terex
SANY
SDLG
SEM
Shantui
Shehwa HBXG
Soosan
TIGARBO
VOGELE
Volvo
WAY
WIRTGEN
XCMG
XGMA
Xiamen
YTO
Yuchai
Zoomlion
Автокран
АЗСМ
Алтайлесмаш
Амкодор
АОМЗ
Атек
АТЗ
Балканкар Рекорд
БелАЗ
Беловеж
Борекс
Брянский Арсенал
Булат
ВЭКС
ГАЗ
Геомаш
Гидромаш
Донекс
Дормаш
Дормашина
Дорэлектромаш
ДЭЗ
ЕлАЗ
ЗЗГТ
Ижнефтемаш
Канаш-электрокар
КЗКТ
ККЗ
Клевер
Клинцовский автокрановый завод
КМЗ
КМЗ 1 Мая
Ковровец
Коммаш
Кранэкс
КЭЗ
КЭМЗ
ЛЗА
МАЗ
МЗИК
МЗКМ
МЗКТ
Михневский РМЗ
МоАЗ
Мозырский МЗ
МТЗ
ОЗП
Онежец
ПАО "ТЗА"
ППС Детва
Промтрактор
ПТЗ
Раскат
СпецАгрегат
ТВЭКС
ТТМ
УВЗ
Угличмаш
УЗТМ
ХТЗ
ЧЗКМ
ЧСДМ
ЧТЗ
ЭКСКО
ЭКСМАШ
ЮрМаш
Модель
Не выбрано
R140W-9 (2013)
R140W-9S (2013)
R16-9 (2013)
R170W-7 (2013)
R170W-9 (2013)
R170W-9S (2013)
R180LC-9 (2013)
R180LC-9S (2013)
R180W-9S (2013)
R210LC-9 (2013)
R210NLC-9 (2013)
R210W-9 (2013)
R330LC-9A (2013)
R330LC-9S (2013)
R330LC-9SH (2013)
Схема
>
Не выбрано
ENGINE MOUNTING
AIR INTAKE SYSTEM
EXHAUST SYSTEM
COOLING SYSTEM
RADIATOR ASSY
FUEL SYSTEM (WITHOUT PREFILTER, -#0059)
FUEL SYSTEM (WITHOUT PREFILTER, #0060-)
FUEL SYSTEM (W/PREFILTER, R210W-9MH)
FUEL SYSTEM (WITH PREFILTER, -#0059)
FUEL SYSTEM (WITH PREFILTER, #0060-)
FUEL SYSTEM (W/O PREFILTER, R210W-9MH)
FUEL TANK
AIRCON & HEATER GROUP
AIR CONDITIONER BOTTOM SUB
AIRCON & HEATER UNIT
AIR CONDITIONER MOUNTING
AIR CONDITIONER UNIT (SEMI AUTO)
HEATER MOUNTING
HEATER UNIT (SEMI AUTO)
PRE HEATING GROUP
RH ELECTRIC
LH ELECTRIC
LOWER ELECTRIC
BOOM ELECTRIC
BOOM ELECTRIC (ADJUST BOOM, #0243-)
ENGINE ELECTRIC
ELECTRIC BOX (-#0374)
ELECTRIC BOX (#0375-)
CAB ELECTRIC 1
CAB ELECTRIC 2
CABIN ROOM ELECTRIC
CLUSTER
CLUSTER (OPTION)
BOTTOM ELECTRIC
FUEL FILLER PUMP
FUSE BOX
AIR COMPRESSOR ELECTRIC
CAB ELEVATING HARNESS (R210W-9MH)
PUMP MOUNTING
HYDRAULIC TANK
UPPER HYD PIPING (BASE)
UPPER HYD PIPING (ATTACH)
UPPER HYD PIPING (ATTACH, ADJUST BOOM)
UPPER HYD PIPING (TRAVEL)
UPPER HYD PIPING (ADJUST BOOM)
CONTROL VALVE (ADJUST BOOM)
PILOT HYD PIPING (CONTROL 1)
PILOT HYD PIPING (CONTROL 2)
PILOT HYD PIPING (CONTROL 3)
PILOT HYD PIPING (BASE 1, -#0024)
PILOT HYD PIPING (BASE 1, #0025-)
PILOT HYD PIPING (BASE 2)
PILOT HYD PIPING (BASE 3, -#0024)
PILOT HYD PIPING (BASE 3, #0025-)
PILOT HYD PIPING (4 OUTRIGGER)
PILOT HYD PIPING (FR/OT, RR/BLADE)
POWER TRAIN HYD PIPING 1
POWER TRAIN HYD PIPING 2
POWER TRAIN HYD PIPING 3
POWER TRAIN HYD PIPING (1-WAY PEDAL)
POWER TRAIN HYD PIPING (2-WAY PEDAL)
LOWER HYD PIPING 1 (#0285-)
LOWER HYD PIPING 2 (#0285-)
LOWER HYD PIPING 3 (#0285-)
LOWER HYD PIPING 1 (#0286-)
LOWER HYD PIPING 2 (#0286-)
LOWER HYD PIPING 3 (#0286-)
FRONT OUTRIGGER HYD PIPING (#0285-)
REAR DOZER BLADE HYD PIPING (#0285-)
FRONT OUTRIGGER HYD PIPING (#0286-)
REAR DOZER BLADE HYD PIPING (#0286-)
FRONT OUTRIGGER HYD PIPING (-#0285)
REAR OUTRIGGER HYD PIPING (-#0285)
FRONT OUTRIGGER HYD PIPING (#0286-)
REAR OUTRIGGER HYD PIPING (#0286-)
LOWER HYD PIPING 1 (F/BLD, R/OUT, -#0285)
LOWER HYD PIPING 2 (F/BLD, R/OUT, -#0285)
LOWER HYD PIPING 1 (F/BLD, R/OUT, #0286-)
LOWER HYD PIPING 2 (F/BLD, R/OUT, #0286-)
LOWER HYD PIPING 1 (F/BLD, R/BLD, -#0285)
LOWER HYD PIPING 2 (F/BLD, R/BLD, -#0285)
LOWER HYD PIPING 1 (F/BLD, R/BLD, #0286-)
LOWER HYD PIPING 2 (F/BLD, R/BLD, #0286-)
BOOM HYD PIPING 1 (5.65M, STD)
BOOM GREASE LUB SYSTEM (5.65M, STD)
BOOM HYD PIPING (ADJUST BOOM)
BOOM GREASE LUB SYSTEM (ADJUST BOOM)
BOOM HYD PIPING (5.2M, SHORT)
BOOM GREASE LUB SYSTEM (5.2M, SHORT)
BOOM HYD PIPING (5.55M, OPT)
BOOM GREASE LUB SYSTEM (5.55M, OPT)
BOOM HYD PIPING (6.5M, R210W-9MH)
BOOM GREASE LUB SYSTEM (R210W-9MH)
ATTACH PIPING KIT (S & D/ACTING)
ATTACH PIPING KIT (S&D/ACTING, ADJ/ BOOM)
BOOM SAFETY LOCK SYSTEM
BOOM SAFETY LOCK SYSTEM (ADJUST BOOM)
QUICK CLAMP HYD PIPING
QUICK CLAMP (HOOK TYPE 1)
QUICK CLAMP (CLOSED TYPE 1)
QUICK CLAMP (HOOK TYPE 2)
QUICK CLAMP (CLOSED TYPE 2)
QUICK CLAMP (HOOK TYPE , #0329-)
QUICK CLAMP (CLOSED TYPE 1, #0329-)
QUICK CLAMP (HOOK TYPE 2, #0329-)
QUICK CLAMP (CLOSED TYPE 2, #0329-)
ARM HYD PIPING (AM 2.92M, STD)
ARM HYD PIPING (AM 2.00M)
ARM HYD PIPING (AM 2.40M)
ARM HYD PIPING (AM 2.70M)
ARM HYD PIPING (AM 2.80M)
ARM HYD PIPING (4.5M, R210W-9MH)
ARM GREASE LUB SYSTEM (4.5M, R210W-9MH)
ARM SAFETY LOCK SYSTEM
ARM SAFETY LOCK SYSTEM (ADJUST BOOM)
DOUBLE ACTING MAIN PIPING KIT 1
DOUBLE ACTING MAIN PIPING KIT 2
D/ACTING MAIN PIPING KIT 1 (ADJUST BOOM)
D/ACTING MAIN PIPING KIT 2 (ADJUST BOOM)
SINGLE PEDAL (DOUBLE ACTING)
SINGLE ACTING MAIN PIPING KIT
MAIN PUMP (1/2)
MAIN PUMP (2/2)
REGULATOR
GEAR PUMP
EPPR VALVE
MAIN CONTROL VALVE (1/4)
MAIN CONTROL VALVE (2/4)
MAIN CONTROL VALVE (3/4)
MAIN CONTROL VALVE (4/4)
SWING MOTOR (TYPE 1)
SWING REDUCTION GEAR (TYPE 1)
SWING MOTOR (TYPE 2, 3)
SWING REDUCTION GEAR (TYPE 2, 3)
REMOTE CONTROL LEVER (TYPE 1, 2)
REMOTE CONTROL LEVER (TYPE 3, -#0349)
REMOTE CONTROL LEVER (TYPE 4, -#0406)
REMOTE CONTROL LEVER (TYPE 4, #0407-)
REMOTE CONTROL LEVER (TYPE 5)
REMOTE CONTROL LEVER (TYPE 6)
REMOTE CONTROL LEVER (TYPE 7)
DOZER CONTROL LEVER
ACCELERATOR PEDAL (STD)
ACCELERATOR PEDAL (2 WAY, OPT)
TRAVEL MOTOR (1/2)
TRAVEL MOTOR (2/2, -#0417)
TRAVEL MOTOR (2/2, #0418-)
COUNTER BALANCE VALVE
TURNING JOINT (-#0285)
TURNING JOINT SUB ASSY (-#0285)
TURNING JOINT (#0286-)
TURNING JOINT SUB ASSY (#0286-)
BOOM CYLINDER
BOOM SAFETY LOCK CYLINDER (ADJUST BOOM)
ARM CYLINDER
BUCKET CYLINDER
DOZER BLADE CYLINDER
OUTRIGGER CYLINDER
ADJUST CYLINDER
SOLENOID VALVE (-#0184)
SOLENOID VALVE (#0185-)
STEERING VALVE
TRAVEL CONTROL VALVE
BRAKE SUPPLY VALVE
BRAKE VALVE
BREAKER ASSY (1/3)
BREAKER ASSY (2/3)
BREAKER ASSY (3/3)
BREAKER AUTO GREASE UNIT (OPT)
BREAKER CENTRAL GREASE SUPPLY UNIT (OPT)
POWER TRAIN MOUNTING
PROPELLER SHAFT (-#0192)
PROPELLER SHAFT (#0193-)
OSCILLATING CYLINDER
FRONT AXLE INPUT GROUP (-#0010)
FRONT AXLE DIFFERENTIAL (-#0010)
FRONT AXLE CASING (-#0010)
FRONT AXLE JOINT HOUSING (-#0010)
FRONT AXLE OUTPUT GROUP (-#0010)
FRONT AXLE STEERING GEAR (-#0010)
FRONT AXLE UNIVERSAL JOINT (-#0010)
REAR AXLE INPUT GROUP (-#0010)
REAR AXLE DIFFERENTIAL (-#0010)
REAR AXLE CASING (-#0010)
REAR AXLE HUB CARRIER (-#0010)
REAR AXLE OUTPUT GROUP (-#0010)
TRANSMISSION INPUT HOUSING
TRANSMISSION HOUSING
TRANSMISSION MULTI-DISC BRAKE
TRANSMISSION COUPLING
TRANSMISSION PLANETARY DRIVE
TRANSMISSION OUTPUT GROUP
TRANSMISSION GEAR SHIFT SENSOR
TRANSMISSION OIL PIPE
FRONT AXLE INPUT GROUP (#0011-)
FRONT AXLE DIFFERENTIAL (#0011-)
FRONT AXLE CASING (#0011-)
FRONT AXLE JOINT HOUSING (#0011-)
FRONT AXLE OUTPUT GROUP (#0011-)
FRONT AXLE STEERING GEAR (#0011-)
FRONT AXLE UNIVERSAL JOINT (#0011-)
REAR AXLE INPUT GROUP (#0011-)
REAR AXLE DIFFERENTIAL (#0011-)
REAR AXLE CASING (#0011-)
REAR AXLE HUB CARRIER (#0011-)
REAR AXLE OUTPUT GROUP (#0011-)
CAB MOUNTING
CAB ASSY (1/4)
CABIN A/S KIT
CAB ASSY (2/4)
CAB ASSY (3/4)
CAB ASSY (4/4, DOOR)
CAB INTERIOR 1
CAB INTERIOR 2
CAB INTERIOR 3
CONSOLE BOX 1 (LH)
CONSOLE BOX1 (LH, #0258-)
CONSOLE BOX 2 (LH)
CONSOLE BOX 3 (RH)
CONSOLE BOX (RH, #0258-)
SEAT BASE ASSY
SEAT BASE ASSY (#0258-)
SEAT (SUSPENSION, HEATED, STD)
SEAT (SUSPENSION)
SEAT (SUSPENSION, 2"AIR RIDE, HEATED)
SEAT (SUSPENSION, 2"AIR RIDE)
SEAT (#0258-)
STORAGE BOX ASSY
BOTTOM PLATE MOUNTING
STEERING COLUMN
COWLING 1
COWLING 2
SIDE COWL ASSY (LH)
SIDE COVER ASSY (LH)
SIDE COWL ASSY (RH)
ENGINE HOOD
UNDER COVER
TOOL BOX MOUNTING
TOOL BOX
GROMMET GROUP
UPPER FRAME & COUNTERWEIGHT
LOWER FRAME & FENDER
SWING RING GREASE LUB SYSTEM
DOZER BLADE-REAR
DOZER BLADE-REAR (LOCAL)
DOZER BLADE-FRONT
OUTRIGGER MOUNTING (FRONT)
OUTRIGGER MOUNTING (REAR)
OUTRIGGER ASSY (REAR)
BOOM MOUNTING (5.65M, STD)
BOOM MOUNTING (ADJUST BOOM, -#0206)
BOOM MOUNTING (ADJUST BOOM, #0207-)
BOOM
BOOM (ADJUST BOOM)
BOOM (6.5M, R210W-9MH)
ARM
ARM (2.0M)
ARM (2.4M)
ARM (2.7M)
ARM (2.8M)
ARM (4.5M, R210W-9MH)
BUCKET CONTROL GROUP
BUCKET (5 TEETH)
BUCKET (3 TEETH)
BUCKET (6 TEETH)
BUCKET (5 TEETH, HEAVY DUTY)
BUCKET (5 TEETH, ROCK)
BUCKET (SLOPE FINISHING)
TOOLS
HCE-DT KIT
HCEC ENGINE INSITE KIT
DECALS
MANUALS
AIR HEATER STARTING AID
DATAPLATE
REAR GEAR HOUSING
CRANKSHAFT & MAIN BEARINGS
CYLINDER BLOCK
VALVE TAPPET
CRANKCASE BREATHER
COOLANT HEATER STARTING AID
VIBRATION DAMPER
REAR GEAR TRAIN MOUNTING
THERMOSTAT
ALTERNATOR MOUNTNG
FAN DRIVE
FUEL FILTER LOCATION
FUEL FILTER PLUMBING
FLYWHEEL HOUSING
FUEL INLET FITTING
FUEL PUMP
FUEL PLUMBING
FLYWHEEL
FRONT GEAR COVER
HEATER PLUMBING
AUXILIARY PUMP MOUNTING
AIR INTAKE CONNECTION
AIR INTAKE HOSE
AIR INTAKE COVER
AIR TRANSFER CONNECTION
LIFTING ARRANGEMENT
ENGINE OIL COOLER
FULL FLOW OIL FILTER
OIL LEVEL GAUGE
LUBRICATING OIL PUMP
OIL FILLER ARRANGEMENT
OIL PAN
ENGINE CONTROL MODULE
CONNECTING ROD AND PISTON
CAMSHAFT
FUEL INJECTOR
CYLINDER HEAD
TURBOCHARGER
INJECTER PLUMBING
ROCKER LEVER
ENGINE COOLANT VENT
OIL LEVEL SENSOR
HEAT SHIELD 1
HEAT SHIELD 2
STARTING MOTOR
STARTING MOTOR MOUNTING
FAN PILOT SPACER
TURBOCHARGER ARRANGEMENT
TORQUE CONVERTER OIL COOLER
TURBOCHARGER PLUMBING
VALVE COVER ARRANGEMENT
WATER INLET CONNECTION
WATER OUTLET CONNECTION
WATER PUMP DRIVE
WATER PUMP
BELT TENSIONER
ENGINE CONTROL MODULE HARNESS
EXHAUST OUTLET
A010 AIR HEATER STARTING AID
A020 DATAPLATE
A030 REAR GEAR HOUSING
A040 CRANKSHAFT & MAIN BEARINGS
A050 CYLINDER BLOCK
A060 VALVE TAPPET
A070 CRANKCASE BREATHER
A080 COOLANT HEATER STARTING AID
A090 VIBRATION DAMPER
A100 REAR GEAR TRAIN MOUNTING
A110 THERMOSTAT
A120 ALTERNATOR MOUNTNG
A130 FAN DRIVE
A140 FUEL FILTER LOCATION
A150 FUEL FILTER PLUMBING
A160 FLYWHEEL HOUSING
A170 FUEL INLET FITTING
A180 FUEL PUMP
A190 FUEL PLUMBING
A200 FLYWHEEL
A210 FRONT GEAR COVER
A220 HEATER PLUMBING
A230 AUXILIARY PUMP MOUNTING
A240 AIR INTAKE CONNECTION
A250 AIR INTAKE HOSE
A260 AIR INTAKE COVER
A270 AIR TRANSFER CONNECTION
A280 LIFTING ARRANGEMENT
A300 ENGINE OIL COOLER
A310 FULL FLOW OIL FILTER
A320 OIL LEVEL GAUGE
A330 LUBRICATING OIL PUMP
A340 OIL FILLER ARRANGEMENT
A350 OIL PAN
A360 ENGINE CONTROL MODULE
A370 CONNECTING ROD AND PISTON
A380 CAMSHAFT
A390 FUEL INJECTOR
A400 CYLINDER HEAD
A410 TURBOCHARGER
A420 INJECTER PLUMBING
A440 ROCKER LEVER
A450 ENGINE COOLANT VENT
A460 OIL LEVEL SENSOR
A470 HEAT SHIELD 1
A480 HEAT SHIELD 2
A485 STARTING MOTOR
A490 STARTING MOTOR MOUNTING
A500 FAN PILOT SPACER
A510 TURBOCHARGER ARRANGEMENT
A520 TORQUE CONVERTER OIL COOLER
A530 TURBOCHARGER PLUMBING
A540 VALVE COVER ARRANGEMENT
A550 WATER INLET CONNECTION
A560 WATER OUTLET CONNECTION
A570 WATER PUMP DRIVE
A580 WATER PUMP
A590 BELT TENSIONER
A600 ENGINE CONTROL MODULE HARNESS
A610 EXHAUST OUTLET
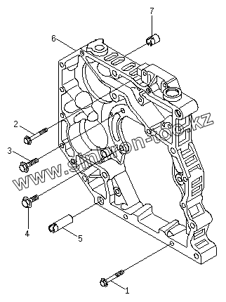
1
2
3
4
5
6
7
Позиция на иллюстрации
Заводской номер детали
Название детали
XKDE-01169
XKDE-01169
HOUSING-GEAR
1
XKDE-01368
SCREW-HEX HD CAP
2
XKDE-00324
SCREW-HEX HD CAP
3
XKDE-00111
SCREW-HEX HD CAP
4
XKDE-01367
SCREW-HEX HD CAP
5
XKDE-01049
DOWEL-RING
6
XKDE-01170
HOUSING-GEAR
7
XKDE-01184
INSERT-THREADED
Содержащиеся в справочниках-каталогах запасные части и детали не предлагаются к продаже, а носят исключительно информационный характер
Дополнительная информация
×
Название:
Номер:
Примечание: