Вернуться на главную
Поиск
Каталоги запчастей к технике
Спецтехника
Hyundai
R210NLC-9
RADIATOR ASSY
Каталог запасных частей к технике: Hyundai R210NLC-9. RADIATOR ASSY
zoom-in
zoom-out
enlarge
shrink
circle-right
circle-left
file-text2
info
cart
Тип техники
Не выбрано
Легковые автомобили
Грузовые автомобили и прицепы
Автобусы
Сельхозтехника
Спецтехника
Двигатели
Мототехника
Марка
Не выбрано
Ammann
BOMAG
CARMIX
CASE IH
Changlin
ChengGong
Dimex
Doosan
DYNAPAC
Foton
HAMM
Hidromek
Hitachi
Hyundai
JCB
JLG
John Deere
Komatsu
LIEBHERR
LiuGong
Lonking (LongGong)
Luneng
MANITOU
Mitsuber
New Holland
PENGPU
RM-Terex
SANY
SDLG
SEM
Shantui
Shehwa HBXG
Soosan
TIGARBO
VOGELE
Volvo
WAY
WIRTGEN
XCMG
XGMA
Xiamen
YTO
Yuchai
Zoomlion
Автокран
АЗСМ
Алтайлесмаш
Амкодор
АОМЗ
Атек
АТЗ
Балканкар Рекорд
БелАЗ
Беловеж
Борекс
Брянский Арсенал
Булат
ВЭКС
ГАЗ
Геомаш
Гидромаш
Донекс
Дормаш
Дормашина
Дорэлектромаш
ДЭЗ
ЕлАЗ
ЗЗГТ
Ижнефтемаш
Канаш-электрокар
КЗКТ
ККЗ
Клевер
Клинцовский автокрановый завод
КМЗ
КМЗ 1 Мая
Ковровец
Коммаш
Кранэкс
КЭЗ
КЭМЗ
ЛЗА
МАЗ
МЗИК
МЗКМ
МЗКТ
Михневский РМЗ
МоАЗ
Мозырский МЗ
МТЗ
ОЗП
Онежец
ПАО "ТЗА"
ППС Детва
Промтрактор
ПТЗ
Раскат
СпецАгрегат
ТВЭКС
ТТМ
УВЗ
Угличмаш
УЗТМ
ХТЗ
ЧЗКМ
ЧСДМ
ЧТЗ
ЭКСКО
ЭКСМАШ
ЮрМаш
Модель
Не выбрано
R140W-9 (2013)
R140W-9S (2013)
R16-9 (2013)
R170W-7 (2013)
R170W-9 (2013)
R170W-9S (2013)
R180LC-9 (2013)
R180LC-9S (2013)
R180W-9S (2013)
R210LC-9 (2013)
R210NLC-9 (2013)
R210W-9 (2013)
R330LC-9A (2013)
R330LC-9S (2013)
R330LC-9SH (2013)
Схема
>
Не выбрано
ENGINE MOUNTING
AIR INTAKE SYSTEM
EXHAUST SYSTEM
COOLING SYSTEM
RADIATOR ASSY
FUEL SYSTEM (WITHOUT PREFILTER, -#0003)
FUEL SYSTEM (WITHOUT PREFILTER, #0004-)
FUEL SYSTEM (WITH PREFILTER, -#0003)
FUEL SYSTEM (WITH PREFILTER, #0004-)
FUEL TANK
AIRCON & HEATER GROUP
AIR CONDITIONER BOTTOM SUB
AIRCON & HEATER UNIT
AIR CONDITIONER MOUNTING
AIR CONDITIONER UNIT (SEMI AUTO)
HEATER MOUNTING
HEATER UNIT (SEMI AUTO)
PRE HEATING GROUP
RH ELECTRIC
LH ELECTRIC
BOOM ELECTRIC
BOOM ELECTRIC (ADJUST BOOM)
ENGINE ELECTRIC
ELECTRIC BOX
CAB ELECTRIC 1
CAB ELECTRIC 2
ELECTRIC CABIN ROOM
CLUSTER
BOTTOM ELECTRIC
FUEL FILLER PUMP
FUSE BOX
PUMP MOUNTING
HYDRAULIC TANK
UPPER HYD PIPING (BASE)
UPPER HYD PIPING (ATTACH)
UPPER HYD PIPING (TRAVEL)
UPPER HYD PIPING (ADJUST BOOM)
CONTROL VALVE (ADJUST BOOM)
PILOT HYD PIPING (CONTROL 1)
PILOT HYD PIPING (CONTROL 2)
PILOT HYD PIPING (CONTROL 3)
PILOT HYD PIPING (BASE 1)
PILOT HYD PIPING (BASE 2)
PILOT HYD PIPING (BASE 3)
TRAVEL HYD PIPING (T/MOTOR TYPE 1)
TRAVEL HYD PIPING (T/MOTOR TYPE 2)
BOOM HYD PIPING (5.65M, STD)
BOOM GREASE LUB SYSTEM (5.65M, STD)
BOOM HYD PIPING(5.2M, SHORT)
BOOM GREASE LUB SYSTEM(5.2M, SHORT)
BOOM HYD PIPING (5.55M, OPT)
BOOM GREASE LUB SYSTEM (5.55M, OPT)
BOOM HYD PIPING (ADJUST BOOM)
BOOM GREASE LUB SYSTEM (ADJUST BOOM)
BOOM PIPING KIT-BREAKER (ADJUST BOOM)
BOOM SAFETY LOCK SYSTEM
QUICK CLAMP PIPING
QUICK CLAMP (HOOK TYPE 1)
QUICK CLAMP (CLOSE TYPE 1)
QUICK CLAMP (HOOK TYPE 2)
QUICK CLAMP (CLOSE TYPE 2)
ARM HYD PIPING (2.92M)
ARM HYD PIPING
ARM SAFETY LOCK SYSTEM
ARM SAFETY LOCK SYSTEM (ADJUST BOOM)
ATTACH PIPING KIT (S & D/ACTING)
DOUBLE ACTING MAIN PIPING KIT 1
DOUBLE ACTING MAIN PIPING KIT 2
SINGLE PEDAL (DOUBLE ACTING)
SINGLE ACTING MAIN PIPING KIT
MAIN PUMP (1/2)
MAIN PUMP (2/2)
REGULATOR
GEAR PUMP
EPPR VALVE
MAIN CONTROL VALVE (1/4)
MAIN CONTROL VALVE (2/4)
MAIN CONTROL VALVE (3/4)
MAIN CONTROL VALVE (4/4)
SWING MOTOR (TYPE 1)
SWING REDUCTION GEAR (TYPE 1)
SWING MOTOR (TYPE 2)
SWING REDUCTION GEAR (TYPE 2)
REMOTE CONTROL LEVER
REMOTE CONTROL PEDAL
TURNING JOINT
TRAVEL MOTOR (1/2, TYPE 1)
TRAVEL MOTOR (2/2, TYPE 1)
TRAVEL REDUCTION GEAR (TYPE 1)
TRAVEL MOTOR (1/2, TYPE 2)
TRAVEL MOTOR (2/2, TYPE 2)
TRAVEL REDUCTION GEAR (TYPE 2)
BOOM CYLINDER
ARM CYLINDER
ARM CYLINDER (ADJUST BOOM)
BUCKET CYLINDER
ADJUST CYLINDER
SOLENOID VALVE (-#0041)
SOLENOID VALVE (#0042-)
UNDERCARRIAGE MOUNTING
LOWER ROLLER
UPPER ROLLER
ADJUST COMPONENT
IDLE
TRACK CHAIN
CAB MOUNTING
CAB ASSY (1/4)
CABIN A/S KIT
CAB ASSY (2/4)
CAB ASSY (3/4)
CAB ASSY (4/4, DOOR)
CAB INTERIOR 1
CAB INTERIOR 2
CAB INTERIOR 3
CONSOLE BOX 1 (LH)
CONSOLE BOX 2 (LH)
CONSOLE BOX 3 (RH)
SEAT BASE ASSY
SEAT (SUSPENSION, HEATED, STD)
SEAT (SUSPENSION)
SEAT (SUSPENSION, 2"AIR RIDE, HEATED)
SEAT (SUSPENSION, 2"AIR RIDE)
STORAGE BOX ASSY
BOTTOM PLATE MOUNTING
COWLING 1
COWLING 2
SIDE COWL ASSY (LH)
SIDE COVER ASSY (LH)
SIDE COWL ASSY (RH)
ENGINE HOOD
UNDER COVER
TOOL BOX MOUNTING
TOOL BOX
GROMMET GROUP
UPPER FRAME & COUNTERWEIGHT
LOWER FRAME & COVER
SWING RING GREASE LUB SYSTEM
BOOM MOUNTING (5.65M, STD)
BOOM MOUNTING (ADJUST BOOM)
BOOM (5.65M, STD)
BOOM (ADJUST BOOM)
ARM
BUCKET CONTROL GROUP
BUCKET (5 TEETH)
BUCKET (3 TEETH)
BUCKET (6 TEETH)
BUCKET (5 TEETH, HEAVY DUTY)
BUCKET (5 TEETH, ROCK)
BUCKET (SLOPE FINISHING)
TOOLS
HCE-DT KIT
DECALS
MANUALS
AIR INTAKE HEATER
DATAPLATE
REAR GEAR HOUSING
CRANKSHAFT & MAIN BEARINGS
CYLINDER BLOCK
VALVE TAPPET
CRANKCASE BREATHER
COOLANT HEATER STARTING AID
VIBRATION DAMPER
REAR GEAR TRAIN ACCESSORY
THERMOSTAT
ALTERNATOR MOUNTING
FAN DRIVE
FUEL FILTER LOCATION
FUEL FILTER PLUMBING
FLYWHEEL HOUSING
FUEL INLET FITTING
FUEL PUMP
FUEL PLUMBING
FLYWHEEL
FRONT GEAR COVER
HEATER PLUMBING
AIR INTAKE CONNECTION 1
AIR INTAKE CONNECTION 2
AIR INTAKE HOSE
AIR INTAKE COVER
AIR TRANSFER CONNECTION
ARRANGEMENT LIFTING
LIFTING BRACKET MOUNTING
ENGINE OIL COOLER
FULL FLOW OIL FILTER
OIL LEVEL GAUGE
LUBRICATING OIL PUMP
OIL FILLER ARRANGEMENT
OIL PAN
ENGINE CONTROL MODULE
CONNECTING ROD & PISTON
CAMSHAFT
FUEL INJECTOR
CYLINDER HEAD
TURBOCHARGER
INJECTOR PLUMBING
REMOTE OIL DRAIN
ROCKER LEVERS
ENGINE COOLANT VENT
OIL LEVEL SENSOR
HEAT SHIELD 1
HEAT SHIELD 2
STARTING MOTOR MOUNTING
FAN PILOT SPACER
TURBOCHARGER ARRANGEMENT
TORQUE CONVERTER OIL COOLER
TURBOCHARGER PLUMBING
VALVE COVER ARRANGEMENT
WATER INLET CONNECTION
WATER OUTLET CONNECTION
WATER PUMP DRIVE
WATER PUMP
BELT TENSIONER
ENGINE CONTROL MODULE HARNESS
EXHAUST OUTLET CONNECTION
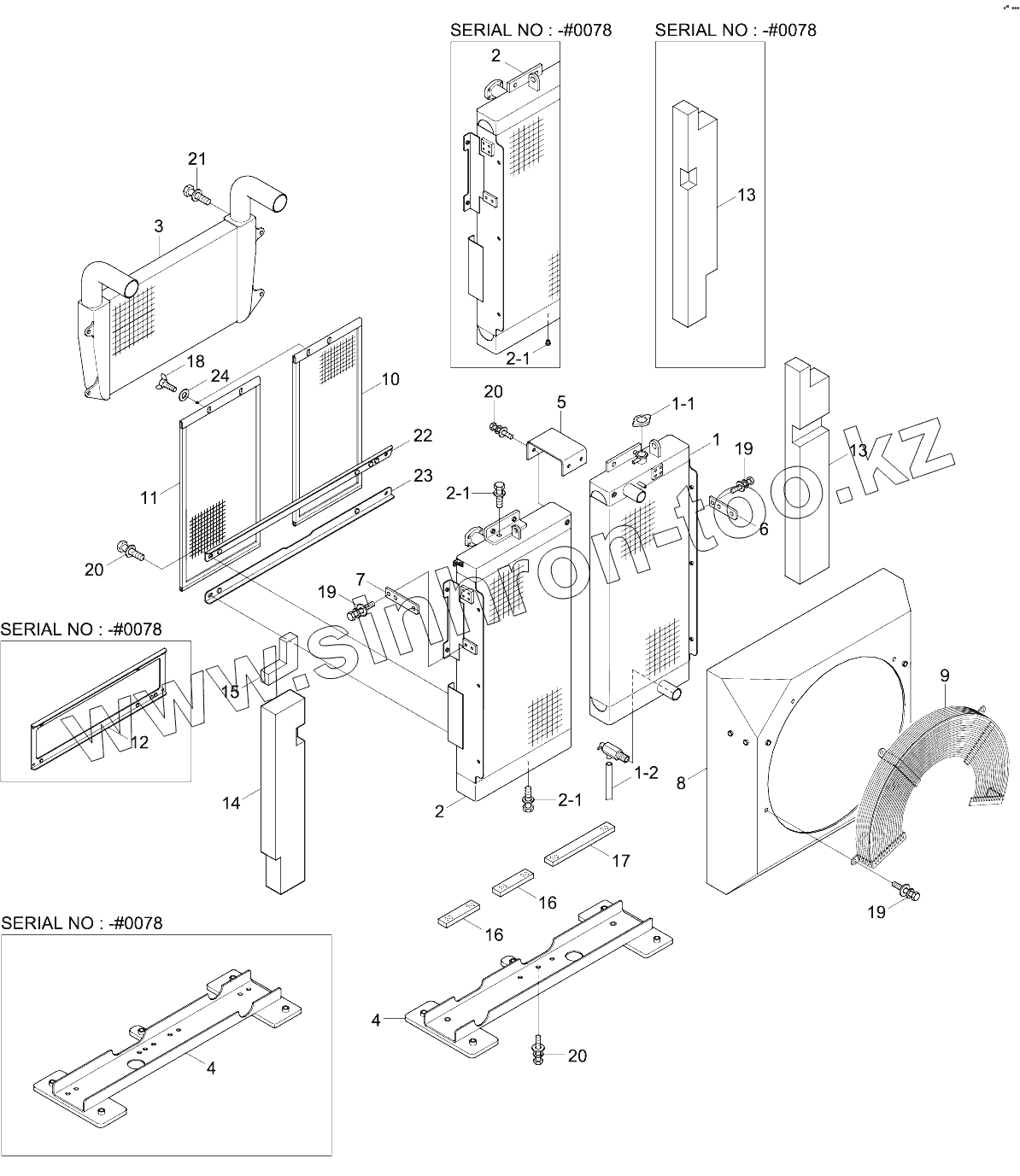
22
23
24
1
1-1
1-2
2
2
2-1
2-1
2-1
3
4
4
5
6
7
8
9
10
11
12
13
13
14
15
16
16
17
18
19
19
19
20
20
20
21
Позиция на иллюстрации
Заводской номер детали
Название детали
22
11Q6-40840
BRACKET-COND
23
11Q6-40850
BRACKET-COND
24
S403-06200B
WASHER-PLAIN
11Q6-43101
11Q6-43101
Radiator Total Assy
11Q6-40632
11Q6-40632
Radiator Assy
11Q6-40642
11Q6-40642
Oil Cooler Assy
11Q6-43100
11Q6-43100
Radiator Total Assy
1
11Q6-44210
Radiator Assy
1-1
11N8-47150
Cap-Pressure
1-2
11Q6-40790
Hose-Drain
2
11Q6-40641
Oil Cooler Assy
2-1
P23F01
Plug
3
11Q6-40202
Charge Air Cooler
4
11Q6-40623
Plate-Base
5
11Q6-40660
Plate
6
11Q6-40750
Bracket-Stay,Rh
7
11Q6-40760
Bracket-Stay,Lh
8
11Q6-43110
Shroud
9
11Q6-40271
Guard-Fan
10
11Q6-40670
Net-Wire
11
11Q6-40680
Net-Wire
12
11Q6-40421
Support
13
11Q6-44251
Sponge-A
14
11Q6-40730
Sponge-B
15
11Q6-40740
Sponge-C
16
11Q6-40771
Sponge-D
17
11Q6-40780
Sponge-E
18
S091-060106
BOLT-WING
19
S035-082526
BOLT-W/WASHER
20
S037-102526
BOLT-W/WASHER
21
S037-103526
BOLT-W/WASHER
Содержащиеся в справочниках-каталогах запасные части и детали не предлагаются к продаже, а носят исключительно информационный характер
Дополнительная информация
×
Название:
Номер:
Примечание: