Вернуться на главную
Поиск
Каталоги запчастей к технике
Спецтехника
Hyundai
R210LC-9
TOOL BOX MOUNTING
Каталог запасных частей к технике: Hyundai R210LC-9. TOOL BOX MOUNTING
zoom-in
zoom-out
enlarge
shrink
circle-right
circle-left
file-text2
info
cart
Тип техники
Не выбрано
Легковые автомобили
Грузовые автомобили и прицепы
Автобусы
Сельхозтехника
Спецтехника
Двигатели
Мототехника
Марка
Не выбрано
Ammann
BOMAG
CARMIX
CASE IH
Changlin
ChengGong
Dimex
Doosan
DYNAPAC
Foton
HAMM
Hidromek
Hitachi
Hyundai
JCB
JLG
John Deere
Komatsu
LIEBHERR
LiuGong
Lonking (LongGong)
Luneng
MANITOU
Mitsuber
New Holland
PENGPU
RM-Terex
SANY
SDLG
SEM
Shantui
Shehwa HBXG
Soosan
TIGARBO
VOGELE
Volvo
WAY
WIRTGEN
XCMG
XGMA
Xiamen
YTO
Yuchai
Zoomlion
Автокран
АЗСМ
Алтайлесмаш
Амкодор
АОМЗ
Атек
АТЗ
Балканкар Рекорд
БелАЗ
Беловеж
Борекс
Брянский Арсенал
Булат
ВЭКС
ГАЗ
Геомаш
Гидромаш
Донекс
Дормаш
Дормашина
Дорэлектромаш
ДЭЗ
ЕлАЗ
ЗЗГТ
Ижнефтемаш
Канаш-электрокар
КЗКТ
ККЗ
Клевер
Клинцовский автокрановый завод
КМЗ
КМЗ 1 Мая
Ковровец
Коммаш
Кранэкс
КЭЗ
КЭМЗ
ЛЗА
МАЗ
МЗИК
МЗКМ
МЗКТ
Михневский РМЗ
МоАЗ
Мозырский МЗ
МТЗ
ОЗП
Онежец
ПАО "ТЗА"
ППС Детва
Промтрактор
ПТЗ
Раскат
СпецАгрегат
ТВЭКС
ТТМ
УВЗ
Угличмаш
УЗТМ
ХТЗ
ЧЗКМ
ЧСДМ
ЧТЗ
ЭКСКО
ЭКСМАШ
ЮрМаш
Модель
Не выбрано
R140W-9 (2013)
R140W-9S (2013)
R16-9 (2013)
R170W-7 (2013)
R170W-9 (2013)
R170W-9S (2013)
R180LC-9 (2013)
R180LC-9S (2013)
R180W-9S (2013)
R210LC-9 (2013)
R210NLC-9 (2013)
R210W-9 (2013)
R330LC-9A (2013)
R330LC-9S (2013)
R330LC-9SH (2013)
Схема
>
Не выбрано
ENGINE MOUNTING
AIR INTAKE SYSTEM
AIR INTAKE SYSTEM (WET, #1230-)
EXHAUST SYSTEM
COOLING SYSTEM
RADIATOR ASSY
FUEL SYSTEM (WITHOUT PREFILTER)
FUEL SYSTEM (WITH PREFILTER)
FUEL TANK
AIRCON & HEATER GROUP
AIR CONDITIONER BOTTOM SUB
AIRCON & HEATER UNIT
AIR CONDITIONER MOUNTING
AIR CONDITIONER UNIT (SEMI AUTO)
HEATER MOUNTING
HEATER UNIT (SEMI AUTO)
PRE HEATING GROUP (#0181-)
RH ELECTRIC (-#0061)
RH ELECTRIC (#0062-)
LH ELECTRIC (-#0061)
LH ELECTRIC (#0062-)
BOOM ELECTRIC (-#0094)
BOOM ELECTRIC (#0095-)
ENGINE ELECTRIC
ELECTRIC BOX
MCU
CAB ELECTRIC 1
CAB ELECTRIC 2
ELECTRIC CABIN ROOM
CLUSTER
CLUSTER(OPTION)
BOTTOM ELECTRIC
FUEL FILLER PUMP
FUSE BOX
PUMP MOUNTING
HYDRAULIC TANK
UPPER HYD PIPING (BASE, MCV TYPE 1)
UPPER HYD PIPING (BASE,#0469-, MCV TYPE2)
UPPER HYD PIPING (ATTACH)
UPPER HYD PIPING (TRAVEL, MCV TYPE1)
UPPER HYD PIP (TRAVEL, #0469-, MCV TYPE2)
PILOT HYD PIPING (CONTROL 1, MCV TYPE 1)
PILOT HYD PIPING (CONTROL 2, MCV TYPE 1)
PILOT HYD PIPING (CONTROL 3, MCV TYPE 1)
PILOT HYD PIP (CNTL 1, #0469-, MCV TYPE2)
PILOT HYD PIP (CNTL 2, #0469-, MCV TYPE2)
PILOT HYD PIP (CNTL 3, #0469-, MCV TYPE2)
PILOT HYD PIPING (CNTL 1, PATTERN CHANGE)
PILOT HYD PIPING (CNTL 2, PATTERN CHANGE)
PILOT HYD PIPING (CNTL 3, PATTERN CHANGE)
PILOT HYD PIPING (BASE 1, MCV TYPE 1)
PILOT HYD PIPING (BASE 2, MCV TYPE 1)
PILOT HYD PIPING (BASE 3, MCV TYPE 1)
PILOT HYD PIPING (BASE1,#0469-,MCV TYPE2)
PILOT HYD PIPING (BASE2,#0469-,MCV TYPE2)
PILOT HYD PIPING (BASE3,#0469-,MCV TYPE2)
TRAVEL HYD PIPING (T/MOTOR TY 1, -#0477)
TRAVEL HYD PIPING (T/MOTOR TY 2, #0478-)
BOOM HYD PIPING (5.68M, STD)
BOOM HYD PIPING (L/REACH, #0086-)
BOOM HYD PIPING (4.7M, #0178-)
BOOM GREASE LUB SYSTEM (5.68M, STD)
BOOM GREASE LUB SYSTEM (L/REACH, #0086-)
BOOM GREASE LUB SYSTEM (4.7M, #0178-)
BOOM SAFETY LOCK SYSTEM
QUICK CLAMP PIPING
QUICK CLAMP (HOOK TYPE 1)
QUICK CLAMP (CLOSE TYPE 1)
QUICK CLAMP CYLINDER
QUICK CLAMP (HOOK TYPE 2)
QUICK CLAMP (CLOSE TYPE 2)
ARM HYD PIPING (AM 2.92M, STD)
ARM HYD PIPING (L/REACH, #0086-)
ARM HYD PIPING (2.0M, #0035-)
ARM HYD PIPING (SHORT ARM, 2.4M, #0035-)
ARM HYD PIPING (2.065M, #0178-)
ARM HYD PIPING (3.9M, #0035-)
ARM SAFETY LOCK SYSTEM
ATTACH PIPING KIT (S & D/ACTING)
DOUBLE ACTING MAIN PIPING KIT 1
DOUBLE ACTING MAIN PIPING KIT 2
SINGLE PEDAL (DOUBLE ACTING)
ROTATING MAIN PIPING KIT
SINGLE ACTING MAIN PIPING KIT (#0035-)
MAIN PUMP
REGULATOR
GEAR PUMP
EPPR VALVE
MCV (1/4, RED COLOR, TYPE 1)
MCV (2/4, RED COLOR, TYPE 1)
MCV (3/4, RED COLOR, TYPE 1)
MCV (4/4, RED COLOR, TYPE 1)
MCV (1/4, YELLOW COLOR, TYPE 1)
MCV (2/4, YELLOW COLOR, TYPE 1)
MCV (3/4, YELLOW COLOR, TYPE 1)
MCV (4/4, YELLOW COLOR, TYPE 1)
MAIN CONTROL VALVE (1/5, TYPE 2)
MAIN CONTROL VALVE (2/5, TYPE 2)
MAIN CONTROL VALVE (3/5, TYPE 2)
MAIN CONTROL VALVE (4/5, TYPE 2)
MAIN CONTROL VALVE (5/5, TYPE 2)
SWING MOTOR (TYPE 1)
SWING REDUCTION GEAR (TYPE 1)
SWING MOTOR (TYPE 2)
SWING REDUCTION GEAR (TYPE 2)
REMOTE CONTROL LEVER
REMOTE CONTROL PEDAL
TURNING JOINT
TRAVEL MOTOR (1/2, TYPE 1, -#0477)
TRAVEL MOTOR (2/2, TYPE 1, -#0477)
TRAVEL REDUCTION GEAR (TYPE 1, -#0477)
TRAVEL MOTOR (1/2, TYPE 2, #0478-)
TRAVEL MOTOR (2/2, TYPE 2, #0478-)
TRAVEL REDUCTION GEAR (TYPE 2, #0478-)
BOOM CYLINDER
ARM CYLINDER
ARM CYLINDER (BM 4.7M, #0178-)
BUCKET CYLINDER
BUCKET CYLINDER (L/REACH, #0086-)
SOLENOID VALVE (-#0692)
SOLENOID VALVE (#0693-)
UNDERCARRIAGE MOUNTING
UNDERCARRIAGE MTG (HIGH WALKER)
UNDERCARRIAGE MTG (REINFORCEMENT)
LOWER ROLLER
UPPER ROLLER
IDLER
TRACK CHAIN
TRACK CHAIN (HIGH WALKER)
TRACK CHAIN (R210-9)
ADJUST COMPONENT
CAB MOUNTING
CAB ASSY (1/4)
CABIN A/S KIT
CAB ASSY (2/4)
CAB ASSY (3/4)
CAB ASSY (4/4, DOOR)
CAB INTERIOR 1
CAB INTERIOR 2
CAB INTERIOR 3
CONSOLE BOX 1 (LH)
CONSOLE BOX 2 (LH)
CONSOLE BOX 3 (RH)
SEAT BASE ASSY
SEAT BASE ASSY (#1280-)
SEAT (SUSPENSION, HEATED, STD)
SEAT (SUSPENSION)
SEAT (SUSPENSION, 2"AIR RIDE, HEATED)
SEAT (SUSPENSION, 2"AIR RIDE)
STORAGE BOX ASSY
BOTTOM PLATE MOUNTING
COWLING 1
COWLING 2
SIDE COWL ASSY (LH)
SIDE COVER ASSY (LH)
SIDE COWL ASSY (RH)
ENGINE HOOD
UNDER COVER
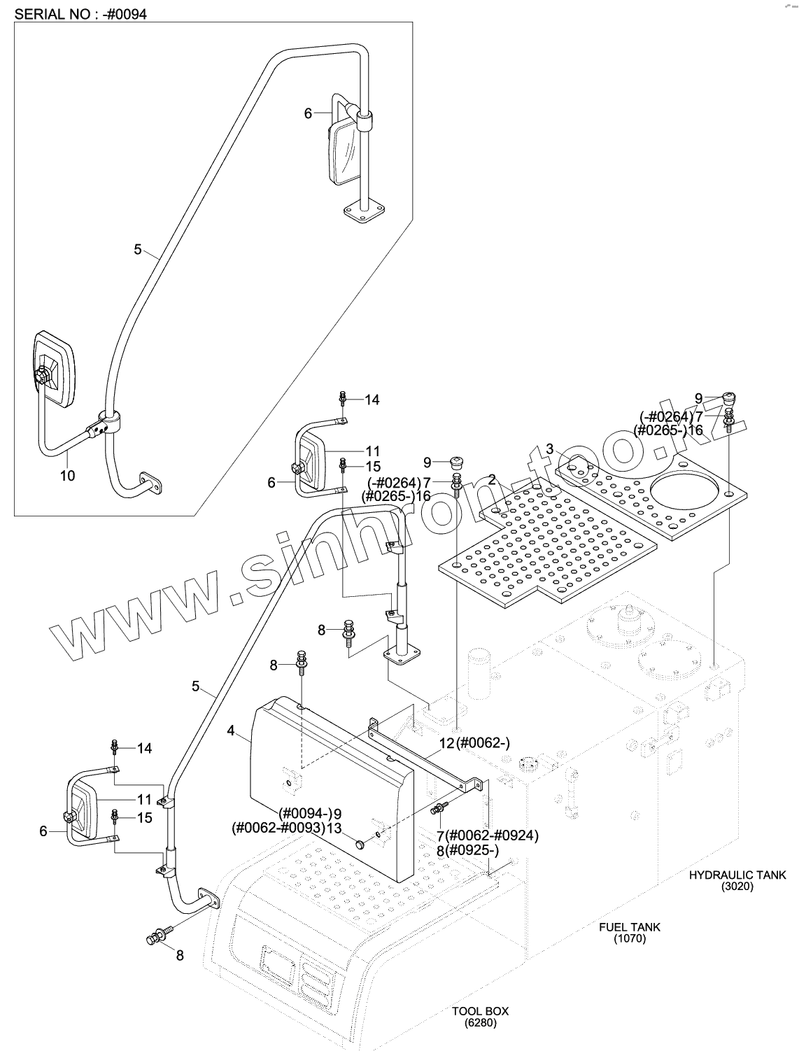
TOOL BOX MOUNTING
TOOL BOX (-#0094)
TOOL BOX (#0095-)
UPPER FRAME & COUNTERWEIGHT
LOWER FRAME & COVER
LOWER FRAME&COVER (HIGH WALKER)
SWING RING GREASE LUB SYSTEM
GROMMET GROUP
BOOM MOUNTING
BOOM MOUNTING (LONG REACH, #0008-)
BOOM (5.68M)
BOOM (8.20M, LONG REACH, #0038-)
BOOM (4.7M, SUPER SHORT, #0178-)
ARM
ARM (6.3M, LONG REACH, #0086-)
ARM (2.92M, HEAVY DUTY)
ARM (2.0M, SUPER SHORT, #0008-)
ARM (6.3M, LONG REACH, #0038-)
ARM (3.9M, LONG, #0008-)
ARM(2.065M, SHORT, #0178-)
BUCKET CONTROL GROUP
BUCKET CONTROL GROUP (LONG REACH)
TOOLS
HCE-DT KIT
DECALS
MANUALS
AIR INTAKE HEATER
DATAPLATE
REAR GEAR HOUSING
CRANKSHAFT & MAIN BEARINGS
CYLINDER BLOCK
VALVE TAPPET
CRANKCASE BREATHER
COOLANT HEATER STARTING AID
VIBRATION DAMPER
REAR GEAR TRAIN ACCESSORY
THERMOSTAT
ALTERNATOR MOUNTING
FAN DRIVE
FUEL FILTER LOCATION
FUEL FILTER PLUMBING
FLYWHEEL HOUSING
FUEL INLET FITTING
FUEL PUMP
FUEL PLUMBING
FLYWHEEL
FRONT GEAR COVER
HEATER PLUMBING
AIR INTAKE CONNECTION 1
AIR INTAKE CONNECTION 2
AIR INTAKE HOSE
AIR INTAKE COVER
AIR TRANSFER CONNECTION
ARRANGEMENT LIFTING
LIFTING BRACKET MOUNTING
ENGINE OIL COOLER
FULL FLOW OIL FILTER
OIL LEVEL GAUGE
LUBRICATING OIL PUMP
OIL FILLER ARRANGEMENT
OIL PAN
ENGINE CONTROL MODULE
CONNECTING ROD & PISTON
CAMSHAFT
FUEL INJECTOR
CYLINDER HEAD
TURBOCHARGER
INJECTOR PLUMBING
REMOTE OIL DRAIN
ROCKER LEVERS
ENGINE COOLANT VENT
OIL LEVEL SENSOR
HEAT SHIELD 1
HEAT SHIELD 2
STARTING MOTOR MOUNTING
FAN PILOT SPACER
TURBOCHARGER ARRANGEMENT
TORQUE CONVERTER OIL COOLER
TURBOCHARGER PLUMBING
VALVE COVER ARRANGEMENT
WATER INLET CONNECTION
WATER OUTLET CONNECTION
WATER PUMP DRIVE
WATER PUMP
BELT TENSIONER
ENGINE CONTROL MODULE HARNESS
EXHAUST OUTLET CONNECTION
BUCKET (5 TEETH)
BUCKET (0.92M3 SAE HEAPED, CAST, #0061-)
BUCKET (1.05M3 SAE HEAPED, CAST, #0137-)
BUCKET (3 TEETH)
BUCKET (6 TEETH)
BUCKET (5 TEETH, HEAVY DUTY)
BUCKET (5 TEETH, ROCK)
BUCKET (SLOPE FINISHING)
BUCKET (5 TEETH, CAST)
BUCKET (1.34M3 SAE HEAPED)
BUCKET (0.90M3 SAE HEAPED, #0008-)
BUCKET (0.74M3 SAE HEAPED, HEAVY DUTY)
BUCKET (1.05M3 SAE HEAPED, HEAVY DUTY)
BUCKET (0.87M3 SAE HEAPED, ROCK, #0008-)
BUCKET (1.20M3 SAE HEAPED, ROCK, #0008-)
BUCKET (0.75M3 SAE HEAPED, S/FINISHING)
BUCKET (0.87M3 SAE HEAPED, ROCK, NARROW)
BUCKET (1.05M3 SAE HEAPED, NARROW)
BUCKET (0.55M3 SAE HEAPED, S/FINISING)
BUCKET (0.52M3 SAE HEAPED, LONG REACH)
BUCKET (0.50M3 SAE HEAPED, LONG REACH)
BUCKET (0.90M3 SAE HEAPED, HEAVY DUTY)
BUCKET (0.74M3 SAE HEAPED, HEAVY DUTY)
BUCKET (0.55M3 SAE HEAPED, D/CLEANING)
BUCKET (0.80M3 SAE HEAPED)
BUCKET (0.87M3 SAE HEAPED)
BUCKET (0.92M3 SAE HEAPED)
2
3
4
5
5
6
6
6
7
7
7
8
8
8
8
9
9
9
10
11
11
12
13
14
14
15
15
16
16
Позиция на иллюстрации
Заводской номер детали
Название детали
71Q6-43103
71Q6-43103
Cover-Fuel Tank
71Q6-43104
71Q6-43104
Cover-Fuel Tank
71Q6-44203
71Q6-44203
Handrail Wa
71Q6-44204
71Q6-44204
Handrail Wa
71Q6-48200
71Q6-48200
STAY WA-RH
71Q6-43201
71Q6-43201
Bracket Wa
S037-102526
S037-102526
BOLT-W/WASHER
71Q6-43102
71Q6-43102
Cover-Fuel Tank
2
71Q6-45200
Non Slip Plate
3
71Q6-45300
Non Slip Plate
4
71Q6-43101
Cover-Fuel Tank
5
71Q6-44202
Handrail Wa
6
71Q6-48100
Stay Assy-Rh
7
71Q6-50020
BOLT-W/WASHER
8
71Q6-50025
BOLT-W/WASHER
9
71Q6-41700
CAP
10
71N8-48102GG
Stay Assy-Rh
11
71N8-47101
MIRROR
12
71Q6-43200
Bracket Wa
13
71Q6-41710
Cap
14
S037-103026
BOLT-W/WASHER
15
S037-104526
Bolt-W/Washer
16
S037-122066
BOLT-W/WASHER
Содержащиеся в справочниках-каталогах запасные части и детали не предлагаются к продаже, а носят исключительно информационный характер
Дополнительная информация
×
Название:
Номер:
Примечание: