Вернуться на главную
Поиск
Каталоги запчастей к технике
Спецтехника
Hyundai
R180LC-9S
QUICK CLAMP CYLINDER
Каталог запасных частей к технике: Hyundai R180LC-9S. QUICK CLAMP CYLINDER
zoom-in
zoom-out
enlarge
shrink
circle-right
circle-left
file-text2
info
cart
Тип техники
Не выбрано
Легковые автомобили
Грузовые автомобили и прицепы
Автобусы
Сельхозтехника
Спецтехника
Двигатели
Мототехника
Марка
Не выбрано
Ammann
BOMAG
CARMIX
CASE IH
Changlin
ChengGong
Dimex
Doosan
DYNAPAC
Foton
HAMM
Hidromek
Hitachi
Hyundai
JCB
JLG
John Deere
Komatsu
LIEBHERR
LiuGong
Lonking (LongGong)
Luneng
MANITOU
Mitsuber
New Holland
PENGPU
RM-Terex
SANY
SDLG
SEM
Shantui
Shehwa HBXG
Soosan
TIGARBO
VOGELE
Volvo
WAY
WIRTGEN
XCMG
XGMA
Xiamen
YTO
Yuchai
Zoomlion
Автокран
АЗСМ
Алтайлесмаш
Амкодор
АОМЗ
Атек
АТЗ
Балканкар Рекорд
БелАЗ
Беловеж
Борекс
Брянский Арсенал
Булат
ВЭКС
ГАЗ
Геомаш
Гидромаш
Донекс
Дормаш
Дормашина
Дорэлектромаш
ДЭЗ
ЕлАЗ
ЗЗГТ
Ижнефтемаш
Канаш-электрокар
КЗКТ
ККЗ
Клевер
Клинцовский автокрановый завод
КМЗ
КМЗ 1 Мая
Ковровец
Коммаш
Кранэкс
КЭЗ
КЭМЗ
ЛЗА
МАЗ
МЗИК
МЗКМ
МЗКТ
Михневский РМЗ
МоАЗ
Мозырский МЗ
МТЗ
ОЗП
Онежец
ПАО "ТЗА"
ППС Детва
Промтрактор
ПТЗ
Раскат
СпецАгрегат
ТВЭКС
ТТМ
УВЗ
Угличмаш
УЗТМ
ХТЗ
ЧЗКМ
ЧСДМ
ЧТЗ
ЭКСКО
ЭКСМАШ
ЮрМаш
Модель
Не выбрано
R140W-9 (2013)
R140W-9S (2013)
R16-9 (2013)
R170W-7 (2013)
R170W-9 (2013)
R170W-9S (2013)
R180LC-9 (2013)
R180LC-9S (2013)
R180W-9S (2013)
R210LC-9 (2013)
R210NLC-9 (2013)
R210W-9 (2013)
R330LC-9A (2013)
R330LC-9S (2013)
R330LC-9SH (2013)
Схема
>
Не выбрано
ENGINE MOUNTING
ENGINE CONTROL SYSTEM
AIR INTAKE SYSTEM
EXHAUST SYSTEM
COOLING SYSTEM
RADIATOR ASSY
FUEL SYSTEM
FUEL TANK
AIRCON & HEATER GROUP
AIR CONDITIONER BOTTOM SUB
AIRCON & HEATER UNIT
AIR CONDITIONER UNIT (SEMI AUTO)
HEATER UNIT (SEMI AUTO)
RH ELECTRIC
LH ELECTRIC
BOOM ELECTRIC (STD)
BOOM ELECTRIC (ADJUST BOOM)
ENGINE ELECTRIC (CLUSTER TYPE 1)
ENGINE ELECTRIC (CLUSTER TYPE 2)
ELECTRIC BOX
CAB ELECTRIC 1
CAB ELECTRIC 2
CABIN ROOM ELECTRIC
CLUSTER (TYPE 1)
CLUSTER (TYPE 2)
BOTTOM ELECTRIC
FUEL FILLER PUMP
FUSE BOX
PUMP MOUNTING
HYDRAULIC TANK
UPPER HYD PIPING (BASE)
UPPER HYD PIPING (ATTACH)
UPPER HYD PIPING 1 (ADJUST BOOM)
UPPER HYD PIPING 2 (ADJUST BOOM)
UPPER HYD PIPING (TRAVEL)
PILOT HYD PIPING (CONTROL 1)
PILOT HYD PIPING (CONTROL 2)
PILOT HYD PIPING (BOTTOM 1)
PILOT HYD PIPING (BOTTOM 2)
PILOT HYD PIPING (BASE 1, CLUSTER TYPE 1)
PILOT HYD PIPING (BASE 2, CLUSTER TYPE 1)
PILOT HYD PIPING (BASE 3, CLUSTER TYPE 1)
PILOT HYD PIPING (BASE 1, CLUSTER TYPE 2)
PILOT HYD PIPING (BASE 2, CLUSTER TYPE 2)
PILOT HYD PIPING (BASE 3, CLUSTER TYPE 2)
UPPER HYD PIPING (R180LCD-9S)
UPPER HYD PIPING 1 (R180LCD-9S, ADJ BOOM)
UPPER HYD PIPING 2 (R180LCD-9S, ADJ BOOM)
TRAVEL HYD PIPING (R180LC-9S)
TRAVEL HYD PIPING 1 (R180LCD-9S)
TRAVEL HYD PIPING 2 (R180LCD-9S)
BOOM HYD PIPING (5.1M, STD)
BOOM HYD PIPING (ADJUST BOOM)
BOOM GREASE LUB SYSTEM (5.1M, STD)
BOOM GREASE LUB SYSTEM (ADJUST BOOM)
BOOM SAFETY LOCK SYSTEM
QUICK CLAMP HYD PIPING
ARM HYD PIPING
ARM HYD PIPING (3.1M, LONG)
ARM SAFETY LOCK SYSTEM
ATTACH PIPING KIT (S & D/ACTING)
SINGLE ACTING MAIN PIPING KIT
S/ACTING MAIN PIPING KIT (ADJUST BOOM)
DOUBLE ACTING MAIN PIPING KIT 1
DOUBLE ACTING MAIN PIPING KIT 2
DOUBLE ACTING MAIN PIPING 1 (ADJUST BOOM)
DOUBLE ACTING MAIN PIPING 2 (ADJUST BOOM)
MAIN PUMP
REGULATOR
GEAR PUMP
MAIN CONTROL VALVE (1/4)
MAIN CONTROL VALVE (2/4)
MAIN CONTROL VALVE (3/4)
MAIN CONTROL VALVE (4/4)
SWING MOTOR
SWING REDUCTION GEAR
REMOTE CONTROL LEVER
DOZER CONTROL LEVER
REMOTE CONTROL PEDAL
TRAVEL MOTOR (1/2)
TRAVEL MOTOR (2/2)
TRAVEL REDUCTION GEAR
TURNING JOINT
TURNING JOINT (R180LCD-9S)
BOOM CYLINDER
BOOM CYLINDER (ADJUST BOOM)
ARM CYLINDER
BUCKET CYLINDER
DOZER BLADE CYLINDER
SOLENOID VALVE
ADJUST CYLINDER
SINGLE PEDAL (DOUBLE ACTING)
QUICK CLAMP (HOOK TYPE 1)
QUICK CLAMP (CLOSE TYPE 1)
QUICK CLAMP (HOOK TYPE 2)
QUICK CLAMP (CLOSE TYPE 2)
QUICK CLAMP CYLINDER
UNDERCARRIAGE MOUNTING
LOWER ROLLER
UPPER ROLLER
ADJUST COMPONENT
IDLER
TRACK CHAIN
CAB MOUNTING
CAB ASSY (1/4)
CAB ASSY (2/4)
CAB ASSY (3/4)
CAB ASSY (4/4, DOOR)
CAB INTERIOR 1
CAB INTERIOR 2
CAB INTERIOR 3
CONSOLE BOX 1 (LH)
CONSOLE BOX 2 (LH)
CONSOLE BOX 3 (RH)
SEAT BASE ASSY
SEAT (STD)
SEAT (SUSPENSION, HEATED)
STORAGE BOX ASSY
BOTTOM PLATE MOUNTING
COWLING 1
COWLING 2
SIDE COWL ASSY (LH)
SIDE COVER ASSY (LH)
SIDE COWL ASSY (RH)
ENGINE HOOD
UNDER COVER
TOOL BOX MOUNTING
TOOL BOX
GROMMET GROUP
UPPER FRAME & COUNTERWEIGHT
LOWER FRAME & COVER
SWING RING GREASE LUB SYSTEM
DOZER BLADE (R18LCD-9S)
BOOM MOUNTING (5.1M, STD)
BOOM MOUNTING (ADJUST BOOM)
BOOM (5.1M, STD)
ADJUST BOOM
ARM
BUCKET CONTROL GROUP
BUCKET (5 TEETH)
BUCKET (3 TEETH)
BUCKET (4 TEETH)
BUCKET (6 TEETH)
BUCKET (0.69M3 SAE HEAPED, HEAVY DUTY)
BUCKET (0.75M3 SAE HEAPED D/CLEANING)
TOOLS
HCE-DT KIT
DECALS
MANUALS
CYLINDER HEAD
VALVE MECHANISM
ROCKER COVER & BREATHER
CAMSHAFT
CRANKCASE ASSY
MAIN BEARING
TIMING GEAR CASE
FLYWHEEL HOUSING
OIL PAN
PISTON & CONNECTING ROD
CRANKSHAFT & FLYWHEEL
TIMING GEAR
INLET & EXHAUST SYSTEM
TURBOCHARGER
OIL PUMP & OIL STRAINER
OIL PIPE
OIL COOLER
OIL FILTER
FUEL INJECTION PUMP GENERAL
FEED PUMP
NOZZLE
AUTOMATIC TIMER
FUEL FILTER
STARTER
ALTERNATOR GENERAL
ALTERNATOR
CONTROL SYSTEM
ACCESSORY
OVERHAUL GASKET KIT
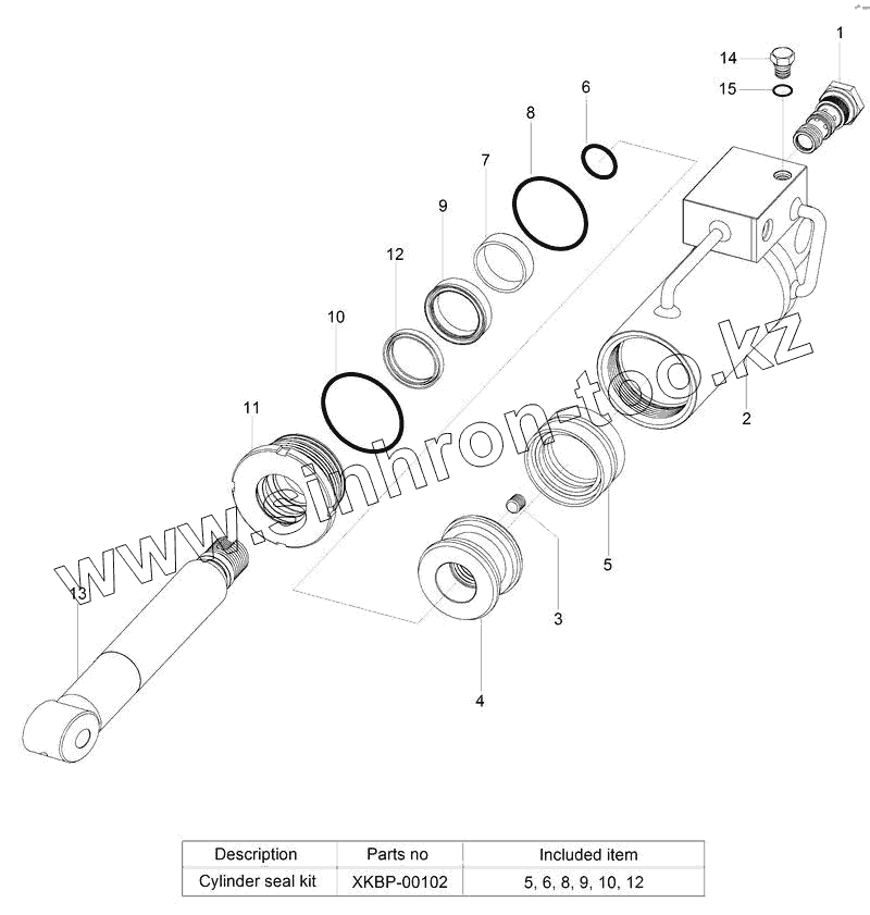
1
2
3
4
7
9
9
11
12
12
13
14
15
K
N5
N5
N6
N6
N8
N8
N10
N10
Позиция на иллюстрации
Заводской номер детали
Название детали
XKBP-00078
XKBP-00078
CYLINDER ASSY
1
XKBP-00089
VALVE-SAFETY
2
XKBP-00090
CYLINDER
3
XKBP-00064
SCREW-SET
4
XKBP-00065
PISTON
7
XKBP-00068
BUSHING-DU
9
XKBP-00070
SEAL-ROD
11
XKBP-00072
COVER
12
XKBP-00073
SEAL-DUST
13
XKBP-00092
ROD
14
XKBP-00041
PLUG
15
XKBP-00042
O-RING
K
XKBP-00102
SEAL KIT
N5
XKBP-00066
SEAL-PISTON
N6
XKBP-00067
O-RING
N8
XKBP-00069
O-RING
N10
XKBP-00071
O-RING
Содержащиеся в справочниках-каталогах запасные части и детали не предлагаются к продаже, а носят исключительно информационный характер
Дополнительная информация
×
Название:
Номер:
Примечание: