Вернуться на главную
Поиск
Каталоги запчастей к технике
Спецтехника
Hyundai
R170W-9S
BUCKET CONTROL GROUP
Каталог запасных частей к технике: Hyundai R170W-9S. BUCKET CONTROL GROUP
zoom-in
zoom-out
enlarge
shrink
circle-right
circle-left
file-text2
info
cart
Тип техники
Не выбрано
Легковые автомобили
Грузовые автомобили и прицепы
Автобусы
Сельхозтехника
Спецтехника
Двигатели
Мототехника
Марка
Не выбрано
Ammann
BOMAG
CARMIX
CASE IH
Changlin
ChengGong
Dimex
Doosan
DYNAPAC
Foton
HAMM
Hidromek
Hitachi
Hyundai
JCB
JLG
John Deere
Komatsu
LIEBHERR
LiuGong
Lonking (LongGong)
Luneng
MANITOU
Mitsuber
New Holland
PENGPU
RM-Terex
SANY
SDLG
SEM
Shantui
Shehwa HBXG
Soosan
TIGARBO
VOGELE
Volvo
WAY
WIRTGEN
XCMG
XGMA
Xiamen
YTO
Yuchai
Zoomlion
Автокран
АЗСМ
Алтайлесмаш
Амкодор
АОМЗ
Атек
АТЗ
Балканкар Рекорд
БелАЗ
Беловеж
Борекс
Брянский Арсенал
Булат
ВЭКС
ГАЗ
Геомаш
Гидромаш
Донекс
Дормаш
Дормашина
Дорэлектромаш
ДЭЗ
ЕлАЗ
ЗЗГТ
Ижнефтемаш
Канаш-электрокар
КЗКТ
ККЗ
Клевер
Клинцовский автокрановый завод
КМЗ
КМЗ 1 Мая
Ковровец
Коммаш
Кранэкс
КЭЗ
КЭМЗ
ЛЗА
МАЗ
МЗИК
МЗКМ
МЗКТ
Михневский РМЗ
МоАЗ
Мозырский МЗ
МТЗ
ОЗП
Онежец
ПАО "ТЗА"
ППС Детва
Промтрактор
ПТЗ
Раскат
СпецАгрегат
ТВЭКС
ТТМ
УВЗ
Угличмаш
УЗТМ
ХТЗ
ЧЗКМ
ЧСДМ
ЧТЗ
ЭКСКО
ЭКСМАШ
ЮрМаш
Модель
Не выбрано
R140W-9 (2013)
R140W-9S (2013)
R16-9 (2013)
R170W-7 (2013)
R170W-9 (2013)
R170W-9S (2013)
R180LC-9 (2013)
R180LC-9S (2013)
R180W-9S (2013)
R210LC-9 (2013)
R210NLC-9 (2013)
R210W-9 (2013)
R330LC-9A (2013)
R330LC-9S (2013)
R330LC-9SH (2013)
Схема
>
Не выбрано
ENGINE MOUNTING
ENGINE CONTROL SYSTEM
AIR INTAKE SYSTEM
EXHAUST SYSTEM
COOLING SYSTEM
RADIATOR ASSY
FUEL SYSTEM
FUEL TANK
AIRCON & HEATER GROUP
AIR CONDITIONER BOTTOM SUB
AIRCON & HEATER UNIT
AIR CONDITIONER UNIT (SEMI AUTO)
HEATER UNIT (SEMI AUTO)
PRE HEATING GROUP
RH ELECTRIC
LH ELECTRIC
BOOM ELECTRIC (STD)
BOOM ELECTRIC (ADJUST BOOM)
ENGINE ELECTRIC
ELECTRIC BOX
CAB ELECTRIC 1
CAB ELECTRIC 2
CABIN ROOM ELECTRIC
CLUSTER (TYPE 1)
CLUSTER (TYPE 2)
BOTTOM ELECTRIC
FUEL FILLER PUMP
FUSE BOX
AIR COMPRESSOR
AIR COMPRESSOR ELECTRIC
PUMP MOUNTING
HYDRAULIC TANK
UPPER HYD PIPING (BASE)
UPPER HYD PIPING (ATTACH)
UPPER HYD PIPING (TRAVEL)
UPPER HYD PIPING 1 (ADJUST BOOM)
UPPER HYD PIPING 2 (ADJUST BOOM)
PILOT HYD PIPING (CONTROL 1)
PILOT HYD PIPING (CONTROL 2)
PILOT HYD PIPING (BOTTOM 1)
PILOT HYD PIPING (BOTTOM 2)
PILOT HYD PIPING (BASE 1, CLUSTER TYPE 1)
PILOT HYD PIPING (BASE 2, CLUSTER TYPE 1)
PILOT HYD PIPING (BASE 3, CLUSTER TYPE 1)
PILOT HYD PIPING (BASE 1, CLUSTER TYPE 2)
PILOT HYD PIPING (BASE 2, CLUSTER TYPE 2)
PILOT HYD PIPING (BASE 3, CLUSTER TYPE 2)
PILOT HYD PIPING (4 OUTRIGGER)
POWER TRAIN HYD PIPING 1
POWER TRAIN HYD PIPING 2
POWER TRAIN HYD PIPING 3
POWER TRAIN HYD PIPING 4
LOWER HYD PIPING 1
LOWER HYD PIPING 2
LOWER HYD PIPING (REAR BLADE, -#0066)
LOWER HYD PIPING (REAR BLADE, #0067-)
LOWER HYD PIPING (FRONT BLADE, #0067-)
LOWER HYD PIPING (2-OUTRIGGER, -#0066)
LOWER HYD PIPING (2-OUTRIGGER, #0067-)
LOWER HYD PIPING 1 (F/OUT, R/BLD, -#0066)
LOWER HYD PIPING 1 (F/OUT, R/BLD, #0067-)
LOWER HYD PIPING 2 (F/OUT, R/BLD, -#0066)
LOWER HYD PIPING 2 (F/OUT, R/BLD, #0067-)
LOWER HYD PIPING 1 (4-OUTRIGGE, -#0066)
LOWER HYD PIPING 1 (4-OUTRIGGER, #0067-)
LOWER HYD PIPING 2 (4-OUTRIGGER, -#0066)
LOWER HYD PIPING 2 (4-OUTRIGGER, #0067-)
LOWER HYD PIPING 1 (F/BLD, R/OUT, -#0066)
LOWER HYD PIPING 1 (F/BLD, R/OUT, #0067-)
LOWER HYD PIPING 2 (F/BLD, R/OUT, -#0066)
LOWER HYD PIPING 2 (F/BLD, R/OUT, #0067-)
LOWER HYD PIPING 1 (F/BLD, R/BLD, -#0066)
LOWER HYD PIPING 1 (F/BLD, R/BLD, #0067-)
LOWER HYD PIPING 2 (F/BLD, R/BLD, -#0066)
LOWER HYD PIPING 2 (F/BLD, R/BLD, #0067-)
LOWER HYD PIPING (FRONT BLADE)
BOOM HYD PIPING (5.1M, STD)
BOOM HYD PIPING (ADJUST BOOM)
BOOM GREASE LUB SYSTEM (5.1M, STD)
BOOM GREASE LUB SYSTEM (ADJUST BOOM)
BOOM SAFETY LOCK SYSTEM
QUICK CLAMP HYD PIPING
ARM HYD PIPING
ARM HYD PIPING (3.1M, LONG)
ARM SAFETY LOCK SYSTEM
ATTACH PIPING KIT (S & D/ACTING)
S/ACTING MAIN PIPING KIT (CLUSTER TYPE 1)
S/ACTING MAIN PIPING KIT (ADJUST BOOM)
S/ACTING MAIN PIPING KIT (CLUSTER TYPE 2)
D/ACT MAIN PIPING KIT 1 (CLUSTER TYPE 1)
D/ACT MAIN PIPING KIT 2 (CLUSTER TYPE 1)
D/ACTING MAIN PIPING KIT 1 (ADJUST BOOM)
D/ACTING MAIN PIPING KIT 2 (ADJUST BOOM)
D/ACT MAIN PIPING KIT (CLUSTER TYPE 2)
SINGLE PEDAL (DOUBLE ACTING)
MAIN PUMP
REGULATOR
GEAR PUMP
MAIN CONTROL VALVE (1/4)
MAIN CONTROL VALVE (2/4)
MAIN CONTROL VALVE (3/4)
MAIN CONTROL VALVE (4/4)
SWING MOTOR
SWING REDUCTION GEAR
REMOTE CONTROL LEVER
DOZER CONTROL LEVER
ACCELERATOR PEDAL (STD)
ACCELERATOR PEDAL (2 WAY, OPTION)
TRAVEL MOTOR (1/2)
TRAVEL MOTOR (2/2)
COUNTER BALANCE VALVE
TURNING JOINT
TURNING JOINT SUB
BOOM CYLINDER
BOOM CYLINDER (ADJUST BOOM)
ARM CYLINDER
BUCKET CYLINDER
DOZER BLADE CYLINDER
OUTRIGGER CYLINDER
ADJUST CYLINDER
SOLENOID VALVE (-#0146)
SOLENOID VALVE (CLUSTER TYPE1,2)
STEERING VALVE
TRAVEL CONTROL VALVE
BRAKE SUPPLY VALVE
BRAKE VALVE
QUICK CLAMP (HOOK TYPE 1, -#0441)
QUICK CLAMP (CLOSE TYPE 1, -#0441)
QUICK CLAMP (HOOK TYPE 2, -#0441)
QUICK CLAMP (CLOSE TYPE 2, -#0441)
QUICK CLAMP CYLINDER (-#0441)
QUICK CLAMP (HOOK TYPE, #0442-)
QUICK CLAMP (CLOSED TYPE, #0442-)
BREAKER ASSY (1/2)
BREAKER ASSY (2/2)
BREAKER AUTO GREASE UNIT (OPT)
BREAKER CENTRAL GREASE SUPPLY UNIT (OPT)
POWER TRAIN MOUNTING
PROPELLER SHAFT (-#0066)
PROPELLER SHAFT (#0067-)
OSCILLATING CYLINDER
FRONT AXLE INPUT GROUP (-#0425)
FRONT AXLE DIFFERENTIAL (-#0425)
FRONT AXLE CASING (-#0425)
FRONT AXLE JOINT HOUSING (-#0425)
FRONT AXLE OUTPUT GROUP (-#0425)
FRONT AXLE STEERING GEAR (-#0425)
FRONT AXLE UNIVERSAL JOINT (-#0425)
REAR AXLE INPUT GROUP (-#0425)
REAR AXLE DIFFERENTIAL (-#0425)
REAR AXLE CASING (-#0425)
REAR AXLE HUB CARRIER (-#0425)
REAR AXLE OUTPUT GROUP (-#0425)
TRANSMISSION INPUT HOUSING
TRANSMISSION HOUSING
TRANSMISSION MULTI-DISC BRAKE
TRANSMISSION COUPLING
TRANSMISSION PLANETARY DRIVE
TRANSMISSION OUTPUT GROUP
TRANSMISSION GEAR SHIFT SENSOR
TRANSMISSION OIL PIPE
FRONT AXLE INPUT GROUP (#0426-)
FRONT AXLE DIFFERENTIAL (#0426-)
FRONT AXLE CASING (#0426-)
FRONT AXLE JOINT HOUSING (#0426-)
FRONT AXLE OUTPUT GROUP (#0426-)
FRONT AXLE STEERING GEAR (#0426-)
FRONT AXLE UNIVERSAL JOINT (#0426-)
REAR AXLE INPUT GROUP (#0426-)
REAR AXLE DIFFERENTIAL (#0426-)
REAR AXLE CASING (#0426-)
REAR AXLE HUB CARRIER (#0426-)
REAR AXLE OUTPUT GROUP (#0426-)
CAB MOUNTING
CAB ASSY (1/4)
CAB ASSY (2/4)
CAB ASSY (3/4)
CAB ASSY (4/4, DOOR)
CAB INTERIOR 1
CAB INTERIOR 2
CAB INTERIOR 3
CONSOLE BOX 1 (LH)
CONSOLE BOX 2 (LH)
CONSOLE BOX 3 (RH)
SEAT BASE ASSY
SEAT (STD)
SEAT (SUSPENSION, HEATED)
STORAGE BOX ASSY
BOTTOM PLATE MOUNTING
STEERING COLUMN (CLUSTER TYPE 1)
STEERING COLUMN (CLUSTER TYPE 2)
COWLING 1
COWLING 2
SIDE COWL ASSY (LH)
SIDE COVER ASSY (LH)
SIDE COWL ASSY (RH)
ENGINE HOOD
UNDER COVER
TOOL BOX MOUNTING
TOOL BOX
GROMMET GROUP
UPPER FRAME & COUNTERWEIGHT
LOWER FRAME & FENDER
SWING RING GREASE LUB SYSTEM
DOZER BLADE-REAR
DOZER BLADE-FRONT
OUTRIGGER MOUNTING-FRONT
OUTRIGGER MOUNTING-REAR
BOOM MOUNTING (5.1M, STD)
BOOM MOUNTING (ADJUST BOOM)
BOOM (5.1M, STD)
ADJUST BOOM
ARM
BUCKET CONTROL GROUP
BUCKET (5 TEETH)
BUCKET (3 TEETH)
BUCKET (4 TEETH)
BUCKET (6 TEETH)
BUCKET (0.69M3 SAE HEAPED, HEAVY DUTY)
BUCKET (0.75M3 SAE HEAPED D/CLEANING)
TOOLS
HCE-DT KIT
DECALS
MANUALS
CYLINDER HEAD
VALVE MECHANISM
ROCKER COVER & BREATHER
CAMSHAFT
CRANKCASE ASSY
MAIN BEARING
TIMING GEAR CASE
FLYWHEEL HOUSING
OIL PAN
PISTON & CONNECTING ROD
CRANKSHAFT & FLYWHEEL
TIMING GEAR
INLET & EXHAUST SYSTEM
TURBOCHARGER
OIL PUMP & OIL STRAINER
OIL PIPE
OIL COOLER
OIL FILTER
COOLING SYSTEM
FUEL INJECTION PUMP GENERAL
FEED PUMP
FUEL SYSTEM
NOZZLE
AUTOMATIC TIMER
FUEL FILTER
STARTER
ALTERNATOR GENERAL
ALTERNATOR
GASKET KIT
CONTROL SYSTEM
1-2
1-2
1-3
1-3
1-4
1-4
1-4
1-4
1-4
1-4
1-5
1-5
10
10
10
10
11
11
11
11
11
11
12
12
13
2
3
4
5
6
7
8
8
8
8
9
9
9
9
1-1
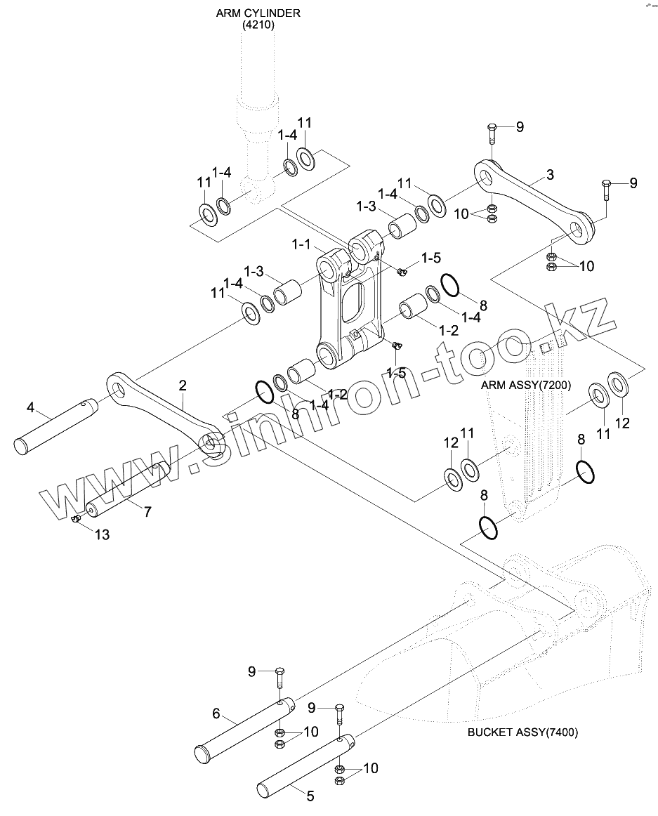
Позиция на иллюстрации
Заводской номер детали
Название детали
1
61Q5-40012
Control Rod Assy
1-2
66N4-04020
Bushing
1-3
66N4-05020
Bushing
1-4
Y020-070011
Seal-Dust, Dli, Kpu
1-5
S651-810002
NIPPLE-GREASE
10
S205-16100B
NUT-HEX
11
S993-070135
Shim(20t)-Polymer
12
S991-070135
Shim(10t)-Polymer
13
S651-810002
NIPPLE-GREASE
2
61Q5-40021
Control Link
3
61Q5-40031
Control Link-Rh
4
61EK-11081
Pin
5
61EK-11102
Pin
6
61EK-11111
Pin
7
61N5-11081
Pin
8
E161-3055
O-Ring
9
S017-161356
Bolt-Hex
1-1
61Q5-40101
Control Rod
Содержащиеся в справочниках-каталогах запасные части и детали не предлагаются к продаже, а носят исключительно информационный характер
Дополнительная информация
×
Название:
Номер:
Примечание: