Вернуться на главную
Поиск
Каталоги запчастей к технике
Спецтехника
Hyundai
R170W-9
TRAVEL MOTOR (1/2)
Каталог запасных частей к технике: Hyundai R170W-9. TRAVEL MOTOR (1/2)
zoom-in
zoom-out
enlarge
shrink
circle-right
circle-left
file-text2
info
cart
Тип техники
Не выбрано
Легковые автомобили
Грузовые автомобили и прицепы
Автобусы
Сельхозтехника
Спецтехника
Двигатели
Мототехника
Марка
Не выбрано
Ammann
BOMAG
CARMIX
CASE IH
Changlin
ChengGong
Dimex
Doosan
DYNAPAC
Foton
HAMM
Hidromek
Hitachi
Hyundai
JCB
JLG
John Deere
Komatsu
LIEBHERR
LiuGong
Lonking (LongGong)
Luneng
MANITOU
Mitsuber
New Holland
PENGPU
RM-Terex
SANY
SDLG
SEM
Shantui
Shehwa HBXG
Soosan
TIGARBO
VOGELE
Volvo
WAY
WIRTGEN
XCMG
XGMA
Xiamen
YTO
Yuchai
Zoomlion
Автокран
АЗСМ
Алтайлесмаш
Амкодор
АОМЗ
Атек
АТЗ
Балканкар Рекорд
БелАЗ
Беловеж
Борекс
Брянский Арсенал
Булат
ВЭКС
ГАЗ
Геомаш
Гидромаш
Донекс
Дормаш
Дормашина
Дорэлектромаш
ДЭЗ
ЕлАЗ
ЗЗГТ
Ижнефтемаш
Канаш-электрокар
КЗКТ
ККЗ
Клевер
Клинцовский автокрановый завод
КМЗ
КМЗ 1 Мая
Ковровец
Коммаш
Кранэкс
КЭЗ
КЭМЗ
ЛЗА
МАЗ
МЗИК
МЗКМ
МЗКТ
Михневский РМЗ
МоАЗ
Мозырский МЗ
МТЗ
ОЗП
Онежец
ПАО "ТЗА"
ППС Детва
Промтрактор
ПТЗ
Раскат
СпецАгрегат
ТВЭКС
ТТМ
УВЗ
Угличмаш
УЗТМ
ХТЗ
ЧЗКМ
ЧСДМ
ЧТЗ
ЭКСКО
ЭКСМАШ
ЮрМаш
Модель
Не выбрано
R140W-9 (2013)
R140W-9S (2013)
R16-9 (2013)
R170W-7 (2013)
R170W-9 (2013)
R170W-9S (2013)
R180LC-9 (2013)
R180LC-9S (2013)
R180W-9S (2013)
R210LC-9 (2013)
R210NLC-9 (2013)
R210W-9 (2013)
R330LC-9A (2013)
R330LC-9S (2013)
R330LC-9SH (2013)
Схема
>
Не выбрано
ENGINE MOUNTING
AIR INTAKE SYSTEM
EXHAUST SYSTEM
COOLING SYSTEM
RADIATOR ASSY
FUEL SYSTEM (WITHOUT PREFILTER)
FUEL SYSTEM (WITH PREFILTER)
FUEL TANK
AIRCON & HEATER GROUP
AIR CONDITIONER BOTTOM SUB
AIRCON & HEATER UNIT
AIR CONDITIONER MOUNTING
AIR CONDITIONER UNIT (SEMI AUTO)
HEATER MOUNTING
HEATER UNIT (SEMI AUTO)
RH ELECTRIC
LH ELECTRIC
LOWER ELECTRIC
BOOM ELECTRIC (STD)
BOOM ELECTRIC (ADJUST BOOM)
ENGINE ELECTRIC
ELECTRIC BOX
CAB ELECTRIC 1
CAB ELECTRIC 2
CABIN ROOM ELECTRIC
CLUSTER
CLUSTER (OPTION)
BOTTOM ELECTRIC
FUEL FILLER PUMP
FUSE BOX
AIR COMPRESSOR
PUMP MOUNTING
HYDRAULIC TANK
UPPER HYD PIPING (BASE)
UPPER HYD PIPING (ATTACH)
UPPER HYD PIPING (TRAVEL)
UPPER HYD PIPING 1 (ADJUST BOOM, #0005-)
UPPER HYD PIPING 2 (ADJUST BOOM, #0005-)
PILOT HYD PIPING (CONTROL 1)
PILOT HYD PIPING (CONTROL 2)
PILOT HYD PIPING (BOTTOM 1)
PILOT HYD PIPING (BOTTOM 2)
PILOT HYD PIPING (BASE 1)
PILOT HYD PIPING (BASE 2)
PILOT HYD PIPING (BASE 3)
PILOT HYD PIPING (4 OUTRIGGER)
POWER TRAIN HYD PIPING 1
POWER TRAIN HYD PIPING 2
POWER TRAIN HYD PIPING 3
LOWER HYD PIPING 1
LOWER HYD PIPING 2
LOWER HYD PIPING (REAR BLADE, -#0089)
LOWER HYD PIPING (REAR BLADE, #0090-)
LOWER HYD PIPING (2-OUTRIGGER, -#0089)
LOWER HYD PIPING (2-OUTRIGGER, #0090-)
LOWER HYD PIPING 1 (F/OUT, R/BLADE)
LOWER HYD PIPING 2 (F/OUT, R/DOZ, -#0089)
LOWER HYD PIPING 2 (F/OUT, R/DOZ, #0090-)
LOWER HYD PIPING 1 (4-OUTRIGGER)
LOWER HYD PIPING 2 (4-OUTRIGGER, -#0089)
LOWER HYD PIPING 2 (4-OUTRIGGER, #0090-)
LOWER HYD PIPING 1 (F/BLD, R/OUT, -#0089)
LOWER HYD PIPING 1 (F/BLD, R/OUT, #0090-)
LOWER HYD PIPING 2 (F/BLD, R/OUT, -#0089)
LOWER HYD PIPING 2 (F/BLD, R/OUT, #0090-)
LOWER HYD PIPING 1 (F/BLD, R/BLD, -#0089)
LOWER HYD PIPING 1 (F/BLD, R/BLD, #0090-)
LOWER HYD PIPING 2 (F/BLD, R/BLD, -#0089)
LOWER HYD PIPING 2 (F/BLD, R/BLD, #0090-)
LOWER HYD PIPING (F/BLADE, #0010-#0089)
LOWER HYD PIPING (F/BLADE, #0090-)
BOOM HYD PIPING (5.1M, STD)
BOOM HYD PIPING (ADJUST BOOM)
BOOM GREASE LUB SYSTEM (5.1M, STD)
BOOM GREASE LUB SYSTEM (ADJUST BOOM)
BOOM SAFETY LOCK SYSTEM
QUICK CLAMP HYD PIPING
ARM HYD PIPING
ARM HYD PIPING (3.1M, LONG)
ARM SAFETY LOCK SYSTEM
ATTACH PIPING KIT (S & D/ACTING)
SINGLE ACTING MAIN PIPING KIT
S/ACTING MAIN PIPING KIT (ADJUST BOOM)
DOUBLE ACTING MAIN PIPING KIT 1
DOUBLE ACTING MAIN PIPING KIT 2
D/ACTING MAIN PIPING KIT 1 (ADJUST BOOM)
D/ACTING MAIN PIPING KIT 2 (ADJUST BOOM)
SINGLE PEDAL (DOUBLE ACTING)
MAIN PUMP
REGULATOR
GEAR PUMP
MAIN CONTROL VALVE (1/4)
MAIN CONTROL VALVE (2/4)
MAIN CONTROL VALVE (3/4)
MAIN CONTROL VALVE (4/4)
SWING MOTOR
SWING REDUCTION GEAR
REMOTE CONTROL LEVER
DOZER CONTROL LEVER
ACCELERATOR PEDAL (STD)
ACCELERATOR PEDAL (2 WAY, OPTION)
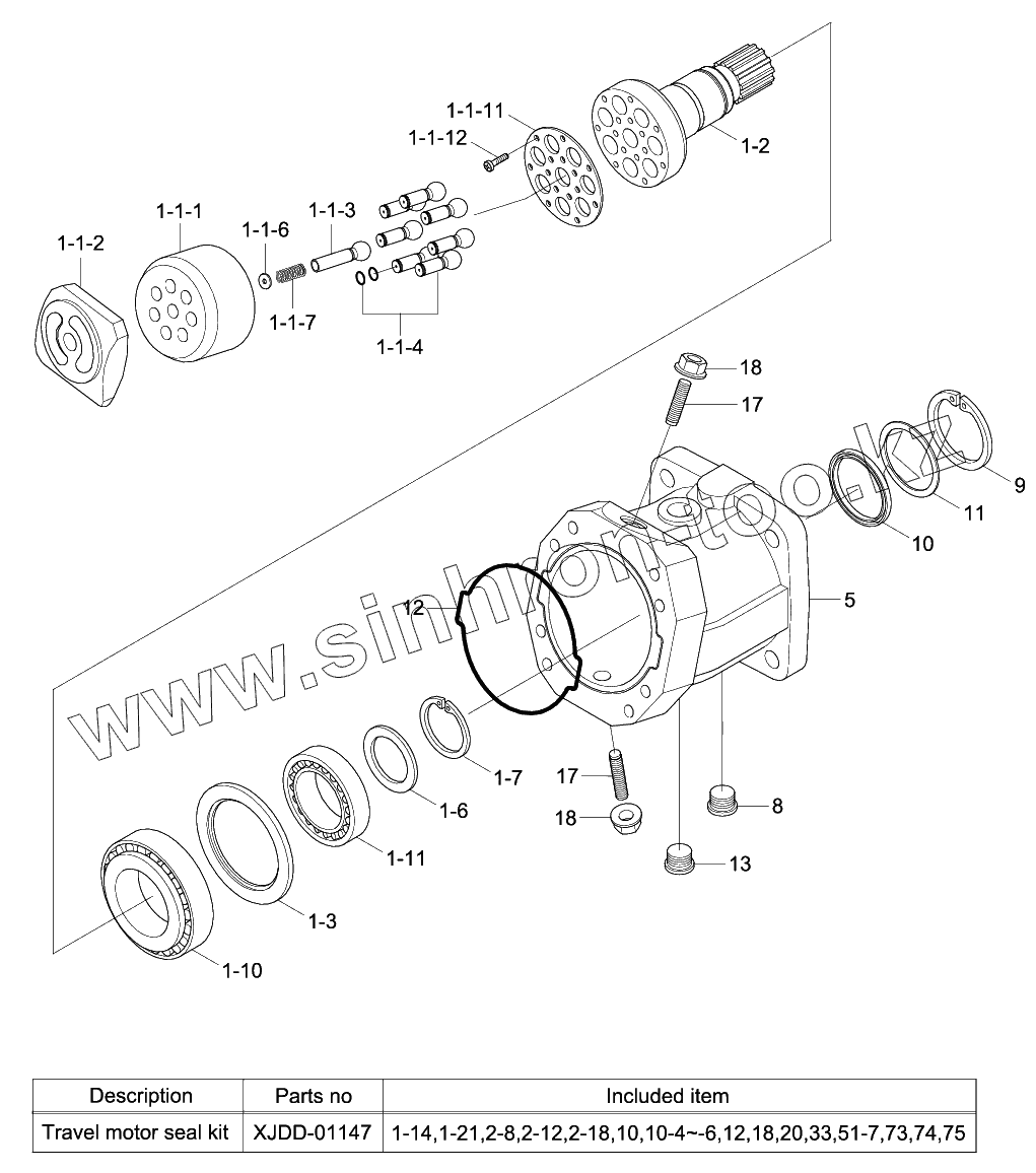
TRAVEL MOTOR (1/2)
TRAVEL MOTOR (2/2)
COUNTER BALANCE VALVE
TURNING JOINT (-#0089)
TURNING JOINT (#0090-)
TURNING JOINT SUB ASSY (#0090-)
BOOM CYLINDER
BOOM CYLINDER (ADJUST BOOM)
ARM CYLINDER
BUCKET CYLINDER
DOZER BLADE CYLINDER
OUTRIGGER CYLINDER
ADJUST CYLINDER
SOLENOID VALVE (-#0089)
SOLENOID VALVE (#0090-)
STEERING VALVE
TRAVEL CONTROL VALVE
BRAKE SUPPLY VALVE
BRAKE VALVE
QUICK CLAMP (HOOK TYPE 1)
QUICK CLAMP (CLOSE TYPE 1)
QUICK CLAMP (HOOK TYPE 2)
QUICK CLAMP (CLOSE TYPE 2)
QUICK CLAMP CYLINDER
BREAKER ASSY (1/2)
BREAKER ASSY (2/2)
POWER TRAIN MOUNTING
PROPELLER SHAFT (-#0067)
PROPELLER SHAFT (#0068-)
OSCILLATING CYLINDER
FRONT AXLE INPUT GROUP (-#0192)
FRONT AXLE DIFFERENTIAL (-#0192)
FRONT AXLE CASING (-#0192)
FRONT AXLE JOINT HOUSING (-#0192)
FRONT AXLE OUTPUT GROUP (-#0192)
FRONT AXLE STEERING GEAR (-#0192)
FRONT AXLE UNIVERSAL JOINT (-#0192)
REAR AXLE INPUT GROUP (-#0192)
REAR AXLE DIFFERENTIAL (-#0192)
REAR AXLE CASING (-#0192)
REAR AXLE HUB CARRIER (-#0192)
REAR AXLE OUTPUT GROUP (-#0192)
TRANSMISSION INPUT HOUSING
TRANSMISSION HOUSING
TRANSMISSION MULTI-DISC BRAKE
TRANSMISSION COUPLING
TRANSMISSION PLANETARY DRIVE
TRANSMISSION OUTPUT GROUP
TRANSMISSION GEAR SHIFT SENSOR
TRANSMISSION OIL PIPE
FRONT AXLE INPUT GROUP
FRONT AXLE DIFFERENTIAL (#0193-)
FRONT AXLE CASING (#0193-)
FRONT AXLE JOINT HOUSING (#0193-)
FRONT AXLE OUTPUT GROUP (#0193-)
FRONT AXLE STEERING GEAR (#0193-)
FRONT AXLE UNIVERSAL JOINT (#0193-)
REAR AXLE INPUT GROUP (#0193-)
REAR AXLE DIFFERENTIAL (#0193-)
REAR AXLE CASING (#0193-)
REAR AXLE HUB CARRIER (#0193-)
REAR AXLE OUTPUT GROUP (#0193-)
CAB MOUNTING
CAB ASSY (1/4)
CABIN A/S KIT
CAB ASSY (2/4)
CAB ASSY (3/4)
CAB ASSY (4/4, DOOR)
CAB INTERIOR 1
CAB INTERIOR 2
CAB INTERIOR 3
CONSOLE BOX 1 (LH)
CONSOLE BOX 1 (LH, LOCAL)
CONSOLE BOX 2 (LH)
CONSOLE BOX 3 (RH)
CONSOLE BOX (RH, LOCAL)
SEAT BASE ASSY
SEAT BASE ASSY (LOCAL)
SEAT (SUSPENSION, HEATED, STD)
SEAT (SUSPENSION)
SEAT (SUSPENSION, 2"AIR RIDE, HEATED)
SEAT (SUSPENSION, 2"AIR RIDE)
SEAT (LOCAL)
STORAGE BOX ASSY
BOTTOM PLATE MOUNTING
STEERING COLUMN
COWLING 1
COWLING 2
SIDE COWL ASSY (LH)
SIDE COVER ASSY (LH)
SIDE COWL ASSY (RH)
ENGINE HOOD
UNDER COVER
TOOL BOX MOUNTING
TOOL BOX
GROMMET GROUP
UPPER FRAME & COUNTERWEIGHT
LOWER FRAME & FENDER
SWING RING GREASE LUB SYSTEM
DOZER BLADE-REAR
DOZER BLADE-FRONT
OUTRIGGER MOUNTING-FRONT
OUTRIGGER MOUNTING-REAR
BOOM MOUNTING (5.1M, STD)
BOOM MOUNTING (ADJUST BOOM)
BOOM (5.1M, STD)
ADJUST BOOM
ARM
BUCKET CONTROL GROUP
BUCKET (5 TEETH)
BUCKET (3 TEETH)
BUCKET (4 TEETH)
BUCKET (6 TEETH)
BUCKET (0.69M3 SAE HEAPED, HEAVY DUTY)
BUCKET (0.75M3 SAE HEAPED D/CLEANING)
TOOLS
HCE-DT KIT
DECALS
MANUALS
AIR INTAKE HEATER
DATAPLATE
REAR GEAR HOUSING
CYLINDER BLOCK
CRANKSHAFT & MAIN BEARINGS
VALVE TAPPET
CRANKCASE BREATHER
COOLANT HEATER STARTING AID
VIBRATION DAMPER
REAR GEAR TRAIN ACCESSORY
THERMOSTAT
ALTERNATOR MOUNTING
FAN DRIVE
FUEL FILTER
FUEL FILTER PLUMBING
FLYWHEEL HOUSING
FUEL INLET FITTING
FUEL PUMP
FUEL PLUMBING
FLYWHEEL
FRONT GEAR COVER
HEATER PLUMBING
AIR INTAKE HOSE
AIR INTAKE CONNECTION MOUNTING
AIR INTAKE CONNECTION
ENGINE OIL COOLER
LUBRICATING OIL FILTER
OIL LEVEL GAUGE
AIR INTAKE MANIFOLD
AIR TRANSFER CONNECTION
LIFTING ARRANGEMENT
LUBRICATING OIL PUMP
OIL FILLER ARRANGMENT
OIL PAN
ENGINE CONTROL MODULE
CAMSHAFT
CONNECTING ROD & PISTON
FUEL INJECTIOR
FUEL INJECTOR PLUMBING
CYLINDER HEAD
TURBOCHARGER
REMOTE OIL DRAIN
ROCKER LEVERS
ENGINE COOLANT VENT
OIL LEVEL SENSOR
HEAT SHIELD 1
HEAT SHIELD 2
STARTING MOTOR MOUNTING
FAN PILOT SPACER
TURBOCHARGER ARRANGEMENT
TORQUE CONVERTER OIL COOLER
TURBOCHARGER PLUMBING
VALVE COVER
WATER INLET CONNECTION
WATER OUTLET CONNECTION
WATER PUMP DRIVE
WATER PUMP МОДЕЛИ
BELT TENSIONER
ENGINE CONTROL MODULE HARNESS
EXHAUST OUTLET CONNECTION
31Q5-41010
31Q5-41300
1-1-1
1-1-11
1-1-12
1-1-2
1-1-3
1-1-4
1-1-6
1-1-6
1-1-6
1-1-6
1-1-6
1-1-6
1-1-7
1-10
1-11
1-2
1-3
1-6
1-6
1-6
1-6
1-6
1-6
1-6
1-6
1-7
11
13
17
17
5
8
9
XJDD-01147
10
12
18
18
Позиция на иллюстрации
Заводской номер детали
Название детали
31Q5-41010
31Q5-41010
TRAVEL MOTOR ASSY
31Q5-41300
31Q5-41300
TRAVEL MOTOR ASSY
MOTORUNIT
MOTORUNIT
MOTOR UNIT
CONTROLPART
CONTROLPART
CONTROL PART
BALANCEVALVE
BALANCEVALVE
COUNTER BALANCE VALVE
1
XJDD-01124
ROTARY GROUP
1-1
XJDD-01125
ROTARY-HYD SECTION
1-1-1
XJDD-01126
CYLINDER
1-1-11
XJDD-01130
PLATE-RETAINING
1-1-12
XJDD-01131
SCREW-PAN HEAD
1-1-2
XJDD-01154
CONTROL LENS
1-1-3
XJDD-01127
PIN-CENTER
1-1-4
XJDD-01129
PISTON ASSY
1-1-6
XJDD-00144
SHIM-ADJUSTMENT
1-1-6
XJDD-00145
SHIM-ADJUSTMENT
1-1-6
XJDD-00146
SHIM-ADJUSTMENT
1-1-6
XJDD-00147
SHIM-ADJUSTMENT
1-1-6
XJDD-00148
SHIM-ADJUSTMENT
1-1-6
XJDD-00149
SHIM-ADJUSTMENT
1-1-7
XJDD-00150
SPRING-PRESSURE
1-10
XJDD-01135
BEARING-ROLLER
1-11
XJDD-01136
BEARING-ROLLER
1-2
XJDD-01132
SHAFT-DRIVE
1-3
XJDD-01133
SHIM
1-6
XJDD-01139
PLATE-BACK UP
1-6
XJDD-01140
PLATE-BACK UP
1-6
XJDD-01141
PLATE-BACK UP
1-6
XJDD-01142
PLATE-BACK UP
1-6
XJDD-01143
PLATE-BACK UP
1-6
XJDD-01144
PLATE-BACK UP
1-6
XJDD-01145
PLATE-BACK UP
1-6
XJDD-01146
PLATE-BACK UP
1-7
XJDD-01134
RING-RETAINING
11
XJDD-00213
Plate-Back Up
13
XJDD-01138
SCREW-LOCKING
17
XJDD-00111
Pin-Threaded
5
XJDD-01137
HOUSING
8
XJDD-01010
Screw-Locking
9
XJDD-00211
Ring-Retaining
XJDD-01147
XJDD-01147
SEAL KIT
10
XJDD-00212
Seal Ring-Shaft
12
XJDD-00117
O-RING
18
XJDD-00120
Nut-Seal Lock
Содержащиеся в справочниках-каталогах запасные части и детали не предлагаются к продаже, а носят исключительно информационный характер
Дополнительная информация
×
Название:
Номер:
Примечание: