Вернуться на главную
Поиск
Каталоги запчастей к технике
Спецтехника
Hyundai
R170W-9
FRONT AXLE JOINT HOUSING (-#0192)
Каталог запасных частей к технике: Hyundai R170W-9. FRONT AXLE JOINT HOUSING (-#0192)
zoom-in
zoom-out
enlarge
shrink
circle-right
circle-left
file-text2
info
cart
Тип техники
Не выбрано
Легковые автомобили
Грузовые автомобили и прицепы
Автобусы
Сельхозтехника
Спецтехника
Двигатели
Мототехника
Марка
Не выбрано
Ammann
BOMAG
CARMIX
CASE IH
Changlin
ChengGong
Dimex
Doosan
DYNAPAC
Foton
HAMM
Hidromek
Hitachi
Hyundai
JCB
JLG
John Deere
Komatsu
LIEBHERR
LiuGong
Lonking (LongGong)
Luneng
MANITOU
Mitsuber
New Holland
PENGPU
RM-Terex
SANY
SDLG
SEM
Shantui
Shehwa HBXG
Soosan
TIGARBO
VOGELE
Volvo
WAY
WIRTGEN
XCMG
XGMA
Xiamen
YTO
Yuchai
Zoomlion
Автокран
АЗСМ
Алтайлесмаш
Амкодор
АОМЗ
Атек
АТЗ
Балканкар Рекорд
БелАЗ
Беловеж
Борекс
Брянский Арсенал
Булат
ВЭКС
ГАЗ
Геомаш
Гидромаш
Донекс
Дормаш
Дормашина
Дорэлектромаш
ДЭЗ
ЕлАЗ
ЗЗГТ
Ижнефтемаш
Канаш-электрокар
КЗКТ
ККЗ
Клевер
Клинцовский автокрановый завод
КМЗ
КМЗ 1 Мая
Ковровец
Коммаш
Кранэкс
КЭЗ
КЭМЗ
ЛЗА
МАЗ
МЗИК
МЗКМ
МЗКТ
Михневский РМЗ
МоАЗ
Мозырский МЗ
МТЗ
ОЗП
Онежец
ПАО "ТЗА"
ППС Детва
Промтрактор
ПТЗ
Раскат
СпецАгрегат
ТВЭКС
ТТМ
УВЗ
Угличмаш
УЗТМ
ХТЗ
ЧЗКМ
ЧСДМ
ЧТЗ
ЭКСКО
ЭКСМАШ
ЮрМаш
Модель
Не выбрано
R140W-9 (2013)
R140W-9S (2013)
R16-9 (2013)
R170W-7 (2013)
R170W-9 (2013)
R170W-9S (2013)
R180LC-9 (2013)
R180LC-9S (2013)
R180W-9S (2013)
R210LC-9 (2013)
R210NLC-9 (2013)
R210W-9 (2013)
R330LC-9A (2013)
R330LC-9S (2013)
R330LC-9SH (2013)
Схема
>
Не выбрано
ENGINE MOUNTING
AIR INTAKE SYSTEM
EXHAUST SYSTEM
COOLING SYSTEM
RADIATOR ASSY
FUEL SYSTEM (WITHOUT PREFILTER)
FUEL SYSTEM (WITH PREFILTER)
FUEL TANK
AIRCON & HEATER GROUP
AIR CONDITIONER BOTTOM SUB
AIRCON & HEATER UNIT
AIR CONDITIONER MOUNTING
AIR CONDITIONER UNIT (SEMI AUTO)
HEATER MOUNTING
HEATER UNIT (SEMI AUTO)
RH ELECTRIC
LH ELECTRIC
LOWER ELECTRIC
BOOM ELECTRIC (STD)
BOOM ELECTRIC (ADJUST BOOM)
ENGINE ELECTRIC
ELECTRIC BOX
CAB ELECTRIC 1
CAB ELECTRIC 2
CABIN ROOM ELECTRIC
CLUSTER
CLUSTER (OPTION)
BOTTOM ELECTRIC
FUEL FILLER PUMP
FUSE BOX
AIR COMPRESSOR
PUMP MOUNTING
HYDRAULIC TANK
UPPER HYD PIPING (BASE)
UPPER HYD PIPING (ATTACH)
UPPER HYD PIPING (TRAVEL)
UPPER HYD PIPING 1 (ADJUST BOOM, #0005-)
UPPER HYD PIPING 2 (ADJUST BOOM, #0005-)
PILOT HYD PIPING (CONTROL 1)
PILOT HYD PIPING (CONTROL 2)
PILOT HYD PIPING (BOTTOM 1)
PILOT HYD PIPING (BOTTOM 2)
PILOT HYD PIPING (BASE 1)
PILOT HYD PIPING (BASE 2)
PILOT HYD PIPING (BASE 3)
PILOT HYD PIPING (4 OUTRIGGER)
POWER TRAIN HYD PIPING 1
POWER TRAIN HYD PIPING 2
POWER TRAIN HYD PIPING 3
LOWER HYD PIPING 1
LOWER HYD PIPING 2
LOWER HYD PIPING (REAR BLADE, -#0089)
LOWER HYD PIPING (REAR BLADE, #0090-)
LOWER HYD PIPING (2-OUTRIGGER, -#0089)
LOWER HYD PIPING (2-OUTRIGGER, #0090-)
LOWER HYD PIPING 1 (F/OUT, R/BLADE)
LOWER HYD PIPING 2 (F/OUT, R/DOZ, -#0089)
LOWER HYD PIPING 2 (F/OUT, R/DOZ, #0090-)
LOWER HYD PIPING 1 (4-OUTRIGGER)
LOWER HYD PIPING 2 (4-OUTRIGGER, -#0089)
LOWER HYD PIPING 2 (4-OUTRIGGER, #0090-)
LOWER HYD PIPING 1 (F/BLD, R/OUT, -#0089)
LOWER HYD PIPING 1 (F/BLD, R/OUT, #0090-)
LOWER HYD PIPING 2 (F/BLD, R/OUT, -#0089)
LOWER HYD PIPING 2 (F/BLD, R/OUT, #0090-)
LOWER HYD PIPING 1 (F/BLD, R/BLD, -#0089)
LOWER HYD PIPING 1 (F/BLD, R/BLD, #0090-)
LOWER HYD PIPING 2 (F/BLD, R/BLD, -#0089)
LOWER HYD PIPING 2 (F/BLD, R/BLD, #0090-)
LOWER HYD PIPING (F/BLADE, #0010-#0089)
LOWER HYD PIPING (F/BLADE, #0090-)
BOOM HYD PIPING (5.1M, STD)
BOOM HYD PIPING (ADJUST BOOM)
BOOM GREASE LUB SYSTEM (5.1M, STD)
BOOM GREASE LUB SYSTEM (ADJUST BOOM)
BOOM SAFETY LOCK SYSTEM
QUICK CLAMP HYD PIPING
ARM HYD PIPING
ARM HYD PIPING (3.1M, LONG)
ARM SAFETY LOCK SYSTEM
ATTACH PIPING KIT (S & D/ACTING)
SINGLE ACTING MAIN PIPING KIT
S/ACTING MAIN PIPING KIT (ADJUST BOOM)
DOUBLE ACTING MAIN PIPING KIT 1
DOUBLE ACTING MAIN PIPING KIT 2
D/ACTING MAIN PIPING KIT 1 (ADJUST BOOM)
D/ACTING MAIN PIPING KIT 2 (ADJUST BOOM)
SINGLE PEDAL (DOUBLE ACTING)
MAIN PUMP
REGULATOR
GEAR PUMP
MAIN CONTROL VALVE (1/4)
MAIN CONTROL VALVE (2/4)
MAIN CONTROL VALVE (3/4)
MAIN CONTROL VALVE (4/4)
SWING MOTOR
SWING REDUCTION GEAR
REMOTE CONTROL LEVER
DOZER CONTROL LEVER
ACCELERATOR PEDAL (STD)
ACCELERATOR PEDAL (2 WAY, OPTION)
TRAVEL MOTOR (1/2)
TRAVEL MOTOR (2/2)
COUNTER BALANCE VALVE
TURNING JOINT (-#0089)
TURNING JOINT (#0090-)
TURNING JOINT SUB ASSY (#0090-)
BOOM CYLINDER
BOOM CYLINDER (ADJUST BOOM)
ARM CYLINDER
BUCKET CYLINDER
DOZER BLADE CYLINDER
OUTRIGGER CYLINDER
ADJUST CYLINDER
SOLENOID VALVE (-#0089)
SOLENOID VALVE (#0090-)
STEERING VALVE
TRAVEL CONTROL VALVE
BRAKE SUPPLY VALVE
BRAKE VALVE
QUICK CLAMP (HOOK TYPE 1)
QUICK CLAMP (CLOSE TYPE 1)
QUICK CLAMP (HOOK TYPE 2)
QUICK CLAMP (CLOSE TYPE 2)
QUICK CLAMP CYLINDER
BREAKER ASSY (1/2)
BREAKER ASSY (2/2)
POWER TRAIN MOUNTING
PROPELLER SHAFT (-#0067)
PROPELLER SHAFT (#0068-)
OSCILLATING CYLINDER
FRONT AXLE INPUT GROUP (-#0192)
FRONT AXLE DIFFERENTIAL (-#0192)
FRONT AXLE CASING (-#0192)
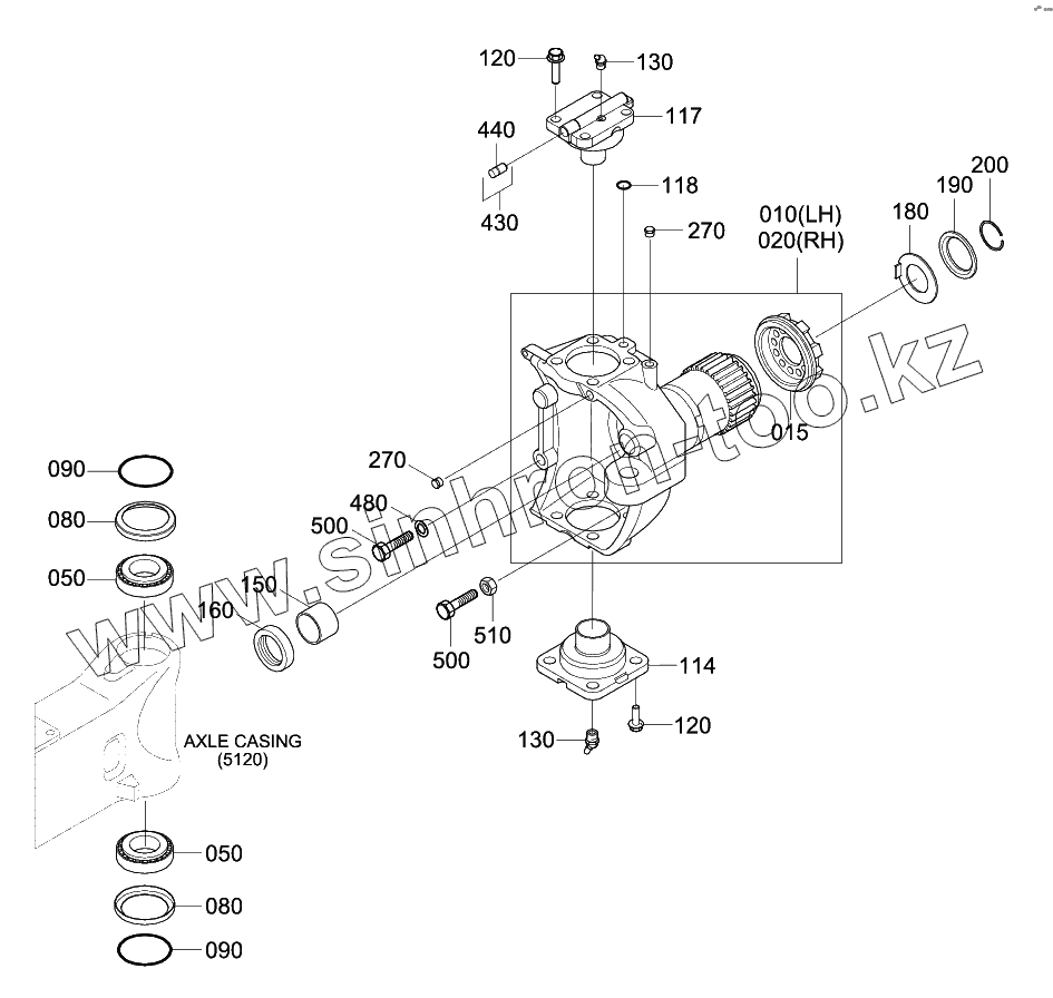
FRONT AXLE JOINT HOUSING (-#0192)
FRONT AXLE OUTPUT GROUP (-#0192)
FRONT AXLE STEERING GEAR (-#0192)
FRONT AXLE UNIVERSAL JOINT (-#0192)
REAR AXLE INPUT GROUP (-#0192)
REAR AXLE DIFFERENTIAL (-#0192)
REAR AXLE CASING (-#0192)
REAR AXLE HUB CARRIER (-#0192)
REAR AXLE OUTPUT GROUP (-#0192)
TRANSMISSION INPUT HOUSING
TRANSMISSION HOUSING
TRANSMISSION MULTI-DISC BRAKE
TRANSMISSION COUPLING
TRANSMISSION PLANETARY DRIVE
TRANSMISSION OUTPUT GROUP
TRANSMISSION GEAR SHIFT SENSOR
TRANSMISSION OIL PIPE
FRONT AXLE INPUT GROUP
FRONT AXLE DIFFERENTIAL (#0193-)
FRONT AXLE CASING (#0193-)
FRONT AXLE JOINT HOUSING (#0193-)
FRONT AXLE OUTPUT GROUP (#0193-)
FRONT AXLE STEERING GEAR (#0193-)
FRONT AXLE UNIVERSAL JOINT (#0193-)
REAR AXLE INPUT GROUP (#0193-)
REAR AXLE DIFFERENTIAL (#0193-)
REAR AXLE CASING (#0193-)
REAR AXLE HUB CARRIER (#0193-)
REAR AXLE OUTPUT GROUP (#0193-)
CAB MOUNTING
CAB ASSY (1/4)
CABIN A/S KIT
CAB ASSY (2/4)
CAB ASSY (3/4)
CAB ASSY (4/4, DOOR)
CAB INTERIOR 1
CAB INTERIOR 2
CAB INTERIOR 3
CONSOLE BOX 1 (LH)
CONSOLE BOX 1 (LH, LOCAL)
CONSOLE BOX 2 (LH)
CONSOLE BOX 3 (RH)
CONSOLE BOX (RH, LOCAL)
SEAT BASE ASSY
SEAT BASE ASSY (LOCAL)
SEAT (SUSPENSION, HEATED, STD)
SEAT (SUSPENSION)
SEAT (SUSPENSION, 2"AIR RIDE, HEATED)
SEAT (SUSPENSION, 2"AIR RIDE)
SEAT (LOCAL)
STORAGE BOX ASSY
BOTTOM PLATE MOUNTING
STEERING COLUMN
COWLING 1
COWLING 2
SIDE COWL ASSY (LH)
SIDE COVER ASSY (LH)
SIDE COWL ASSY (RH)
ENGINE HOOD
UNDER COVER
TOOL BOX MOUNTING
TOOL BOX
GROMMET GROUP
UPPER FRAME & COUNTERWEIGHT
LOWER FRAME & FENDER
SWING RING GREASE LUB SYSTEM
DOZER BLADE-REAR
DOZER BLADE-FRONT
OUTRIGGER MOUNTING-FRONT
OUTRIGGER MOUNTING-REAR
BOOM MOUNTING (5.1M, STD)
BOOM MOUNTING (ADJUST BOOM)
BOOM (5.1M, STD)
ADJUST BOOM
ARM
BUCKET CONTROL GROUP
BUCKET (5 TEETH)
BUCKET (3 TEETH)
BUCKET (4 TEETH)
BUCKET (6 TEETH)
BUCKET (0.69M3 SAE HEAPED, HEAVY DUTY)
BUCKET (0.75M3 SAE HEAPED D/CLEANING)
TOOLS
HCE-DT KIT
DECALS
MANUALS
AIR INTAKE HEATER
DATAPLATE
REAR GEAR HOUSING
CYLINDER BLOCK
CRANKSHAFT & MAIN BEARINGS
VALVE TAPPET
CRANKCASE BREATHER
COOLANT HEATER STARTING AID
VIBRATION DAMPER
REAR GEAR TRAIN ACCESSORY
THERMOSTAT
ALTERNATOR MOUNTING
FAN DRIVE
FUEL FILTER
FUEL FILTER PLUMBING
FLYWHEEL HOUSING
FUEL INLET FITTING
FUEL PUMP
FUEL PLUMBING
FLYWHEEL
FRONT GEAR COVER
HEATER PLUMBING
AIR INTAKE HOSE
AIR INTAKE CONNECTION MOUNTING
AIR INTAKE CONNECTION
ENGINE OIL COOLER
LUBRICATING OIL FILTER
OIL LEVEL GAUGE
AIR INTAKE MANIFOLD
AIR TRANSFER CONNECTION
LIFTING ARRANGEMENT
LUBRICATING OIL PUMP
OIL FILLER ARRANGMENT
OIL PAN
ENGINE CONTROL MODULE
CAMSHAFT
CONNECTING ROD & PISTON
FUEL INJECTIOR
FUEL INJECTOR PLUMBING
CYLINDER HEAD
TURBOCHARGER
REMOTE OIL DRAIN
ROCKER LEVERS
ENGINE COOLANT VENT
OIL LEVEL SENSOR
HEAT SHIELD 1
HEAT SHIELD 2
STARTING MOTOR MOUNTING
FAN PILOT SPACER
TURBOCHARGER ARRANGEMENT
TORQUE CONVERTER OIL COOLER
TURBOCHARGER PLUMBING
VALVE COVER
WATER INLET CONNECTION
WATER OUTLET CONNECTION
WATER PUMP DRIVE
WATER PUMP МОДЕЛИ
BELT TENSIONER
ENGINE CONTROL MODULE HARNESS
EXHAUST OUTLET CONNECTION
15
15
50
50
80
80
90
90
114
117
118
120
120
130
130
150
160
180
190
200
270
270
430
440
480
480
480
480
480
480
480
480
480
480
480
480
480
480
480
500
500
510
Позиция на иллюстрации
Заводской номер детали
Название детали
10
ZGAQ-03587
JOINT HOUSING-LH
15
ZGAQ-02198
NUT-SLOTTED
15
ZGAQ-02198
NUT-SLOTTED
20
ZGAQ-03588
JOINT HOUSING-RH
50
ZGAQ-02251
BEARING-ROLLER
80
ZGAQ-03793
CAP-SEALING
90
ZGAQ-03794
O-RING
114
ZGAQ-03589
PIN-BEARING
117
ZGAQ-03590
PIN-BEARING
118
ZGAQ-01254
O-Ring
120
ZGAQ-02260
SCREW-HEX
130
ZGAQ-02261
Nipple-Lubric
150
ZGAQ-02235
BUSHING
160
ZGAQ-03222
SEAL-SHAFT
180
ZGAQ-02263
WASHER-THRUST
190
ZGAQ-02264
WASHER-THRUST
200
ZGAQ-02265
RING-RETAINER
270
ZGAQ-02199
Plug
430
ZGAQ-02200
Valve-Vent
440
ZGAQ-02201
CAP-DUST
480
ZGAQ-02266
Washer-Stop
480
ZGAQ-02280
Washer-Stop
480
ZGAQ-02279
Washer-Stop
480
ZGAQ-02278
Washer-Stop
480
ZGAQ-02277
Washer-Stop
480
ZGAQ-02276
Washer-Stop
480
ZGAQ-02275
Washer-Stop
480
ZGAQ-02274
Washer-Stop
480
ZGAQ-02273
Washer-Stop
480
ZGAQ-02272
Washer-Stop
480
ZGAQ-02271
Washer-Stop
480
ZGAQ-02270
Washer-Stop
480
ZGAQ-02269
Washer-Stop
480
ZGAQ-02268
Washer-Stop
480
ZGAQ-02267
Washer-Stop
500
ZGAQ-02362
Screw-Stop
510
ZGAQ-02910
Nut-Hex
Содержащиеся в справочниках-каталогах запасные части и детали не предлагаются к продаже, а носят исключительно информационный характер
Дополнительная информация
×
Название:
Номер:
Примечание: