Каталог запасных частей к технике: Hyundai R170W-7. RH ELECTRIC
1
1
1
1
1
1
1
1
1
1
1-1
1-2
2
3
4
5
6
8
8
9
10
12
13
15
15
15
15
16
16
16
16
17
17
17
17
17
17
17
22
24
24
25
25
27
27
33
33
34
34
34
34
35
35
36
36
36
42
46
50
50
51
51
52
52
52
55
56
56
57
57
58
58
58
58
58
59
61
61
62
63
65
65
66
67
68
69
80
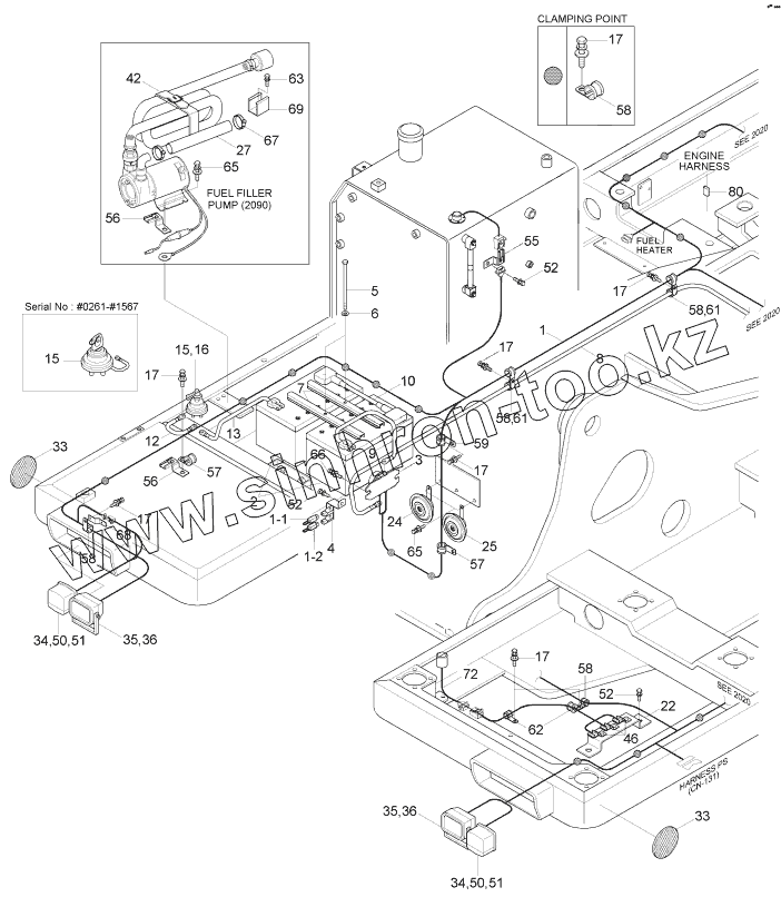
| Позиция на иллюстрации | Заводской номер детали | Название детали | |
|---|---|---|---|
| 1 | 21N5-20011 | Harness-Frame | |
| 1 | 21N5-20012 | Harness-Frame | |
| 1 | 21N5-20013 | Harness-Frame | |
| 1 | 21N5-40100 | Harness-Frame | |
| 1 | 21N5-40101 | Harness-Frame | |
| 1 | 21N5-40102 | Harness-Frame | |
| 1 | 21N5-40103 | Harness Frame | |
| 1 | 21N5-40104 | Harness-Frame | |
| 1 | 21N5-40105 | Harness-Frame | |
| 1 | 21N5-40106 | Harness-Frame | |
| 1-1 | 21N4-01311 | Link-Fusible | |
| 1-2 | 21N4-01320 | Link-Fusible | |
| 1-3 | 21EA-50550 | Diode | |
| 2 | 21E6-20270 | Battery | |
| 3 | 21E5-0003 | Relay-Battery | |
| 4 | 21N4-01140 | Plate-Clip | |
| 5 | S017-102502 | Bolt-Hex | |
| 6 | S403-102002 | Washer-Plain | |
| 7 | 25D1-10150 | Bar-Battery | |
| 8 | 21EA-60611 | Cable | |
| 8 | 21E2-60031 | Cable | |
| 9 | 21EA-60490 | Cable | |
| 10 | 21N4-01400 | Cable | |
| 12 | 21NA-10600 | STRAP-EARTH | |
| 13 | 21EN-10140 | Cable | |
| 15 | 21L7-10500 | Switch-Master | |
| 15 | 21N4-10441 | Switch-Master | |
| 15-1 | 21N4-10441K | Key-Master Switch | |
| 16 | 21EN-00420 | Decal-Master Sw | |
| 16 | 21N4-10450 | Decal-Master Sw | |
| 16 | 21N4-10451 | Decal-Master Switch | |
| 16 | 21LD-34180 | DECAL-MASTER SWITCH | |
| 17 | S037-102022 | Bolt-W/Washer | |
| 22 | 21N4-01100 | Plate-Steering | |
| 24 | 21N5-10050 | Horn-Low | |
| 24 | 21N5-10051 | HORN-LOW | |
| 25 | 21N5-10060 | Horn-High | |
| 25 | 21N5-10061 | HORN-HIGH | |
| 27 | 21N4-20540 | Hose-Outlet | |
| 27 | 21N4-20530 | Hose-Outlet | |
| 33 | 21EK-10150 | Reflector-Side | |
| 34 | 21EK-10350 | Lamp-Flasher Position | |
| 34 | 21EK-10351 | Lamp-Flasher Position | |
| 35 | 21EK-10120 | Lamp-Head | |
| 36 | 21EK-10130 | Bulb-H4 | |
| 36 | 21EK-10131 | Bulb | |
| 42 | E127-3158 | BAND-FUEL PUMP | |
| 46 | 21N4-01111 | CLIP-ECONO SEAL | |
| 50 | S161-040162 | Screw-Cross R/Round | |
| 51 | S411-040002 | Washer-Spring | |
| 52 | S037-101652 | Bolt-W/Washer | |
| 55 | 25D1-10640 | CLIP ASSY | |
| 56 | 25D1-10650 | CLIP ASSY | |
| 57 | 21E9-00170 | CLIP-HARNESS | |
| 58 | S593-000902 | CLIP-HARNESS | |
| 59 | S543-120002 | Clamp-Tube | |
| 61 | S543-240002 | Clamp-Tube | |
| 62 | S543-280002 | Clamp-Tube | |
| 63 | S035-081612 | Bolt-W/Washer | |
| 65 | S035-082022 | Bolt-W/Washer | |
| 66 | S035-083022 | Bolt-W/Washer | |
| 67 | S520-032000 | CLAMP-HOSE | |
| 68 | 21E7-0606 | PLATE-CONNECTOR | |
| 69 | 21N4-00770 | Clip | |
| 80 | 21N5-20190 | Protector |
Содержащиеся в справочниках-каталогах запасные части и детали не предлагаются к продаже, а носят исключительно информационный характер