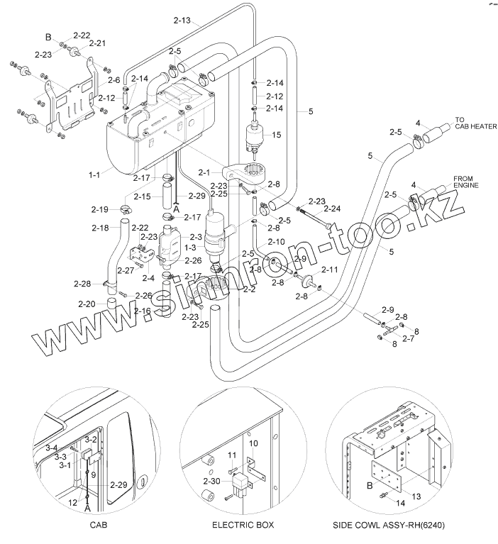
Каталог запасных частей к технике: Hyundai R170W-7. PRE HEATING GROUP (#0486-)
2-22
2-22
2-8
2-8
2-8
2-8
2-8
2-8
2-5
2-5
2-5
2-5
2-5
3-4
3-3
3-2
3-1
2-28
2-27
2-26
2-26
2-25
2-25
2-24
2-23
2-23
2-23
2-23
2-23
2-9
2-9
2-21
2-20
2-19
2-18
2-17
2-17
2-17
2-16
2-15
2-14
2-14
2-14
2-13
2-12
2-12
2-10
1
1-1
1-3
2-1
2-2
2-3
2-4
2-6
2-7
2-11
2-29
2-29
2-30
4
4
5
5
5
8
8
9
10
11
12
13
14
15
| Позиция на иллюстрации | Заводской номер детали | Название детали | |
|---|---|---|---|
| 2-22 | NUT | NUT | |
| 2-8 | Hose-Clamp | Hose-Clamp | |
| 2-5 | Hose-Clamp | Hose-Clamp | |
| 3-4 | CAP | CAP | |
| 3-3 | Bolt-Screw | Bolt-Screw | |
| 3-2 | Cushion | Cushion | |
| 3-1 | Timer | Timer | |
| 2-28 | Clamp | Clamp | |
| 2-27 | Bolt-Screw | Bolt-Screw | |
| 2-26 | Bolt-Hex | Bolt-Hex | |
| 2-25 | Bolt-Hex | Bolt-Hex | |
| 2-24 | Bolt-Hex | Bolt-Hex | |
| 2-23 | WASHER | WASHER | |
| 2-9 | Hose | Hose | |
| 2-21 | Stud-Bolt | Stud-Bolt | |
| 2-20 | End-Cap | End-Cap | |
| 2-19 | Clamp-Intake | Clamp-Intake | |
| 2-18 | Hose-Intake | Hose-Intake | |
| 2-17 | Clamp-Exhaust | Clamp-Exhaust | |
| 2-16 | Hose-Exhaust | Hose-Exhaust | |
| 2-15 | Hose-Exhaust | Hose-Exhaust | |
| 2-14 | Clamp-Hose | Clamp-Hose | |
| 2-13 | Hose-Plastic | Hose-Plastic | |
| 2-12 | Hose | Hose | |
| 2-10 | Hose-Plastic | Hose-Plastic | |
| PreHeating | PreHeating | Pre Heating Group | |
| 1 | 11N8-90500 | Hydronic | |
| 1-1 | 11N8-94100 | Pre Heater | |
| 1-3 | 11N8-94120 | Pump-Coolant | |
| 2 | 11N8-90510 | Universal Kit | |
| 2-1 | 11N8-94130 | Clamp-Rubber | |
| 2-2 | 11N8-94140 | Clamp-Rubber | |
| 2-3 | 11N8-94160 | Muffler | |
| 2-4 | 11N8-94170 | Brkt-Muffler | |
| 2-6 | 11N8-94150 | Brkt-Heater | |
| 2-7 | 11N8-94180 | Tee-Fuel | |
| 2-11 | 11N8-94190 | Filter Fuel | |
| 2-29 | 11N8-94250 | Harness-P/Heater | |
| 2-30 | 11N8-94260 | Fuse Box-P/Heater | |
| 3 | 11N8-90520 | Mini Timer | |
| 4 | 11N8-94320 | Reducer | |
| 5 | 11N8-94211 | Hose | |
| 8 | S520-020000 | CLAMP-HOSE | |
| 9 | 11N8-94240 | Plate | |
| 10 | 11N8-94270 | Bracket-F/Box | |
| 11 | S131-043046 | SCREW-W/WASHER | |
| 12 | 21E9-06230 | Clamp-Quick | |
| 13 | 11N8-94350 | Bracket | |
| 14 | S037-101552 | Bolt-W/Washer | |
| 15 | 11N8-94110 | Pump-Fuel |
Содержащиеся в справочниках-каталогах запасные части и детали не предлагаются к продаже, а носят исключительно информационный характер