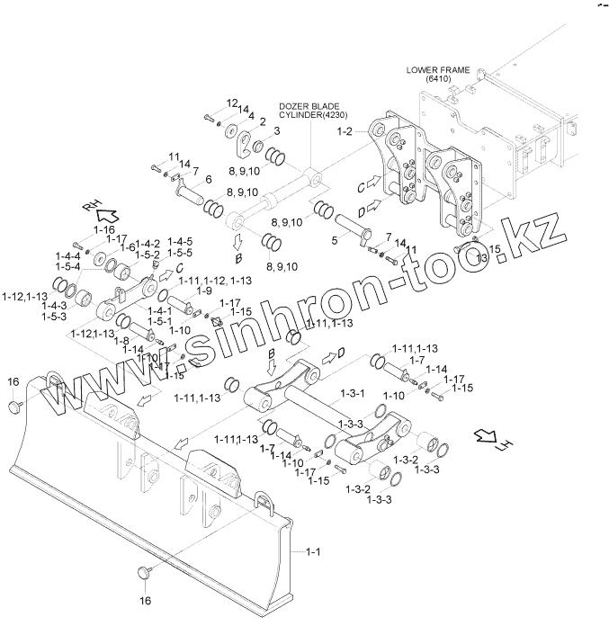
Каталог запасных частей к технике: Hyundai R170W-7. DOZER BLADE-FRONT
4
7
1-4-4
1-5-4
1-5-2
1-5-5
1-5-3
1
1
1-1
1-2
1-2
1-2
1-3-1
1-3-2
1-3-2
1-3-3
1-3-3
1-3-3
1-4-1
1-4-2
1-4-3
1-4-5
1-5-1
1-6
1-7
1-7
1-7
1-8
1-8
1-9
1-9
1-10
1-10
1-10
1-10
1-10
1-11
1-11
1-11
1-11
1-11
1-12
1-12
1-12
1-13
1-13
1-13
1-13
1-13
1-13
1-13
1-14
1-14
1-14
1-15
1-15
1-15
1-15
1-16
1-17
1-17
1-17
1-17
1-17
2
3
5
5
6
6
8
8
8
8
9
9
9
9
10
10
10
10
11
11
12
13
14
14
14
15
16
16
| Позиция на иллюстрации | Заводской номер детали | Название детали | |
|---|---|---|---|
| 4 | 51EK-35550 | Washer-Lock | |
| 7 | 51E3-3164 | Plate-Lock | |
| 1-4-4 | S700-060206 | Dust Seal-Dkiy Type | |
| 1-5-4 | S700-060206 | Dust Seal-Dkiy Type | |
| 1-5-2 | 51EK-30620 | Bushing | |
| 1-5-5 | S652-810002 | Nipple-Grease | |
| 1-5-3 | 51EK-30630 | Bushing | |
| 1 | 51EK-36003 | Blade Assy | |
| 1 | 51EK-36004 | Blade Assy | |
| 1-1 | 51EK-35001 | Blade Wa | |
| 1-2 | 51EK-35213 | Bracket Wa | |
| 1-2 | 51EK-35214 | Bracket Wa | |
| 1-2 | 51EK-35215 | Bracket Wa | |
| 1-3 | 51EK-35510 | Link Assy | |
| 1-3-1 | 51EK-35520 | Link Wa-Blade | |
| 1-3-2 | 51EK-35610 | Bushing | |
| 1-3-3 | S700-060206 | Dust Seal-Dkiy Type | |
| 1-4 | 51EK-31420 | Link Assy-Rh | |
| 1-4-1 | 51EK-31440 | Link Wa-Rh | |
| 1-4-2 | 51EK-30620 | Bushing | |
| 1-4-3 | 51EK-30630 | Bushing | |
| 1-4-5 | S652-810002 | Nipple-Grease | |
| 1-5 | 51EK-31410 | Link Assy-Lh | |
| 1-5-1 | 51EK-31430 | Link Wa-Lh | |
| 1-6 | 51EK-35550 | Washer-Lock | |
| 1-7 | 51EK-30710 | Pin-Blade | |
| 1-7 | 51EK-30711 | Pin-Blade | |
| 1-8 | 51EK-30720 | Pin-Blade | |
| 1-8 | 51EK-30721 | Pin-Blade | |
| 1-9 | 51EK-35730 | Pin-Blade Link | |
| 1-9 | 51EK-35731 | Pin-Blade Link | |
| 1-10 | 51E3-3164 | Plate-Lock | |
| 1-10 | 51E3-3164BG | Plate-Lock | |
| 1-11 | S391-060110 | SHIM-ROUND | |
| 1-12 | S392-060110 | SHIM-ROUND | |
| 1-13 | S390-060110 | SHIM-ROUND | |
| 1-14 | E8841022 | Nipple-Grease | |
| 1-15 | S017-120256 | Bolt-Hex | |
| 1-16 | S017-120356 | BOLT-HEX | |
| 1-17 | S411-120006 | WASHER-SPRING | |
| 2 | 51EK-30561 | Plate-Hook | |
| 3 | 51EK-35570 | Spacer | |
| 5 | 51EK-35740 | Pin-Blade Link | |
| 5 | 51EK-35741 | Pin-Blade Link | |
| 6 | 51EK-30750 | Pin-B/Cyl Rod | |
| 6 | 51EK-30751 | Pin-B/Cyl Rod | |
| 8 | S390-070120 | Shim-Round | |
| 9 | S391-070120 | Shim-Round | |
| 10 | S392-070120 | Shim-Round | |
| 11 | S017-120252 | Bolt-Hex | |
| 12 | S177-120352 | Screw-Socket Rd Hd | |
| 13 | S018-300602 | Bolt-Hex | |
| 14 | S411-120002 | WASHER-SPRING | |
| 15 | S441-300002 | Washer-Hardened | |
| 16 | 51EK-52990 | Reflector-Rear |
Содержащиеся в справочниках-каталогах запасные части и детали не предлагаются к продаже, а носят исключительно информационный характер