Вернуться на главную
Поиск
Каталоги запчастей к технике
Спецтехника
Hyundai
R170W-7
D/ACT MAIN PIPING KIT (ADJUST BOOM)
Каталог запасных частей к технике: Hyundai R170W-7. D/ACT MAIN PIPING KIT (ADJUST BOOM)
zoom-in
zoom-out
enlarge
shrink
circle-right
circle-left
file-text2
info
cart
Тип техники
Не выбрано
Легковые автомобили
Грузовые автомобили и прицепы
Автобусы
Сельхозтехника
Спецтехника
Двигатели
Мототехника
Марка
Не выбрано
Ammann
BOMAG
CARMIX
CASE IH
Changlin
ChengGong
Dimex
Doosan
DYNAPAC
Foton
HAMM
Hidromek
Hitachi
Hyundai
JCB
JLG
John Deere
Komatsu
LIEBHERR
LiuGong
Lonking (LongGong)
Luneng
MANITOU
Mitsuber
New Holland
PENGPU
RM-Terex
SANY
SDLG
SEM
Shantui
Shehwa HBXG
Soosan
TIGARBO
VOGELE
Volvo
WAY
WIRTGEN
XCMG
XGMA
Xiamen
YTO
Yuchai
Zoomlion
Автокран
АЗСМ
Алтайлесмаш
Амкодор
АОМЗ
Атек
АТЗ
Балканкар Рекорд
БелАЗ
Беловеж
Борекс
Брянский Арсенал
Булат
ВЭКС
ГАЗ
Геомаш
Гидромаш
Донекс
Дормаш
Дормашина
Дорэлектромаш
ДЭЗ
ЕлАЗ
ЗЗГТ
Ижнефтемаш
Канаш-электрокар
КЗКТ
ККЗ
Клевер
Клинцовский автокрановый завод
КМЗ
КМЗ 1 Мая
Ковровец
Коммаш
Кранэкс
КЭЗ
КЭМЗ
ЛЗА
МАЗ
МЗИК
МЗКМ
МЗКТ
Михневский РМЗ
МоАЗ
Мозырский МЗ
МТЗ
ОЗП
Онежец
ПАО "ТЗА"
ППС Детва
Промтрактор
ПТЗ
Раскат
СпецАгрегат
ТВЭКС
ТТМ
УВЗ
Угличмаш
УЗТМ
ХТЗ
ЧЗКМ
ЧСДМ
ЧТЗ
ЭКСКО
ЭКСМАШ
ЮрМаш
Модель
Не выбрано
R140W-9 (2013)
R140W-9S (2013)
R16-9 (2013)
R170W-7 (2013)
R170W-9 (2013)
R170W-9S (2013)
R180LC-9 (2013)
R180LC-9S (2013)
R180W-9S (2013)
R210LC-9 (2013)
R210NLC-9 (2013)
R210W-9 (2013)
R330LC-9A (2013)
R330LC-9S (2013)
R330LC-9SH (2013)
Схема
>
Не выбрано
ENGINE MOUNTING
ENGINE CONTROL SYSTEM
AIR INTAKE SYSTEM
EXHAUST SYSTEM
COOLING SYSTEM
RADIATOR ASSY
FUEL SYSTEM
FUEL TANK
AIRCON & HEATER MOUNTING
AIRCON & HEATER UNIT (-#0498)
AIRCON & HEATER UNIT (#0499-)
AIR CONDITIONER MOUNTING
AIR CONDITIONER UNIT (-#0022)
AIR CONDITIONER UNIT (#0023-)
HEATER MOUNTING
HEATER UNIT (-#0498)
HEATER UNIT (#0499-)
AIRCON & HEATER MOUNTING (AUTO)
AIRCON & HEATER UNIT-FATC
PRE HEATING GROUP (#0486-)
RH ELECTRIC
LH ELECTRIC
BOOM ELECTRIC (STD)
BOOM ELECTRIC (ADJUST BOOM, #0022-)
ENGINE ELECTRIC
ELECTRIC BOX
CAB ELECTRIC 1
CAB ELECTRIC 2
CLUSTER
CLUSTER (OPT, #1230-)
CAB ELECTRIC 2 (OPT, #1230-)
CAB ELECTRIC 3
FUEL FILLER PUMP (-#1319)
FUEL FILLER PUMP (#1320-)
FUSE BOX
PUMP MOUNTING
HYDRAULIC TANK
UPPER HYD PIPING (BASE)
UPPER HYD PIPING (ATTACH)
UPPER HYD PIPING 1 (ADJUST BOOM, #0022-)
UPPER HYD PIPING 2 (ADJUST BOOM, #0022-)
UPPER HYDRAULIC PIPING (TRAVEL)
PILOT HYD PIPING (CONTROL 1, -#0429)
PILOT HYD PIPING (CONTROL 2, -#0429)
PILOT HYD PIPING (CONTROL 3, -#0429)
PILOT HYD PIPING (CONTROL 1, #0430-)
PILOT HYD PIPING (CONTROL 2, #0430-)
PILOT HYD PIPING (BASE 1)
PILOT HYD PIPING (BASE 1, 2-BLOCK, OPT)
PILOT HYD PIPING (BASE 2)
PILOT HYD PIPING (BASE 2, 2-BLOCK, OPT)
PILOT HYD PIPING (BASE 3)
PILOT HYD PIPING (BASE 4, #0430-)
PILOT HYD PIPING (BASE 3, 2-BLOCK, OPT)
PILOT HYD PIPING (4 OUTRIGGER)
POWER TRAIN HYD PIPING 1 (-#0978)
POWER TRAIN HYD PIPING 2 (-#0978)
POWER TRAIN HYD PIPING 1 (#0979-)
POWER TRAIN HYD PIPING 2 (#0979-)
LOWER HYD PIPING 1 (-#0978)
LOWER HYD PIPING 2 (-#0978)
LOWER HYD PIPING 1 (#0979-)
LOWER HYD PIPING 2 (#0979-)
LOWER HYD PIPING (REAR BLADE)
LOWER HYD PIPING (REAR OUTRIGGER)
LOWER HYD PIPING 1 (4 OUTRIGGER)
LOWER HYD PIPING 2 (4 OUTRIGGER)
LOWER HYD PIPING 1 (F/OUT R/BLD)
LOWER HYD PIPING 2 (F/OUT R/BLD)
LOWER HYD PIPING 1 (F/BLD R/OUT)
LOWER HYD PIPING 2 (F/BLD R/OUT)
LOWER HYD PIPING 1 (F/BLD R/BLD, #0092-)
LOWER HYD PIPING 2 (F/BLD R/BLD, #0092-)
BOOM HYD PIPING (5.1M, STD)
BOOM HYD PIPING (ADJUST BOOM, #0022-)
BOOM GREASE LUB SYSTEM (5.1M,STD)
BOOM GREASE LUB SYSTEM (ADJ/BOOM, #0022-)
BOOM SAFETY LOCK SYSTEM
ARM HYD PIPING (2.6M)
ARM HYD PIPING (2.2M, STD)
ARM HYD PIPING (3.1M)
ARM SAFETY LOCK SYSTEM
QUICK CLAMP HYD PIPING (#0092-)
QUICK CLAMP (HOOK TYPE, #0728-)
QUICK CLAMP (CLOSE TYPE, #0728-)
QUICK CLAMP CYLINDER (#0728-)
QUICK CLAMP ASSY (#0092-)
QUICK CLAMP CYLINDER (#0092-)
QUICK CLAMP ASSY (#0590-)
DOUBLE ACTING HYD PIPING KIT 1
DOUBLE ACTING HYD PIPING KIT 2
ATTACH PIPING KIT (S & D/ACTING)
DOUBLE ACTING MAIN PIPING KIT
SINGLE PEDAL (DOUBLE ACTING)
D/ACT MAIN PIPING KIT (ADJUST BOOM)
D/ACT ATTACH PIPING KIT (ADJUST BOOM)
SINGLE ACTING HYD PIPING KIT 1
SINGLE ACTING HYD PIPING KIT 2
SINGLE ACTING MAIN PIPING KIT
MAIN PUMP
REGULATOR
GEAR PUMP
MAIN CONTROL VALVE (1/4)
MAIN CONTROL VALVE (2/4)
MAIN CONTROL VALVE (3/4)
MAIN CONTROL VALVE (4/4)
SWING MOTOR (TYPE 1)
SWING REDUCTION GEAR (TYPE 1)
SWING REACTIONLESS VALVE BLOCK (TYPE 1)
SWING MOTOR (TYPE 2, #1809-)
SWING REDUCTION GEAR (TYPE 2, #1809-)
REMOTE CONTROL LEVER (STD)
REMOTE CONTROL LEVER
REMOTE CONTROL VALVE (OPT,#0903-)
REMOTE CONTROL PEDAL
TRAVEL MOTOR (1/2, -#0196)
TRAVEL MOTOR (1/2, #0197-)
TRAVEL MOTOR (2/2, -#0196)
TRAVEL MOTOR (2/2, #0197-)
COUNTER BALANCE VALVE (-#0196)
COUNTER BALANCE VALVE (#0197-)
TURNING JOINT
BOOM CYLINDER
BOOM CYLINDER (ADJUST BOOM, #0022-)
ARM CYLINDER
BUCKET CYLINDER
DOZER BLADE CYLINDER
OUTRIGGER CYLINDER
ADJUST CYLINDER (#0022-)
5-SOLENOID VALVE
STEERING VALVE
TRANSMISSION CONTROL VALVE (-#0978)
TRAVEL CONTROL VALVE (#0979-)
BRAKE SUPPLY VALVE
BRAKE VALVE
POWER TRAIN MOUNTING
PROPELLER SHAFT (-#2468)
PROPELLER SHAFT (#2469-)
OCCILLATING CYLINDER
FRONT AXLE INPUT GROUP (-#0978)
FRONT AXLE DIFFERENTIAL (-#0978)
FRONT AXLE CASING (-#0978)
FRONT AXLE JOINT HOUSING (-#0978)
FRONT AXLE OUTPUT GROUP (-#0978)
FRONT AXLE STEERING GEAR (-#0978)
FRONT AXLE UNIVERSAL JOINT (-#0978)
REAR AXLE INPUT GROUP (-#0978)
REAR AXLE DIFFERENTIAL (-#0978)
REAR AXLE CASING (-#0978)
REAR AXLE HUB CARRIER (-#0978)
REAR AXLE OUTPUT GROUP (-#0978)
TRANSMISSION INPUT HOUSING (-#0978)
TRANSMISSION INPUT GROUP (-#0978)
TRANSMISSION HOUSING (-#0978)
TRANSMISSION OIL PIPE (-#0978)
TRANSMISSION COUPLING (-#0978)
TRANSMISSION MULTI-DISC BRAKE (-#0978)
TRANSMISSION PLANETARY DRIVE (-#0978)
TRANSMISSION DISCONNETION (-#0978)
TRANSMISSION SPUR GEAR DRIVE (-#0978)
TRANSMISSION GEAR SHIFT SENSOR (-#0978)
TRANSMISSION OUTPUT GROUP (-#0978)
FRONT AXLE INPUT GROUP (#0979-)
FRONT AXLE DIFFERENTIAL (#0979-)
FRONT AXLE CASING (#0979-)
FRONT AXLE JOINT HOUSING (#0979-)
FRONT AXLE OUTPUT GROUP (#0979-)
FRONT AXLE STEERING GEAR (#0979-)
FRONT AXLE UNIVERSAL JOINT (#0979-)
REAR AXLE INPUT GROUP (#0979-)
REAR AXLE DIFFERENTIAL (#0979-)
REAR AXLE CASING (#0979-)
REAR AXLE HUB CARRIER (#0979-)
REAR AXLE OUTPUT GROUP (#0979-)
TRANSMISSION INPUT HOUSING (#0979-)
TRANSMISSION HOUSING (#0979-)
TRANSMISSION MULTI-DISC BRAKE (#0979-)
TRANSMISSION COUPLING (#0979-)
TRANSMISSION PLANETARY DRIVE (#0979-)
TRANSMISSION OUTPUT GROUP (#0979-)
TRANSMISSION GEAR SHIFT SENSOR (#0979-)
TRANSMISSION OIL PIPE (#0979-)
CAB MOUNTING
CAB ASSY (1/6, STD & FOG TYPE)
CAB ASSY (1/6, STD & FOG TYPE, #1230-)
CAB ASSY (1/6, ROOF TYPE, #0047-)
CAB ASSY (1/6, ROOF TYPE, OPT, #1230-)
CAB ASSY (2/6)
CAB ASSY (2/6, OPT, #1230-)
CAB ASSY (3/6)
CAB ASSY (3/6, OPT, #1230-)
CAB ASSY (4/6, DOOR)
CAB ASSY (5/6, SASH ASSY)
CAB ASSY (6/6, DOOR LATCH ASSY)
CAB INTERIOR 1
CAB INTERIOR 2
CAB INTERIOR 1 (OPT, #1230-)
CAB INTERIOR 2 (OPT, #1230-)
CONSOLE BOX (1/2, LH)
CONSOLE BOX (2/2, LH)
CONSOLE BOX (RH)
CONSOLE BOX (1/2, LH, OPT, #1230-)
CONSOLE BOX (2/2, LH, OPT, #1230-)
CONSOLE BOX (RH, OPT, #1230-)
SEAT BASE ASSY
SEAT (-#0243)
SEAT (#0244-)
SEAT (#0181-)
SEAT (HEATED, #0736-, OPT)
STORAGE BOX COVER ASSY
BOTTOM PLATE MOUNTING
BOTTOM PLATE MOUNTING (OPT, #1230-)
STEERING COLUMN (-#0678)
STEERING COLUMN (#0679-)
COWLING
SIDE COWL ASSY (LH)
AIR CLEANER ASSY
SIDE COVER ASSY (LH)
SIDE COWL ASSY (RH)
ENGINE HOOD
UNDER COVER
TOOL BOX MOUNTING
TOOL BOX
GROMMET GROUP
UPPER FRAME & COUNTERWEIGHT
LOWER FRAME & FENDER
SWING RING GREASE LUB SYSTEM
DOZER BLADE-REAR
DOZER BLADE-FRONT
OUTRIGGER MOUNTING-FRONT (OLD)
OUTRIGGER MOUNTING-FRONT (NEW)
OUTRIGGER MOUNTING-REAR
CAB PROTECTOR ASSY (OPTION, #0999-)
BOOM MOUNTING (5.1M, STD)
BOOM MOUNTING (ADJUST BOOM)
BOOM (5.1M, STD)
ADJUST BOOM (#0022-)
ARM (2.6M)
ARM (2.2M, STD)
ARM (3.1M)
BUCKET CONTROL GROUP
BUCKET (0.75M3 SAE HEAPED, STD)
BUCKET (0.39M3 SAE HEAPED)
BUCKET (0.50M3 SAE HEAPED)
BUCKET (0.64M3 SAE HEAPED)
BUCKET (0.89M3 SAE HEAPED)
BUCKET (1.05M3 SAE HEAPED)
BUCKET (0.69M3 SAE HEAPED HEAVY DUTY)
BUCKET (0.75M3 SAE HEAPED D/CLEANING)
TOOLS
HRDT 2.0 TOOL KIT
DECALS
MANUALS
CYLINDER HEAD
VALVE MECHANISM
ROCKER COVER & BREATHER
CAMSHAFT
CRANKCASE ASSY
MAIN BEARING
TIMING GEAR CASE
FLYWHEEL HOUSING
OIL PAN
PISTON & CONNECTING ROD
CRANKSHAFT & FLYWHEEL
TIMING GEAR
INLET & EXHAUST SYSTEM
TURBOCHARGER
OIL PUMP & OIL STRAINER
OIL PIPE
OIL COOLER
OIL FILTER
COOLING SYSTEM
FUEL INJECTION PUMP GENERAL
FEED PUMP
FUEL SYSTEM
NOZZLE
AUTOMATIC TIMER
FUEL FILTER
STARTER
ALTERNATOR GENERAL
ALTERNATOR
CONTROL SYSTEM
ACCESSORY
OVERHAUL GASKET KIT
1
2
2
3
4
5
6
6
7
8
9
9
9
10
11
12
12
13
13
14
14
14
14
15
16
17
18
18
18
18
18
18
18
18
18
19
19
19
19
20
20
20
21
21
22
23
24
25
25
25
25
25
25
25
25
25
25
25
26
27
28
29
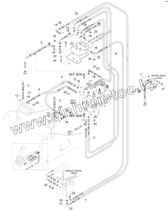
Позиция на иллюстрации
Заводской номер детали
Название детали
31N5-93461
31N5-93461
D/Act Main Piping Kit
1
31N4-91260
Bracket-2sol, Mtg
2
P913-126035
Hose Assy-Orfs 0x0
3
P933-126016
Hose Assy-Orfs 0x90
4
31N4-96010
Hose Assy-Orfs 0x90
5
P910-042036
Hose Assy-Orfs 0x0
6
P910-042046
HOSE ASSY-ORFS 0X0
7
P910-042076
HOSE ASSY-ORFS 0X0
8
P930-042043
Hose Assy-Orfs 0x90
9
X500-110001
CONNECTOR-ORFS
10
X500-110004
CONNECTOR-ORFS
11
X511-112546
Connector-Long, Orfs
12
X511-112548
Connector-Long, Orfs
13
X500-110016
Connector-Orfs
14
X520-110001
ELBOW-90,ORFS
15
31N6-25110
ELBOW-90,LONG
16
X520-110004
ELBOW-90,ORFS
17
X840-525151
Tee-R/Type,Swivel,Orfs
18
S631-011004
O-RING
19
S631-024004
O-RING
20
S621-018001
O-RING
21
S621-021001
O-RING
22
S109-100556
Bolt-Socket
23
S017-100256
Bolt-Hex
24
S411-100006
WASHER-SPRING
25
S621-011001
O-RING
26
S621-012001
O-RING
27
21NB-00200
Harness-Ext
28
31N4-20051
2-Solenoid Valve
29
21N5-10180
Harness-Ext
Содержащиеся в справочниках-каталогах запасные части и детали не предлагаются к продаже, а носят исключительно информационный характер
Дополнительная информация
×
Название:
Номер:
Примечание: