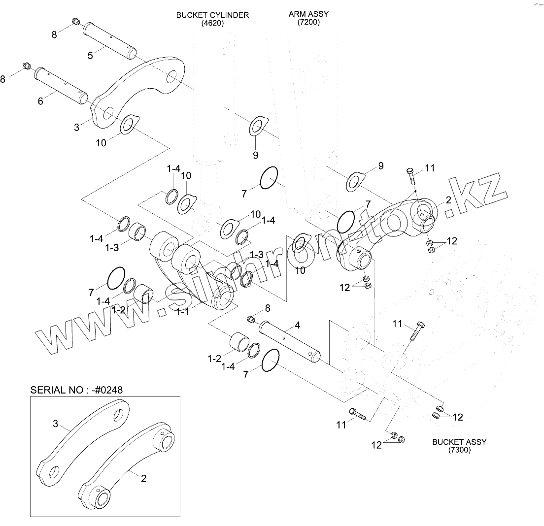
Каталог запасных частей к технике: Hyundai R16-9. BUCKET CONTROL GROUP
1
1-1
1-2
1-2
1-3
1-3
1-4
1-4
1-4
1-4
1-4
1-4
2
2
3
3
4
5
6
7
7
7
7
8
8
8
9
9
10
10
10
10
11
11
11
12
12
12
12
| Позиция на иллюстрации | Заводской номер детали | Название детали | |
|---|---|---|---|
| 1 | 61MJ-40012 | Control Rod Assy | |
| 1-1 | 61MJ-40102 | Control Rod Wa | |
| 1-2 | 61MJ-15500 | Bushing | |
| 1-3 | 61MJ-15510 | Bushing | |
| 1-4 | Y020-030011 | Seal-Dust, Dli, Kpu | |
| 2 | 61MJ-40022 | Link-Lh | |
| 3 | 61MJ-40032 | Link-Rh | |
| 4 | 61MJ-01500 | Pin Assy | |
| 5 | 61MJ-01510 | Pin Assy | |
| 6 | 61MJ-02500 | Pin Assy | |
| 7 | 61MJ-30500 | O-Ring | |
| 8 | S651-810002 | NIPPLE-GREASE | |
| 9 | 61MJ-08000 | Shim | |
| 10 | 61MJ-08100 | Shim | |
| 11 | S017-100606 | Bolt-Hex | |
| 12 | S205-10100B | NUT-HEX |
Содержащиеся в справочниках-каталогах запасные части и детали не предлагаются к продаже, а носят исключительно информационный характер