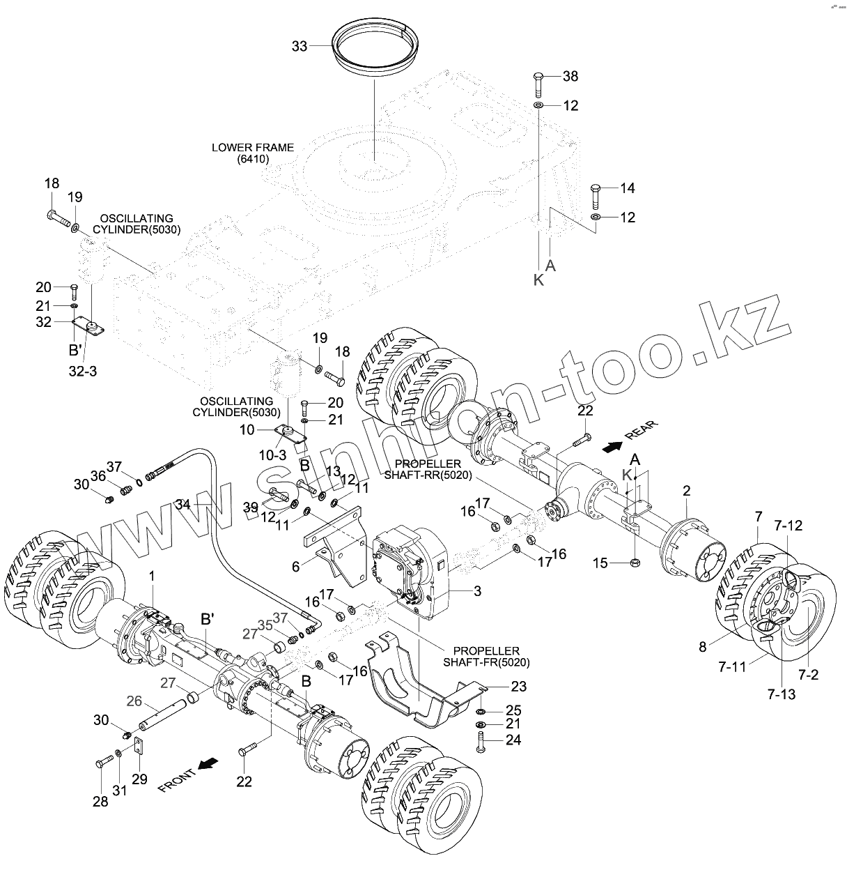
Каталог запасных частей к технике: Hyundai R140W-9S. POWER TRAIN MOUNTING
7
7
7
7-11
7-12
7-13
7-2
8
1
2
3
6
7
7-2
7-11
7-11
7-12
7-13
8
10
10-3
11
11
12
12
12
12
13
14
15
16
16
16
16
17
17
17
17
18
18
19
19
20
20
21
21
21
22
22
23
24
25
26
27
27
28
29
30
30
31
32
33
34
35
36
37
37
38
39
7-11
| Позиция на иллюстрации | Заводской номер детали | Название детали | |
|---|---|---|---|
| 7 | 81EA-22011GG | Tire & Wheel Assy | |
| 7 | 81N5-50100GG | Tire & Wheel Assy | |
| 7 | 81N5-50200GG | Tire & Wheel Assy | |
| 7-1 | 81E3-20200S | Tire Assy | |
| 7-1 | 81E4-20200 | Tire Assy | |
| 7-1 | 81E4-21020 | Tire | |
| 7-11 | 81E3-2001S | Tire | |
| 7-12 | 81E4-2002 | Tire | |
| 7-13 | 81E4-2003 | Flap | |
| 7-2 | 81N5-50010GG | Wheel Wa | |
| 8 | 81N5-50061 | Ring-Stone Register | |
| 1 | 81Q4-40011 | Axle-Front | |
| 2 | 81Q4-40021 | Axle-Rear | |
| 3 | 81Q4-40030 | Transmission | |
| 6 | 81Q4-32061 | Bracket-Transmission | |
| 7 | 81EA-32071GG | Tire & Wheel Assy | |
| 7-1 | 81E3-20200 | Tire Assy | |
| 7-1 | 81EA-21020 | Tire | |
| 7-1 | 81E4-20200S | Tire Assy | |
| 7-2 | 81EA-32091GG | Wheel Rim | |
| 7-11 | 81E3-2001 | Tire | |
| 7-11 | 81E4-2001 | Tire | |
| 7-12 | 81E3-2002 | Tube | |
| 7-13 | 81E3-2003 | Flap | |
| 8 | 81E3-20052 | Ring-Stone Register | |
| 10 | 81Q4-40130 | Support-O/Cylinder | |
| 10-3 | S652-810002 | Nipple-Grease | |
| 11 | S411-200006 | Washer-Spring | |
| 12 | S441-200006 | WASHER-HARDENED | |
| 13 | S017-20045D | Bolt-Hex | |
| 14 | S017-201706 | Bolt-Hex | |
| 15 | S205-20100B | NUT-HEX | |
| 16 | 81E4-3007-DA | Nut-Hex | |
| 17 | S411-100006 | WASHER-SPRING | |
| 18 | S018-22075D | Bolt-Hex | |
| 19 | S441-220006 | Washer-Hardened | |
| 20 | S017-16035D | Bolt-Hex | |
| 21 | S411-160006 | WASHER-SPRING | |
| 22 | 81E3-30071-DA | Bolt-Hex | |
| 23 | 81Q4-30203 | Guard-Transmission | |
| 24 | S017-16025D | Bolt-Hex | |
| 25 | S441-160006 | WASHER-HARDENED | |
| 26 | 81Q4-40213 | Pivot-Pin | |
| 27 | 81E3-0003 | Bushing | |
| 28 | S017-120256 | Bolt-Hex | |
| 29 | S384-207225 | Plate-Lock | |
| 30 | S651-810008 | Nipple-Grease | |
| 31 | S411-120006 | WASHER-SPRING | |
| 32 | 81Q4-40140 | Support-O/Cylinder | |
| 33 | 81Q4-40450 | Seal-Grease | |
| 34 | P933-042016 | Hose Assy-Orfs 0x90 | |
| 35 | 31N4-40180 | Connector | |
| 36 | 31N4-43420 | Connector | |
| 37 | S621-011001 | O-RING | |
| 38 | S018-20140D | Bolt-Hex | |
| 39 | S017-20050D | BOLT-HEX | |
| 7-1 | 81E3-20200H | Tire Assy | |
| 7-1 | 81E4-20200H | Tire Assy | |
| 7-11 | 81E3-2001H | Tire |
Содержащиеся в справочниках-каталогах запасные части и детали не предлагаются к продаже, а носят исключительно информационный характер