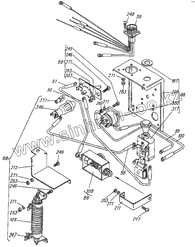
Каталог запасных частей к технике: ХТЗ МТ-ЛБ. Щиток отопителя 6.50.057
38
88
88
88
88
96
97
98
99
100
108
109
187
205
211
212
246
246
246
247
247
248
249
263
263
263
263
263
263
271
271
271
271
271
271
286
303
317
330
346
| Позиция на иллюстрации | Заводской номер детали | Название детали | |
|---|---|---|---|
| 38 | 6.50.084 | Жгут | |
| 88 | 8.50.063-1 | Щиток отопителя | |
| 96 | 8.50.693 | Провод | |
| 97 | 8.50.694 | Провод | |
| 98 | 8.50.697 | Провод | |
| 99 | 8.50.699 | Провод | |
| 100 | 8.50.700 | Провод | |
| 108 | 0В65-2000 | Спираль контрольная | |
| 109 | 0В65-2030 | Сопротивление добавочное | |
| 187 | 8.50.103 | Шайба стопорная | |
| 205 | 8.50.240-1 | Панель щитка отопителя | |
| 211 | 8.50.367 | Перемычка | |
| 212 | 8.50.369 | Экран | |
| 246 | [Винт В1.М4-6gx8.58.019 ГОСТ 17473-80] | Винт В1.М4-6gx8.58.019 ГОСТ 17473-80 | |
| 247 | [Винт В1.М4-6gx10.58.019 ГОСТ 17473-80] | Винт В1.М4-6gx10.58.019 ГОСТ 17473-80 | |
| 248 | [Винт В1.М4-6gx12.58.019 ГОСТ 17473-80] | Винт В1.М4-6gx12.58.019 ГОСТ 17473-80 | |
| 249 | [Винт В1.М4-6gx18.58.019 ГОСТ 17473] | Винт В1.М4-6gx18.58.019 ГОСТ 17473 | |
| 263 | [Гайка М4.6Н.8.0112 ГОСТ 5927-70] | Гайка М4.6Н.8.0112 ГОСТ 5927-70 | |
| 271 | [Шайба 4.65Г.0115 ГОСТ 6402-70] | Шайба 4.65Г.0115 ГОСТ 6402-70 | |
| 286 | А24-1 | Лама А24-1 ГОСТ 2023-75 | |
| 303 | ВН-45М | Выключатель ВН-45М ТУ 16-526.016-73 | |
| 317 | П300 | Переключатель П300 ТУ 37.003.417-73 | |
| 330 | РС-404 | Реле перегрева РС-404 | |
| 346 | ПД20-3803000-Л | Фонарь контрольной лампы ПД20-3803000-Л ТУ 37.003.293-72 |
Содержащиеся в справочниках-каталогах запасные части и детали не предлагаются к продаже, а носят исключительно информационный характер