Вернуться на главную
Поиск
Каталоги запчастей к технике
Спецтехника
Hitachi
ZX-600
TRACK-LINK 900G (LC TRACK)
Каталог запасных частей к технике: Hitachi ZX-600. TRACK-LINK 900G (LC TRACK)
zoom-in
zoom-out
enlarge
shrink
circle-right
circle-left
file-text2
info
cart
Тип техники
Не выбрано
Легковые автомобили
Грузовые автомобили и прицепы
Автобусы
Сельхозтехника
Спецтехника
Двигатели
Мототехника
Марка
Не выбрано
Ammann
BOMAG
CARMIX
CASE IH
Changlin
ChengGong
Dimex
Doosan
DYNAPAC
Foton
HAMM
Hidromek
Hitachi
Hyundai
JCB
JLG
John Deere
Komatsu
LIEBHERR
LiuGong
Lonking (LongGong)
Luneng
MANITOU
Mitsuber
New Holland
PENGPU
RM-Terex
SANY
SDLG
SEM
Shantui
Shehwa HBXG
Soosan
TIGARBO
VOGELE
Volvo
WAY
WIRTGEN
XCMG
XGMA
Xiamen
YTO
Yuchai
Zoomlion
Автокран
АЗСМ
Алтайлесмаш
Амкодор
АОМЗ
Атек
АТЗ
Балканкар Рекорд
БелАЗ
Беловеж
Борекс
Брянский Арсенал
Булат
ВЭКС
ГАЗ
Геомаш
Гидромаш
Донекс
Дормаш
Дормашина
Дорэлектромаш
ДЭЗ
ЕлАЗ
ЗЗГТ
Ижнефтемаш
Канаш-электрокар
КЗКТ
ККЗ
Клевер
Клинцовский автокрановый завод
КМЗ
КМЗ 1 Мая
Ковровец
Коммаш
Кранэкс
КЭЗ
КЭМЗ
ЛЗА
МАЗ
МЗИК
МЗКМ
МЗКТ
Михневский РМЗ
МоАЗ
Мозырский МЗ
МТЗ
ОЗП
Онежец
ПАО "ТЗА"
ППС Детва
Промтрактор
ПТЗ
Раскат
СпецАгрегат
ТВЭКС
ТТМ
УВЗ
Угличмаш
УЗТМ
ХТЗ
ЧЗКМ
ЧСДМ
ЧТЗ
ЭКСКО
ЭКСМАШ
ЮрМаш
Модель
Не выбрано
EX-100-2 (2000)
EX-100-3 (2008)
EX-100WD (2008)
EX-120 (2008)
EX-120-2 (2008)
EX-160WD (2008)
EX-200 (2008)
EX-200-2 (2008)
EX-200-3
EX-220 (2008)
EX-220-2 (2008)
EX-270 (2008)
EX-300 (2008)
EX-300-2 (2000)
EX-400 Type A (2006)
EX-400 Type B (2006)
EX-60 (2003)
EX-60-2 (2000)
EX-60-3 (2008)
EX-70 (2017)
LX-110-7 (2008)
LX-130-7 (2008)
LX-150-2 (2008)
LX-160-7 (2008)
LX190-7/LX230-7 (2008)
Zaxis 190-3
ZAXIS 200-5A (2018)
ZAXIS 200LC-5A (2018)
ZAXIS 210H-5A (2018)
ZAXIS 210K-5A (2018)
ZAXIS 210LCH-5A (2018)
ZAXIS 210LCK-5A (2018)
ZAXIS 330-5G (2017)
ZAXIS 350H-5G (2017)
ZAXIS 48U-5A (2020)
ZAXIS 850-3
ZAXIS 870H-3
ZX-110 (2008)
ZX-160W (2008)
ZX-200 (2008)
ZX-230 (2008)
ZX-25 (2008)
ZX-270 (2008)
ZX-330 (2010)
ZX-330-3 (Part № PIHH-I-3) (2008)
ZX-330-3 (Part № PIHH-I-5) (2013)
ZX-330-3G (2008)
ZX-400R-3 (2010)
ZX-450 (2006)
ZX-600 (2007)
Компоненты EX-100-2 (2000)
Компоненты EX-100WD (2008)
Компоненты EX-120 (2008)
Компоненты EX-120-2 (2008)
Компоненты EX-160WD (2008)
Компоненты EX-200 (2008)
Компоненты EX-200-2 (2008)
Компоненты EX-200-3(LC, H)
Компоненты EX-220 (2008)
Компоненты EX-220-2 (2008)
Компоненты EX-270 (2008)
Компоненты EX-300 (2008)
Компоненты EX-300-2 (2000)
Компоненты EX-400 Type A (2006)
Компоненты EX-400 Type B (2006)
Компоненты EX-60 (2003)
Компоненты EX-60-2 (2000)
Компоненты EX-60-3 (2008)
Компоненты ZAXIS 450, 470, 500, 520 (2010)
Компоненты ZX-110 (2008)
Компоненты ZX-120 (130) (2008)
Компоненты ZX-160W (2008)
Компоненты ZX-200 (2008)
Компоненты ZX-230 (2008)
Компоненты ZX-270 (2008)
Компоненты ZX-330 (2008)
Компоненты ZX-450 (2006)
Схема
>
Не выбрано
FRAME (1)
FRAME (2)
FRAME (3)
COUNTERWEIGHT
ENGINE <STD> <USA>
ENGINE <EU>
ENGINE SUPPORT
OIL FILTER PIPING
ENGINE OIL DRAIN PIPING
RADIATOR
RADIATOR SUPPORT
RESERVE TANK
AIR CLEANER
PRE CLEANER
MUFFLER
FUEL PIPING
FUEL TANK
FUEL FEED PUMP
FUEL DOUBLE FILTER
PUMP DEVICE
TRANSMISSION (PUMP)
PUMP DEVICE SUPPORT
SWING DEVICE: RIGHT (1)
SWING DEVICE: RIGHT (2)
SWING DEVICE: LEFT (1)
SWING DEVICE: LEFT (2)
SWING DEVICE SUPPORT
OIL TANK
SUCTION PIPING
DELIVERY PIPING
RETURN PIPING (1)
RETURN PIPING (2)
DRAIN PIPING
MAIN PIPING (1)
MAIN PIPING (2)
MAIN PIPING (3-1)
MAIN PIPING (3-2)
ENGINE CONTROL CABLE
ENGINE CONTROL MOTOR
ENGINE STOP CABLE
CONTROL LEVER (FRONT & SWING)
CONTROL LEVER (TRAVEL)
LOCK LEVER
PILOT PIPING (1)
PILOT PIPING (2-1)
PILOT PIPING (2-2)
PILOT PIPING (3-1)
PILOT PIPING (3-2)
PILOT PIPING (4)
PILOT PIPING (5-1)
PILOT PIPING (5-2)
PILOT PIPING (6-1)
PILOT PIPING (6-2)
PILOT PIPING (7-1)
PILOT PIPING (7-2)
CONSOLE
CONSOLE COVER
RIGHT COVER
MONITOR
RADIO (AM/FM)
CONTROL UNIT
ELECTRIC PARTS (1)
ELECTRIC PARTS (2)
ELECTRIC PARTS (3)
ELECTRIC PARTS (4)
ELECTRIC PARTS (5)
ELECTRIC PARTS (6)
ELECTRIC PARTS (7) <DOMESTIC>
ELECTRIC PARTS (7) <EXPORT>
CONSENT PARTS <EU>
HEAD LAMP <600>
OVER LOAD ALARM (1) <EU>
OVER LOAD ARARM (2) <EU>
MOTION ALARM
AIR-CONDITIONER (1)
AIR-CON. UNIT
AIR-CONDITIONER (2-1)
AIR-CONDITIONER (2-2)
COMPRESSOR
DUCT (AIR-CON.)
DUCT (HEATER)
REAR BOX (AIR-CON.)
REAR BOX (12V POWER SUPPLY)
CAB SUPPORT <600>
CAB <600> <STD> <EU>
CAB <600> <USA>
CAB (1) <600>
CAB (2) <600>
CAB (3) <600>
CAB (4) <600>
CAB (5) <600>
CAB (6) <600> <STD> <EU>
CAB (6) <600> <USA>
CAB (7) <600>
CAB SUPPORT <H>
CAB PARTS <H>
CAB <H>
CAB(1) <H>
SASH <H>
REAR WINDOW <H>
CAB (2) <H>
CAB(3) <H>
CAB (4) <H>
FRONT GUARD <H>
SUNVISOR <H>
REARVIEW MIRROR
WINDOW WASHER
FLOOR PARTS
FLOOR PLATE
SEAT
SEAT BELT
SEAT STAND <DOMESTIC>
SEAT STAND <EXPORT>
COVER FRAME
COVER FRAME
COVER (1)
COVER (2)
COVER (2)
COVER (3)
COVER (4)
COVER (5)
DUCT <STD> <USA>
DUCT <EU>
HEAT SHIELD COVER
BATTERY COVER
BATTERY COVER
UNDER COVER <600>
UNDER COVER <H>
LUBRICATOR
HANDRAIL
TRACK FRAME (STD. TRACK)
TRACK FRAME (LC TRACK)
TRACK SIDE STEP <600>
TRACK SIDE STEP <H>
TRACK GUARD <600>
TRACK GUARD <600LC>
TRACK GUARD <650H,650LCH>
FULL-LENGTH TRACK GUARD (STD. TRACK)
FULL-LENGTH TRACK GUARD (LC TRACK)
SWING BEARING
TRAVEL DEVICE
TRANSMISSION (TRAVEL)
FRONT IDLER (STD. TRACK)
FRONT IDLER (LC TRACK)
ADJUSTER
UPPER ROLLER (STD. TRACK)
UPPER ROLLER (LC TRACK)
LOWER ROLLER (STD. TRACK)
LOWER ROLLER (LC TRACK)
TRACK-LINK 600G (STD. TRACK)
TRACK-LINK 600G (LC TRACK)
TRACK-LINK 750G (STD. TRACK)
TRACK-LINK 750G (LC TRACK)
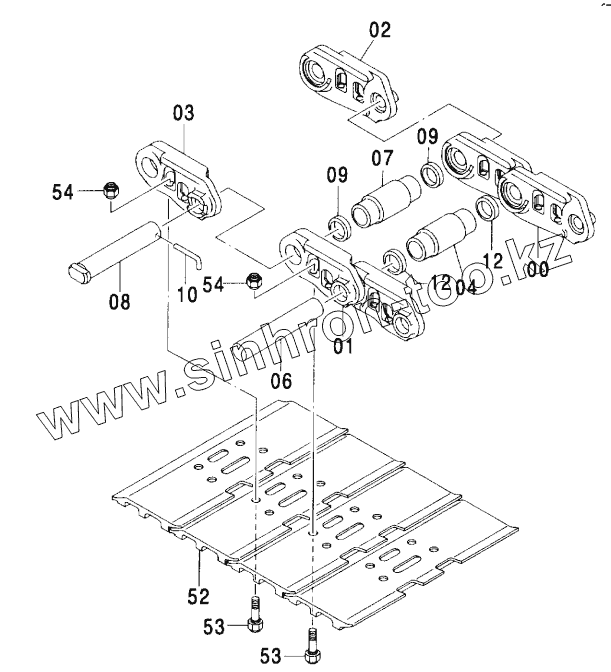
TRACK-LINK 900G (STD. TRACK)
TRACK-LINK 900G (LC TRACK)
CENTER JOINT
TRAVEL PIPING (STD. TRACK)
TRAVEL PIPING (LC TRACK)
TRAVEL PIPING COVER (STD. TRACK)
TRAVEL PIPING COVER (LC TRACK)
LUBRICATE PIPING (SWING BEARING)
STD. BOOM 7.6M
HD BOOM 7.6M
BE BOOM 6.6M
LONG BOOM 9.2M
BOOM PARTS
STD. ARM 3.5M
HD ARM 3.4M
BE ARM 2.9M
SHORT ARM 2.9M
SEMI-LONG ARM 4.1M
LONG ARM 5.2M
BUCKET 2.0 [JIS94]
BUCKET 2.3 [JIS 94]
BUCKET 2.5 [JIS 94]
BUCKET 2.7 [JIS 94]
BUCKET 2.9 [JIS 94]
ROCK BUCKET 2.8 [JIS 94]
ROCK BUCKET 3.3 [JIS 94]
RIPPER BUCKET 1.5 [JIS 94]
ONE-POINT RIPPER
FRONT PIPING (1) [STD. BOOM, HD BOOM]
FRONT PIPING (2) [STD. BOOM, HD BOOM]
FRONT PIPING (BE BOOM)
FRONT PIPING (LONG BOOM)
FRONT PIPING (LONG ARM)
LUBRICATE PIPING (STD. BOOM. HD BOOM)
LUBRICATE PIPING (BE BOOM)
LUBRICATE PIPING (LONG BOOM)
LUBRICATE PIPING (STD. ARM)
LUBRICATE PIPING (HD ARM)
LUBRICATE PIPING (SHORT ARM. BE ARM)
LUBRICATE PIPING (SEMI-LONG ARM)
AUTO. LUBRICATE SYSTEM (BASIC MACHINE)
AUTO. LUBRICATE SYSTEM (STD. BOOM, HD BOOM)
AUTO. LUBRICATE SYSTEM (BE BOOM)
AUTO. LUBRICATE SYSTEM (STD. ARM)
AUTO. LUBRICATE SYSTEM (HD ARM)
AUTO. LUBRICATE SYSTEM (BE ARM)
AUTO. LUBRICATE SYSTEM (SEMI-LONG ARM)
HOSE RUPTURE VALVE PIPING (BOOM CYL.): 1
HOSE RUPTURE VALVE PIPING (BOOM CYL.): 2
HOSE RUPTURE VALVE PIPING (BOOM CYL.): 3
HOSE RUPTURE VALVE PIPING (ARM CYL.): 1
HOSE RUPTURE VALVE PIPING (ARM CYL.): 2
MAIN PIPING (BREAKER)
FILTER (BREAKER)
CONTROL PEDAL (BREAKER & CRUSHER)
CONTROL PEDAL (BREAKER) <ACCELERATOR PEDAL TYPE>
PILOT PIPING: 1 (BREAKER)
PILOT PIPING: 2 (BREAKER & CRUSHER)
PILOT PIPING: 2 (BREAKER) <ACCELERTOR PEDAL TYPE>
PILOT PIPING: 3 (BRAKER & CRUSHER)
ELECTRIC PARTS (BREAKER)
HOUR METER (BREAKER)
OKADA/FURUKAWA BREAKER PIPING (BOOM)
NPK BREAKER PIPING (BOOM)
BREAKER PIPING (ARM)
COMMON PIPING (BREAKER & CRUSHER)
COUNTERWEIGHT (REMOVAL DEVICE)
COUNTERWEIGHT LIFTING DEVICE
CYLINDER (REMOVAL DEVICE)
CONTROL SYSTEM (REMOVAL DEVICE)
PILOT PIPING (REMOVAL DEVICE)
HIGH-PRESSURE PIPING (REMOVAL DEVICE)
TOOLS
9142244
9137494
4295788
1
2
3
4
6
7
8
9
9
10
12
12
52
53
53
54
54
Позиция на иллюстрации
Заводской номер детали
Название детали
9142244
9142244
TRACK-LINK ASSY
9137494
9137494
TRACK-LINK ASSY
4295788
4295788
TRACK-LINK
1
4295789
TRACK-LINK
2
4295790
TRACK-LINK, M
3
4295791
TRACK-LINK, M
4
4295792
BUSHING, TRACK
6
4326065
PIN, LINK
7
4295795
BUSHING, MASTER
8
4326066
PIN, MASTER
9
4512403
COLLAR
10
4037584
PIN
12
4295798
SEAL
52
4436001
SHOE
53
4295784
BOLT, SHOE
54
4295785
NUT
Содержащиеся в справочниках-каталогах запасные части и детали не предлагаются к продаже, а носят исключительно информационный характер
Дополнительная информация
×
Название:
Номер:
Примечание: