Вернуться на главную
Поиск
Каталоги запчастей к технике
Спецтехника
Hitachi
ZX-450
BOOM LIGHT (R) (WITH LIGHT COVER) <460>
Каталог запасных частей к технике: Hitachi ZX-450. BOOM LIGHT (R) (WITH LIGHT COVER) <460>
zoom-in
zoom-out
enlarge
shrink
circle-right
circle-left
file-text2
info
cart
Тип техники
Не выбрано
Легковые автомобили
Грузовые автомобили и прицепы
Автобусы
Сельхозтехника
Спецтехника
Двигатели
Мототехника
Марка
Не выбрано
Ammann
BOMAG
CARMIX
CASE IH
Changlin
ChengGong
Dimex
Doosan
DYNAPAC
Foton
HAMM
Hidromek
Hitachi
Hyundai
JCB
JLG
John Deere
Komatsu
LIEBHERR
LiuGong
Lonking (LongGong)
Luneng
MANITOU
Mitsuber
New Holland
PENGPU
RM-Terex
SANY
SDLG
SEM
Shantui
Shehwa HBXG
Soosan
TIGARBO
VOGELE
Volvo
WAY
WIRTGEN
XCMG
XGMA
Xiamen
YTO
Yuchai
Zoomlion
Автокран
АЗСМ
Алтайлесмаш
Амкодор
АОМЗ
Атек
АТЗ
Балканкар Рекорд
БелАЗ
Беловеж
Борекс
Брянский Арсенал
Булат
ВЭКС
ГАЗ
Геомаш
Гидромаш
Донекс
Дормаш
Дормашина
Дорэлектромаш
ДЭЗ
ЕлАЗ
ЗЗГТ
Ижнефтемаш
Канаш-электрокар
КЗКТ
ККЗ
Клевер
Клинцовский автокрановый завод
КМЗ
КМЗ 1 Мая
Ковровец
Коммаш
Кранэкс
КЭЗ
КЭМЗ
ЛЗА
МАЗ
МЗИК
МЗКМ
МЗКТ
Михневский РМЗ
МоАЗ
Мозырский МЗ
МТЗ
ОЗП
Онежец
ПАО "ТЗА"
ППС Детва
Промтрактор
ПТЗ
Раскат
СпецАгрегат
ТВЭКС
ТТМ
УВЗ
Угличмаш
УЗТМ
ХТЗ
ЧЗКМ
ЧСДМ
ЧТЗ
ЭКСКО
ЭКСМАШ
ЮрМаш
Модель
Не выбрано
EX-100-2 (2000)
EX-100-3 (2008)
EX-100WD (2008)
EX-120 (2008)
EX-120-2 (2008)
EX-160WD (2008)
EX-200 (2008)
EX-200-2 (2008)
EX-200-3
EX-220 (2008)
EX-220-2 (2008)
EX-270 (2008)
EX-300 (2008)
EX-300-2 (2000)
EX-400 Type A (2006)
EX-400 Type B (2006)
EX-60 (2003)
EX-60-2 (2000)
EX-60-3 (2008)
EX-70 (2017)
LX-110-7 (2008)
LX-130-7 (2008)
LX-150-2 (2008)
LX-160-7 (2008)
LX190-7/LX230-7 (2008)
Zaxis 190-3
ZAXIS 200-5A (2018)
ZAXIS 200LC-5A (2018)
ZAXIS 210H-5A (2018)
ZAXIS 210K-5A (2018)
ZAXIS 210LCH-5A (2018)
ZAXIS 210LCK-5A (2018)
ZAXIS 330-5G (2017)
ZAXIS 350H-5G (2017)
ZAXIS 48U-5A (2020)
ZAXIS 850-3
ZAXIS 870H-3
ZX-110 (2008)
ZX-160W (2008)
ZX-200 (2008)
ZX-230 (2008)
ZX-25 (2008)
ZX-270 (2008)
ZX-330 (2010)
ZX-330-3 (Part № PIHH-I-3) (2008)
ZX-330-3 (Part № PIHH-I-5) (2013)
ZX-330-3G (2008)
ZX-400R-3 (2010)
ZX-450 (2006)
ZX-600 (2007)
Компоненты EX-100-2 (2000)
Компоненты EX-100WD (2008)
Компоненты EX-120 (2008)
Компоненты EX-120-2 (2008)
Компоненты EX-160WD (2008)
Компоненты EX-200 (2008)
Компоненты EX-200-2 (2008)
Компоненты EX-200-3(LC, H)
Компоненты EX-220 (2008)
Компоненты EX-220-2 (2008)
Компоненты EX-270 (2008)
Компоненты EX-300 (2008)
Компоненты EX-300-2 (2000)
Компоненты EX-400 Type A (2006)
Компоненты EX-400 Type B (2006)
Компоненты EX-60 (2003)
Компоненты EX-60-2 (2000)
Компоненты EX-60-3 (2008)
Компоненты ZAXIS 450, 470, 500, 520 (2010)
Компоненты ZX-110 (2008)
Компоненты ZX-120 (130) (2008)
Компоненты ZX-160W (2008)
Компоненты ZX-200 (2008)
Компоненты ZX-230 (2008)
Компоненты ZX-270 (2008)
Компоненты ZX-330 (2008)
Компоненты ZX-450 (2006)
Схема
>
Не выбрано
FRAME (1) (RIDE-ON TYPE COUNTERWEIGHT) <450, H, MT, MTH>
FRAME (1) (FIT-IN TYPE COUNTERWEIGHT) <450, H, MT, MTH>
FRAME (1) (FIT-IN TYPE COUNTERWEIGHT) <460>
FRAME (2) <450, H, MT, MTH>
FRAME (2) <460>
FRAME (3)
COUNTERWEIGHT (RIDE-ON TYPE) <450, H, MT, MTH>
COUNTERWEIGHT SUPPORT (RIDE-ON TYPE) <450, H, NIT, MTH>
COUNTERWEIGHT (FIT-IN TYPE) <450, H, MT, MTH>
COUNTERWEIGHT (FIT-IN TYPE) <460>
COUNTERWEIGHT SUPPORT (FIT-IN TIPE)
ENGINE
ENGINE SUPPORT (RIDE-ON TYPE COUNTERWEIGHT) <450, H, MT, MTH>
ENGINE SUPPORT (FIT-IN TYPE COUNTERWEIGHT)
OIL FILTER PIPING
ENGINE OIL DRAIN PIPING
RADIATOR
RADIATOR SUPPORT 9RIDE-ON TYPE COUNTERWEIGHT) <450, H, MT, MTH>
RADIATOR SUPPORT (FIT-IN TYPE COUNTERWEIGHT)
RESERVE TANK <450, H, MT, MTH>
RESERVE TANK <460>
AIR CLEANER <450, H, MT, MTH>
AIR CLEANER <460>
PRE CLEANER <450, H, MT, MTH>
PRE CLEANER <460>
MUFFLER
FUEL PIPING <450, H, MT, MTH>
FUEL PIPING <460>
FUEL TANK <450, H, MT, MTH>
FUEL TANK <460>
FUEL DOUBLE FILTER
FUEL FEED PUMP <450, H, MT, MTH>
FUEL FEED PUMP <460>
PUMP DEVICE
SWING DEVICE: RIGHT (1)
SWING DEVICE: RIGHT (2)
SWING DEVICE: LEFT (1)
SWING DEVICE: LEFT (2)
SWING DEVICE SUPPORT
OIL TANK
SUCTION PIPING
DELIVERY PIPING
RETURN PIPING <450, H, MT, MTH>
RETURN PIPING <460>
DRAIN PIPING (1)
DRAIN PIPING (2)
MAIN PIPING (1) <450, H, MT, MTH>
MAIN PIPING (1) <460>
MAIN PIPING (2) <450, H, MT, MTH>
MAIN PIPING (2)
MAIN PIPING (3)
ENGINE CONTROL CABLE
ENGINE CONTROL MOTOR
ENGINE STOP CABLE
CONTROL LEVER (FRONT & SWING)
CONTROL LEVER (TRAVEL) <450, H, MT, MTH>
CONTROL LEVER (TRAVEL) <460>
LOCK LEVER
CONTROL VALVE
PILOT PIPING (1)
PILOT PIPING (2-1)
PILOT PIPING (2-2)
PILOT PIPING (3) <450, H, MT, MTH>
PILOT PIPING (3) <460>
PILOT PIPING (4-1) <450, H, MT, MTH>
PILOT PIPING (4-2) <450, H, MT, MTH>
PILOT PIPING (4-1) <460>
PILOT PIPING (4-2) <460>
PILOT PIPING (5-1)
PILOT PIPING (5-2)
PILOT PIPING (5-3)
PILOT PIPING (6-1)
PILOT PIPING (6-2)
PILOT PIPING (6-3)
PILOT PIPING (7-1)
PILOT PIPING (7-2)
CONSOLE
CONSOLE COVER
CONSOLE COVER (EXPORT) <450, H, MT, MTH>
RIGHT COVER
RIGHT COVER (EXPORT) <450,H,ML MTH>
MONITOR
RADIO (AM/FM)
CONTROL UNIT
ELECTRIC PARTS (1) <450, H, MT, MTH>
ELECTRIC PARTS (1) <460>
ELECTRIC PARTS (2)
ELECTRIC PARTS (3)
ELECTRIC PARTS (4) <450, H, MT. MTH>
ELECTRIC PARTS (4) <460>
ELECTRIC PARTS (5) <450, H, MT, MTH>
ELECTRIC PARTS (5) <460>
ELECTRIC PARTS (6) <450, H, MT, MTH>
ELECTRIC PARTS (6) <460>
ELECTRIC PARTS (7) (DOMESTIC) <450, H, MT, MTH>
ELECTRIC PARTS (7) (EXPORT) <450, H, MT, MTH>
ELECTRIC PARTS (7) (EXPORT) <460>
HEAD LAMP <450>
FOG LAMP (1) <H,MTH>
FOG LAMP (2)
BOOM LIGHT (R) (WITH LIGHT COVER) <460>
OVER LOAD ALARM (1)
OVER LOAD ALARM (2)
MOTION ALARM
AIR-CONDITIONER (1)
AIR-CON. UNIT
AIR-CONDITIONER (2-1) <450, H, MT, MTH>
AIR-CONDITIONER (2-2) <450, H, MT, MTH>
AIR-CONDITIONER (2-1) <460>
AIR-CONDITIONER (2-2) <460>
COMPRESSOR
CAR HEATER (1)
CAR HEATER (2)
DUCT (AIR-CON.)
DUCT (HEATER)
REAR BOX (AIR-CON.)
REAR BOX (12V POWER SUPPLY)
CAB SUPPORT <450,460,MT>
CAB <450, MT>
CAB (STD) <460>
CAB (WITH GUARD SEAT) <460>
CAB (WITH VANDAL HOOK) <460>
CAB (OPG) <460>
CAB (1) <450,460,MT>
CAB (2) <450,MT>
CAB (2) <460>
CAB (3) <450,460,MT>
CAB (3) (WITH VANDAL HOOK) <460>
CAB (4) <450,460,MT>
CAB (5) <450,MT>
CAB (5) <460>
CAB (6) <450,MT>
CAB (6) <460>
CAB (7) <450,460,MT>
CAB (8) (OPG) <460>
CAB GUARD <450, 460, MT>
CAB GUARD (OPG) <460>
WINDOW GUARD <460>
CAB SUPPORT <H, MTH>
CAB PARTS <H.MTH>
CAB <H, MTH>
CAB (1) <H,MTH>
SASH <H,MTH>
REAR WINDOW <H, MTH>
REAR WINDOW <H, MTH>
CAB (2) <H,MTH>
CAB (3) <H,MTH>
DOOR CATCH <H,MTH>
CAB (4) <H,MTH>
FRONT GUARD <H. MTH>
SUNSHADE <450,460, MT>
SUNVISOR <H,MTH>
SUNVISOR <460>
EXT INGUISHER <H,MTH>
EXTINGUISHER (CAB OUTSIDE) <450,H>
REARVIEW MIRROR
WINDOW WASHER
FLOOR PARTS
FLOOR PLATE
SEAT
SUSPENSION SEAT (WITH HEATER) <460>
AIR-SUSPENSION SEAT (WITH HEATER) <460>
HEATER SEAT PARTS <460>
SEAT BELT
SEAT BELT (SUSPENSION SEAT) <460>
SEAT BELT (AIR-SUSPENSION SEAT) <460>
SEAT STAND <DOMESTIC>
SEAT STAND
COVER (1)
COVER (2-1) <450, H, MT, MTH>
COVER (2-2) <450, H, MT, MTH>
COVER (2-3) <450, H, MT, MTH>
COVER (2-1) <460>
COVER (2-2) <460>
COVER (2-3) <460>
COVER (3-1) <450, H, MT, MTH>
COVER (3-2) <450, H, MT, MTH>
COVER (3-3) <450, H, MT, MTH>
COVER (3-1) <460>
COVER (3-2) <460>
COVER (3-3) <460>
COVER (4-1) <450, H, MT, MTH>
COVER (4-2) <450, H, MT, MTH>
COVER (4-1) <460>
COVER (4-2) <460>
COVER (5) (RIDE-ON TYPE COUNTERWEIGHT) <450,H,MT, MTH>
COVER (5) (FIT-IN TYPE COUNTERWEIGHT)
LUBRICATOR BOX <450,H,ML MTH>
LUBRICATOR BOX <460>
ENGINE COVER <450, H, MT, MTH>
ENGINE COVER <450, H, MT, MTH>
ENGINE COVER <460>
UNDER COVER <450, MT>
UNDER COVER <460>
UNDER COVER <H, MTH>
HANDRAIL
ELECTRIC GREASE GUN
TRACK FRAME (STD. TRACK)
TRACK FRAME (LC TRACK) <450LC, 450LCH>
TRACK FRAME (LC TRACK) <460>
TRACK FRAME (MT TRACK)
TRACK SIDE STEP <450>
TRACK SIDE STEP <460>
TRACK SIDE STEP <H>
TRACK SIDE STEP <MT>
TRACK SIDE STEP <MTH>
ADDITIONAL STEP <460>
TRACK GUARD <450>
TRACK GUARD <450LC>
TRACK GUARD <450H>
TRACK GUARD <450LCH, 460LCH>
TRACK GUARD <480MT>
TRACK GUARD <480MTH>
FULL-LENGTH TRACK GUARD (STD. TRACK)
FULL-LENGTH TRACK GUARD (LC TRACK)
FULL-LENGTH TRACK GUARD (MT TRACK)
TRACK UNDER COVER <460>
SWING BEARING <450, H, MT, MTH>
SWING BEARING <460>
TRAVEL DEVICE (STD. TRACK, LC TRACK)
TRAVEL DEVICE (MT TRACK)
TRANSMISSION (TRAVEL) (MT TRACK)
FRONT IDLER (L) (STD. TRACK)
FRONT IDLER (R) (STD. TRACK)
FRONT IDLER (LC TRACK)
FRONT IDLER (MT TRACK)
ADJUSTER (STD. TRACK, LC TRACK)
ADJUSTER (MT TRACK)
UPPER ROLLER (STD. TRACK)
UPPER ROLLER (LC TRACK)
UPPER ROLLER (MT TRACK)
LOWER ROLLER (STD. TRACK)
LOWER ROLLER (LC TRACK)
LOWER ROLLER (MT TRACK)
TRACK-LINK 600G (STD. TRACK)
TRACK-LINK 600G (LC TRACK)
TRACK-LINK 600G (MT TRACK)
TRACK-LINK 750G (STD. TRACK)
TRACK-LINK 750G (LC TRACK)
TRACK-LINK 750G (MT TRACK)
TRACK-LINK 900G (LC TRACK)
TRACK-LINK 900G (MT TRACK)
CENTER JOINT
TRAVEL PIPING (STD. TRACK)
TRAVEL PIPING (LC TRACK, MT TRACK)
TRAVEL PIPING COVER (STD. TRACK, LC TRACK)
TRAVEL PIPING COVER (MT TRACK)
LUBRICATE PIPING (SWING BEARING)
STD. BOOM 7.0M <450, MT>
H BOOM 7.0M <H, MTH, 460>
BE BOOM 6.3M
BOOM PARTS
STD. ARM 3.4M
SHORT ARM 2.9M <450, H, MT, MTH>
LONG ARM 4.9M <450, H, MT, MTH>
SEMI-LONG ARM 3.9M
H ARM 3.4M <H,MTH,460>
BE ARM 2.9M
BUCKET 1.15 (JIS 94) <450, H, MT, MTH>
BUCKET 1.4 (JIS 94) <450, H, MT, MTH>
BUCKET 1.6 ( JIS 94)
BUCKET 1.9 (JIS 94)
BUCKET 2.1 (JIS 94)
BUCKET 2.3 (JIS 94)
ROCK BUCKET 1. 9 [J IS 94)
ROCK BUCKET 1.9 (JIS 94) (SIDEBAR-TYPE)
RIPPER BUCKET 1.3 (JIS 94)
ONE-POINT RIPPER
FRONT PIPING (STD. BOOM, H BOOM)
FRONT PIPING (BE BOOM)
FRONT PIPING (STD. ARM, H ARM)
FRONT PIPING (BE ARM)
FRONT PIPING (SHORT ARM) <450, H, MT, MTH>
FRONT PIPING (LONG ARM) <450, H, MT, MTH>
FRONT PIPING (SEMI-LONG ARM)
AUTO. LUBRICATE SYSTEM <450, H, MT, MTH>
AUTO. LUBRICATE SYSTEM <460>
AUTO. LUBRICATE PIPING (BOOM): 1 <450, H, MT, MTH>
AUTO. LUBRICATE PIPING (BOOM): 1 <450, H, MT, MTH>
AUTO. LUBRICATE PIPING (BOOM): 2 <450, H, MT, MTH>
AUTO. LUBLICATE PIPING (ARM): 1 <450, H, HT, MTH>
AUTO. LUBRICATE PIPING (ARM): 2 <450, H, MT, MTH>
AUTO. LUBRICATE PIPING (BOOM): DIVIDER VALVE 1 <450, H, MT, MTH>
AUTO. LUBRICATE PIPING (BOOM): DIVIDER VALVE 2 <450, H, MT, MTH>
AUTO. LUBRICATE PIPING (ARM): DIVIDER VALVE <450, H, MT, MTH>
LUBRICATE PIPING (BOOM)
LUBRICATE PIPING (BE BOOM)
LUBRICATE PIPING (ARM)
LUBRICATE PIPING (BE ARM)
HOSE RUPTURE VALVE PIPING (BOOM): 1
HOSE RUPTURE VALVE PIPING (BOOM): 2
HOSE RUPTURE VALVE PIPING (BOOM): 3
HOSE RUPTURE VALVE PIPING (BOOM): 4
HOSE RUPTURE VALVE PIPING (ARM): 1
HOSE RUPTURE VALVE PIPING (ARM): 2
HOSE RUPTURE VALVE PIPING (BE ARM): 2
HOSE RUPTURE VALVE PIPING (ARM): 3
LOADER FRONT (1) <450, H, MT, MTH>
LOADER FRONT (2) <450, H, MT, MTH>
LOADER MAIN PIPING (1) <450, H, MT, MTH>
LOADER MAIN PIPING (2) <450, H, MT, MTH>
LOADER CONTROL LEVER <450, H, MT, MTH>
LOADER PILOT PIPING (1) <450, H, MT, MTH>
LOADER PILOT PIPING (2-1) <450,H,MT, MTH>
LOADER PILOT PIPING (2-2) <450, H. MT. MTH>
LOADER FRONT PIPING (1) <450, H, MT, MTH>
LOADER FRONT PIPING (2) <450, H, MT, MTH>
LOADER LUBRICATE PIPING <450, H, MT, MTH>
LOADER BUCKET 2. 3 (BOTTOM DUMP) <450, H, MT, MTH>
LOADER BUCKET 2.6 (BOTTOM DUMP) <450, H, MT, MTH>
MAIN PIPING (BREAKER) <450, H, MT, MTH>
MAIN PIPING (BREAKER) <460>
FILTER (BREAKER)
CONTROL PEDAL (BREAKER)
CONTROL PEDAL (BREAKER)
CONTROL PEDAL (BREAKER) [ACCELERATOR PEDAL TYPE]
PILOT PIPING: 1 (BREAKER)
PILOT PIPING: 1 (BREAKER)
PILOT PIPING: 2 (BREAKER)
PILOT PIPING: 2 (BREAKER)
PILOT PIPING: 2 (BREAKER) [ACCELERTOR PEDAL TYPE]
BREAKER PARTS
ELECTRIC PARTS (BREAKER)
BOOM PARTS (BREAKER)
ARM PARTS (BREAKER)
FRONT PIPING: 1 (OKADA/FURUKAWA BREAKER) (STD. BOOM, H BOOM) <450,H,MT, MTH>
FRONT PIPING: 2 (OKADA/FURUKAWA BREAKER) (STD. BOOM, H BOOM) <450,H,MT, MTH>
FRONT PIPING: 1 (NPK BREAKER) <450, H,MT,MTH>
FRONT PIPING: 2 (NKP BREAKER) <450, H,MT,MTH>
BOOM PIPING (STD. BOOM, H BOOM) (BREAKER & CRUSHER)
BOOM PIPING (BE BOOM) (BREAKER & CRUSHER)
ARM PIPING (STD. ARM, H ARM) (BREAKER & CRUSHER)
ARM PIPING (BE ARM) (BREAKER & CRUSHER)
COMMON PIPING (BRAKER & CRUSHER)
PILOT PIPING (BRAKER & CRUSHER)
NAME-PLATE (BREAKER) <450, H, MT, MTH>
ELECTRIC TYPE CONTROL PARTS <460>
QUICKHITCH PIPING (STD. BOOM, H BOOM) <460>
QUICKHITCH PIPING (BE BOOM) <460>
QUICKHITCH PIPING (STD. ARM, H ARM) <460>
QUICKHITCH PIPING (BE ARM) <460>
QUICKHITCH PIPING (SEMI-LONG ARM) <460>
ASSIST PIPING (STD. BOOM, H BOOM)
ASSIST PIPING (BE BOOM)
ASSIST PIPING (STD. ARM, H ARM)
ASSIST PIPING (BE ARM)
ASSIST PIPING (SEMI-LONG ARM)
QUICKHITCH / ASSIST COMMON PARTS (STD. BOOM, H BOOM)
QUICKHITCH / ASSIST COMMON PARTS (BE BOOM)
CLAMSHELL PIPING (STD. ARM, H ARM)
CLAMSHELL PIPING (BE ARM)
CLAMSHELL PIPING (SEMI-LONG ARM)
COUNTERWEIGHT (REMOVAL DEVICE) <450, H, MT, MTH>
C/W LIFTING DEVICE <450,H, MT, MTH>
CYLINDER (REMOVAL DEVICE) <450,H,MT, MTH>
CONTROL SYSTEM (REMOVAL DEVICE) <450,H,MT, MTH>
PILOT PIPING (REMOVAL DEVICE) <450, H, MT, MTH>
HIGH-PRESSURE PIPING (REMOVAL DEVICE) <450,H,MT, MTH>
TOOLS
NAME-PLATE (1) <450, MT>
NAME-PLATE (1) <H, MTH>
NAME-PLATE (1) <460>
NAME-PLATE (2) <450,MT>
NAME-PLATE (2) <H, MTH>
NAME-PLATE (2) <460>
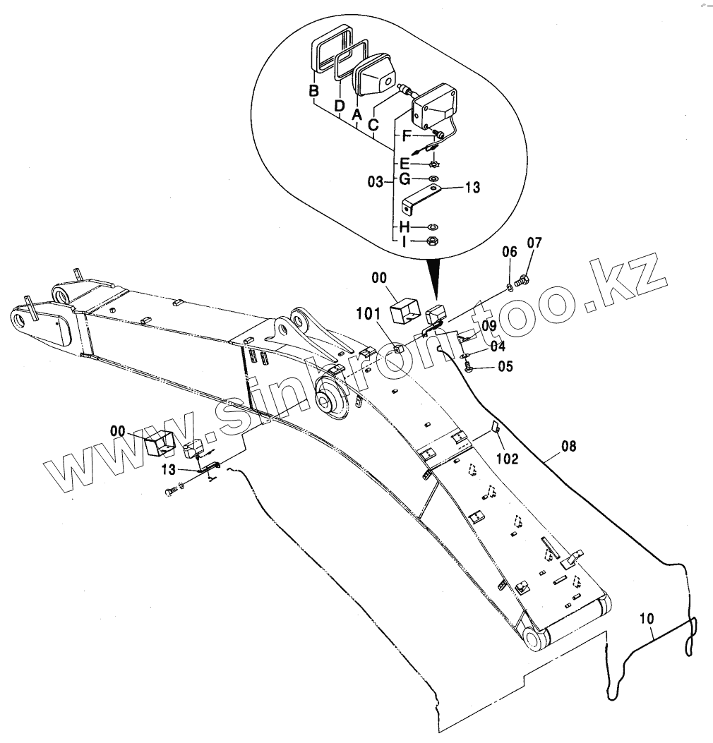
00
00
03
03
03A
03B
03C
03D
03E
03F
03G
03H
03I
04
05
06
07
08
09
10
13
13
101
102
Позиция на иллюстрации
Заводской номер детали
Название детали
00
8091044
COVER
03
4336570
LAMP, HEAD
03
4326800
LAMP, HEAD
03A
4326801
LENS, UNIT
03B
4326802
FRAME
03C
4285648
BULB
03D
4326803
GASKET
03E
4307026
WASHER
03F
4307027
SCREW
03G
А590114
WASHER, PLANE
03H
A590914
WASHER, SPRING
03I
J952014
NUT
04
A590906
WASHER, SPRING
05
M430610
SCREW
06
A590914
WASHER, SPRING
07
J901425
BOLT
08
4271787
HARNESS WIRE
09
4271788
HARNESS, WIRE
10
4471222
HARNESS, WIRE
13
4602796
BRACKET
101
4224632
SEAT, SCREW
102
434841
CLIP, WD.
Содержащиеся в справочниках-каталогах запасные части и детали не предлагаются к продаже, а носят исключительно информационный характер
Дополнительная информация
×
Название:
Номер:
Примечание: