Вернуться на главную
Поиск
Каталоги запчастей к технике
Спецтехника
Hitachi
ZX-330-3G
FRAME Model:K
Каталог запасных частей к технике: Hitachi ZX-330-3G. FRAME Model:K
zoom-in
zoom-out
enlarge
shrink
circle-right
circle-left
file-text2
info
cart
Тип техники
Не выбрано
Легковые автомобили
Грузовые автомобили и прицепы
Автобусы
Сельхозтехника
Спецтехника
Двигатели
Мототехника
Марка
Не выбрано
Ammann
BOMAG
CARMIX
CASE IH
Changlin
ChengGong
Dimex
Doosan
DYNAPAC
Foton
HAMM
Hidromek
Hitachi
Hyundai
JCB
JLG
John Deere
Komatsu
LIEBHERR
LiuGong
Lonking (LongGong)
Luneng
MANITOU
Mitsuber
New Holland
PENGPU
RM-Terex
SANY
SDLG
SEM
Shantui
Shehwa HBXG
Soosan
TIGARBO
VOGELE
Volvo
WAY
WIRTGEN
XCMG
XGMA
Xiamen
YTO
Yuchai
Zoomlion
Автокран
АЗСМ
Алтайлесмаш
Амкодор
АОМЗ
Атек
АТЗ
Балканкар Рекорд
БелАЗ
Беловеж
Борекс
Брянский Арсенал
Булат
ВЭКС
ГАЗ
Геомаш
Гидромаш
Донекс
Дормаш
Дормашина
Дорэлектромаш
ДЭЗ
ЕлАЗ
ЗЗГТ
Ижнефтемаш
Канаш-электрокар
КЗКТ
ККЗ
Клевер
Клинцовский автокрановый завод
КМЗ
КМЗ 1 Мая
Ковровец
Коммаш
Кранэкс
КЭЗ
КЭМЗ
ЛЗА
МАЗ
МЗИК
МЗКМ
МЗКТ
Михневский РМЗ
МоАЗ
Мозырский МЗ
МТЗ
ОЗП
Онежец
ПАО "ТЗА"
ППС Детва
Промтрактор
ПТЗ
Раскат
СпецАгрегат
ТВЭКС
ТТМ
УВЗ
Угличмаш
УЗТМ
ХТЗ
ЧЗКМ
ЧСДМ
ЧТЗ
ЭКСКО
ЭКСМАШ
ЮрМаш
Модель
Не выбрано
EX-100-2 (2000)
EX-100-3 (2008)
EX-100WD (2008)
EX-120 (2008)
EX-120-2 (2008)
EX-160WD (2008)
EX-200 (2008)
EX-200-2 (2008)
EX-200-3
EX-220 (2008)
EX-220-2 (2008)
EX-270 (2008)
EX-300 (2008)
EX-300-2 (2000)
EX-400 Type A (2006)
EX-400 Type B (2006)
EX-60 (2003)
EX-60-2 (2000)
EX-60-3 (2008)
EX-70 (2017)
LX-110-7 (2008)
LX-130-7 (2008)
LX-150-2 (2008)
LX-160-7 (2008)
LX190-7/LX230-7 (2008)
Zaxis 190-3
ZAXIS 200-5A (2018)
ZAXIS 200LC-5A (2018)
ZAXIS 210H-5A (2018)
ZAXIS 210K-5A (2018)
ZAXIS 210LCH-5A (2018)
ZAXIS 210LCK-5A (2018)
ZAXIS 330-5G (2017)
ZAXIS 350H-5G (2017)
ZAXIS 48U-5A (2020)
ZAXIS 850-3
ZAXIS 870H-3
ZX-110 (2008)
ZX-160W (2008)
ZX-200 (2008)
ZX-230 (2008)
ZX-25 (2008)
ZX-270 (2008)
ZX-330 (2010)
ZX-330-3 (Part № PIHH-I-3) (2008)
ZX-330-3 (Part № PIHH-I-5) (2013)
ZX-330-3G (2008)
ZX-400R-3 (2010)
ZX-450 (2006)
ZX-600 (2007)
Компоненты EX-100-2 (2000)
Компоненты EX-100WD (2008)
Компоненты EX-120 (2008)
Компоненты EX-120-2 (2008)
Компоненты EX-160WD (2008)
Компоненты EX-200 (2008)
Компоненты EX-200-2 (2008)
Компоненты EX-200-3(LC, H)
Компоненты EX-220 (2008)
Компоненты EX-220-2 (2008)
Компоненты EX-270 (2008)
Компоненты EX-300 (2008)
Компоненты EX-300-2 (2000)
Компоненты EX-400 Type A (2006)
Компоненты EX-400 Type B (2006)
Компоненты EX-60 (2003)
Компоненты EX-60-2 (2000)
Компоненты EX-60-3 (2008)
Компоненты ZAXIS 450, 470, 500, 520 (2010)
Компоненты ZX-110 (2008)
Компоненты ZX-120 (130) (2008)
Компоненты ZX-160W (2008)
Компоненты ZX-200 (2008)
Компоненты ZX-230 (2008)
Компоненты ZX-270 (2008)
Компоненты ZX-330 (2008)
Компоненты ZX-450 (2006)
Схема
>
Не выбрано
FRAME Model:330, H
FRAME Model:K
BOOM FOOT PIN
CENTER JOINT PARTS (UPPERSTRUCTURE)
COUNTERWEIGHT Model:330
COUNTERWEIGHT Model:H
COUNTERWEIGHT Model:K
ENGINE
ENGINE SUPPORT
OIL FILTER PIPING
INTERCOOLER PIPING Serial No.:030001-031281,031520-031526,031530,031533-031534,031538-031548,031550-031593
INTERCOOLER PIPING Serial No.:031282-031519,031527-031529,031531-031532,031535-031537,031549,031594-
INTERCOOLER NET
RADIATOR Serial No.:030001-031281,031520-031526,031530,031533-031534,031538-031548,031550-031593
RADIATOR Serial No.:031282-031519,031527-031529,031531-031532,031535-031537,031549,031594-
RADIATOR SUPPORT Serial No.:030001-031281,031520-031526,031530,031533-031534,031538-031548,031550-031593
RADIATOR SUPPORT Serial No.:031282-031519,031527-031529,031531-031532,031535-031537,031549,031594-
RADIATOR COVER Serial No.:030001-031281,031520-031526,031530,031533-031534,031538-031548,031550-031593
RADIATOR COVER Serial No.:031282-031519,031527-031529,031531-031532,031535-031537,031549,031594-
RESERVE TANK
AIR CLEANER
AIR CLEANER SUPPORT
AIR CLEANER PARTS
PRE-CLEANER
PRE-CLEANER PARTS
MUFFLER
FUEL TANK
FUEL TANK SUPPORT
FUEL PIPING
FUEL FEED PUMP
FUEL DOUBLE FILTER
PUMP DEVICE
PUMP DEVICE SUPPORT
SWING DEVICE
SWING DEVICE SUPPORT
OIL TANK Model: 330, H
OIL TANK Model: K
SUCTION PIPING
DELIVERY PIPING
RETURN PIPING (1) Serial No.:030001-031281,031520-031526,031530,031533-031534,031538-031548,031550-031593
RETURN PIPING (1) Serial No.:031282-031519,031527-031529,031531-031532,031535-031537,031549,031594-
RETURN PIPING (2)
DRAIN PIPING
MAIN PIPING (1)
MAIN PIPING (2)
MAIN PIPING (3)
MAIN PIPING (4)
BOOM BOTTOM PIPING Model: 330, H
BOOM BOTTOM PIPING Model: K
SIDE BRANCH PIPING
ENGINE CONTROL
ENGINE CONTROL MOTOR
ENGINE STOP CABLE
CONTROL LEVER (FRONT, SWING)
CONTROL LEVER (TRAVEL) Model: 330, H
CONTROL LEVER (TRAVEL) Model: K
LOCK LEVER
CONTROL VALVE
CONTROL VALVE SUPPORT
SOLENOID VALVE
PILOT PIPING (1)
PILOT PIPING (2)
PILOT PIPING (3)
PILOT PIPING (4-1)
PILOT PIPING (4-2)
PILOT PIPING (5-1)
PILOT PIPING (5-2)
PILOT PIPING (5-3)
PILOT PIPING (6)
PILOT PIPING (7)
PILOT PIPING (8)
PILOT PIPING (9)
PILOT PIPING (10-1)
PILOT PIPING (10-2)
PILOT PIPING (11)
CONSOLE
CONSOLE COVER Model: 330, H
CONSOLE COVER Model: K
RIGHT COVER
RADIO (AM/FM)
CONTROL UNIT
ELECTRIC PARTS (A)
ELECTRIC PARTS (B)
ELECTRIC PARTS (C)
ELECTRIC PARTS (D)
ELECTRIC PARTS (E)
ELECTRIC PARTS (F)
SWITCH BOX (AUTO.ENGINE CONTROL)
SATELLITE DATA COMMUNICATOR PARTS
FRONT HEAD LAMP (2 LAMP)
REAR HEAD LAMP (1 LAMP)
ADD. FUSE
BOOM LIGHT HARNESS
BOOM LIGHT (R)
HORN
SWING MOTION ALARM
TRAVEL MOTION ALARM
AIR-CONDITIONER (1)
AIR-CONDITIONER UNIT
AIR-CONDITIONER (2)
AIR-CONDITIONER (3)
AIR-CONDITIONER (4)
CONDENSER NET
HEATER PIPING
DUCT
REAR BOX (AIR-CONDITIONER)
REAR BOX (WITHOUT HEATER)
REAR BOX (12V POWER SUPPLY)
12V POWER UNIT
CAB GROUP
CAB
CAB (WITH GUARD SEAT)
CAB Model: K
CAB (1) Model: 330, H
CAB (1) Model: K
CAB (2) Model: 330, H
CAB (2) (WITH GUARD SEAT)
CAB (2) Model: K
CAB (3)
CAB (4)
CAB (5)
CAB (6)
CAB (6) Model: K
CAB (7)
CAB (8) Model: K
CAB GUARD
CAB GUARD Model: K
CAB MIRROR
WINDOW WASHER
FLOOR PARTS
FLOOR PARTS (WITHOUT AIR-CONDITIONER)
FLOOR PLATE
SEAT (CLOTH)
SUSPENSION SEAT (CLOTH)
SEAT BELT (SUSPENSION SEAT)
SEAT STAND
SEAT STAND (SUSPENSION)
COVER (1)
COVER (2)
COVER (3)
COVER (4)
COVER (5)
COVER (6)
COVER (7)
COVER (8)
TROPICAL COVER
DOOR LOCK (1)
DOOR LOCK (2)
WEATHER STRIP
ENGINE COVER
TOOL BOX COVER
UNDER COVER Model: 330
UNDER COVER Model: 330
UNDER COVER Model: H, K
UNDER COVER Model: H, K
TRACK FRAME
TRACK GUARD
FULL-LENGTH TRACK GUARD Model: STD
FULL-LENGTH TRACK GUARD Model: LC
STEP
ADDITIONAL STEP
TRACK UNDER COVER
SWING BEARING
SWING BEARING PARTS Model: Mark
TRAVEL DEVICE Model: Mark
TRAVEL DEVICE SUPPORT Model: Mark
FRONT IDLER
ADJUSTER
UPPER ROLLER
LOWER ROLLER Model: STD
LOWER ROLLER Model: LC
TRACK-LINK Model: STD
TRACK-LINK Model: LC
CENTER JOINT
CENTER JOINT SUPPORT (TRACK)
TRAVEL PIPING Model: STD
TRAVEL PIPING Model: LC
TRAVEL MOTOR COVER
STD BOOM Model: 330
H BOOM Model: H
K BOOM Model: K
STD ARM 3.20m Model: 330
H ARM 2.67m Model: H
H ARM 3.20m Model: H
K ARM 3.20m Model: K
ARM 2.66m
ARM 4.00m
A LINK
A LINK (WELDED)
B LINK Model: 330
B LINK Model: H
B LINK Model: K
FRONT PIPING
BOOM CYLINDER (R)
BOOM CYLINDER (L)
ARM CYLINDER
BUCKET CYLINDER
LUBRICATE PIPING
AUTO. LUBRICATION SYSTEM
AUTO. LUBRICATE PIPING (BOOM)
AUTO. LUBRICATE PIPING (ARM)
BUCKET 1.15m3 (JIS 94)
BUCKET 1.4m3 (JIS 94)
K BUCKET 1.4m3 (JIS94) Model: K
BUCKET 1.4m3 (JIS 94)(SUPER V TOOTH)
BUCKET 1.4m3 (JIS 94)(SUPER V TOOTH, FOR TOOTH PLATE)
BUCKET 1.4m3 (JIS 94)(SIDE-PIN TOOTH)
BUCKET 1.62m3 (JIS 94)
BUCKET 1.86m3 (JIS 94)
ROCK BUCKET 1.15m3 (JIS 94)
ROCK BUCKET 1.38m3 (JIS 94)(SUPER V TOOTH)
ROCK BUCKET 1.38m3 (JIS 94)(SIDE-PIN TOOTH)
ROCK BUCKET 1.5m3 (JIS 94)(SUPER V TOOTH)
ROCK BUCKET 1.5m3 (JIS 94)(SIDE-PIN TOOTH)
ROCK BUCKET 1.80m3 (JIS 94)(SUPER V TOOTH)
RIPPER BUCKET 0.9m3 (JIS 94)
ONE POINT RIPPER
CONTROL PADEL (BREAKER, CRUSHER)
PILOT PIPING (BREAKER, CRUSHER)
MAIN PIPING (BREAKER, CRUSHER)
BOOM PIPING (BREAKER, CRUSHER)
ARM PIPING (BREAKER, CRUSHER)
NPK BREAKER PIPING (BREAKER, CRUSHER)
HSB BREAKER PIPING (BREAKER, CRUSHER)(BOOM)
NPK COMMON PIPING (BREAKER, CRUSHER)
HSB COMMON PIPING (BREAKER, CRUSHER)(BOOM)
PILOT PIPING (FLOW RATE SELECTOR)
MAIN PIPING (FLOW RATE SELECTOR)
ELECTRIC PART (FLOW RATE SELECTOR)
HIGH PERFORMANCE FILTER KIT
ELECTRIC TYPE CONTROL PARTS (ADD/P)
ELECTRIC TYPE CONTROL PARTS (PTO)
MAIN PIPING (PTO)(BOOM)
PILOT PIPING (PTO/V, FLOW RATE SELECTOR)
TOOLS
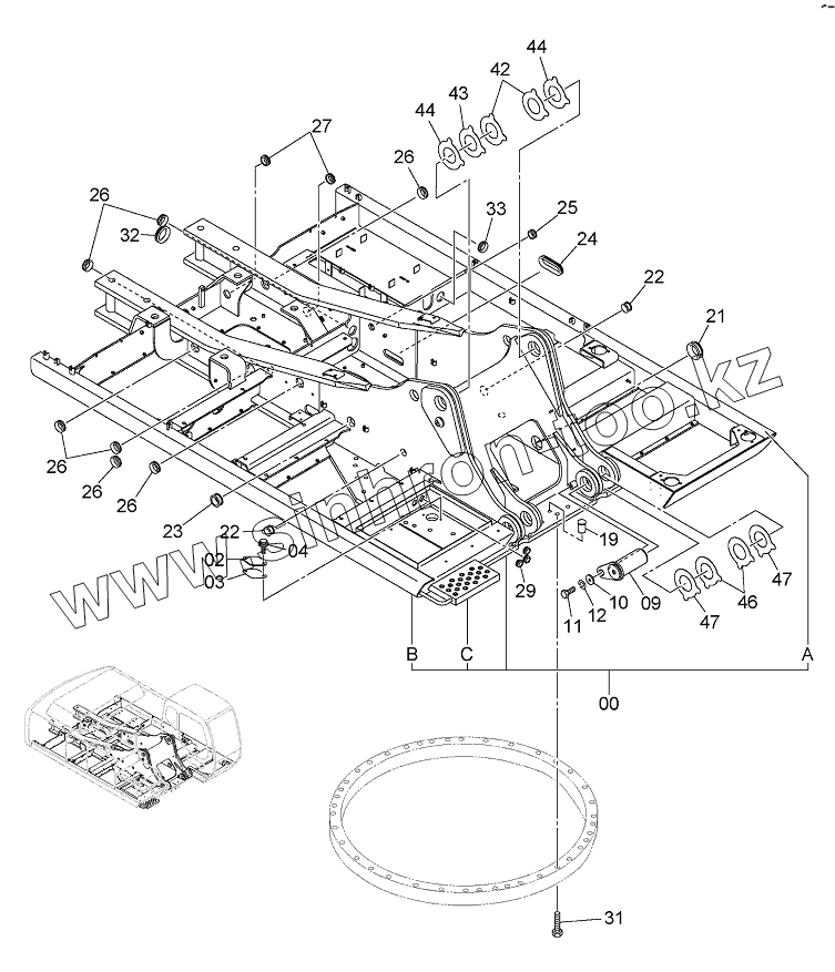
00
00A
00B
00C
02
03
04
04A
04B
09
10
11
12
19
21
22
22
23
24
25
26
26
26
26
26
27
29
31
32
33
42
43
44
44
46
47
47
Позиция на иллюстрации
Заводской номер детали
Название детали
00
FRAME
FRAME, FRONT
00A
4438153
РIРЕ
00B
4439160
РIРЕ
00C
3094103
SТЕР
02
4255799
COVER
03
4161735
PACKING
04
J271025
BOLT, SEMS
04A
J901025
BOLT
04B
J222010
WASHER
09
8080936
PIN
10
4426128
PLATE
11
J921845
BOLT
12
J257218
WASHER, SPRING
19
4385472
РIN, КNОСК
21
4196826
BUSHING, RUBBER
22
4273759
ВUSНING, RUВВЕR
23
4315991
ВUSНING, RUВВЕR
24
4277018
ВUSНING, RUВВЕR
25
4200176
BUSHING, RUBBER
26
4255530
BUSHING, RUBBER
27
4201749
BUSHING, RUBBER
29
4210661
BUSHING, RUBBER
31
J922706
BOLT
32
4201986
BUSHING, RUBBER
33
4208279
BUSHING
42
4469095
PLATE, THRUST 1.0
43
4469096
РLАТЕ, ТНRUSТ 1.5
44
4469097
PLATE, THRUST 2.0
46
4469095
PLATE, THRUST 1.0
47
4469097
PLATE, THRUST 2.0
Содержащиеся в справочниках-каталогах запасные части и детали не предлагаются к продаже, а носят исключительно информационный характер
Дополнительная информация
×
Название:
Номер:
Примечание: