Вернуться на главную
Поиск
Каталоги запчастей к технике
Спецтехника
Hitachi
ZX-330-3 (Part № PIHH-I-3)
FUEL PIPING
Каталог запасных частей к технике: Hitachi ZX-330-3 (Part № PIHH-I-3). FUEL PIPING
zoom-in
zoom-out
enlarge
shrink
circle-right
circle-left
file-text2
info
cart
Тип техники
Не выбрано
Легковые автомобили
Грузовые автомобили и прицепы
Автобусы
Сельхозтехника
Спецтехника
Двигатели
Мототехника
Марка
Не выбрано
Ammann
BOMAG
CARMIX
CASE IH
Changlin
ChengGong
Dimex
Doosan
DYNAPAC
Foton
HAMM
Hidromek
Hitachi
Hyundai
JCB
JLG
John Deere
Komatsu
LIEBHERR
LiuGong
Lonking (LongGong)
Luneng
MANITOU
Mitsuber
New Holland
PENGPU
RM-Terex
SANY
SDLG
SEM
Shantui
Shehwa HBXG
Soosan
TIGARBO
VOGELE
Volvo
WAY
WIRTGEN
XCMG
XGMA
Xiamen
YTO
Yuchai
Zoomlion
Автокран
АЗСМ
Алтайлесмаш
Амкодор
АОМЗ
Атек
АТЗ
Балканкар Рекорд
БелАЗ
Беловеж
Борекс
Брянский Арсенал
Булат
ВЭКС
ГАЗ
Геомаш
Гидромаш
Донекс
Дормаш
Дормашина
Дорэлектромаш
ДЭЗ
ЕлАЗ
ЗЗГТ
Ижнефтемаш
Канаш-электрокар
КЗКТ
ККЗ
Клевер
Клинцовский автокрановый завод
КМЗ
КМЗ 1 Мая
Ковровец
Коммаш
Кранэкс
КЭЗ
КЭМЗ
ЛЗА
МАЗ
МЗИК
МЗКМ
МЗКТ
Михневский РМЗ
МоАЗ
Мозырский МЗ
МТЗ
ОЗП
Онежец
ПАО "ТЗА"
ППС Детва
Промтрактор
ПТЗ
Раскат
СпецАгрегат
ТВЭКС
ТТМ
УВЗ
Угличмаш
УЗТМ
ХТЗ
ЧЗКМ
ЧСДМ
ЧТЗ
ЭКСКО
ЭКСМАШ
ЮрМаш
Модель
Не выбрано
EX-100-2 (2000)
EX-100-3 (2008)
EX-100WD (2008)
EX-120 (2008)
EX-120-2 (2008)
EX-160WD (2008)
EX-200 (2008)
EX-200-2 (2008)
EX-200-3
EX-220 (2008)
EX-220-2 (2008)
EX-270 (2008)
EX-300 (2008)
EX-300-2 (2000)
EX-400 Type A (2006)
EX-400 Type B (2006)
EX-60 (2003)
EX-60-2 (2000)
EX-60-3 (2008)
EX-70 (2017)
LX-110-7 (2008)
LX-130-7 (2008)
LX-150-2 (2008)
LX-160-7 (2008)
LX190-7/LX230-7 (2008)
Zaxis 190-3
ZAXIS 200-5A (2018)
ZAXIS 200LC-5A (2018)
ZAXIS 210H-5A (2018)
ZAXIS 210K-5A (2018)
ZAXIS 210LCH-5A (2018)
ZAXIS 210LCK-5A (2018)
ZAXIS 330-5G (2017)
ZAXIS 350H-5G (2017)
ZAXIS 48U-5A (2020)
ZAXIS 850-3
ZAXIS 870H-3
ZX-110 (2008)
ZX-160W (2008)
ZX-200 (2008)
ZX-230 (2008)
ZX-25 (2008)
ZX-270 (2008)
ZX-330 (2010)
ZX-330-3 (Part № PIHH-I-3) (2008)
ZX-330-3 (Part № PIHH-I-5) (2013)
ZX-330-3G (2008)
ZX-400R-3 (2010)
ZX-450 (2006)
ZX-600 (2007)
Компоненты EX-100-2 (2000)
Компоненты EX-100WD (2008)
Компоненты EX-120 (2008)
Компоненты EX-120-2 (2008)
Компоненты EX-160WD (2008)
Компоненты EX-200 (2008)
Компоненты EX-200-2 (2008)
Компоненты EX-200-3(LC, H)
Компоненты EX-220 (2008)
Компоненты EX-220-2 (2008)
Компоненты EX-270 (2008)
Компоненты EX-300 (2008)
Компоненты EX-300-2 (2000)
Компоненты EX-400 Type A (2006)
Компоненты EX-400 Type B (2006)
Компоненты EX-60 (2003)
Компоненты EX-60-2 (2000)
Компоненты EX-60-3 (2008)
Компоненты ZAXIS 450, 470, 500, 520 (2010)
Компоненты ZX-110 (2008)
Компоненты ZX-120 (130) (2008)
Компоненты ZX-160W (2008)
Компоненты ZX-200 (2008)
Компоненты ZX-230 (2008)
Компоненты ZX-270 (2008)
Компоненты ZX-330 (2008)
Компоненты ZX-450 (2006)
Схема
>
Не выбрано
FRAME
BOOM FOOT PIN
CENTER JOINT PARTS (UPPERSTRUCTURE)
COUNTERWEIGHT
ENGINE
ENGINE SUPPORT
OIL FILTER PIPING
INTER COOLER PIPING
CONDENSER NET
RADIATOR
RADIATOR SUPPORT
RADIATOR COVER Serial No.050001-D05/11
RADIATOR COVER Serial No.D05/12-
RESERVE TANK
AIR CLEANER
AIR CLEANER SUPPORT
AIR CLEANER PARTS
PRE-CLEANER
PRE-CLEANER PARTS
MUFFLER
FUEL TANK
FUEL TANK SUPPORT
FUEL PIPING
PUMP DEVICE
PUMP DEVICE SUPPORT
SWING DEVICE
SWING DEVICE SUPPORT
OIL TANK
OIL TANK <K>
SUCTION PIPING
DELIVERY PIPING Serial No.050001-050006
DELIVERY PIPING Serial No.050007-
RETURN PIPING (1)
RETURN PIPING (2)
DRAIN PIPING
MAIN PIPING (1) Serial No.050001-D06/02
MAIN PIPING (1) Serial No.D06/03-
MAIN PIPING (2)
MAIN PIPING (3)
MAIN PIPING (4) Serial No.050001-D05/10
MAIN PIPING (4) Serial No.D05/11-
BOOM BOTTOM PIPING
SIDE BRANCH PIPING
CONTROL LEVER (FRONT, SWING)
CONTROL LEVER (FRONT, SWING)(WITH SINGLE SWITCH)[EU, NA]
CONTROL LEVER (FRONT, SWING)(WITH TRIPLE SWITCH)[EU, NA]
CONTROL LEVER (TRAVEL)
LOCK LEVER
CONTROL VALVE
CONTROL VALVE SUPPORT
SOLENOID VALVE
PILOT PIPING (A)
PILOT PIPING (B)
PILOT PIPING (C)
PILOT PIPING (D-1)
PILOT PIPING (D-2)
PILOT PIPING (E)
PILOT PIPING (F)
PILOT PIPING (G)
PILOT PIPING (H)
PILOT PIPING (I)
PILOT PIPING (J)
CONSOLE
CONSOLE COVER
CONSOLE COVER [EU]
CONSOLE COVER [NA]
RIGHT COVER
RADIO (JAPAN)
RADIO (NORTH AMERICA)
RADIO (EU, ASIA, OCEANIA)
ELECTRIC PARTS (A)
ELECTRIC PARTS (B)
ELECTRIC PARTS (C)
ELECTRIC PARTS (D)
ELECTRIC PARTS (E)
ELECTRIC PARTS (E)(HTC)
BOOM LIGHT HARNESS
BOOM LIGHT (R)
BOOM LIGHT (R)(WITH LIGHT COVER)[EU]
BOOM LIGHT (R)(WITH LIGHT COVER)(2P-BOOM)[EU]
ENGINE CONTROL UNIT
ENGINE STOP SWITCH
GPS PARTS
FRONT HEAD LAMP (2 LAMP)(FLOOR)
FRONT HEAD LAMP (4LAMP)(FLOOR)
FRONT HEAD LAMP (CAB)
FRONT HEAD LAMP (2 LAMP WITH RAIN-VISOR UPPER)
FRONT HEAD LAMP (2 LAMP WITH RAIN-VISOR UNDER)
FRONT HEAD LAMP (4 LAMP WITH RAIN-VISOR UPPER)
FRONT HEAD LAMP (4 LAMP RAIN-VISOR UNDER)
REAR HEAD LAMP (FLOOR)
REAR HEAD LAMP (CAB)
REAR HEAD LAMP
ROTATING BEACON PARTS
ROTATING BEACON (UPPER CAB)
ROTATING BEACON
ROTATING BEACON SUPPORT SOCKET
RAIN-VISOR
FUSE
HORN
SWING MOTION ALARM (CAB)
SWING MOTION ALARM
TRAVEL MOTION ALARM (CAB)
TRAVEL MOTION ALARM
OVER LOAD ALARM DEVICE (CAB)
OVERLOAD ALARM DEVICE
REAR CAMERA
REAR CAMERA LESS PARTS
WINDOW WASHER
WASHER <K>
AIR CONDITIONER (1)
AIRCON UNIT
AIR CONDITIONER (2)
AIR CONDITIONER (3)
AIR CONDITIONER (4)
AIR-CONDITIONER LESS PARTS
HEATER PIPING
DUCT
REAR BOX (AIR-CON.)
REAR BOX (AIR-CON.+12V POWER SUPPLY)
POWER UNIT (12V)
POWER UNIT (12V) KIT
CAB
CAB (WITHOUT SATELLITE ANTTENA-GPS)
CAB [EU]
CAB [EU](LAMINATED GLASS)
CAB [NA]
CAB <K>
CAB (1)
CAB (1)(WITHOUT SATELLITE ANTENNA-GPS)
CAB (2)
CAB (2)[NA]
DOOR
CAB (3)
CAB (4)
CAB (5)
CAB (5)(LAMINATED GLASS)
CAB (6)
CAB (6)[EU,NA]
CAB (7)
CAB GUARD (1)
CAB GUARD (2)
CAB GUARD (FOPS)
CAB GUARD (OPG)
CAB GROUP (1)
CAB GROUP (2)
ANCHOR BOLT
SUPPORT (CAB)
CAB MIRROR
FLOOR PLATE
FLOOR PARTS (1)
FLOOR PARTS (2)
SEAT
SUSPENSION SEAT
SUSPENSION SEAT (WITH HEATER)
AIR-SUSPENSION SEAT (WITH HEATER)
HEATER SEAT PARTS
SEAT STAND
SEAT STAND (SUSPENSION)
SEAT STAND (AIR-SUSPENSION)
FLOOR MAT
FLOOR CARPET
COVER (1)
COVER (2)
COVER (2)
COVER (2)(WITH PRE-CLEANER)
COVER (2)(ANTI SLIP)
COVER (2)(WITH PRE-CLEANER)(ANTI-SLIP)
COVER (3)
COVER (3)(ANTI SLIP)
COVER (4)
COVER (5)
COVER (6)
COVER (6)(ANTI SLIP)
COVER (7)
COVER (7)(TROPICAL)
DOOR LOCK
COVER (8)
ENGINE COVER
UNDER COVER
UNDER COVER <H,K> Serial No.050001-D06/04
UNDER COVER <H,K> Serial No.D06/05-
TOOL BOX COVER
TOOL BOX COVER (ANTI SLIP)
TRACK FRAME
TRACK GUARD
FULL-LENGHT TRACK GUARD (STD.)
FULL-LENGHT TRACK GUARD (LC)
STEP
TRACK UNDER COVER
SWING BEARING
SWING BEARING PARTS
TRAVEL DEVICE
TRAVEL DEVICE SUPPORT
FRONT IDLER
ADJUSTER
UPPER ROLLER
LOWER ROLLER (STD.)
LOWER ROLLER (LC)
TRACK-LINK (STD.)
TRACK-LINK (LC)
TRACK-LINK (LC)[EU]
TRACK-LINK (LCN)[EU]
CENTER JOINT
CENTER JOINT SUPPORT (TRACK)
TRAVEL PIPING (STD.)
TRAVEL PIPING (LC)
TRAVEL MOTOR COVER
STD. BOOM
BOOM <H>
BOOM <K>
ARM 2.67m
ARM 3.20m
ARM 3.20m <H>
ARM 3.20m <K>
ARM 4.00m
A LINK
CASTED A LINK
B LINK
B LINK (H TYPE)
B LINK (K TYPE)
FRONT PIPING (MONO BOOM)
LUBRICATE PIPING (MONO BOOM)
BOOM CYLINDER (R)
BOOM CYLINDER (L)
BOOM CYLINDER (R)(WITH HOSE RUPTURE VALVE)
BOOM CYLINDER (L)(WITH HOSE RUPTURE VALVE)
ARM CYLINDER (MONO BOOM)
ARM CYLINDER (MONO BOOM)(WITH HOSE RUPTURE VALVE)
BUCKET CYLINDER
BUCKET 1.15m3 (JIS 94)
BUCKET 1.4m3 (JIS 94)
BUCKET 1.4m3 (JIS94)<K>
BUCKET 1.4m3 (JIS 94)(SUPER V TOOTH)
BUCKET 1.4m3 (JIS 94)(SUPER V TOOTH, FOR TOOTH PLATE)
BUCKET 1.4m3 (JIS 94)(SIDE-PIN TOOTH)
BUCKET 1.62m3 (JIS 94)
BUCKET 1.86m3 (JIS 94)
ROCK BUCKET 1.15m3 (JIS 94)
ROCK BUCKET 1.38m3 (JIS 94)(SUPER V TOOTH)
ROCK BUCKET 1.38m3 (JIS 94)(SIDE-PIN TOOTH)
ROCK BUCKET 1.5m3 (JIS 94)(SUPER V TOOTH)
ROCK BUCKET 1.5m3 (JIS 94)(SIDE-PIN TOOTH)
RIPPER BUCKET 0.9m3 (JIS 94)
ONE POINT RIPPER
HOSE RUPTURE PIPING (BOOM)
HOSE RUPTURE VALVE PIPING (ARM)
2P-BOOM
ARM 2.33m (2P-BOOM)
FRONT PIPING (2P-BOOM)
LUBLICATE PIPING (2P-BOOM)
ARM CYLINDER (2P-BOOM)
ARM CYLINDER (2P-BOOM)(WITH HOSE RUPTURE VALVE)
POSITIONING CYLINDER (WITH HOSE RUPTURE VALVE)
MAIN PIPING (2P-BOOM)
PILOT PIPING (1)(2P-BOOM)
PILOT PIPING (2)(2P-BOOM)
CONTROL PEDAL (2P-BOOM)
HOSE RUPTURE VALVE PIPING (ARM)(2P-BOOM)
HOSE RUPTURE VALVE PIPING (POSITIONING)(2P-BOOM)
BEH BOOM
BEH ARM 2.11m
FRONT PIPING (BEH BOOM)
LUBRICATE PIPING (BEH BOOM)
BUCKET CYLINDER (BEH)
BREAKER, CRUSHER PIPING (BEH BOOM)(1"X1-1/4")
BREAKER, CRUSHER PIPING (MAIN)(1)
BREAKER, CRUSHER PIPING (MAIN)(2)
BREAKER, CRUSHER PIPING (MAIN)(3)
BREAKER, CRUSHER PIPING (PILOT)
CONTROL PEDAL (BREAKER, CRUSHER)
BREAKER, CRUSHER PIPING (MONO BOOM)(1"X1-1/4")
BREAKER, CRUSHER PIPING (2P-BOOM)(1"X1-1/4")
BREAKER, CRUSHER PIPING (2.11m ARM)(1"X1-1/4")
BREAKER, CRUSHER PIPING (2.33m ARM)(1"X1-1/4")
BREAKER, CRUSHER PIPING (2.67m ARM)(1"X1")
BREAKER, CRUSHER PIPING (2.67m ARM)(1"X1-1/4")
BREAKER, CRUSHER PIPING (3.2m ARM)(1"X1")
BREAKER, CRUSHER PIPING (3.2m ARM)(1"X1-1/4")
BREAKER, CRUSHER PIPING (4.0m ARM)(1"X1-1/4")
HSB BREAKER PIPING
NPK BREAKER PIPING
HSB COMMON PIPING (BREAKER, CRUSHER)(MONO BOOM)
RELIEF VALVE
NPK COMMON PIPING
HSB COMMON PIPING (BREAKER,CRUSHER)(2P-BOOM)
PILOT PIPING (FLOW RATE SELECTOR)
ADD. GEAR PUMP (30L)
ACCUMULATOR
ELECTRIC TYPY CONTROL PARTS
CONTROL PEDAL (L)
ASSIST PIPING (MONO BOOM)
ASSIST PIPING (2P-BOOM)
ASSIST PIPING (2.67m ARM)
ASSIST PIPING (2.67m ARM)[EU]
ASSIST PIPING (3.2m ARM)
ASSIST PIPING (3.2m ARM)[EU]
ASSIST PIPING (4.0m ARM)
ASSIST PIPING (4.0m ARM)[EU]
CLAMSHELL PIPING (3.2m ARM)
4 WAY MULTI LEVER
4 WAY MULTI LEVER PIPING
MULTI LEVER COVER
2 WAY MULTI LEVER [NA]
2 WAY MULTI LEVER PIPING [NA]
ELECTRICAL GREASE GUN
AUTO FUEL FILLING DEVICE
HIGH PERFORMANCE FILTER KIT
TOOLS
NAME-PLATE (1)(JAPANESE)
NAME-PLATE (2)(JAPANESE)
NAME-PLATE (3)(JAPANESE)
00
00A
00B
00C
01A
01B
02A
02B
02C
03A
03A
03B
05
05
05
05
05
06
06
06
06
06
07
08
08
08
08
08
08
08
08
08
08
08
11
11
11
11
11
11
11
11
11
11
14
15
23
24
25
26
27
28
29
30
30
31
32
33
34
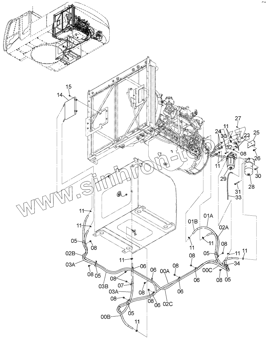
Позиция на иллюстрации
Заводской номер детали
Название детали
00
9246563
HOSE, FUEL
00A
4629810
HOSE, FUEL
00B
4610630
ТUВЕ
00C
4626782
TUBE
01
9246564
HOSE, FUEL
01A
4629829
TUBE
01B
4382124
HOSE, FUEL
02
9246566
HOSE, FUEL
02A
4626782
TUBE
02B
4610630
ТUВЕ
02C
4625599
HOSE, FUEL
03
9246568
HOSE, FUEL
03A
4626781
TUBE
03B
4336811
HOSE, FUEL
05
4192034
CLIP
06
4190282
CLIP
07
4190263
CLIP
08
J271020
BOLT, SEMS
08A
J901020
BOLT
08B
J222010
WASHER
11
4514700
CLIP, HOSE
14
4620440
COOLER
15
J260825
BOLT, SEMS
15A
J900825
BOLT
15B
A590108
WASHER, PLANE
23
4645227
PUMP
23A
4658052
GASKET
23B
4658053
STRAINER
24
4454522
HOSE, FUEL
25
8100676
BRACKET
26
J271030
BOLT, SEMS
26A
J901030
BOLT
26B
J222010
WASHER
27
J260625
BOLT, SEMS
27A
J900625
BOLT
27B
A590106
WASHER
28
4648336
FILTER, FUEL
28A
4642641
FILTER, FUEL
28B
4634979
PACKING
28C
4634716
BOLT, EYE
28D
4634911
PIPE, FUEL
29
4645228
FILTER, FUEL
29A
4649267
FILTER, FUEL
29B
4653188
PLUG
29C
4653191
PLUG, AIR
29D
4653195
O-RING
29E
4326742
PIPE, FUEL
29F
4326740
BOLT
29G
4326741
GASKET
29H
4653194
GASKET
29I
4653192
GASKET
29J
4653187
HEAD
29K
4653189
CASE, FILTER
29L
4653193
PLUG, DRAIN
29M
4653190
RING
30
J271045
BOLT, SEMS
30A
J901045
BOLT
30B
J222010
WASHER
31
J271080
BOLT, SEMS
31A
J901080
BOLT
31B
J222010
WASHER
32
4355515
BRACKET
33
4652981
HOSE, VINYL
34
4055312
CLIP, BAND
Содержащиеся в справочниках-каталогах запасные части и детали не предлагаются к продаже, а носят исключительно информационный характер
Дополнительная информация
×
Название:
Номер:
Примечание: