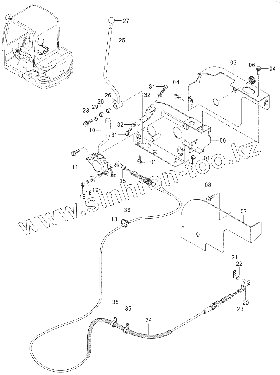
Каталог запасных частей к технике: Hitachi ZX-25. ENGINE CONTROL
E7043739
1
1
3
4
4
6
7
8
10
11
13
15
16
17
18
20
21
22
23
25
26
26
27
28
29
31
31
32
32
34
35
35
36
| Позиция на иллюстрации | Заводской номер детали | Название детали | |
|---|---|---|---|
| E7043739 | E7043739 | BRACKET | |
| 1 | EJ090825 | BOLT, SEMS | |
| 3 | E7042912 | COVER | |
| 4 | EJ090820 | BOLT, SEMS | |
| 6 | E4606668 | BUSHING, RUBBER | |
| 7 | E3095804 | COVER | |
| 8 | EJ090614 | BOLT, SEMS | |
| 10 | 4477901 | LEVER | |
| 11 | EJ090825 | BOLT, SEMS | |
| 13 | 4472744 | CABLE, CONTROL | |
| 15 | E4056016 | JOINT, BALL | |
| 16 | EJ231105 | NUT | |
| 17 | EJ253105 | WASHER, PLANE | |
| 18 | EJ252105 | WASHER, SPRING | |
| 20 | E9755372 | BRACKET | |
| 21 | E4022696 | PIN, LOCK | |
| 22 | EJ253106 | WASHER, PLANE | |
| 23 | EJ231105 | NUT | |
| 25 | E8090810 | LEVER | |
| 26 | E4280298 | BUSHING | |
| 27 | 4399121 | GRIP | |
| 28 | EJ080825 | BOLT, SEMS | |
| 29 | E4477899 | PLATE | |
| 31 | E4282875 | BOLT | |
| 32 | EJ231106 | NUT | |
| 34 | E4484443 | RUBBER | |
| 35 | E4190275 | CLIP | |
| 36 | E4055312 | CLIP, BAND |
Содержащиеся в справочниках-каталогах запасные части и детали не предлагаются к продаже, а носят исключительно информационный характер