Каталог запасных частей к технике: Hitachi ZX-25. ARM PARTS (ARM 1.11M)
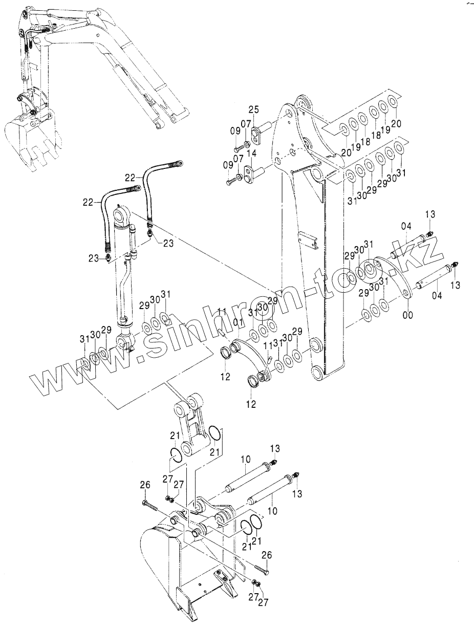
00
01
04
04
07
07
09
09
10
10
11
11
12
12
13
13
13
13
14
18
18
19
19
20
20
21
21
21
21
22
22
23
23
23A
23A
25
26
26
27
27
27
27
29
29
29
29
29
29
29
29
30
30
30
30
30
30
30
30
31
31
31
31
31
31
31
31
| Позиция на иллюстрации | Заводской номер детали | Название детали | |
|---|---|---|---|
| 00 | Е4332032 | LINK | |
| 01 | Е8058970 | LINK | |
| 04 | Е4332019 | PIN | |
| 07 | Е4607706 | BUSHING | |
| 09 | EJ971230 | BOLT | |
| 10 | Е9761257 | PIN | |
| 11 | Е4244708 | PIN | |
| 12 | Е4351621 | RING | |
| 13 | EJ75481 | FITTING, GREASE | |
| 14 | Е9761236 | PIN | |
| 18 | Е4352136 | SHIM 0.5 | |
| 19 | Е4354259 | SHIM 0.8 | |
| 20 | Е4354260 | SHIM 1.0 | |
| 21 | Е4275520 | O-RING | |
| 22 | Е4453165 | HOSE | |
| 23 | Е4042031 | ADAPTER | |
| 23A | Е4509180 | O-RING | |
| 25 | Е9761237 | PIN | |
| 26 | EJ971070 | BOLT | |
| 27 | EJ231210 | NUT | |
| 29 | Е4367639 | SHIM 0.5 | |
| 30 | Е4367640 | SHIM 0.8 | |
| 31 | Е4367641 | SHIM 1.0 |
Содержащиеся в справочниках-каталогах запасные части и детали не предлагаются к продаже, а носят исключительно информационный характер