Вернуться на главную
Поиск
Каталоги запчастей к технике
Спецтехника
Hitachi
ZX-230
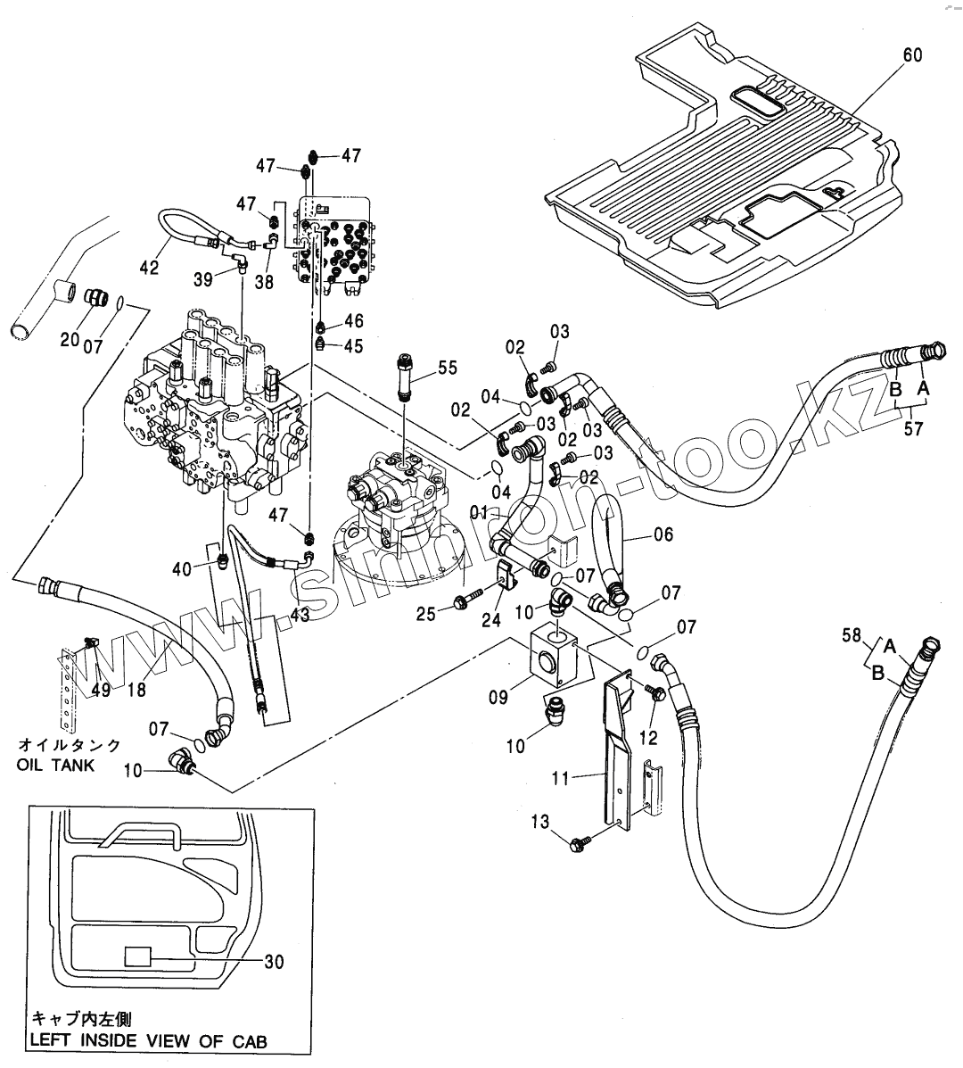
MAIN PIPING (BREAKER & CRUSHER)<230, H, K>
Каталог запасных частей к технике: Hitachi ZX-230. MAIN PIPING (BREAKER & CRUSHER)<230, H, K>
zoom-in
zoom-out
enlarge
shrink
circle-right
circle-left
file-text2
info
cart
Тип техники
Не выбрано
Легковые автомобили
Грузовые автомобили и прицепы
Автобусы
Сельхозтехника
Спецтехника
Двигатели
Мототехника
Марка
Не выбрано
Ammann
BOMAG
CARMIX
CASE IH
Changlin
ChengGong
Dimex
Doosan
DYNAPAC
Foton
HAMM
Hidromek
Hitachi
Hyundai
JCB
JLG
John Deere
Komatsu
LIEBHERR
LiuGong
Lonking (LongGong)
Luneng
MANITOU
Mitsuber
New Holland
PENGPU
RM-Terex
SANY
SDLG
SEM
Shantui
Shehwa HBXG
Soosan
TIGARBO
VOGELE
Volvo
WAY
WIRTGEN
XCMG
XGMA
Xiamen
YTO
Yuchai
Zoomlion
Автокран
АЗСМ
Алтайлесмаш
Амкодор
АОМЗ
Атек
АТЗ
Балканкар Рекорд
БелАЗ
Беловеж
Борекс
Брянский Арсенал
Булат
ВЭКС
ГАЗ
Геомаш
Гидромаш
Донекс
Дормаш
Дормашина
Дорэлектромаш
ДЭЗ
ЕлАЗ
ЗЗГТ
Ижнефтемаш
Канаш-электрокар
КЗКТ
ККЗ
Клевер
Клинцовский автокрановый завод
КМЗ
КМЗ 1 Мая
Ковровец
Коммаш
Кранэкс
КЭЗ
КЭМЗ
ЛЗА
МАЗ
МЗИК
МЗКМ
МЗКТ
Михневский РМЗ
МоАЗ
Мозырский МЗ
МТЗ
ОЗП
Онежец
ПАО "ТЗА"
ППС Детва
Промтрактор
ПТЗ
Раскат
СпецАгрегат
ТВЭКС
ТТМ
УВЗ
Угличмаш
УЗТМ
ХТЗ
ЧЗКМ
ЧСДМ
ЧТЗ
ЭКСКО
ЭКСМАШ
ЮрМаш
Модель
Не выбрано
EX-100-2 (2000)
EX-100-3 (2008)
EX-100WD (2008)
EX-120 (2008)
EX-120-2 (2008)
EX-160WD (2008)
EX-200 (2008)
EX-200-2 (2008)
EX-200-3
EX-220 (2008)
EX-220-2 (2008)
EX-270 (2008)
EX-300 (2008)
EX-300-2 (2000)
EX-400 Type A (2006)
EX-400 Type B (2006)
EX-60 (2003)
EX-60-2 (2000)
EX-60-3 (2008)
EX-70 (2017)
LX-110-7 (2008)
LX-130-7 (2008)
LX-150-2 (2008)
LX-160-7 (2008)
LX190-7/LX230-7 (2008)
Zaxis 190-3
ZAXIS 200-5A (2018)
ZAXIS 200LC-5A (2018)
ZAXIS 210H-5A (2018)
ZAXIS 210K-5A (2018)
ZAXIS 210LCH-5A (2018)
ZAXIS 210LCK-5A (2018)
ZAXIS 330-5G (2017)
ZAXIS 350H-5G (2017)
ZAXIS 48U-5A (2020)
ZAXIS 850-3
ZAXIS 870H-3
ZX-110 (2008)
ZX-160W (2008)
ZX-200 (2008)
ZX-230 (2008)
ZX-25 (2008)
ZX-270 (2008)
ZX-330 (2010)
ZX-330-3 (Part № PIHH-I-3) (2008)
ZX-330-3 (Part № PIHH-I-5) (2013)
ZX-330-3G (2008)
ZX-400R-3 (2010)
ZX-450 (2006)
ZX-600 (2007)
Компоненты EX-100-2 (2000)
Компоненты EX-100WD (2008)
Компоненты EX-120 (2008)
Компоненты EX-120-2 (2008)
Компоненты EX-160WD (2008)
Компоненты EX-200 (2008)
Компоненты EX-200-2 (2008)
Компоненты EX-200-3(LC, H)
Компоненты EX-220 (2008)
Компоненты EX-220-2 (2008)
Компоненты EX-270 (2008)
Компоненты EX-300 (2008)
Компоненты EX-300-2 (2000)
Компоненты EX-400 Type A (2006)
Компоненты EX-400 Type B (2006)
Компоненты EX-60 (2003)
Компоненты EX-60-2 (2000)
Компоненты EX-60-3 (2008)
Компоненты ZAXIS 450, 470, 500, 520 (2010)
Компоненты ZX-110 (2008)
Компоненты ZX-120 (130) (2008)
Компоненты ZX-160W (2008)
Компоненты ZX-200 (2008)
Компоненты ZX-230 (2008)
Компоненты ZX-270 (2008)
Компоненты ZX-330 (2008)
Компоненты ZX-450 (2006)
Схема
>
Не выбрано
FRAME
SWING BEARING SUPPORT <230>
SWING BEARING SUPPORT <H,K, 250>
BOOM FOOT PIN
CENTER JOINT PARTS (UPPERSTRUCTURE)
COUNTERWEIGHT 5.4T <230>
COUNTERWEIGHT 6.1T <230, H, 250>
COUNTERWEIGHT 6.5T <K, 250>
ENGINE
ENGINE SUPPORT
OIL FILTER PIPING
INTER COOLER PIPING
INTER COOLER NET
RADIATOR
RADIATOR SUPPORT
RADIATOR COVER
RESERVE TANK
AIR CLEANER
AIR CLEANER SUPPORT
AIR CLEANER PARTS
PRE CLEANER
PRE CLEANER PARTS
MUFFLER
FUEL TANK
FUEL TANK SUPPORT
FUEL PIPING
FUEL FEED PUMP
FUEL DOUBLE FILTER
PUMP DEVICE
PUMP DEVICE SUPPORT
SWING DEVICE
SWING DEVICE SUPPORT
OIL TANK <230, H,250>
OIL TANK <K>
HIGH PERFORMANCE FILTER KIT <250>
SUCTION PIPING
DELIVERY PIPING
RETURN PIPING
RETURN PIPING
DRAIN PIPING
MAIN PIPING
MAIN PIPING
MAIN PIPING
MAIN PIPING
BOOM BOTTOM PIPING
SIDE BRANCH PIPING
ENGINE CONTROL
ENGINE CONTROL MOTOR
ENGINE STOP CABLE
CONTROL LEVER (FRONT, SWING)
CONTROL LEVER (TRAVEL)<230, H, 250>
CONTROL LEVER (TRAVEL)<K>
LOCK LEVER
CONTROL VALVE
CONTROL VALVE SUPPORT
SOLENOID VALVE
PILOT PIPING (A)
PILOT PIPING (B)
PILOT PIPING (C-1)
PILOT PIPING (C-2)
PILOT PIPING (D-1)
PILOT PIPING (D-2)
PILOT PIPING (E)
PILOT PIPING (F)
PILOT PIPING (G)
PILOT PIPING (H)
PILOT PIPING (I-1)
PILOT PIPING (I-2)
PILOT PIPING (J)
CONSOLE
CONSOLE COVER <230, H, 250>
CONSOLE COVER <K>
RIGHT COVER <230, H, K>
RIGHT COVER <250>
RADIO (AM/FM)
RADIO LESS PARTS
CONTROL UNIT
ELECTRIC PARTS (A)
ELECTRIC PARTS (B)
ELECTRIC PARTS (C)
ELECTRIC PARTS (D)
ELECTRIC PARTS (E)
ELECTRIC PARTS (F)
SATELLITE DATA COMMUNICATOR PARTS <230, H, K>
FRONT HEAD LAMP
FRONT HEAD LAMP (4 LAMP)<250>
FRONT HEAD LAMP (2 LAMP WITH SUNSHADE)<250>
FRONT HEAD LAMP (4 LAMP WITH SUNSHADE)<250>
REAR HEAD LAMP
REAR HEAD LAMP (1 LAMP)<250>
REAR HEAD LAMP (2 LAMP)<250>
ROTATING BEACON <250>
FUSE <250>
BOOM LIGHT HARNESS (MONO BOOM)
BOOM LIGHT HARNESS (2P-BOOM)
BOOM LIGHT (R)<230, H, K>
BOOM LIGHT (R)(M0N0 BOOM) (WITH LIGHT COVER)<250>
BOOM LIGHT (R) (2P-B00M)(WITH LIGHT COVER)<250>
HORN
SWING MOTION ALARM
TRAVEL MOTION ALARM
AIR CONDITIONER
AIR CONDITIONER
AIR CONDITIONER
AIR CONDITIONER
AIR-CON. UNIT
CONDENSER NET
HEATER PIPING
CAR HEATER
HEATER UNIT
DUCT
REAR BOX (AIR-CON.)
REAR BOX (HEATER)
REAR BOX (HEATER LESS)
REAR BOX (12V POWER SUPPLY)
POWER UNIT (12V)
CAB GROUP
CAB <230, H>
CAB (HG-Type)<K>
CAB <250>
CAB (WITH GUARD SEAT)<250>
CAB (WITH VANDAL H00K)<250>
CAB (0PG)<250>
CAB <230, H,250>
CAB (H6-Type)<K>
CAB <230, H>
CAB (HG-Type)<K>
CAB <250>
CAB
CAB (WITH VANDAL H00K)<250>
CAB
CAB
CAB <250>
CAB <230,H>
CAB (HG-Type)<K>
CAB <250>
CAB
CAB (HG-Type)<K>
CAB (0PG)<250>
CAB GUARD <230, H, K>
CAB GUARD (0PG)<250>
WINDOW GUARD <250>
CAB MIRROR
POWER WINDOW
POWER WINDOW PARTS
WINDOW WASHER
SUNSHADE
SUNVISOR <250>
FLOOR PARTS
FLOOR PARTS (HEATER LESS)
FLOOR PLATE
SEAT (CLOTH)
SEAT (VINYL)
SUSPENSION SEAT (CLOTH)
SUSPENSION SEAT (VINYL)
SUSPENSION SEAT (WITH HEATER)<250>
AIR-SUSPENSION SEAT (WITH HEATER)<250>
HEATER SEAT PARTS <250>
SEAT BELT (SUSPENSION SEAT)
SEAT BELT (AIR-SUSPENSION SEAT)<250>
SEAT STAND <230, H, K>
SEAT STAND (SUSPENSION)
COVER <230, H, K>
COVER <250>
COVER
COVER
COVER
COVER
COVER
COVER
COVER (WITHOUT MULTI LEVER)<230, H,K>
COVER (WITH MULTI LEVER)<230, H,K>
DOOR LOCK
DOOR LOCK
TROPICAL COVER
WEATHER STRIP
ENGINE COVER
TOOL COVER
UNDER COVER <230,250>
UNDER COVER <H>
UNDER COVER <K>
TRACK FRAME (STD. TRACK) <230, 250>
TRACK FRAME (STD. TRACK) <H, K>
TRACK FRAME (LC TRACK)<230, 250>
TRACK FRAME (LC TRACK)<H, K>
TRACK FRAME (NARROW LC TRACK)
TRACK GUARD <230, K, 250>
TRACK GUARD (HEAVY DUTY TYPE X 2)
TRACK GUARD (HEAVY DUTY TYPE X 4)<H, 250>
FULL-LENGHT TRACK GUARD (STD. TRACK)
FULL-LENGHT TRACK GUARD (LC TRACK)
STEP <H, K>
ADDITIONAL STEP
TRACK UNDER COVER
SWING BEARING
SWING BEARING PARTS
TRAVEL DEVICE
TRAVEL DEVICE SUPPORT
FRONT IDLER (STD,EU1)
FRONT IDLER (EU2)
ADJUSTER (STD,EU1)
ADJUSTER (EU2)
UPPER ROLLER (STD, EU1)
UPPER ROLLER (EU2)
LOWER ROLLER (STD. TRACK) (STD,EU1)
LOWER ROLLER (STD. TRACK)(EU2)
LOWER ROLLER (NARROW LC TRACK) (STD,EU1)
LOWER ROLLER (NARROW LC TRACK) (EU2)
TRACK-LINK (STD. TRACK) (STD)
TRACK-LINK (STD. TRACK)(EU1)
TRACK-LINK (STD. TRACK)(EU2)
TRACK-LINK (LC TRACK)(STD)
TRACK-LINK (NARROW LC TRACK) (EU1)
TRACK-LINK (NARROW LC TRACK) (EU2)
CENTER JOINT
CENTER JOINT SUPPORT (TRACK)
TRAVEL PIPING (STD. TRACK)
TRAVEL PIPING (LC TRACK, NARROW LC TRACK)
TRAVEL MOTOR COVER
STD. BOOM <230>
H BOOM <H,250>
К BOOM <K>
ARM 2.96M <230, 250>
H ARM 2.96M <H>
К ARM 2.96M <K>
ARM 2.19M <250>
ARM 2.32M <230>
ARM 2.50M <250>
ARM 3.61M <230, 250>
LINK A <230,H,250>
LINK A (WITH H00K)<K>
LINK В <230,250>
LINK В <H, 250>
LINK В (HG-Type)<K>
FRONT PIPING (MONO BOOM)
BOOM CYLINDER (R)
BOOM CYLINDER (L)
ARM CYLINDER (MONO BOOM)
BUCKET CYLINDER
LUBRICATE PIPING (MONO BOOM)
AUTO. LUBRICATE DEVICE
AUTO. LUBRICATE PIPING (MONO BOOM)
BUCKET 0.8 (JIS 94)
BUCKET 1.0 (JIS 94)
H BUCKET 1.0 (JIS 94)
К BUCKET 1.0 (JIS 94)
BUCKET 1.15 (JIS 94)
BUCKET 1.25 (JIS 94)
BUCKET 1.4 (JIS 94)
SIDE-PIN Type BUCKET 1.0 (JIS 94)
ROCK BUCKET 0.92 (JIS 94)
RIPPER BUCKET 0.8 (JIS 94)
ONE-POINT RIPPER
HOSE RUPTURE VALVE PIPING (BOOM) (ISO SPEC)
HOSE RUPTURE VALVE PIPING (ARM)(ISO SPEC.) (MONO BOOM)
OVER LOAD ALARM DEVICE
2P-B00M
FRONT PIPING (2P-B00M)<250>
ARM CYLINDER (2P-B00M)<250>
POSITIONING CYLINDER (2P-B00M)<250>
LUBLICATE PIPING (2P-B00M)<250>
HOSE RUPTURE VALVE PIPING (ARM)(ISO SPEC. )(2P-B00M)
HOSE RUPTURE VALVE PIPING (POSITIONING) (ISO SPEC. )(2P-B00M)
HOSE RUPTURE VALVE PIPING (POSITIONING) (ISO SPEC. )(2P-B00M)
CONTROL PEDAL (2P-B00M)
PILOT PIPING (2P-B00M)
PILOT PIPING (2P-B00M)
MAIN PIPING (2P-B00M)
MAIN PIPING (2P-B00M)
CONTROL PEDAL (BREAKER & CRUSHER)
PILOT PIPING (BREAKER & CRUSHER)
MAIN PIPING (BREAKER & CRUSHER)<230, H, K>
MAIN PIPING (BREAKER & CRUSHER)<250>
BOOM PIPING (BREAKER & CRUSHER)(MONO BOOM) <230, H, K>
BOOM PIPING (BREAKER & CRUSHER)(MONO B00N)<250>
BOOM PIPING (BREAKER & CRUSHER)(2P-B00M)<250>
ARM PIPING (BREAKER & CRUSHER)(MONO BOOM)<230,H, K>
ARM PIPING (2.19M ARM)(BREAKER & CRUSHER)<250>
ARM PIPING (2.50M ARM)(BREAKER & CRUSHER)<250>
ARM PIPING (2.96M ARM)(BREAKER & CRUSHER)<250>
ARM PIPING (3.61M ARM) (BREAKER & CRUSHER)<250>
NPK COMMON PIPING (BREAKER & CRUSHER)<230, H, K>
HSB BREAKER PIPING (BREAKER & CRUSHER)(MONO BOOM)
HSB BREAKER PIPING (BREAKER & CRUSHER)(2P-B00M)<250>
HSB COMMON PIPING (BREAKER & CRUSHER)(MONO BOOM)
HSB COMMON PIPING (BREAKER & CRUSHER)(2P-B00M)<250>
PILOT PIPING (FLOW RATE SELECTOR)
PILOT PIPING (FLOW RATE SELECTOR)
ELECTRIC PARTS (FLOW RATE SELECTOR)
LINE FILTER (for Saudi Arabia)
ADD. GEAR PUMP PIPING (30L)
ADD. GEAR PUMP PIPING (50L)
ELECTRIC TYPE CONTROL PARTS (ADD/P)
ELECTRIC TYPE CONTROL PARTS (PTO)
MAIN PIPING (PTO)(MONO BOOM)
PILOT PIPING (PTO/V)
PILOT PIPING (PTO/V, FLOW RATE SELECTOR)
QUICKHITCH PIPING MAIN
QUICKHITCH PIPING (PILOT)
QUICKHITCH PIPING (MONO B00M)<250>
QUICKHITCH PIPING (2P-B00M)<250>
QUICKHITCH PIPING (2.19M ARM)<250>
QUICKHITCH PIPING (2.50M ARM)<250>
QUICKHITCH PIPING (2.96M ARM)<250>
QUIKHITCH PIPING (3.61M ARM)<250>
ASSIST PIPING (MONO B00M)<250>
ASSIST PIPING (2P-B00M)<250>
ASSIST PIPING (2.19M ARM)<250>
ASSIST PIPING (2.50M ARM)<250>
ASSIST PIPING (2.96M ARM)<250>
ASSIST PIPING (3.61M ARM)<250>
QUICKHITCH / ASSIST COMMON PARTS (MONO BOOM) <250>
QUICKHITCH / ASSIST COMMON PARTS (2P-B00M)<250>
CLAMSHELL PIPING (2.19M ARM)<250>
CLAMSHELL PIPING (2.50M ARM)<250>
CLAMSHELL PIPING (2.96M ARM)<250>
CLAMSHELL PIPING (3.61M ARM)<250>
PILOT PIPING (C-2)<TRAVEL HEAT>
PILOT PIPING (J) <TRAVEL HEAT>
TRAVEL HEAT ARTICLE <TRAVEL HEAT>
TRAVEL HEAT PIPING <TRAVEL HEAT>
TRAVEL PIPING (STD. TRACK)<TRAVEL HEAT>
TRAVEL PIPING (LC TRACK)<TRAVEL HEAT>
4 WAY MULTI LEVER
4 WAY MULTI LEVER PIPING
TOOLS
01
02
02
02
02
03
03
03
03
04
04
06
07
07
07
07
07
09
10
10
10
11
12
12
13
13
18
20
24
25
25
30
30
38
39
40
42
43
45
46
47
47
47
47
49
55
57
57A
57B
58
58A
58B
60
Позиция на иллюстрации
Заводской номер детали
Название детали
01
8079794
PIPE
02
962453
FLANGE, SPLIT
03
J781030
BOLT, SOCKET
04
966993
O-RING
06
4457290
HOSE
07
4187328
O-RING
09
4455599
VALVE, SELECTOR
10
А853388
ELBOW, S
10A
4506429
O-RING
11
8080530
BRACKET
12
J011230
BOLT, SEMS
12
J271230
BOLT, SEMS
13
J021235
BOLT, SEMS
13
J271235
BOLT, SEMS
18
4457286
HOSE
20
А853188
ADAPTER, S
20A
4506429
O-RING
24
4190127
CLAMP, PIPE
25
J011275
BOLT, SEMS
25
J271275
BOLT, SEMS
30
4245076
NAME-PLATE
30
4245758
NAME-PLATE
38
4239976
UNION, S
39
4208913
ELBOW, S
39A
4509180
O-RING
40
А852333
ELBOW, S
40A
4509180
O-RING
42
4448064
HOSE
43
9197276
HOSE ASSY
45
4436535
SENSOR, PRES.
46
4263446
REDUCER, S
47
А852133
ADAPTER, S
47A
4509180
O-RING
49
А852322
ELBOW, S
49A
957366
O-RING
55
4217948
ADAPTERS
55A
4506424
O-RING
57
9214462
HOSE ASSY
57A
4457285
HOSE
57B
4327294
PROTECTOR
58
9214463
HOSE ASSY
58A
4457289
HOSE
58B
4327294
PROTECTOR
60
3096609
MAT, FLOOR
Содержащиеся в справочниках-каталогах запасные части и детали не предлагаются к продаже, а носят исключительно информационный характер
Дополнительная информация
×
Название:
Номер:
Примечание: