Вернуться на главную
Поиск
Каталоги запчастей к технике
Спецтехника
Hitachi
ZX-200
FRONT PIPING (2P-B00M) <210,N,240>
Каталог запасных частей к технике: Hitachi ZX-200. FRONT PIPING (2P-B00M) <210,N,240>
zoom-in
zoom-out
enlarge
shrink
circle-right
circle-left
file-text2
info
cart
Тип техники
Не выбрано
Легковые автомобили
Грузовые автомобили и прицепы
Автобусы
Сельхозтехника
Спецтехника
Двигатели
Мототехника
Марка
Не выбрано
Ammann
BOMAG
CARMIX
CASE IH
Changlin
ChengGong
Dimex
Doosan
DYNAPAC
Foton
HAMM
Hidromek
Hitachi
Hyundai
JCB
JLG
John Deere
Komatsu
LIEBHERR
LiuGong
Lonking (LongGong)
Luneng
MANITOU
Mitsuber
New Holland
PENGPU
RM-Terex
SANY
SDLG
SEM
Shantui
Shehwa HBXG
Soosan
TIGARBO
VOGELE
Volvo
WAY
WIRTGEN
XCMG
XGMA
Xiamen
YTO
Yuchai
Zoomlion
Автокран
АЗСМ
Алтайлесмаш
Амкодор
АОМЗ
Атек
АТЗ
Балканкар Рекорд
БелАЗ
Беловеж
Борекс
Брянский Арсенал
Булат
ВЭКС
ГАЗ
Геомаш
Гидромаш
Донекс
Дормаш
Дормашина
Дорэлектромаш
ДЭЗ
ЕлАЗ
ЗЗГТ
Ижнефтемаш
Канаш-электрокар
КЗКТ
ККЗ
Клевер
Клинцовский автокрановый завод
КМЗ
КМЗ 1 Мая
Ковровец
Коммаш
Кранэкс
КЭЗ
КЭМЗ
ЛЗА
МАЗ
МЗИК
МЗКМ
МЗКТ
Михневский РМЗ
МоАЗ
Мозырский МЗ
МТЗ
ОЗП
Онежец
ПАО "ТЗА"
ППС Детва
Промтрактор
ПТЗ
Раскат
СпецАгрегат
ТВЭКС
ТТМ
УВЗ
Угличмаш
УЗТМ
ХТЗ
ЧЗКМ
ЧСДМ
ЧТЗ
ЭКСКО
ЭКСМАШ
ЮрМаш
Модель
Не выбрано
EX-100-2 (2000)
EX-100-3 (2008)
EX-100WD (2008)
EX-120 (2008)
EX-120-2 (2008)
EX-160WD (2008)
EX-200 (2008)
EX-200-2 (2008)
EX-200-3
EX-220 (2008)
EX-220-2 (2008)
EX-270 (2008)
EX-300 (2008)
EX-300-2 (2000)
EX-400 Type A (2006)
EX-400 Type B (2006)
EX-60 (2003)
EX-60-2 (2000)
EX-60-3 (2008)
EX-70 (2017)
LX-110-7 (2008)
LX-130-7 (2008)
LX-150-2 (2008)
LX-160-7 (2008)
LX190-7/LX230-7 (2008)
Zaxis 190-3
ZAXIS 200-5A (2018)
ZAXIS 200LC-5A (2018)
ZAXIS 210H-5A (2018)
ZAXIS 210K-5A (2018)
ZAXIS 210LCH-5A (2018)
ZAXIS 210LCK-5A (2018)
ZAXIS 330-5G (2017)
ZAXIS 350H-5G (2017)
ZAXIS 48U-5A (2020)
ZAXIS 850-3
ZAXIS 870H-3
ZX-110 (2008)
ZX-160W (2008)
ZX-200 (2008)
ZX-230 (2008)
ZX-25 (2008)
ZX-270 (2008)
ZX-330 (2010)
ZX-330-3 (Part № PIHH-I-3) (2008)
ZX-330-3 (Part № PIHH-I-5) (2013)
ZX-330-3G (2008)
ZX-400R-3 (2010)
ZX-450 (2006)
ZX-600 (2007)
Компоненты EX-100-2 (2000)
Компоненты EX-100WD (2008)
Компоненты EX-120 (2008)
Компоненты EX-120-2 (2008)
Компоненты EX-160WD (2008)
Компоненты EX-200 (2008)
Компоненты EX-200-2 (2008)
Компоненты EX-200-3(LC, H)
Компоненты EX-220 (2008)
Компоненты EX-220-2 (2008)
Компоненты EX-270 (2008)
Компоненты EX-300 (2008)
Компоненты EX-300-2 (2000)
Компоненты EX-400 Type A (2006)
Компоненты EX-400 Type B (2006)
Компоненты EX-60 (2003)
Компоненты EX-60-2 (2000)
Компоненты EX-60-3 (2008)
Компоненты ZAXIS 450, 470, 500, 520 (2010)
Компоненты ZX-110 (2008)
Компоненты ZX-120 (130) (2008)
Компоненты ZX-160W (2008)
Компоненты ZX-200 (2008)
Компоненты ZX-230 (2008)
Компоненты ZX-270 (2008)
Компоненты ZX-330 (2008)
Компоненты ZX-450 (2006)
Схема
>
Не выбрано
FRAME <200,E, 210, H, K>
FRAME <N,240>
BOOM FOOT PIN
CENTER JOINT PARTS (UPPERSTRUCTURE)
COUNTERWEIGHT (<200, E, 210>, (B TYPE) <H, K>)
COUNTERWEIGHT ((HG TYPE) <K>, (WITH HANGING)
COUNTERWEIGHT (IRON CASTING) <N>
COUNTERWEIGHT <N,240>
COUNTERWEIGHT 0. 4T <N>
COUNTERWEIGHT LOT <N>
ENGINE
ENGINE SUPPORT
OIL FILTER PIPING
INTER COOLER PIPING
INTER COOLER NET
RADIATOR
RADIATOR SUPPORT
RADIATOR COVER
RESERVE TANK
AIR CLEANER
AIR CLEANER SUPPORT <200, E, 210, H, K>
AIR CLEANER SUPPORT <N,240>
AIR CLEANER PARTS <200, E, 210, H, K>
AIR CLEANER PARTS <N,240>
PRE CLEANER
PRE CLEANER PARTS <200, E, 210, H, K>
PRE CLEANER PARTS <N,240>
MUFFLER
FUEL TANK <200, E, 210, H, K>
FUEL TANK <N,240>
FUEL TANK SUPPORT
FUEL PIPING <200,E, 210, H, K>
FUEL PIPING <N,240>
FUEL FEED PUMP <200, E, 210, H, K>
FUEL FEED PUMP <N,240>
FUEL DOUBLE FILTER
PUMP DEVICE <200, 210, H, K, N,240>
PUMP DEVICE <E>
PUMP DEVICE SUPPORT
SWING DEVICE
SWING DEVICE SUPPORT
OIL TANK <200, E.210, H>
OIL TANK <K>
OIL TANK <N,240>
HIGH PERFORMANCE FILTER KIT <210,N,240>
SUCTION PIPING
DELIVERY PIPING <200, E, 210, H, K>
DELIVERY PIPING <N,240>
RETURN PIPING (1) <200, E, 210, H, K>
RETURN PIPING (1) <N,240>
RETURN PIPING (2) <200, E, 210, H, K>
RETURN PIPING (2) <N,240>
DRAIN PIPING <200, E, 210, H, K>
DRAIN PIPING <N,240>
MAIN PIPING (1)
MAIN PIPING (2) <200, E, 210, H, K>
MAIN PIPING (2) <N,240>
MAIN PIPING (3)
MAIN PIPING (4) <200, E, 210, H, K>
MAIN PIPING (4) <N,240>
BOOM BOTTOM PIPING
FRAME PARTS (BOOM DAMP ING) <200, E, H, K>
BOOM DAMPING SYSTEM <200, E, H, K>
SIDE BRANCH PIPING <200, E, 210, H, K>
SIDE BRANCH PIPING <N,240>
SWING REACTIONLESS VALVE <200,E, H, K>
AUTO. ENGINE CONTROL
ENGINE CONTROL MOTOR (AUTO. ENGINE CONTROL)
ENGINE STOP CABLE (AUTO. ENGINE CONTROL)
MANUAL ENGINE CONTROL <200,E,H, K>
MANUAL ENGINE CONTROL PARTS <200,E, H, K>
CONTROL LEVER (FRONT, SWING)
CONTROL LEVER (TRAVEL) <200, E, 210, H>
CONTROL LEVER (TRAVEL) <K>
CONTROL LEVER (TRAVEL) <N,240>
LOCK LEVER
CONTROL VALVE
CONTROL VALVE SUPPORT
SOLENOID VALVE <200, 210, H, K, N,240>
SOLENOID VALVE <E>
PILOT PIPING (A) <200, 210, H, K>
PILOT PIPING (A) <E>
PILOT PIPING (A) <N,240>
PILOT PIPING (B) (AUTO. ENGINE CONTROL)
PILOT PIPING (B) (MANUAL ENGINE CONTROL) <200, E,H, K>
PILOT PIPING (C-1) (AUTO. ENGINE CONTROL)
PILOT PIPING (C-1) (MANUAL ENGINE CONTROL) <200, E, H, K>
PILOT PIPING (C-2) (AUTO. ENGINE CONTROL) <200,210,H,K>
PILOT PIPING (C-2) (AUTO. ENGINE CONTROL) <E>
PILOT PIPING (C-2) (AUTO. ENGINE CONTROL) <N,240>
PILOT PIPING (C-2) (MANUAL ENGINE CONTROL) <200,E, H, K>
PILOT PIPING (D-1)
PILOT PIPING (D-2)
PILOT PIPING (E)
PILOT PIPING (F)
PILOT PIPING (G)
PILOT PIPING (H)
PILOT PIPING (1-1) <200, 210, H, K>
PILOT PIPING (1-1) <E>
PILOT PIPING (1-1) <N,240>
PILOT PIPING (I-2) <200,210,H,K>
PILOT PIPING (I-2) <E>
PILOT PIPING (I-2) <N,240>
PILOT PIPING (J)
CONSOLE
CONSOLE COVER (AUTO. ENGINE CONTROL)
CONSOLE COVER (MANUAL ENGINE CONTROL) <200,E, H,K>
RIGHT COVER
RADIO (AM/FM)
RADIO LESS PARTS
CONTROL UNIT
ELECTRIC PARTS (A) <200, E, 210, H, K>
ELECTRIC PARTS (A) <N,240>
ELECTRIC PARTS (B)
ELECTRIC PARTS (C) <200, 210, H, K, E>
ELECTRIC PARTS (C) <N,240>
ELECTRIC PARTS (D) (AUTO. ENGINE CONTROL)
ELECTRIC PARTS (D) (MANUAL ENGINE CONTROL) <200, E, H, K>
ELECTRIC PARTS (E) (AUTO. ENGINE CONTROL) <200, 210, H, K, N,240>
ELECTRIC PARTS (E) (AUTO. ENGINE CONTROL) <E>
ELECTRIC PARTS (E) (MANUAL ENGINE CONTROL) <200,E,H, K>
ELECTRIC PARTS (F) (MANUAL ENGINE CONTROL) <200, E, H, K>
SWITCH BOX (AUTO. ENGINE CONTROL) <200, 210, H, K, N,240>
SWITCH BOX (AUTO. ENGINE CONTROL) <E>
SWITCH BOX (MANUAL ENGINE CONTROL) <200, E, H, K>
SATELLITE DATA COMMUNICATOR PART
FRONT HEAD LAMP <200, 210, H, K, N,240>
FRONT HEAD LAMP <E>
FRONT HEAD LAMP (4 LAMP) <210, N,240>
FRONT HEAD LAMP (2 LAMP WITH SUNSHADE) <210, N,240>
FRONT HEAD LAMP (4 LAMP WITH SUNSHADE) <210, N,240>
REAR HEAD LAMP <200, E, H, K>
REAR HEAD LAMP (1 LAMP) <210, N,240>
REAR HEAD LAMP (2 LAMP) <210, N,240>
ROTATING BEACON <210,N,240>
FUSE <210, N,240>
BOOM LIGHT HARNESS (MONO BOOM)
BOOM LIGHT HARNESS (2P-B00M)
BOOM LIGHT (R) <200, E, H, K>
BOOM LIGHT (R) (MONO BOOM) (WITH LIGHT COVER) <210, N,240>
BOOM LIGHT (R) (2P-B00M) (WITH LIGHT COVER) <210, N,240>
HORN
SWING MOTION ALARM <200, E, H, K>
TRAVEL MOTION ALARM <200, E, H, K>
OVER LOAD ALARM DEVICE
AIR CONDITIONER (1)
AIR-CON. UNIT
AIR CONDITI ONER (2) <200, E, 210, H, K>
AIR CONDITIONER (2) <N,240>
AIR CONDITIONER (3) <200, E, 210, Hr K>
AIR CONDITIONER (3) <N,240>
AIR CONDITIONER (4)
CONDENSER NET
HEATER PIPING
CAR HEATER
HEATER UNIT
DUCT
REAR BOX (AIR-CON., HEATER)
REAR BOX (HEATER LESS)
REAR BOX (12V POWER SUPPLY)
POWER UNIT (12V)
CAB GROUP <200, E, H, K>
CAB GROUP (0PG) <210, N,240>
CAB <200, E, H>
CAB (HG-Type) <K>
CAB (STD) <210,N,240>
CAB (WITH GUARD SEAT) <210, N,240>
CAB (WITH VANDAL HOOK) <210, N,240>
CAB (OPG) <210, N,240>
CAB (1) <200,E,210,H,N,240>
CAB (1) (HG-Type) <K>
CAB (2) <200, E, H>
CAB (2) (HG-Type) <K>
CAB (2) <210,N,240>
CAB (3)
CAB (3) (WITH VANDAL HOOK) <210,N,240>
CAB (4)
CAB (5) <200,E,H,K>
CAB (5) <210,N,240>
CAB (6) <200, E,H>
CAB (6) (HG-Type) <K>
CAB (6) <210,N,240>
CAB (7)
CAB (8) (HG-Type) <K>
CAB (8) (OPG) <210,N,240>
CAB GUARD
CAB GUARD (OPG) <210, N,240>
WINDOW GUARD <210,N,240>
CAB MIRROR
POWER WINDOW
POWER WINDOW PARTS
WINDOW WASHER
SUNSHADE <200,210,H,K,N,240>
SUNSHADE <E>
SUNVISOR <210,N,240>
FLOOR PARTS
FLOOR PARTS (HEATER LESS)
FLOOR PLATE
SEAT
SUSPENSION SEAT
SUSPENSION SEAT (WITH HEATER) <210,N,240>
AIR-SUSPENSION SEAT (WITH HEATER) <210,N,240>
HEATER SEAT PARTS <210,N,240>
SEAT BELT (SUSPENSION SEAT)
SEAT BELT (AIR-SUSPENSION SEAT) <210,N,240>
SEAT STAND <200, H, K>
SEAT STAND <E>
SEAT STAND (SUSPENSION)
SEAT STAND (SUSPENSION)
COVER (1) <200, E,210, H, K>
COVER (1) <N,240>
COVER (2) <200, E, 210, H, K>
COVER (2) <N,240>
COVER (3) <200, 210, H, K>
COVER (3) <E>
COVER (3) <N,240>
COVER (4) <200,E,210,H,K>
COVER (4) <N,240>
COVER (5) <200,E, 210, H, K>
COVER (5) <N,240>
COVER (6) <200, E, 210, H, K>
COVER (6) <N,240>
COVER (7) <200, E, 210, H, K>
COVER (7) <N,240>
TROPICAL COVER
DOOR LOCK (1)
DOOR LOCK (2)
WEATHER STRIP
ENGINE COVER <200, E, 210, H, K>
ENGINE COVER <N,240>
TOOL COVER <200, E, 210, H, K>
TOOL COVER <N,240>
UNDER COVER <200, E,210>
UNDER COVER <N,240>
UNDER COVER (B TYPE) <H, K>
UNDER COVER (HG TYPE) <K>
TRACK FRAME (STD. TRACK) <200, E, 210>
TRACK FRAME (STD. TRACK) <H, K>
TRACK FRAME (LC TRACK) <200, E, 210>
TRACK FRAME (LC TRACK) <H, K>
TRACK FRAME <N>
TRACK FRAME <240>
TRACK GUARD <200, E, 210, K, N>
TRACK GUARD (HEAVY DUTY TYPE X 4) <H, N>
TRACK GUARD (HEAVY DUTY TYPE X 2)
FULL-LENGTH TRACK GUARD (STD. TRACK)
FULL-LENGTH TRACK GUARD KIT (STD. TRACK)
FULL-LENGTH TRACK GUARD (LC TRACK)
FULL-LENGTH TRACK GUARD KIT (LC TRACK)
FULL-LENGTH TRACK GUARD <240>
FULL-LENGTH TRACK GUARD <240>
STEP <H, K>
ADDITIONAL STEP
TRACK UNDER COVER <K, N,240>
SWING BEARING
SWING BEARING PARTS
TRAVEL DEVICE <200, E, 210, H, K>
TRAVEL DEVICE <N,240>
TRAVEL DEVICE SUPPORT
FRONT IDLER (STD,EU1, EU3)
FRONT IDLER (EU2,EU4)
ADJUSTER (STD,EU1)
ADJUSTER (EU2)
ADJUSTER (EU3)
UPPER ROLLER (STD,EU1,EU3)
UPPER ROLLER (EU2, EU4)
LOWER ROLLER (STD. TRACK) (STD.EU1)
LOWER ROLLER (STD. TRACK) (EU2)
LOWER ROLLER (LC TRACK) (STD, EU1, EU3)
LOWER ROLLER (LC TRACK) (EU2,EU4)
TRACK-LINK (STD. TRACK) (STD)
TRACK-LINK (STD. TRACK) (EU1)
TRACK-LINK (STD. TRACK) (EU2)
TRACK-LINK (LC TRACK) (STD)
TRACK-LINK (LC TRACK) (EU1)
TRACK-LINK (LC TRACK) (EU2)
TRACK-LINK (500G) <N> (STD,EU1)
TRACK-LINK (500G) <N> (EU2)
TRACK-LINK (550G) (EU3)
PAD CRAWLER B600 (SEPARATE-TYPE) (STD. TRACK)
PAD CRAWLER B600 (SEPARATE-TYPE) (LC TRACK)
CENTER JOINT
CENTER JOINT SUPPORT (TRACK)
TRAVEL PIPING (STD. TRACK, LC TRACK)
TRAVEL PIPING <240>
TRAVEL MOTOR COVER
STD. BOOM
BOOM <210, H, N,240>
К BOOM
ARM 2.22M
ARM 2.91M
H ARM 2.91M
К ARM 2.91M
LINK A <200, E, 210, H, N,240>
LINK A (WITH HOOK) <K>
LINK В <200, E, 210, N>
LINK В (В TYPE) <H, K, 240>
LINK В (HG TYPE) <K>
FRONT PIPING (MONO BOOM)
BOOM CYLINDER (R)
BOOM CYLINDER (L)
ARM CYLINDER <200, E, 210, H. N,240>
ARM CYLINDER <K>
BUCKET CYLINDER <200, E, 210, H, N,240>
BUCKET CYLINDER <K>
LUBRICATE PIPING (MONO BOOM)
AUTO. LUBRICATE DEVICE <200, E, 210, H, K>
AUTO. LUBRICATE DEVICE <N,240>
AUTO. LUBRICATE PIPING (BOOM)
AUTO. LUBRICATE PIPING (ARM)
BUCKET 0.51 (JIS 94)
BUCKET 0.8 (JIS 94)
BUCKET 0.8 ( JIS 94) (SIDE AND BOTTOM WEAR PLATE) (NUT TYPE)
BUCKET 0.8 (JIS 94) (SIDE AND BOTTOM WEAR PLATE) (RING TYPE)
H BUCKET 0.8 (JIS 94)
H BUCKET 0.8 (JIS 94) <SUPER V TOOTH>
К BUCKET 0.8 (JIS 94)
BUCKET 0.91 (JIS 94)
BUCKET 1.1 (JIS 94)
BUCKET 1.2 (J IS 94)
SIDE-PIN Type BUCKET 0.8 (JIS 94)
RIPPER BUCKET 0.6 (JIS 94)
ONE-POINT RIPPER
SLOPE-FINISHING BLADE
V-TYPE BUCKET 0.4 (JIS 94)
HOSE RUPTURE VALVE PIPING (MONO BOOM) :1 (ISO SPEC)
HOSE RUPTURE VALVE PIPING (MONO BOOM) :2 (ISO SPEC)
HOSE RUPTURE VALVE PIPING (MONO BOOM) :3 (ISO SPEC)
HOSE RUPTURE VALVE PIPING (ARM) (ISO SPEC) (MONO BOOM) :1
HOSE RUPTURE VALVE PIPING (ARM) (ISO SPEC) (MONO BOOM) :2
2P-B00M <210, N,240>
ARM 2.03M <210, N,240>
ARM 2.42M <210, N,240>
ARM 3. 51M <210,N,240>
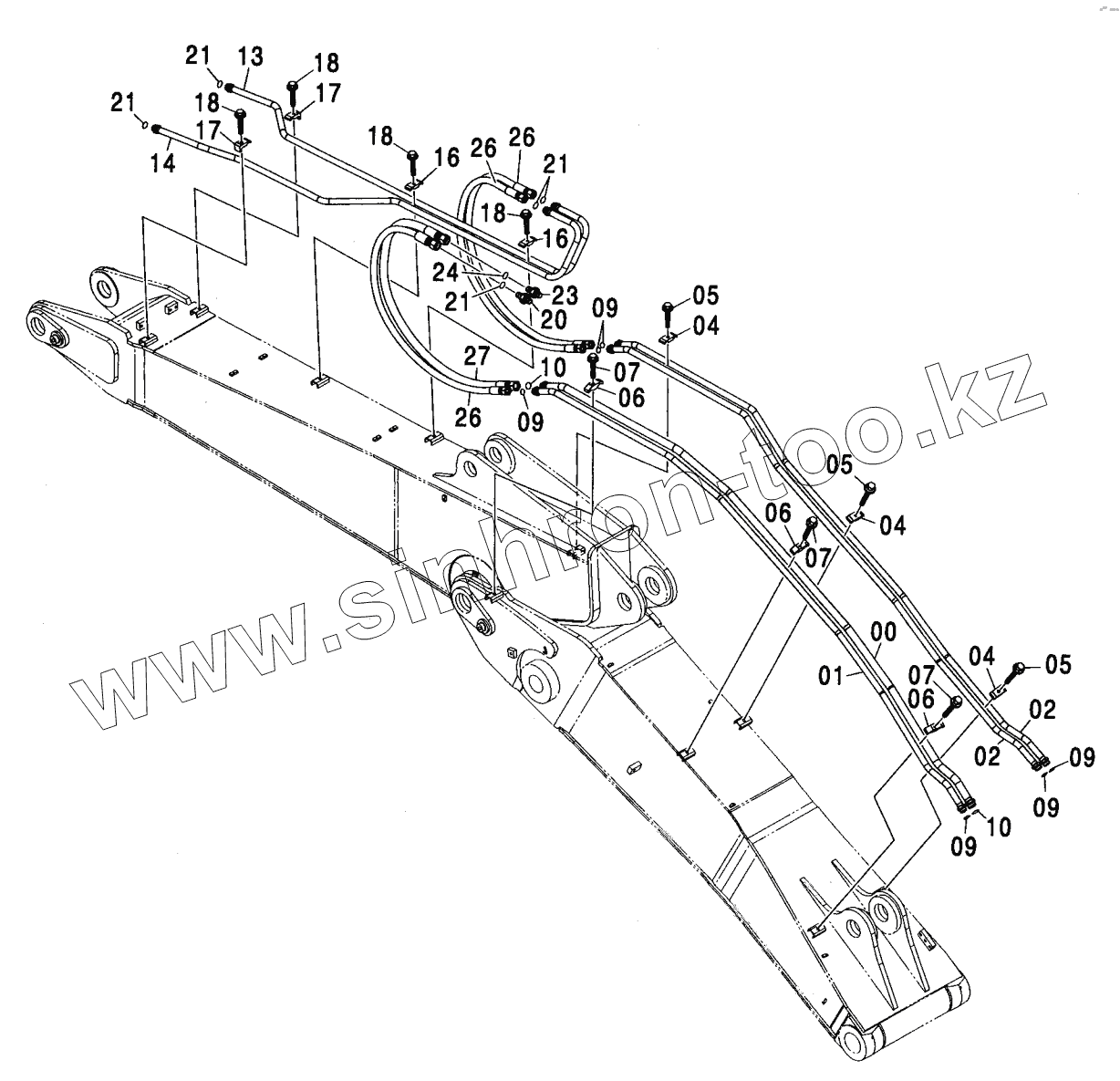
FRONT PIPING (2P-B00M) <210,N,240>
ARM CYLINDER (2P-B00M) <210, N,240>
POSITIONING CYLINDER (2P-B00M) <210, N,240>
LUBRICATE PIPING (2P-B00M) <210,N,240>
CONTROL PEDAL (2P-B00M) <210, N,240>
CONTROL PEDAL (2P-B00M) <210, H,240>
PILOT PIPING (2P-B00M) <210, N,240>
PILOT PIPING (2P-B00M/PT0) <210, N,240>
MAIN PIPING (2P-B00M) <210, N,240>
HOSE RUPTURE VALVE PIPING (2P-B00M) :1 (ISO SPEC)
HOSE RUPTURE VALVE PIPING (2P-B00M) :2 (ISO SPEC)
HOSE RUPTURE VALVE PIPING (2P-B00M) :3 (ISO SPEC)
HOSE RUPTURE VALVE PIPING (ARM) (ISO SPEC) (2P-B00M) :1
HOSE RUPTURE VALVE PIPING (ARM) (ISO SPEC) (2P-B00M) :2
HOSE RUPTURE VALVE PIPING (POSITIONING) (ISO SPEC) (2P-B00M) :1
HOSE RUPTURE VALVE PIPING (POSITIONING) (ISO SPEC) (2P-B00M) :2
BOOM BOTTOM PIPING (RIVER MAINTENANCE)
BOOM (TYPE 15)
ARM (TYPE 15)
BUCKET 0.4 (JIS 94)
BUCKET 0.5 (JIS 94)
DITCH CLEANING BUCKET 0.5 (JIS 94) (WITHOUT POINTS)
DITCH CLEANING BUCKET 0.5 (JIS 94) (WITH POINTS)
FRONT PIPING (1) (TYPE 15)
FRONT PIPING (2) (TYPE 15)
FRONT PIPING (3) (TYPE 15)
LUBRICATE PIPING (1) (TYPE 15)
LUBRICATE PIPING (2) (TYPE 15)
CONTROL PEDAL (BREAKER & CRUSHER)
PILOT PIPING (BREAKER & CRUSHER)
MAIN PIPING (BREAKER & CRUSHER) <200, E, H, K>
MAIN PIPING (BREAKER & CRUSHER) <210,N,240>
BOOM PIPING (BREAKER & CRUSHER) <200,E, H, K>
BOOM PIPING (BREAKER & CRUSHER) (MONO BOOM) <210,N,240>
BOOM PIPING (BREAKER & CRUSHER) (2P-B00M) :1 <210,N,240>
BOOM PIPING (BREAKER & CRUSHER) (2P-B00M) :2 <210, N,240>
ARM PIPING (BREAKER & CRUSHER) <200, E, H, K>
ARM PIPING (2.03M ARM) (BREAKER & CRUSHER) <210,N,240>
ARM PIPING (2.42M ARM) (BREAKER & CRUSHER) <210,N,240>
ARM PIPING (2.91M ARM) (BREAKER & CRUSHER) <210,N,240>
ARM PIPING (3.51M ARM) (BREAKER & CRUSHER) <210, N,240>
NPK COMMON PIPING (BREAKER & CRUSHER) <200, E, H, K>
HSB COMMON PIPING (BREAKER & CRUSHER) (MONO BOOM)
HSB BREAKER PIPING (BREAKER & CRUSHER) (2P-B00M) <210, N,240>
HSB COMMON PIPING (BREAKER & CRUSHER) (2P-B00M) <210,N,240>
PILOT PIPING (FLOW RATE SELECTOR) -1
PILOT PIPING (FLOW RATE SELECTOR) -2
ELECTRIC PARTS (FLOW RATE SELECTOR)
LINE FILTER (for Saudi Arabia)
LINE FILTER (for Saudi Arabia)
TRAVEL HEAT PARTS <TRAVEL HEAT>
TRAVEL HEAT ARTICLE <TRAVEL HEAT>
PILOT PIPING (C-2) (AUTO. ENGINE CONTROL) <TRAVEL HEAT>
PILOT PIPING (J) <TRAVEL HEAT>
TRAVEL PIPING (STD. TRACK) <TRAVEL HEAT>
TRAVEL PIPING (LC TRACK) <TRAVEL HEAT>
MAIN PIPING (PTO) (MONO BOOM) <N,240>
PILOT PIPING (PTO/V, FLOW RATE SELECTOR) <N,240>
ADD. GEAR PUMP (30L) PIPING <210>
ADD. GEAR PUMP (30L) PIPING <N,240>
ADD. GEAR PUMP (50L) PIPING <210, N,240>
ELECTRIC TYPE CONTROL PARTS (PTO) (MONO BOOM) <N,240>
QUICKHITCH PIPING (MAIN) <210,N,240>
QUICKHITCH PIPING (PILOT) <210,N,240>
QUICKHITCH PIPING (MONO BOOM) <210, N,240>
QUICKHITCH PIPING (2P-B00M) :1 <210, N,240>
QUICKHITCH PIPING (2P-B00M) :2 <210,N,240>
QUICKHITCH PIPING (2.03M ARM) <210, N,240>
QUICKHITCH PIPING (2.42M ARM) <210, N,240>
QUIGKHITGH PIPING (2.91M ARM) <210, N,240>
QUICKHITCH PIPING (3.51M ARM) <210, N,240>
ASSIST PIPING (MONO BOOM) <210,N,240>
ASSIST PIPING (2P-B00M) :1 <210, N,240>
ASSIST PIPING (2P-B00M) :2 <210,N,240>
ASSIST PIPING (2.03M ARM) <210, N,240>
ASSIST PIPING (2.42M ARM) <210, N,240>
ASSIST PIPING (2.91M ARM) <210, N,240>
ASSIST PIPING (3.51M ARM) <210,N,240>
QUICKHITCH / ASSIST COMMON PARTS (MONO BOOM) <210,N,240>
QUICKHITCH / ASSIST COMMON PARTS (2P-B00M) :1 <210,N,240>
QUICKHITCH / ASSIST COMMON PARTS (2P-B00M) :2 <210,N,240>
CLAMSHELL PIPING (2.03M ARM) <210,N,240>
CLAMSHELL PIPING (2.42M ARM) <210,N,240>
CLAMSHELL PIPING (2.91M ARM) <210,N,240>
CLAMSHELL PIPING (3.51M ARM) <210, N,240>
2 WAY MULTI LEVER (STD)
2 WAY MULT I LEVER PIPING (STD)
4 WAY MULT I LEVER (STD)
4 WAY MULT I LEVER PIPING (STD)
FILTER KIT
TOOLS
00
01
02
02
04
04
04
05
05
05
05
06
06
06
07
07
07
07
09
09
09
09
09
10
10
13
14
16
16
17
17
18
18
18
18
18
20
21
21
21
21
23
24
26
26
26
27
Позиция на иллюстрации
Заводской номер детали
Название детали
00
8088816
PIPE
01
8088817
PIPE
02
8088818
PIPE
04
4189859
CLAMP, PIPE
05
J011260
BOLT, SEMS
05
J271260
BOLT, SEMS
06
4153488
CLAMP, PIPE
07
J011270
BOLT, SEMS
07
J271270
BOLT, SEMS
09
4187308
O-RING
10
4187328
O-RING
13
8088819
PIPE
14
8088820
PIPE
16
4189859
CLAMP, PIPE
17
4190126
CLAMP, PIPE
18
J011260
BOLT, SEMS
18
J271260
BOLT, SEMS
20
А853186
ADAPTER, S
20A
4506429
O-RING
21
4187308
O-RING
23
А853188
ADAPTER, S
23A
4506429
O-RING
24
4187328
O-RING
26
4400846
HOSE
27
4400849
HOSE
Содержащиеся в справочниках-каталогах запасные части и детали не предлагаются к продаже, а носят исключительно информационный характер
Дополнительная информация
×
Название:
Номер:
Примечание: