Вернуться на главную
Поиск
Каталоги запчастей к технике
Спецтехника
Hitachi
ZX-160W
BRAKE PIPING (2)
Каталог запасных частей к технике: Hitachi ZX-160W. BRAKE PIPING (2)
zoom-in
zoom-out
enlarge
shrink
circle-right
circle-left
file-text2
info
cart
Тип техники
Не выбрано
Легковые автомобили
Грузовые автомобили и прицепы
Автобусы
Сельхозтехника
Спецтехника
Двигатели
Мототехника
Марка
Не выбрано
Ammann
BOMAG
CARMIX
CASE IH
Changlin
ChengGong
Dimex
Doosan
DYNAPAC
Foton
HAMM
Hidromek
Hitachi
Hyundai
JCB
JLG
John Deere
Komatsu
LIEBHERR
LiuGong
Lonking (LongGong)
Luneng
MANITOU
Mitsuber
New Holland
PENGPU
RM-Terex
SANY
SDLG
SEM
Shantui
Shehwa HBXG
Soosan
TIGARBO
VOGELE
Volvo
WAY
WIRTGEN
XCMG
XGMA
Xiamen
YTO
Yuchai
Zoomlion
Автокран
АЗСМ
Алтайлесмаш
Амкодор
АОМЗ
Атек
АТЗ
Балканкар Рекорд
БелАЗ
Беловеж
Борекс
Брянский Арсенал
Булат
ВЭКС
ГАЗ
Геомаш
Гидромаш
Донекс
Дормаш
Дормашина
Дорэлектромаш
ДЭЗ
ЕлАЗ
ЗЗГТ
Ижнефтемаш
Канаш-электрокар
КЗКТ
ККЗ
Клевер
Клинцовский автокрановый завод
КМЗ
КМЗ 1 Мая
Ковровец
Коммаш
Кранэкс
КЭЗ
КЭМЗ
ЛЗА
МАЗ
МЗИК
МЗКМ
МЗКТ
Михневский РМЗ
МоАЗ
Мозырский МЗ
МТЗ
ОЗП
Онежец
ПАО "ТЗА"
ППС Детва
Промтрактор
ПТЗ
Раскат
СпецАгрегат
ТВЭКС
ТТМ
УВЗ
Угличмаш
УЗТМ
ХТЗ
ЧЗКМ
ЧСДМ
ЧТЗ
ЭКСКО
ЭКСМАШ
ЮрМаш
Модель
Не выбрано
EX-100-2 (2000)
EX-100-3 (2008)
EX-100WD (2008)
EX-120 (2008)
EX-120-2 (2008)
EX-160WD (2008)
EX-200 (2008)
EX-200-2 (2008)
EX-200-3
EX-220 (2008)
EX-220-2 (2008)
EX-270 (2008)
EX-300 (2008)
EX-300-2 (2000)
EX-400 Type A (2006)
EX-400 Type B (2006)
EX-60 (2003)
EX-60-2 (2000)
EX-60-3 (2008)
EX-70 (2017)
LX-110-7 (2008)
LX-130-7 (2008)
LX-150-2 (2008)
LX-160-7 (2008)
LX190-7/LX230-7 (2008)
Zaxis 190-3
ZAXIS 200-5A (2018)
ZAXIS 200LC-5A (2018)
ZAXIS 210H-5A (2018)
ZAXIS 210K-5A (2018)
ZAXIS 210LCH-5A (2018)
ZAXIS 210LCK-5A (2018)
ZAXIS 330-5G (2017)
ZAXIS 350H-5G (2017)
ZAXIS 48U-5A (2020)
ZAXIS 850-3
ZAXIS 870H-3
ZX-110 (2008)
ZX-160W (2008)
ZX-200 (2008)
ZX-230 (2008)
ZX-25 (2008)
ZX-270 (2008)
ZX-330 (2010)
ZX-330-3 (Part № PIHH-I-3) (2008)
ZX-330-3 (Part № PIHH-I-5) (2013)
ZX-330-3G (2008)
ZX-400R-3 (2010)
ZX-450 (2006)
ZX-600 (2007)
Компоненты EX-100-2 (2000)
Компоненты EX-100WD (2008)
Компоненты EX-120 (2008)
Компоненты EX-120-2 (2008)
Компоненты EX-160WD (2008)
Компоненты EX-200 (2008)
Компоненты EX-200-2 (2008)
Компоненты EX-200-3(LC, H)
Компоненты EX-220 (2008)
Компоненты EX-220-2 (2008)
Компоненты EX-270 (2008)
Компоненты EX-300 (2008)
Компоненты EX-300-2 (2000)
Компоненты EX-400 Type A (2006)
Компоненты EX-400 Type B (2006)
Компоненты EX-60 (2003)
Компоненты EX-60-2 (2000)
Компоненты EX-60-3 (2008)
Компоненты ZAXIS 450, 470, 500, 520 (2010)
Компоненты ZX-110 (2008)
Компоненты ZX-120 (130) (2008)
Компоненты ZX-160W (2008)
Компоненты ZX-200 (2008)
Компоненты ZX-230 (2008)
Компоненты ZX-270 (2008)
Компоненты ZX-330 (2008)
Компоненты ZX-450 (2006)
Схема
>
Не выбрано
FRAME
BOOM FOOT PIN
CENTER JOINT PARTS (UPPERSTRUCTURE)
COUNTERWEIGHT
ENGINE
ENGINE SUPPORT
OIL FILTER PIPING
INTER COOLER PIPING
INTER COOLER NET
RADIATOR
RADIATOR SUPPORT
RADIATOR COVER
RESERVE TANK
AIR CLEANER
AIR CLEANER SUPPORT
MUFFLER
FUEL TANK
FUEL TANK SUPPORT
FUEL PIPING
FUEL FEED PUMP
PUMP DEVICE
PUMP DEVICE SUPPORT
SWING DEVICE
SWING DEVICE SUPPORT
OIL TANK
SUCTION PIPING
DELIVERY PIPING
RETURN PIPING (1)
RETURN PIPING (2)
DRAIN PIPING
MAIN PIPING (1)
MAIN PIPING (2)
MAIN PIPING (3)
MAIN PIPING (4)
MAIN PIPING (5)
MAIN PIPING (6)
BOOM BOTTOM PIPING
STEERING PIPING (UPPERSTRUCTURE)
STEERING PIPING (UPPERSTRUCTURE)
ENGINE CONTROL
ENGINE CONTROL MOTOR
ENGINE STOP CABLE
CONTROL LEVER (FRONT, SWING)
BLADE LEVER
CONTROL PEDAL (ACCELERATOR & BRAKE)
SPARE PEDAL
FOOT REST
STEERING DEVICE
COLUMN BOX
INDICATOR PANEL
LOCK LEVER
SWING LOCK
CONTROL VALVE
CONTROL VALVE SUPPORT
SOLENOID VALVE
PILOT PIPING (A)
PILOT PIPING (B)
PILOT PIPING (C-1)
PILOT PIPING (C-2)
PILOT PIPING (D-1)
PILOT PIPING (D-2)
PILOT PIPING (D-3)
PILOT PIPING (E-1)
PILOT PIPING (E-2)
PILOT PIPING (F-1)
PILOT PIPING (F-2)
PILOT PIPING (G)
PILOT PIPING (H)
PILOT PIPING (I)
PILOT PIPING (J)
BRAKE PIPING (1)
BRAKE PIPING (2)
BRAKE PIPING (3)
TRANSMISSION PIPING (1-1)
TRANSMISSION PIPING (1-2)
CONSOLE
CONSOLE COVER
RIGHT COVER
RADIO (AM/FM)
RADIO LESS PARTS
CONTROL UNIT
ELECTRIC PARTS (A)
ELECTRIC PARTS (B)
ELECTRIC PARTS (C)
ELECTRIC PARTS (D)
ELECTRIC PARTS (E)
SWITCH BOX (OR)
SATELLITE DATA COMMUNICATOR PARTS
FRONT HEAD LAMP (2 LAMP)
FRONT HEAD LAMP (2 LAMP WITH SUNSHADE)
FRONT HEAD LAMP (4 LAMP)
FRONT HEAD LAMP (4 LAMP WITH SUNSHADE)
REAR HEAD LAMP (1 LAMP) <EU>
REAR HEAD LAMP (2 LAMP)
ROTATING BEACON
BOOM LIGHT HARNESS (MONO BOOM)
BOOM LIGHT HARNESS (2P-B00M)
BOOM LIGHT (R)
HORN
AIR CONDITIONER (1)
AIR-CON. UNIT
AIR CONDITIONER (2)
AIR CONDITIONER (3)
AIR CONDITIONER (4)
COMPRESSOR
CONDENSER NET
HEATER PIPING
CAR HEATER
DUCT (AIR-CON.)
DUCT (HEATER)
REAR BOX (AIR-CON.)
REAR BOX (HEATER)
REAR BOX (HEATER LESS)
REAR BOX (12V POWER SUPPLY)
POWER UNIT (12V)
CAB GROUP
CAB (STD)
CAB (WITH GUARD SEAT)
CAB (WITH VANDAL HOOK)
CAB (OPG)
CAB (1)
CAB (2)
CAB (3)
CAB (3) (WITH VANDAL HOOK)
CAB (4)
CAB (5)
CAB (6)
CAB (7)
CAB (8) (OPG)
CAB GUARD
CAB GUARD
WINDOW GUARD
REARVIEW MIRROR (LEFT) <EU>
REAR VIEW MIRROR (RIGHT) <EU>
WINDOW WASHER
SUNSHADE
SUNVISOR
FLOOR PARTS
FLOOR PARTS (HEATER LESS)
FLOOR PLATE
SUSPENSION SEAT (WITHOUT HEATER)
SUSPENSION SEAT (WITH HEATER)
AIR-SUSPENSION SEAT (WITH HEATER)
HEATER SEAT PARTS
ARM REST
SEAT BELT
SEAT STAND
COVER (1)
COVER (2)
COVER (3)
COVER (4)
DOOR LOCK (1)
DOOR LOCK (2)
ENGINE COVER
TOOL COVER
UNDER COVER
CHASSIS
SWING BEARING
SWING BEARING PARTS
POWER TRAIN
AXLE WIDE
TRAVEL MOTOR 20K
TIRE
STOPPER
TOOL BOX
STEP
RIGHT TOOL BOX
CENTER JOINT
CENTER JOINT SUPPORT (CARRIER)
STEERING PIPING (CARRIER)
FRONT PIPING
FRONT PIPING
REAR PIPING
REAR PIPING
BRAKE PIPING (CARRIER)
TRANSMISSION PIPING (CARRIER)
RAM PIPING
TRAVEL PIPING
CLAM PIPE PARTS
MONO BOOM
ARM 2.01M (MONO BOOM) <JPN> <EXPORT>
ARM 2. 22M (MONO BOOM) <EU>
ARM 2. 58M (MONO BOOM)
ARM 3.10M
LINK A
LINK A (WITH HOOK)
LINK В
FRONT PIPING (MONO BOOM)
BOOM CYLINDER (R) (MONO BOOM)
BOOM CYLINDER (L) (MONO BOOM)
ARM CYLINDER (MONO BOOM)
BUCKET CYLINDER
LUBRICATE PIPING (MONO BOOM)
BUCKET 0.52 (JIS 94)
BUCKET 0.60 (JIS 94)
BUCKET 0.70 (JIS 94)
BUCKET 0.82 (JIS 94)
RIPPER BUCKET 0.6 (JIS 94)
ONE-POINT RIPPER
SLOPE-FINISHING BLADE
V-TYPE BUCKET 0.4 (JIS 94)
HOSE RUPTURE VALVE PIPING (BOOM) (MONO BOOM)
HOSE RUPTURE VALVE PIPING (ARM) (MONO BOOM)
OVER LOAD ALARM DEVICE (MONO BOOM)
2P-B00M
ARM 2.21M (2P-B00M) <EU>
ARM 2. 50M (2P-B00M) <EU>
FRONT PIPING (2P-B00M)
FRONT PIPING (WITH BALL VALVE) (2P-B00M)
BOOM CYLINDER (R) (2P-B00M)
BOOM CYLINDER (L) (2P-B00M)
ARM CYLINDER (2P-B00M)
BOOM CYLINDER PIPING (WITH BALL VALVE) (2P-B00M)
POSITIONING CYLINDER
LUBRICATE PIPING (2P-B00NI)
SPARE MAIN PIPING (2P-B00M)
SPARE PILOT PIPING (2P-B00M)
SPARE FLOW PATE SELECTOR (2P-B00M)
HOSE RUPTURE VALVE PIPING (BOOM) (2P-B00M)
HOSE RUPTURE VALVE PIPING (ARM) (2P-B00M)
HOSE RUPTURE VALVE PIPING (POSITIONING)
OVER LOAD ALARM DEVICE (2P-B00M)
BLADE
WIDE BLADE
BLADE PIPING
PTO PARTS (BLADE & OUTRIGGER)
OUTRIGGER
OUTRIGGER PIPING
OUTRIGGER PIPING
OUTRIGGER PIPING
OUTRIGGER PIPING
OUTRIGER PIPING (CARRIER)
PILOT PIPING (OR)
PILOT PIPING (ATT)
MAIN PIPING (BREAKER & CRUSHER)
SPARE PILOT PIPING (BREAKER & CRUSHER)
BOOM PIPING (BREAKER & CRUSHER) <JPN> <EXPORT>
BOOM PIPING (BREAKER & CRUSHER) <EU>
BOOM PIPING (BREAKER & CRUSHER) (2P-B00M) <EU>
ARM PIPING (BREAKER & CRUSHER) (2.21M, 2. 22M ARM) <EU>
ARM PIPING (BREAKER & CRUSHER) (2.50M ARM) <EU>
ARM PIPING (BREAKER & CRUSHER) (2.58M ARM) <JPN> <EXPORT>
ARM PIPING (BREAKER & CRUSHER) (2.58M ARM) <EU>
ARM PIPING (BREAKER & CRUSHER) (3.10M ARM) <EU>
HSB BREAKER PIPING (MONO BOOM)
HSB BREAKER PIPING (2P-B00M)
HSB COMMON PIPING (BREAKER & CRUSHER) (MONO BOOM)
HSB COMMON PIPING (BREAKER & CRUSHER) (2P-B00M)
QUICKHITCH PIPING (MONO BOOM) <EU>
QUICKHITCH PIPING (2P-B00M) <EU>
QUICKHITCH PIPING (2.21M, 2. 22M ARM) <EU>
QUICKHITCH PIPING (2.50M ARM) <EU>
QUICKHITCH PIPING (2.58M ARM) <EU>
QUICKHITCH PIPING (3.10M ARM) <EU>
ASSIST PIPING (MONO BOOM) <EU>
ASSIST PIPING (2P-B00M) <EU>
ASSIST PIPING (2.21M, 2.22M ARM) <EU>
ASSIST PIPING (2.50M ARM) <EU>
ASSIST PIPING (2.58M ARM) <EU>
ASSIST PIPING (3.10M ARM) <EU>
QUICKHITCH / ASSIST COMMON PARTS (MONO BOOM)
QUICKHITCH / ASSIST COMMON PARTS (2P-B00M)
CLAMSHELL PIPING (2.21M. 2.22M ARM) <EU>
CLAMSHELL PIPING (2.50M, 2.58M ARM) <EU>
CLAMSHELL PIPING (3.10M ARM) <EU>
QUICKHITCH / CLAMSHELL COMMON PARTS (ARM)
TOOLS
NAME PLATE 1
NAME PLATE 2
NAME PLATE 3
NAME PLATE 4
00
00
00A
00A
04
04A
05
07
09
09
09A
09A
10
10A
12
13
15
15A
16
16A
17
17A
19
19
24
28
28A
30
31
32
44
44
44A
44B
45
45
45A
45B
46
46
46A
46B
47
49
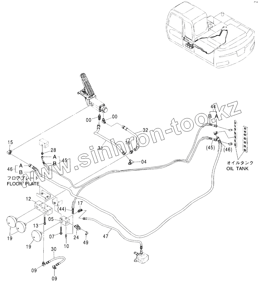
Позиция на иллюстрации
Заводской номер детали
Название детали
00
А852334
ELBOW, S
00A
4509180
O-RING
04
А852344
ELBOW, S
04A
4506418
O-RING
05
4475645
MAN I FOLD, BLOCK
07
J011080
BOLT, SEMS
09
А852333
ELBOW, S
09A
4509180
O-RING
10
А852322
ELBOW, S
10A
957366
O-RING
12
4447589
VALVE-BLOCK
13
J011085
BOLT, SEMS
15
А852344
ELBOW, S
15A
4506418
O-RING
16
А852144
ADAPTER, S
16A
4506418
O-RING
17
А852333
ELBOW, S
17A
4509180
O-RING
19
4459332
ACCUMULATOR
24
4459498
SWITCH, PRES.
28
А852122
ADAPTER, S
28A
957366
O-RING
30
4295828
HOSE
31
4466518
HOSE
32
4466512
HOSE
44
9223144
HOSE ASSY
44A
4484579
HOSE (DB)
44B
4327293
PROTECTOR
45
9223146
HOSE ASSY
45A
4489145
HOSE (BRT)
45B
4327293
PROTECTOR
46
9224856
HOSE ASSY
46A
4601144
HOSE (ВТ)
46B
4044420
PROTECTOR
47
4602357
HOSE (BP)
49
4257159
BRACKET
Содержащиеся в справочниках-каталогах запасные части и детали не предлагаются к продаже, а носят исключительно информационный характер
Дополнительная информация
×
Название:
Номер:
Примечание: