Вернуться на главную
Поиск
Каталоги запчастей к технике
Спецтехника
Hitachi
ZAXIS 48U-5A
OIL TANK, S/N: 030002-
Каталог запасных частей к технике: Hitachi ZAXIS 48U-5A. OIL TANK, S/N: 030002-
zoom-in
zoom-out
enlarge
shrink
circle-right
circle-left
file-text2
info
cart
Тип техники
Не выбрано
Легковые автомобили
Грузовые автомобили и прицепы
Автобусы
Сельхозтехника
Спецтехника
Двигатели
Мототехника
Марка
Не выбрано
Ammann
BOMAG
CARMIX
CASE IH
Changlin
ChengGong
Dimex
Doosan
DYNAPAC
Foton
HAMM
Hidromek
Hitachi
Hyundai
JCB
JLG
John Deere
Komatsu
LIEBHERR
LiuGong
Lonking (LongGong)
Luneng
MANITOU
Mitsuber
New Holland
PENGPU
RM-Terex
SANY
SDLG
SEM
Shantui
Shehwa HBXG
Soosan
TIGARBO
VOGELE
Volvo
WAY
WIRTGEN
XCMG
XGMA
Xiamen
YTO
Yuchai
Zoomlion
Автокран
АЗСМ
Алтайлесмаш
Амкодор
АОМЗ
Атек
АТЗ
Балканкар Рекорд
БелАЗ
Беловеж
Борекс
Брянский Арсенал
Булат
ВЭКС
ГАЗ
Геомаш
Гидромаш
Донекс
Дормаш
Дормашина
Дорэлектромаш
ДЭЗ
ЕлАЗ
ЗЗГТ
Ижнефтемаш
Канаш-электрокар
КЗКТ
ККЗ
Клевер
Клинцовский автокрановый завод
КМЗ
КМЗ 1 Мая
Ковровец
Коммаш
Кранэкс
КЭЗ
КЭМЗ
ЛЗА
МАЗ
МЗИК
МЗКМ
МЗКТ
Михневский РМЗ
МоАЗ
Мозырский МЗ
МТЗ
ОЗП
Онежец
ПАО "ТЗА"
ППС Детва
Промтрактор
ПТЗ
Раскат
СпецАгрегат
ТВЭКС
ТТМ
УВЗ
Угличмаш
УЗТМ
ХТЗ
ЧЗКМ
ЧСДМ
ЧТЗ
ЭКСКО
ЭКСМАШ
ЮрМаш
Модель
Не выбрано
EX-100-2 (2000)
EX-100-3 (2008)
EX-100WD (2008)
EX-120 (2008)
EX-120-2 (2008)
EX-160WD (2008)
EX-200 (2008)
EX-200-2 (2008)
EX-200-3
EX-220 (2008)
EX-220-2 (2008)
EX-270 (2008)
EX-300 (2008)
EX-300-2 (2000)
EX-400 Type A (2006)
EX-400 Type B (2006)
EX-60 (2003)
EX-60-2 (2000)
EX-60-3 (2008)
EX-70 (2017)
LX-110-7 (2008)
LX-130-7 (2008)
LX-150-2 (2008)
LX-160-7 (2008)
LX190-7/LX230-7 (2008)
Zaxis 190-3
ZAXIS 200-5A (2018)
ZAXIS 200LC-5A (2018)
ZAXIS 210H-5A (2018)
ZAXIS 210K-5A (2018)
ZAXIS 210LCH-5A (2018)
ZAXIS 210LCK-5A (2018)
ZAXIS 330-5G (2017)
ZAXIS 350H-5G (2017)
ZAXIS 48U-5A (2020)
ZAXIS 850-3
ZAXIS 870H-3
ZX-110 (2008)
ZX-160W (2008)
ZX-200 (2008)
ZX-230 (2008)
ZX-25 (2008)
ZX-270 (2008)
ZX-330 (2010)
ZX-330-3 (Part № PIHH-I-3) (2008)
ZX-330-3 (Part № PIHH-I-5) (2013)
ZX-330-3G (2008)
ZX-400R-3 (2010)
ZX-450 (2006)
ZX-600 (2007)
Компоненты EX-100-2 (2000)
Компоненты EX-100WD (2008)
Компоненты EX-120 (2008)
Компоненты EX-120-2 (2008)
Компоненты EX-160WD (2008)
Компоненты EX-200 (2008)
Компоненты EX-200-2 (2008)
Компоненты EX-200-3(LC, H)
Компоненты EX-220 (2008)
Компоненты EX-220-2 (2008)
Компоненты EX-270 (2008)
Компоненты EX-300 (2008)
Компоненты EX-300-2 (2000)
Компоненты EX-400 Type A (2006)
Компоненты EX-400 Type B (2006)
Компоненты EX-60 (2003)
Компоненты EX-60-2 (2000)
Компоненты EX-60-3 (2008)
Компоненты ZAXIS 450, 470, 500, 520 (2010)
Компоненты ZX-110 (2008)
Компоненты ZX-120 (130) (2008)
Компоненты ZX-160W (2008)
Компоненты ZX-200 (2008)
Компоненты ZX-230 (2008)
Компоненты ZX-270 (2008)
Компоненты ZX-330 (2008)
Компоненты ZX-450 (2006)
Схема
>
Не выбрано
FRAME, S/N: 030002-
SWING POST, S/N: 030002-
COUNTERWEIGHT, S/N: 030002-
ADDTIONAL COUNTERWEIGHT, S/N: 030002-
COUNTERWEIGHT PARTS, S/N: 030002-
COVER (1), S/N: 030002-
LATCH, S/N: 030002-
COVER (2-1), S/N: 030002-
COVER (2-2), S/N: 030002-
COVER (3-1), S/N: 030002-
COVER (3-2), S/N: 030002-
COVER (4), S/N: 030002-
COVER (5), S/N: 030002-
COVER (6), S/N: 030002-
COVER (7), S/N: 030002-
RADIATOR COVER, S/N: 030002-
DUST NET, S/N: 030002-031086
DUST NET, S/N: 031087-
TOOL BOX, S/N: 030002-
TOOL BOX (ASSIST), S/N: 030002-
BRACKET (WITHOUT HOSE RUPTURE VALVE), S/N: 030002-
ENGINE, S/N: 030002-
ENGINE SUPPORT, S/N: 030002-
ENGINE PARTS (WITHOUT AIR-CONDITIONER), S/N: 030002-
ENGINE PARTS (WITH AIR-CONDITIONER), S/N: 030002-
FUEL FILTER LARGE, S/N: 030002-
RADIATOR, S/N: 030002-
AIR CLEANER, S/N: 030002-
AIR CLEANER SUPPORT, S/N: 030002-
AIR CLEANER PARTS, S/N: 030002-
ELEMENT (INNER), S/N: 030002-
PRE-CLEANER, S/N: 030002-
DOWNWARD MUFFLER, S/N: 030002-
UPWARD MUFFLER, S/N: 030002-
UPWARD MUFFLER PARTS, S/N: 030002-
UPWARD MUFFLER PARTS (LONG), S/N: 030002-
UPWARD MUFFLER PARTS (SHORT), S/N: 030002-
FUEL TANK, S/N: 030002-
FUEL PIPING, S/N: 030002-
FUEL PIPING (WITH PRE-FILTER), S/N: 030002-
PUMP DEVICE, S/N: 030002-
CONTROL VALVE, S/N: 030002-
CONTROL VALVE (WITH AUX. RELIEF VALVE), S/N: 030002-
CONTROL VALVE (AUX. 2 SECTION), S/N: 030002-
SWING DEVICE, S/N: 030002-
OIL TANK, S/N: 030002-
HIGH PRECISION FILTER, S/N: 030002-
SWING CYLINDER, S/N: 030002-
HYDRAULIC PIPING, S/N: 030002-
WITHOUT EXTRA PIPING PARTS, S/N: 030002-
MAIN PIPING (1-1), S/N: 030002-
MAIN PIPING (1-2), S/N: 030002-
MAIN PIPING (2), S/N: 030002-
PROTECTOR (MAIN PIPING), S/N: 030002-
PILOT PIPING (1-1), S/N: 030002-
PILOT PIPING (1-2), S/N: 030002-
PILOT PIPING (2), S/N: 030002-
PILOT PIPING (3), S/N: 030002-
PILOT PIPING (4), S/N: 030002-
PILOT PIPING (ISO TYPE), S/N: 030002-
PILOT PIPING (TRAVEL), S/N: 030002-
PILOT PIPING (1)(BOOM SWING), S/N: 030002-
PILOT PIPING (2)(BOOM SWING), S/N: 030002-
PILOT PIPING (3)(BOOM SWING), S/N: 030002-
PILOT PIPING (1)(BLADE), S/N: 030002-
PILOT PIPING (2)(BLADE), S/N: 030002-
ACCUMULATOR, S/N: 030002-
ELECTRIC PARTS (1-1), S/N: 030002-
ELECTRIC PARTS (1-2), S/N: 030002-
ELECTRIC PARTS (1-3), S/N: 030002-
ELECTRIC PARTS (2), S/N: 030002-031964
ELECTRIC PARTS (2), S/N: 031965-
BATTERYCABLE, S/N: 030002-
MONITOR, S/N: 030002-
AUTO SHUT DOWN, S/N: 030002-
BATTERY, S/N: 030002-
SWITCH BOX, S/N: 030002-
SPEAKER, S/N: 030002-
WITHOUT AUDIO PARTS, S/N: 030002-
RADIO (AM-FM), S/N: 030002-
CAB LIGHT, S/N: 030002-
12V POWER SUPPLY, S/N: 030002-
12V POWER SUPPLY (CAB), S/N: 030002-
START SWITCH, S/N: 030002-
WITHOUT BURGLAR PREVENTION SYSTEM PARTS, S/N: 030002-
TRAVEL MOTION ALARM DEVICE (1), S/N: 030002-
TRAVEL MOTION ALARM DEVICE (2), S/N: 030002-
OVER LOAD ALARM DEVICE, S/N: 030002-
CANOPY (4 PILLAR), S/N: 030002-
CANOPY LIGHT (4 PILLAR), S/N: 030002-
ADDITIONAL CANOPY LIGHT (4 PILLAR), S/N: 030002-
MIRROR (CANOPY), S/N: 030002-
SEAL (CANOPY), S/N: 030002-
CAB, S/N: 030002-035241
CAB (1), S/N: 030002-035241
CAB (2), S/N: 030002-035241
CAB (3), S/N: 030002-035241
CAB (4), S/N: 030002-035241
CAB (5), S/N: 030002-035241
DOOR, S/N: 030002-035241
SASH, S/N: 030002-035241
SASH, S/N: SERVICE
CAB, S/N: 035242-
CAB (1), S/N: 035242-
CAB (2), S/N: 035242-
CAB (3), S/N: 035242-
CAB (4), S/N: 035242-
CAB (5), S/N: 035242-
DOOR, S/N: 035242-
SASH, S/N: 035242-
CAB [RUSSIA], S/N: 030002-
SASH, S/N: 030002-033999
SASH, S/N: 034000-
MIRROR (CAB), S/N: 030002-
SUNVISOR [RUSSIA], S/N: 034000-
AID BOX [RUSSIA], S/N: 034000-
CONTROL LEVER (TRAVEL), S/N: 030002-
CONTROL LEVER (TRAVEL)(WITH SHUTTLE PORT), S/N: 030002-
TRAVEL PEDAL, S/N: 030002-
WITHOUT PEDAL PARTS, S/N: 030002-
PEDAL (HORIZONTAL TYPE RIGHT SIDE), S/N: 030002-
PEDAL (VERTICAL TYPE LEFT SIDE), S/N: 030002-
GRIP, S/N: 030002-
CONSOLE (R), S/N: 030002-
CONSOLE (L), S/N: 030008,030010-030012,030017-030018,030020,030022,030027-030028,030037,030
CONSOLE (L), S/N: 030023,030053-030060,030062
CONSOLE (L), S/N: 030002-030007,030009,030013-030016,030019,030021,030025-030026,030029-03
SWITCH (TRAVEL SPEED SELECTOR), S/N: 030002-
AFL.(AUXILIARY FUNCTION LEVER)(FRONT, SWING), S/N: 030002-
AFL.(AUXILIARY FUNCTION LEVER)(FRONT, SWING)(WITH LEFT SW.), S/N: 030002-
ARM REST, S/N: 030002-
SEAT, S/N: 030002-
SUSPENSION SEAT (CANOPY), S/N: 030002-
SEAT BELT, S/N: 030002-
SEAT BELT (RETRACTABLE), S/N: 030002-
FLOOR, S/N: 030002-
FLOOR MOUNT, S/N: 030002-030308
FLOOR MOUNT, S/N: 030309-
FLOOR PARTS (CANOPY), S/N: 030002-
FLOOR MAT (WITHOUT ATTACHMENT PEDAL), S/N: 030002-
FLOOR MAT (VERTICAL TYPE LEFT SIDE ATTACHMENT PEDAL), S/N: 030002-
TILT DEVICE, S/N: 030002-
TILT STOPPER, S/N: 030002-
COVER (1)(WITHOUT HEATER), S/N: 030002-
COVER (2)(CANOPY), S/N: 030002-
SUSPENSION SEAT (CAB), S/N: 030002-
INSULATOR, S/N: 030002-
FLOOR PARTS (CAB), S/N: 030002-
COVER (CAB), S/N: 030002-
AIR-CONDITIONER (1), S/N: 030002-031086
AIR CONDITIONER (1), S/N: 031087-
AIR-CONDITIONER (2), S/N: 030002-
AIR-CONDITIONER UNIT, S/N: 030002-036390
AIR-CONDITIONER UNIT, S/N: 036391-
AIR-CONDITIONER (3), S/N: 030002-
HEATER PARTS (1)(CAB), S/N: 030002-
HEATER PARTS (2)(CAB), S/N: 030002-
HEATER UNIT, S/N: 030002-
TRACK FRAME (WITH LOWER ROLLER), S/N: 030002-
CRAWLER GUIDE (STEEL CRAWLER)(PAD CRAWLER), S/N: 030002-
TRACK UNDER COVER, S/N: 030002-033792
TRACK UNDER COVER, S/N: 033793-
SWING BEARING, S/N: 030002-
TRAVEL DEVICE, S/N: 030002-031602
TRAVEL DEVICE, S/N: 031603-
FRONT IDLER, S/N: 030002-
ADJUSTER (RUBBER CRAWLER), S/N: 030002-
ADJUSTER (STEEL CRAWLER), S/N: 030002-
UPPER ROLLER, S/N: 030002-
TRACK-LINK, S/N: 030002-031467
TRACK-LINK, S/N: 031468-
RUBBER CRAWLER, S/N: 030002-
PAD CRAWLER, S/N: 030002-
CENTER JOINT, S/N: 030002-
TRAVEL PIPING, S/N: 030002-
BLADE, S/N: 030002-
BLADE PARTS, S/N: 030002-
BLADE CYLINDER, S/N: 030002-
BOOM 2.68m, S/N: 030002-
BOOM 2.68m (EXTRA PIPING), S/N: 030002-
BOOM 2.68m (HOSE RUPTURE VALVE)(EXTRA PIPING), S/N: 030002-
BOOM PARTS, S/N: 030002-
ARM 1.38m, S/N: 030002-
ARM 1.38m (EXTRA PIPING), S/N: 030002-
ARM 1.69m (EXTRA PIPING), S/N: 030002-
ARM PARTS (1.38m), S/N: 030002-
ARM PARTS (1.38m)(EXTRA PIPING), S/N: 030002-
ARM PARTS (1.69m)(EXTRA PIPING), S/N: 030002-
PIN, S/N: 030002-
A LINK, S/N: 030002-
BUCKET 0.09m3 (JIS 94)(450mm WIDE WITH SIDE-CUTTER), S/N: 030002-
BUCKET 0.10m3 (JIS 94)(500mm WIDE WITH SIDE-CUTTER), S/N: 030002-
BUCKET 0.12m3 (JIS 94)(550mm WIDE WITH SIDE-CUTTER), S/N: 030002-
BUCKET 0.13m3 (JIS 94)(600mm WIDE WITH SIDE-CUTTER), S/N: 030002-
BUCKET 0.15m3 (JIS 94)(650mm WIDE WITH SIDE-CUTTER), S/N: 030002-
BUCKET 0.16m3 (JIS 94)(700mm WIDE WITH SIDE-CUTTER), S/N: 030002-
BUCKET REINFORCEMENT PARTS, S/N: 030002-
FRONT PIPING (1)(BOOM), S/N: 030002-
FRONT PIPING (2)(BOOM), S/N: 030002-
PROTECTOR (FRONT PIPING), S/N: 030002-
HOSE RUPTURE VALVE PIPING (1), S/N: 030002-
HOSE RUPTURE VALVE PIPING (2), S/N: 030002-
HOSE RUPTURE VALVE PIPING (2)(ASSIST), S/N: 030002-
HOSE RUPTURE VALVE PIPING (3), S/N: 030002-
HOSE RUPTURE VALVE PIPING (3)(ASSIST), S/N: 030002-
HOSE RUPTURE VALVE, S/N: 030002-
BRACKET (HOSE RUPTURE VALVE), S/N: 030002-
ASSIST PIPING, S/N: 030002-
BOOM CYLINDER, S/N: 030002-
BOOM CYLINDER (HOSE RUPTURE VALVE), S/N: 030002-
ARM CYLINDER, S/N: 030002-
ARM CYLINDER (HOSE RUPTURE VALVE), S/N: 030002-
BUCKET CYLINDER, S/N: 030002-
EXTRA PIPING, S/N: 030002-
EXTRA PIPING (ASSIST), S/N: 030002-
EXTRA PIPING (BOOM), S/N: 030002-
EXTRA PIPING (ARM), S/N: 030002-
PILOT PIPING (1)(ATTACHMENT PEDAL), S/N: 030002-
PILOT PIPING (2)(ATTACHMENT PEDAL), S/N: 030002-
PILOT PIPING (2WAY MULTI), S/N: 030002-030315
PILOT PIPING (2WAY MULTI), S/N: 030316-
FUEL FEED PUMP, S/N: 030002-
WITHOUT FUEL FEED PUMP PARTS, S/N: 030002-
TOOLS (EU), S/N: 030002-
TOOLS (GENERAL EXPORT), S/N: 030002-031085
TOOLS (GENERAL EXPORT), S/N: 031086-
TOOLS (TURKEY), S/N: 030002-
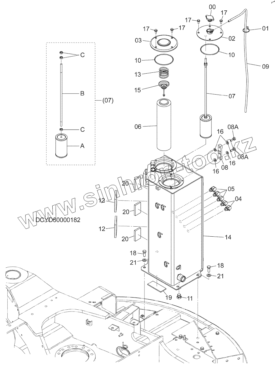
00
01
02
03
04
05
06
07
07
07A
07B
07C
07C
08
08A
08A
09
10
10
11
12
12
13
14
15
16
16
16
17
17
17
17
18
18
19
20
20
20
21
21
Позиция на иллюстрации
Заводской номер детали
Название детали
00
4272375
CAP
01
4055311
CLIP, BAND
02
YD40000248
COVER
03
8091858
COVER
04
A852332
ELBOW, S
04A
4509180
O-RING
05
A852333
ELBOW S
05A
4509180
O-RING
06
4129280
ELEMENT, FILTER
07
4720291
FILTER,SUCTION
07A
4617512
STRAINER
07B
YD00005195
ROD
07C
J950010
NUT
08
8050296
GAUGE,LEVEL
08A
4100967
BOLT
09
YD00001657
HOSE,VINYL
10
4621929
O-RING
11
A885004
PLUG
11A
4506418
O-RING
12
4467988
RUBBER
13
4094439
SPRING
14
YD40000249
TANK,OIL
15
4094438
VALVE
16
449558
WASHER, SEAL
17
J260820
BOLT, SEMS
17A
J900820
BOLT
17B
A590108
WASHER, PLANE
18
J921235
BOLT
19
4607362
RUBBER,CUSHION
20
4680157
RUBBER
21
J222012
WASHER
Содержащиеся в справочниках-каталогах запасные части и детали не предлагаются к продаже, а носят исключительно информационный характер
Дополнительная информация
×
Название:
Номер:
Примечание: