Вернуться на главную
Поиск
Каталоги запчастей к технике
Спецтехника
Hitachi
ZAXIS 330-5G
HSB COMMON PIPING (BREAKER, CRUSHER)
Каталог запасных частей к технике: Hitachi ZAXIS 330-5G. HSB COMMON PIPING (BREAKER, CRUSHER)
zoom-in
zoom-out
enlarge
shrink
circle-right
circle-left
file-text2
info
cart
Тип техники
Не выбрано
Легковые автомобили
Грузовые автомобили и прицепы
Автобусы
Сельхозтехника
Спецтехника
Двигатели
Мототехника
Марка
Не выбрано
Ammann
BOMAG
CARMIX
CASE IH
Changlin
ChengGong
Dimex
Doosan
DYNAPAC
Foton
HAMM
Hidromek
Hitachi
Hyundai
JCB
JLG
John Deere
Komatsu
LIEBHERR
LiuGong
Lonking (LongGong)
Luneng
MANITOU
Mitsuber
New Holland
PENGPU
RM-Terex
SANY
SDLG
SEM
Shantui
Shehwa HBXG
Soosan
TIGARBO
VOGELE
Volvo
WAY
WIRTGEN
XCMG
XGMA
Xiamen
YTO
Yuchai
Zoomlion
Автокран
АЗСМ
Алтайлесмаш
Амкодор
АОМЗ
Атек
АТЗ
Балканкар Рекорд
БелАЗ
Беловеж
Борекс
Брянский Арсенал
Булат
ВЭКС
ГАЗ
Геомаш
Гидромаш
Донекс
Дормаш
Дормашина
Дорэлектромаш
ДЭЗ
ЕлАЗ
ЗЗГТ
Ижнефтемаш
Канаш-электрокар
КЗКТ
ККЗ
Клевер
Клинцовский автокрановый завод
КМЗ
КМЗ 1 Мая
Ковровец
Коммаш
Кранэкс
КЭЗ
КЭМЗ
ЛЗА
МАЗ
МЗИК
МЗКМ
МЗКТ
Михневский РМЗ
МоАЗ
Мозырский МЗ
МТЗ
ОЗП
Онежец
ПАО "ТЗА"
ППС Детва
Промтрактор
ПТЗ
Раскат
СпецАгрегат
ТВЭКС
ТТМ
УВЗ
Угличмаш
УЗТМ
ХТЗ
ЧЗКМ
ЧСДМ
ЧТЗ
ЭКСКО
ЭКСМАШ
ЮрМаш
Модель
Не выбрано
EX-100-2 (2000)
EX-100-3 (2008)
EX-100WD (2008)
EX-120 (2008)
EX-120-2 (2008)
EX-160WD (2008)
EX-200 (2008)
EX-200-2 (2008)
EX-200-3
EX-220 (2008)
EX-220-2 (2008)
EX-270 (2008)
EX-300 (2008)
EX-300-2 (2000)
EX-400 Type A (2006)
EX-400 Type B (2006)
EX-60 (2003)
EX-60-2 (2000)
EX-60-3 (2008)
EX-70 (2017)
LX-110-7 (2008)
LX-130-7 (2008)
LX-150-2 (2008)
LX-160-7 (2008)
LX190-7/LX230-7 (2008)
Zaxis 190-3
ZAXIS 200-5A (2018)
ZAXIS 200LC-5A (2018)
ZAXIS 210H-5A (2018)
ZAXIS 210K-5A (2018)
ZAXIS 210LCH-5A (2018)
ZAXIS 210LCK-5A (2018)
ZAXIS 330-5G (2017)
ZAXIS 350H-5G (2017)
ZAXIS 48U-5A (2020)
ZAXIS 850-3
ZAXIS 870H-3
ZX-110 (2008)
ZX-160W (2008)
ZX-200 (2008)
ZX-230 (2008)
ZX-25 (2008)
ZX-270 (2008)
ZX-330 (2010)
ZX-330-3 (Part № PIHH-I-3) (2008)
ZX-330-3 (Part № PIHH-I-5) (2013)
ZX-330-3G (2008)
ZX-400R-3 (2010)
ZX-450 (2006)
ZX-600 (2007)
Компоненты EX-100-2 (2000)
Компоненты EX-100WD (2008)
Компоненты EX-120 (2008)
Компоненты EX-120-2 (2008)
Компоненты EX-160WD (2008)
Компоненты EX-200 (2008)
Компоненты EX-200-2 (2008)
Компоненты EX-200-3(LC, H)
Компоненты EX-220 (2008)
Компоненты EX-220-2 (2008)
Компоненты EX-270 (2008)
Компоненты EX-300 (2008)
Компоненты EX-300-2 (2000)
Компоненты EX-400 Type A (2006)
Компоненты EX-400 Type B (2006)
Компоненты EX-60 (2003)
Компоненты EX-60-2 (2000)
Компоненты EX-60-3 (2008)
Компоненты ZAXIS 450, 470, 500, 520 (2010)
Компоненты ZX-110 (2008)
Компоненты ZX-120 (130) (2008)
Компоненты ZX-160W (2008)
Компоненты ZX-200 (2008)
Компоненты ZX-230 (2008)
Компоненты ZX-270 (2008)
Компоненты ZX-330 (2008)
Компоненты ZX-450 (2006)
Схема
>
Не выбрано
FRAME
FRAME PARTS
BOOM FOOT PIN
CENTER JOINT PARTS (UPPERSTRUCTURE)
COUNTERWEIGHT
COVER (1)
DOOR LOCK
COVER (2)
ANTI SLIP COVER (2)
COVER (2)(WITH PRE-CLEANER)
ANTI SLIP COVER (2)(WITH PRE-CREANER)
COVER (3)
ANTI SLIP COVER (3)
ANTI-SLIP COVER (3)
COVER (4)
COVER (5)
COVER (5)
COVER (6)
ANTI SLIP COVER (6)
COVER (7)
COVER (7)(TROPICAL)
COVER (7)(TROPICAL)
COVER (8)
COVER (8)(LINE FILTER)
TOOL BOX COVER
ANTI SLIP COVER (TOOL BOX)
ANTI SLIP COVER (FUEL TANK)
ENGINE COVER
RADIATOR COVER
UNDER COVER
UNDER COVER (t=6.0mm)
ENGINE
ENGINE SUPPORT
OIL FILTER PIPING
INTERCOOLER PIPING
RADIATOR
RADIATOR
RADIATOR SUPPORT
RESERVE TANK
AIR CLEANER
ELEMENT (INNER)
AIR CLEANER SUPPORT
AIR CLEANER PARTS
PRE-CLEANER
PRE-CLEANER PARTS
MUFFLER
FUEL TANK
FUEL TANK (FLASHING CIRCUIT)
FUEL TANK SUPPORT
FUEL PIPING
PUMP DEVICE
PUMP DEVICE SUPPORT
CONTROL VALVE
CONTROL VALVE SUPPORT
SWING DEVICE
SWING DEVICE SUPPORT
OIL TANK
OIL TANK
OIL TANK PARTS
OIL TANK PARTS SUPPORT
SUCTION PIPING
DELIVERY PIPING
RETURN PIPING (1)
RETURN PIPING (2)
DRAIN PIPING
MAIN PIPING (1)
MAIN PIPING (2)
MAIN PIPING (3)
MAIN PIPING (4)
BOOM BOTTOM PIPING
SOLENOID VALVE
PILOT PIPING (1)
PILOT PIPING (2)
PILOT PIPING (3)
PILOT PIPING (4-1)
PILOT PIPING (4-2)
PILOT PIPING (5)
PILOT PIPING (6)
PILOT PIPING (7)
PILOT PIPING (8)
PILOT PIPING (9)
PILOT PIPING (10)
ELECTRIC PARTS (1)
ELECTRIC PARTS (2)
ELECTRIC PARTS (3)
ELECTRIC PARTS (4)
ELECTRIC PARTS (5-1)
ELECTRIC PARTS (5-1)
ELECTRIC PARTS (5-2)
BATTERY
START SWITCH
ENGINE STOP SWITCH
MOBILE COMMUNICATIONS TERMINAL
MOBILE COMMUNICATIONS TERMINAL
COMMUNICATION TERMINAL SUPPORT
SATELLITE COMMUNICATIONS TERMINAL
ELECTRIC CONTROL PARTS
CONTROLLER (SMCZ)
MONITOR CONTROLLER
ADD. FUSE PARTS
FRONT HEAD LAMP (2 LAMP)(FLOOR)
FRONT HEAD LAMP (2 LAMP WITH RAIN-VISOR UPPER)
REAR HEAD LAMP (CAB)
REAR HEAD LAMP PARTS (FLOOR)
BRACKET (ADDITIONAL RELAY)
BOOM LIGHT HARNESS
BOOM LIGHT (R)
AUTO ENGINE CONTROL
ENGINE CONTROL MOTOR (AUTO ENGINE CONTROL)
ENGINE STOP CABLE (AUTO ENGINE CONTROL)
ENGINE CONTROL UNIT
HORN
REAR CAMERA
WITHOUT REAR CAMERA PARTS
SWING MOTION ALARM
TRAVEL MOTION ALARM DEVICE
WINDOW WASHER
WINDOW WASHER
CAB (STEEL ROOF)(WITH FRONT GUARD SEAT)(MOBILE COMMUNICATIONS)
CAB (1)
CAB (2)
DOOR
CAB (3)
CAB (4)
CAB (5)
CAB (5)(LAMINATED GLASS)
CAB (6)
CAB (7)
FRONT HEAD LAMP HARNESS
CAB (STEEL ROOF)(WITH FRONT GUARD SEAT)(SATELLITE COMMUNICATIONS)
ANTENNA (SATELLITE COMMUNICATIONS)
CAB (STEEL ROOF)(WITHOUT FRONT GUARD SEAT)(MOBILE COMMUNICATIONS)
CAB (STEEL ROOF)(WITHOUT FRONT GUARD SEAT)(SATELLITE COMMUNICATIONS)
CAB GUARD (UNDER FRONT)
CAB GUARD (ON FRONT)
CAB GUARD (CEILING)
CAB GROUP (1)
CAB GROUP (2)
ANCHOR BOLT
WITHOUT ANCHOR BOLT PARTS
CAB MIRROR
SUNVISOR (RIGHT WINDOW)
FRONT HEAD LAMP,RAIN GUARD SUPPORT
CONTROL LEVER (FRONT, SWING)
CONTROL LEVER (FRONT, SWING)(WITH SINGLE SWITCH)
CONTROL LEVER (FRONT, SWING)(WITH TRIPLE SWITCH)
PILOT PIPING (FRONT,SWING)
CONTROL LEVER (TRAVEL)
PILOT VALVE (TRAVEL)
PEDAL (R)
PEDAL (L)
LOCK LEVER
CONSOLE
CONSOLE COVER
RIGHT COVER
RADIO (AM/FM)
REAR BOX
REAR BOX (12V POWER SUPPLY)
POWER UNIT (12V)
FLOOR PLATE
FLOOR PARTS (1)
FLOOR PARTS (2)
SEAT PARTS (KAB)
SEAT
SUSPENSION SEAT PARTS (KAB)
SUSPENSION SEAT (KAB)
SUSPENSION SEAT PARTS (WITHOUT SEAT BELT) (KAB)
AIR-SUSPENSION SEAT PARTS (WITH HEATER)(GRAMMER)
AIR-SUSPENSION SEAT (1)(WITH HEATER)(GRAMMER)
AIR-SUSPENSION SEAT (2)(WITH HEATER)(GRAMMER)
AIR-SUSPENSION SEAT PARTS (WITH HEATER)(WITHOUT SEAT BELT)(GRAMMER)
HEATER SEAT PARTS
SEAT STAND
SEAT STAND
STAND PARTS
FLOOR MAT
FLOOR CARPET
AIR CONDITIONER (1)
AIR CONDITIONER UNIT
AIR CONDITIONER (1)
AIR CONDITIONER UNIT
AIR CONDITIONER (2)
AIR CONDITIONER (3)
AIR CONDITIONER (4-1)
AIR CONDITIONER (4-2)
CONDENSER UNIT
COMPRESSOR
HEATER PIPING
DUCT (WITH AIR CONDITIONER)
DUCT (WITHOUT AIR CONDITIONER)
WITHOUT AIR CONDITIONER PARTS
TRACK FRAME
TRACK FRAME
TRACK GUARD
FULL-LENGTH TRACK GUARD
FULL-LENGTH TRACK GUARD
STEP
ADDITIONAL STEP
TRACK UNDER COVER
SWING BEARING
SWING BEARING PARTS
SWING BEARING PARTS
TRAVEL DEVICE
TRAVEL DEVICE SUPPORT
TRACK SPRING
FRONT IDLER
FRONT IDLER
ADJUSTER
TRACK SPRING
ADJUSTER
UPPER ROLLER
UPPER ROLLER
LOWER ROLLER (STD)
LOWER ROLLER (STD)
LOWER ROLLER (LC)
LOWER ROLLER (LC)
LOWER ROLLER SUPPORT
TRACK-LINK
TRACK-LINK
CENTER JOINT
CENTER JOINT SUPPORT (TRACK)
TRAVEL PIPING
TRAVEL PIPING
TRAVEL MOTOR COVER
TRAVEL MOTOR COVER
BOOM 6.4m
BOOM 6.4m (WITH BREAKER, BOOM RIGHT SIDE LIGHT SEAT
BOOM 6.4m
BOOM PARTS
BOOM PARTS
BOOM PIPING
LUBRICATE PIPING
ARM 2.33m
ARM 2.33m (WITH BREAKER PIPING SEAT)
ARM 2.67m
ARM 3.20m
ARM 3.2m (WITH BREAKER PIPING SEAT)
ARM 4.0m
ARM PARTS
ARM PIPING
A LINK
WELDED A LINK
B LINK
B LINK (K TYPE)
B LINK (H TYPE)
BUCKET 1.4m3 (JIS 94)
BUCKET 1.4m3 (JIS 94)(SIDE-PIN TOOTH)
BUCKET 1.4m3 (JIS 94)(SUPER V TOOTH)
BUCKET 1.62m3 (JIS 94)
BUCKET 1.86m3 (JIS 94)
ROCK BUCKET 1.38m3 (JIS 94)(SUPER V TOOTH)
ROCK BUCKET 1.38m3 (JIS 94)(SIDE-PIN TOOTH)
ROCK BUCKET 1.5m3 (JIS 94)(SUPER V TOOTH)
REINFORCEMENT BUCKET 1.4m3 (JIS 94)
BUCKET 2.0m3 (JIS 94)(SUPER V TOOTH)(REINFORCEMENT TYPE)
ROCK BUCKET 2.0m3 (JIS 94)(SUPER V TOOTH)
BOOM CYLINDER (R)
BOOM CYLINDER (R)
BOOM CYLINDER (L)
BOOM CYLINDER (L)
BOOM CYLINDER (R)(WITH HOSE RUPTURE VALVE)
BOOM CYLINDER (L)(WITH HOSE RUPTURE VALVE)
ARM CYLINDER
ARM CYLINDER
ARM CYLINDER (WITH HOSE RUPTURE VALVE)
HOSE RUPTURE VALVE PIPING (BOOM)
HOSE RUPTURE VALVE PIPING (ARM)(1)
HOSE RUPTURE VALVE PIPING (ARM)(2)
BUCKET CYLINDER
BUCKET CYLINDER
BREAKER, CRUSHER PIPING (MAIN)
BREAKER, CRUSHER PIPING (PILOT)
LINE FILTER
CONTROL PEDAL (BREAKER, CRUSHER)
FLOOR MAT (BREAKER)
FLOOR CARPET (BREAKER)
BREAKER, CRUSHER PIPING (BOOM)
BREAKER, CRUSHER PIPING (2.33m ARM)
BREAKER, CRUSHER PIPING (2.67mARM)
BREAKER, CRUSHER PIPING (3.2m ARM)
BREAKER, CRUSHER PIPING (4.0m ARM)
NPK BREAKER PIPING
HSB BREAKER PIPING
NPK COMMON PIPING (BREAKER, CRUSHER)
HSB COMMON PIPING (BREAKER, CRUSHER)
PILOT PIPING (FLOW RATE SELECTOR)
RELIEF VALVE
ELECTRIC GREASE GUN
AUTO FUEL FILLING DEVICE
AUTO FUEL FILLING DEVICE (FLASHING CIRCUIT)
BALL VALVE
HIGH PERFORMANCE FILTER KIT
TOOLS
NAME PLATE (1)
NAME PLATE (2)
NAME PLATE (3)
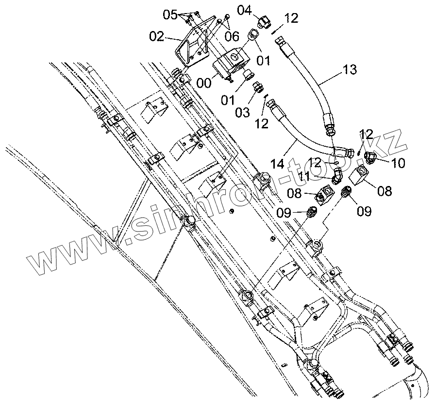
00
01
01
02
03
04
05
06
08
08
09
09
10
11
12
12
12
12
13
14
Позиция на иллюстрации
Заводской номер детали
Название детали
00
4216292
VАLVЕ, RЕLIЕF
01
94-1605
REDUCER
02
YA40003335
BRACKET
03
4208659
ADAPTERS
04
4281216
ELBOW
05
J271025
BOLT, SEMS
05A
J901025
BOLT
05B
J222010
WASHER
06
J271240
BOLT
06A
J901240
BOLT
06B
J222012
WASHER
08
4432055
VALVE, STOP
09
4436616
ADAPTER, S
09A
4506429
O-RING
10
A853388
ELBOW S
10A
4506429
O-RING
11
A853288
ELBOW, S
11A
4506429
O-RING
12
4187328
O-RING
13
4286810
HOSE
14
4286807
HOSE
Содержащиеся в справочниках-каталогах запасные части и детали не предлагаются к продаже, а носят исключительно информационный характер
Дополнительная информация
×
Название:
Номер:
Примечание: