Каталог запасных частей к технике: Hitachi ZAXIS 330-5G. AIR CONDITIONER UNIT
XB00001042
YA00042254
1
2
3
4
5
6
7
8
9
10
11
12
13
14
14
15
16
17
18
19
20
21
21
22
23
24
24
24
24
24
25
25
25
25
25
25
25
25
25
25
25
25
25
25
25
25
25
25
25
25
25
25
25
25
25
25
26
26
27
27
28
29
29
29
30
30
31
31
31
32
32
33
34
34
35
35
36
37
38
39
40
40
41
41
42
42
100
101
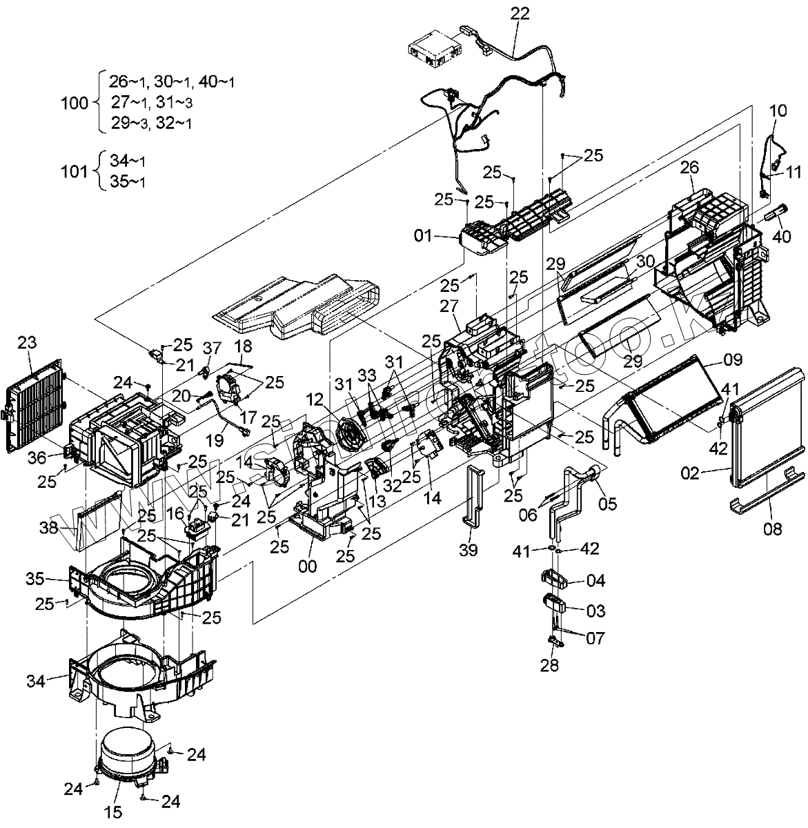
| Позиция на иллюстрации | Заводской номер детали | Название детали | |
|---|---|---|---|
| XB00001042 | XB00001042 | CASE | |
| YA00042254 | YA00042254 | UNIT,AIRCON | |
| 1 | XB00001043 | PLATE | |
| 2 | XB00001044 | EVAPORATOR | |
| 3 | XB00001045 | VALVE | |
| 4 | XB00001046 | PACKING | |
| 5 | XB00001047 | TUBE | |
| 6 | XB00001048 | BOLT | |
| 7 | XB00001049 | BOLT | |
| 8 | XB00001050 | PACKING | |
| 9 | XB00001051 | CORE | |
| 10 | XB00001052 | SENSOR,THERMO | |
| 11 | XB00001053 | CLAMP | |
| 12 | XB00001054 | PLATE | |
| 13 | XB00001055 | PLATE | |
| 14 | XB00001056 | MOTOR | |
| 15 | XB00001057 | MOTOR | |
| 16 | XB00001058 | TRANSISTOR | |
| 17 | XB00001059 | MOTOR | |
| 18 | XB00001060 | SHAFT | |
| 19 | XB00001061 | SENSOR,THERMO | |
| 20 | XB00001062 | BRACKET | |
| 21 | XB00001063 | RELAY | |
| 22 | XB00001064 | HARNESS,WIRE | |
| 23 | YA00001490 | FILTER | |
| 24 | XB00001065 | SCREW,TAPPING | |
| 25 | 4382883 | SCREW, TAPPING | |
| 26 | CASE | CASE | |
| 27 | CASE | CASE | |
| 28 | XB00001068 | PLUG | |
| 29 | XB00001069 | DOOR | |
| 30 | XB00001070 | DOOR | |
| 31 | XB00001071 | LEVER | |
| 32 | XB00001072 | LEVER | |
| 33 | XB00001073 | LEVER | |
| 34 | CASE | CASE | |
| 35 | CASE | CASE | |
| 36 | XB00001076 | CASE | |
| 37 | XB00001077 | LEVER | |
| 38 | XB00001078 | DOOR | |
| 39 | XB00001079 | PACKING | |
| 40 | YA00045626 | GUIDE | |
| 41 | 4350206 | O-RING | |
| 42 | 4350207 | O-RING | |
| 100 | YA00042370 | CASE | |
| 101 | YA00002305 | CASE |
Содержащиеся в справочниках-каталогах запасные части и детали не предлагаются к продаже, а носят исключительно информационный характер