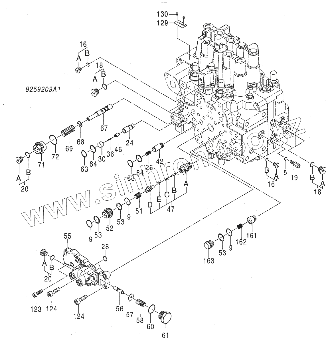
Каталог запасных частей к технике: Hitachi Zaxis 190-3. VALVE, CONTROL (1/8)
5
9
9
9
16
16
16A
16A
16B
16B
18
18
18A
18A
18B
18B
19
20
20
20A
20A
20B
20B
24
26
28
30
36
42
46
47
47A
47B
47C
47D
47E
51
52
53
53
53
55
56
57
58
60
61
63
63
64
64
67
68
69
71
72
123
124
124
129
130
161
162
163
| Позиция на иллюстрации | Заводской номер детали | Название детали | |
|---|---|---|---|
| 9259209 | 9259209 | VALVE,CONTROL | |
| 5 | 4509180 | O-RING | |
| 9 | 985099 | O-RING | |
| 16 | 9134109 | PLUG | |
| 16A | 4336165 | PLUG | |
| 16B | 4506408 | O-RING | |
| 18 | 9134111 | PLUG | |
| 18A | 4336167 | PLUG | |
| 18B | 4509180 | O-RING | |
| 19 | 4647541 | REDUCER | |
| 20 | 9134110 | PLUG | |
| 20A | 4336166 | PLUG | |
| 20B | 957366 | O-RING | |
| 24 | 2046614 | BUSHING | |
| 26 | 2046415 | SPRING | |
| 28 | 4506412 | O-RING | |
| 30 | 2046621 | PLUG | |
| 36 | 2046607 | SPRING | |
| 42 | 2646395 | VALVE,CHECK | |
| 46 | 2046602 | VALVE, CHECK | |
| 47 | 9200478 | SEAT, VALVE ASS'Y | |
| 47A | 1029245 | SEAT, VALVE | |
| 47B | 2046394 | VALVE, CHECK | |
| 47C | 2046420 | SPRING | |
| 47D | 2046453 | PLUG | |
| 47E | 4506408 | O-RING | |
| 51 | 2046423 | SPRING | |
| 52 | 2046405 | BUSHING | |
| 53 | 2646567 | RING,BACK-UP | |
| 55 | 0004651 | PLATE | |
| 56 | 2046381 | SPOOL | |
| 57 | 2046482 | WASHER | |
| 58 | 2046425 | SPRING | |
| 60 | 4506424 | O-RING | |
| 61 | 2046620 | PLUG | |
| 63 | 2046490 | O-RING | |
| 64 | 2046502 | RING, BACK-UP | |
| 67 | 3095721 | SPOOL | |
| 68 | 2046481 | WASHER | |
| 69 | 2046612 | SPRING | |
| 71 | 2046625 | PLUG | |
| 72 | 4506428 | O-RING | |
| 123 | M340830 | BOLT, SOCKET | |
| 124 | M341036 | BOLT, SOCKET | |
| 129 | NAME-PLATE | NAME-PLATE | |
| 130 | SCREW,DRIVE | SCREW, DRIVE | |
| 161 | 2046396 | VALVE, CHECK | |
| 162 | 2046423 | SPRING | |
| 163 | 4477415 | PLUG |
Содержащиеся в справочниках-каталогах запасные части и детали не предлагаются к продаже, а носят исключительно информационный характер