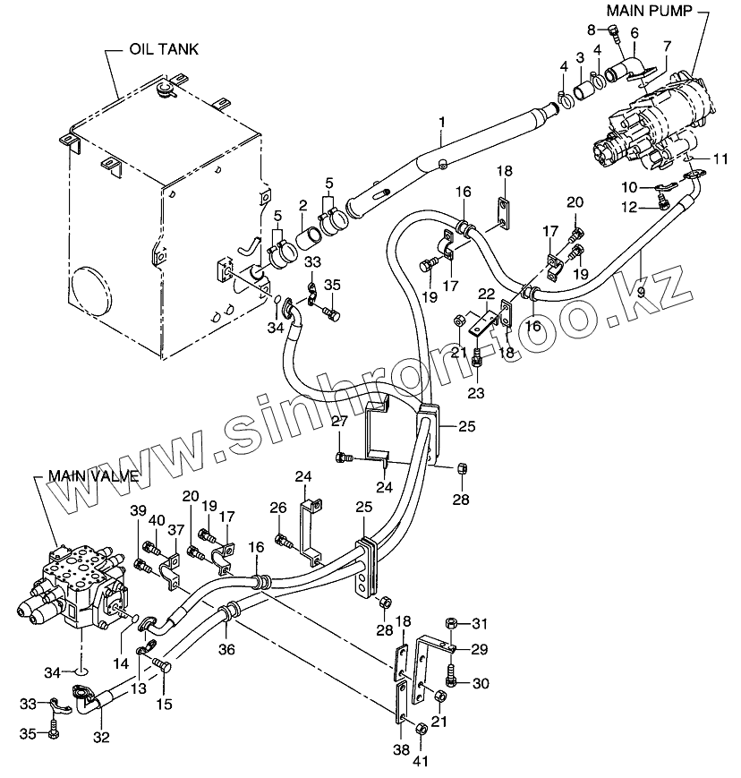
Каталог запасных частей к технике: Hitachi LX-160-7. HYDRAULIC SYSTEM (SUCTION)
1
2
3
4
4
5
5
6
7
8
9
10
11
12
13
14
15
16
16
16
17
17
17
18
18
18
19
19
19
20
20
21
21
22
23
24
24
25
25
26
27
28
28
29
30
31
32
33
33
34
34
35
35
36
37
38
39
40
41
| Позиция на иллюстрации | Заводской номер детали | Название детали | |
|---|---|---|---|
| 1 | 26677-60261 | TUBE | |
| 2 | 26567-62231 | HOSE | |
| 3 | 26707-60411 | HOSE | |
| 4 | 24067-62331 | CLIP | |
| 5 | 26607-63291 | CLIP | |
| 6 | 26677-60251 | STEM | |
| 7 | 26607-63711 | O-RING | |
| 8 | 01183-12040 | BOLT&WASHER | |
| 9 | 26677-62191 | HOSE | |
| 10 | 26607-62591 | FLANGE, SPLIT | |
| 11 | 26607-62651 | O-RING | |
| 12 | 01116-12035 | BOLT | |
| 13 | 26607-62571 | FLANGE, SPLIT | |
| 14 | 26607-62631 | O-RING | |
| 15 | 01116-10030 | BOLT | |
| 16 | 26757-62231 | RUBBER | |
| 17 | 26667-62361 | CLAMP | |
| 18 | 26667-62381 | PLATE | |
| 19 | 01183-12025 | BOLT&WASHER | |
| 20 | 01183-12040 | BOLT&WASHER | |
| 21 | 01401-00012 | NUT | |
| 22 | 26797-62021 | PLATE | |
| 23 | 01183-12030 | BOLT&WASHER | |
| 24 | 26817-62011 | CLAMP | |
| 25 | 26677-62121 | RUBBER | |
| 26 | 01183-12040 | BOLT&WASHER | |
| 27 | 01183-12030 | BOLT&WASHER | |
| 28 | 01401-00012 | NUT | |
| 29 | 26677-62171 | BRACKET | |
| 30 | 01183-12030 | BOLT&WASHER | |
| 31 | 01401-00012 | NUT | |
| 32 | 26677-62201 | HOSE | |
| 33 | 26607-62581 | FLANGE, SPLIT | |
| 34 | 26607-62641 | O-RING | |
| 35 | 01116-12030 | BOLT | |
| 36 | 26797-62041 | RUBBER | |
| 37 | 26677-62181 | CLAMP | |
| 38 | 26667-62381 | PLATE | |
| 39 | 01183-12030 | BOLT&WASHER | |
| 40 | 01183-12040 | BOLT&WASHER | |
| 41 | 01401-00012 | NUT |
Содержащиеся в справочниках-каталогах запасные части и детали не предлагаются к продаже, а носят исключительно информационный характер