Каталог запасных частей к технике: Hitachi LX-160-7. DRIVE UNIT (2/5)
16672-50011
1
2
3
4
5
6
7
8
8
8
9
10
11
12
13
14
15
16
17
18
19
20
21
22
23
23
24
25
26
27
28
29
30
31
32
33
34
35
36
36
37
38
39
39
40
41
42
42
42
42
43
44
45
46
47
48
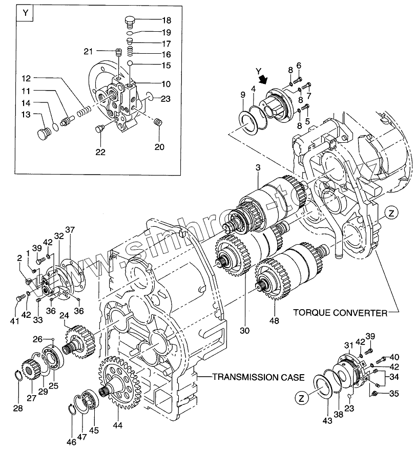
| Позиция на иллюстрации | Заводской номер детали | Название детали | |
|---|---|---|---|
| 16672-50011 | 16672-50011 | DRIVE UNIT ASSY | |
| 16762-50352 | 16762-50352 | CAP ASSY | |
| 1 | 14813-82351 | PLUG | |
| 2 | 24047-92101 | PLUG | |
| 3 | CLUTCH | CLUTCH | |
| 4 | 03310-01350 | O-RING | |
| 5 | 01110-12035 | BOLT | |
| 6 | 01116-12050 | BOLT | |
| 7 | 01116-12070 | BOLT | |
| 8 | 02010-00012 | WASHER | |
| 9 | 16762-52841 | SPACER | |
| 10 | 16762-52632 | CAP, DISTRIBUTOR | |
| 11 | 16762-52621 | SPOOL | |
| 12 | 16422-53551 | SPRING | |
| 13 | 16382-52882 | PLUG | |
| 14 | 03320-00260 | О-RING | |
| 15 | 03190-00020 | BALL | |
| 16 | 16762-52641 | SPRING | |
| 17 | 16762-52651 | ADAPTER | |
| 18 | 16682-52121 | PLUG | |
| 19 | 03300-00180 | О-RING | |
| 20 | 14813-82341 | PLUG | |
| 21 | 14813-82351 | PLUG | |
| 22 | 24047-92101 | PLUG | |
| 23 | 03300-00180 | О-RING | |
| 24 | 16762-52412 | GEAR, LOW | |
| 25 | 16762-53021 | BEARING | |
| 26 | 03190-00006 | BALL | |
| 27 | 16772-52472 | HUB, DISC | |
| 28 | 02100-00050 | RING, SNAP | |
| 29 | 14813-42971 | RING, SNAP | |
| 30 | CLUTCH | CLUTCH | |
| 31 | 16762-52342 | CAP, DISTRIBUTOR | |
| 32 | 16762-52612 | CAP, DISTRIBUTOR | |
| 33 | 14813-82341 | PLUG | |
| 34 | 14813-82351 | PLUG | |
| 35 | 24047-92101 | PLUG | |
| 36 | 14813-82331 | PLUG | |
| 37 | 16772-52841 | GASKET | |
| 38 | 03310-01350 | O-RING | |
| 39 | 01110-12035 | BOLT | |
| 40 | 01116-12050 | BOLT | |
| 41 | 01116-12070 | BOLT | |
| 42 | 02010-00012 | WASHER | |
| 43 | 16762-52841 | SPACER | |
| 44 | 16672-52351 | GEAR | |
| 45 | 16762-53031 | BEARING | |
| 46 | 02100-00050 | RING, SNAP | |
| 47 | 14813-42971 | RING, SNAP | |
| 48 | CLUTCH | CLUTCH |
Содержащиеся в справочниках-каталогах запасные части и детали не предлагаются к продаже, а носят исключительно информационный характер