Каталог запасных частей к технике: Hitachi LX-160-7. DECAL (JPN)
1
2
2
3
3
4
5
6
7
8
9
9
9
9
10
11
12
13
14
15
16
16
17
18
19
20
21
22
23
24
25
26
27
28
29
30
31
32
33
34
36
37
38
39
40
41
42
43
44
45
46
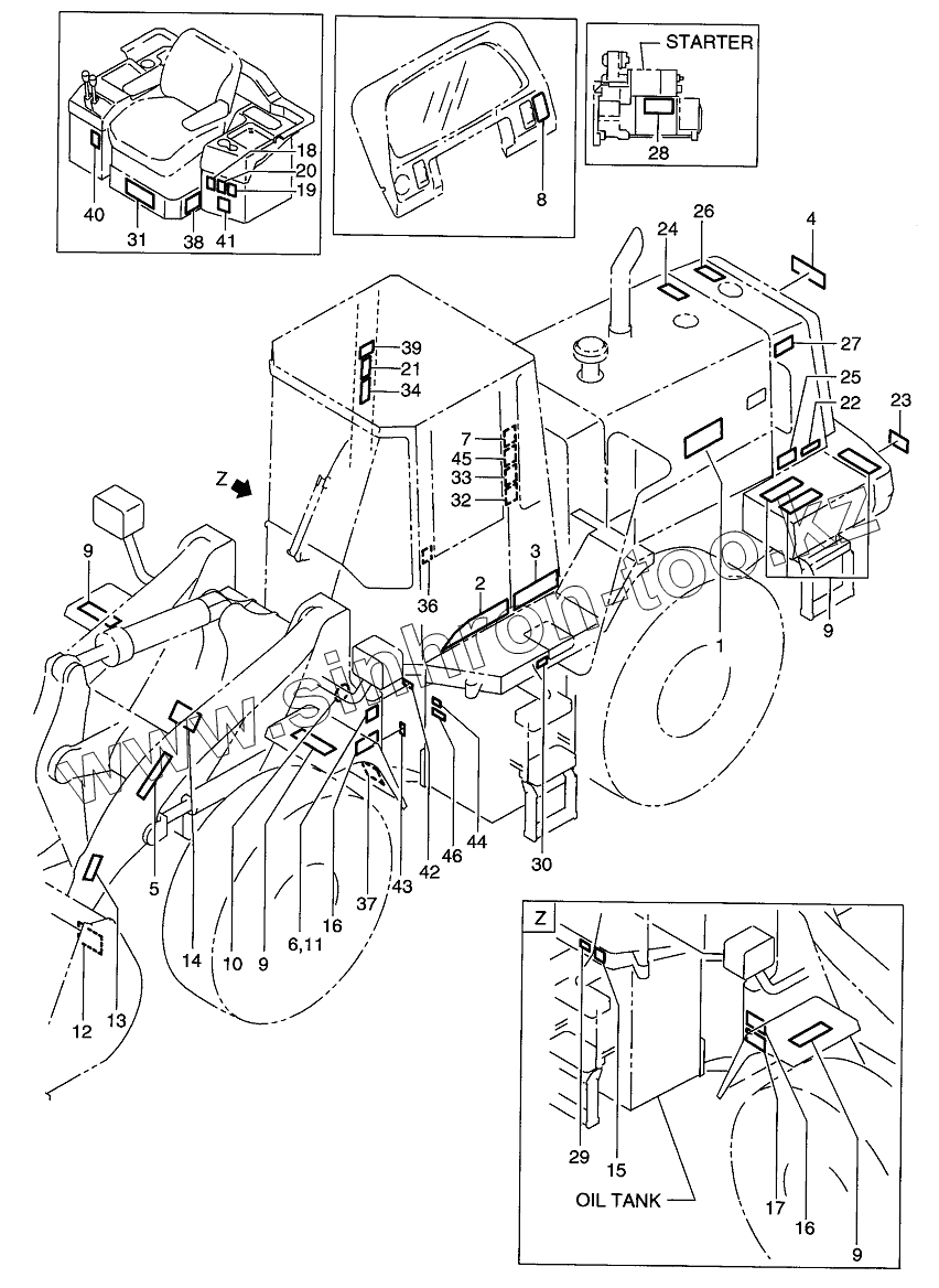
| Позиция на иллюстрации | Заводской номер детали | Название детали | |
|---|---|---|---|
| 56670-54871 | 56670-54871 | DECAL KIT, (3) | |
| 26679-12101 | 26679-12101 | DECAL KIT, SHEET | |
| 26199-12271 | 26199-12271 | DECAL KIT, SHEET (4) | |
| 26199-12261 | 26199-12261 | DECAL KIT, SHEET (3) | |
| 26199-12251 | 26199-12251 | DECAL KIT, SHEET (2) | |
| 26199-12241 | 26199-12241 | DECAL KIT, SHEET(1) | |
| 1 | 56670-50521 | DECAL, MODEL | |
| 2 | 56550-51611 | DECAL, RH | |
| 2 | 56550-51601 | DECAL, LH | |
| 3 | 56550-51621 | DECAL, LH | |
| 3 | 56550-51631 | DECAL, RH | |
| 4 | 56480-50621 | DECAL | |
| 5 | 56550-51651 | DECAL | |
| 6 | 56550-51411 | NAME PLATE | |
| 7 | 26559-12401 | DECAL | |
| 8 | 26559-12321 | DECAL, PARKING SWITCH | |
| 9 | 24096-52361 | NON SLIP | |
| 10 | 26199-12211 | DECAL | |
| 11 | 26099-12111 | SCREW | |
| 12 | DECAL | DECAL | |
| 13 | DECAL | DECAL | |
| 14 | DECAL,LIFTARM | DECAL, LIFTARM | |
| 15 | DECAL,HYDRAULICOILTANK | DECAL, HYDRAULIC OIL TANK | |
| 16 | DECAL,ARTICULATE | DECAL, ARTICULATE | |
| 17 | DECAL | DECAL | |
| 18 | DECAL | DECAL | |
| 19 | DECAL | DECAL | |
| 20 | DECAL,WARNING | DECAL, WARNING | |
| 21 | DECAL,PARKING | DECAL, PARKING | |
| 22 | DECAL | DECAL | |
| 23 | DECAL | DECAL | |
| 24 | DECAL | DECAL | |
| 25 | DECAL | DECAL | |
| 26 | DECAL,RADIATORCAP | DECAL, RADIATOR CAP | |
| 27 | DECAL,FANCAUTION | DECAL, FAN CAUTION | |
| 28 | DECAL,JUMPSTART | DECAL, JUMP START | |
| 29 | DECAL,HYDRAULICOIL | DECAL, HYDRAULIC OIL | |
| 30 | DECAL,LIGHTOIL | DECAL, LIGHT OIL | |
| 31 | DECAL,CAUTION | DECAL, CAUTION | |
| 32 | DECAL,CAUTION | DECAL, CAUTION | |
| 33 | DECAL | DECAL | |
| 34 | DECAL,BRAKE | DECAL, BRAKE | |
| 35 | DECAL,BRAKEOIL | DECAL, BRAKE OIL | |
| 36 | DECAL,SEATBELT | DECAL, SEAT BELT | |
| 37 | DECAL | DECAL | |
| 38 | DECAL | DECAL | |
| 39 | DECAL,VALVECONTROL | DECAL, VALVE CONTROL | |
| 40 | DECAL,LEVERLOCK | DECAL, LEVER LOCK | |
| 41 | DECAL,TIREAIRPRESS, | DECAL, TIRE AIR PRESS, | |
| 42 | DECAL,GREASE | DECAL, GREASE | |
| 43 | DECAUGREASE | DECAUGREASE | |
| 44 | DECAL,GREASE | DECAL, GREASE | |
| 45 | DECAL,MODE | DECAL, MODE | |
| 46 | DECAL,TORCONOIL | DECAL, TOR CON OIL |
Содержащиеся в справочниках-каталогах запасные части и детали не предлагаются к продаже, а носят исключительно информационный характер