Каталог запасных частей к технике: Hitachi LX-160-7. COCKPIT WIRING (2/2)
1
2
3
4
5
6
7
8
9
10
10
11
12
12
13
13
13
14
15
16
16
17
17
17
17
17
17
17
18
18
18
18
19
20
20
20
21
21
22
22
22
22
22
22
22
22
22
22
22
23
23
23
24
25
26
27
28
29
30
31
32
33
33
34
34
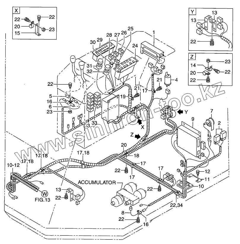
| Позиция на иллюстрации | Заводской номер детали | Название детали | |
|---|---|---|---|
| 1 | 26752-42252 | FUSE BOX | |
| 2 | 26812-42281 | DIODE UNIT | |
| 3 | 26192-42031 | RELAY | |
| 4 | 26602-40261 | FLASHER UNIT | |
| 5 | 26622-42411 | CONNECTOR, BOOM | |
| 6 | 26622-42471 | CONNECTOR | |
| 7 | 26312-42261 | BUZZER | |
| 8 | 26752-42161 | SWITCH, PRESSURE | |
| 9 | 26832-42351 | АТС UNIT | |
| 10 | 26752-42781 | RUBBER | |
| 11 | 26752-42511 | PLATE | |
| 12 | 01183-10020 | BOLT&WASHER | |
| 13 | 26192-42731 | BRACKET | |
| 14 | 26812-42751 | BRACKET | |
| 15 | 26612-42081 | BRACKET | |
| 16 | 26602-42941 | CLIP | |
| 17 | 26752-42681 | CLIP | |
| 18 | 26752-42671 | CLIP | |
| 19 | 26752-42691 | CLIP | |
| 20 | 26507-82041 | CLIP | |
| 21 | 01183-10016 | BOLT&WASHER | |
| 22 | 01183-10020 | BOLT&WASHER | |
| 23 | 01401-00010 | NUT | |
| 24 | 26756-71131 | CONTROL UNIT | |
| 25 | 26562-42161 | SWITCH | |
| 26 | 26562-42211 | SWITCH | |
| 27 | 26562-42191 | SWITCH | |
| 28 | 26562-42201 | SWITCH | |
| 29 | 26556-72321 | RADIO | |
| 30 | 26812-42631 | PILOT LAMP | |
| 31 | 26756-73591 | WIPER SWITCH | |
| 32 | 26756-73601 | WIPER SWITCH | |
| 33 | 26192-42031 | RELAY | |
| 33 | 29382-47051 | RELAY | |
| 34 | 26752-42691 | CLIP | |
| 34 | 26752-42681 | CLIP |
Содержащиеся в справочниках-каталогах запасные части и детали не предлагаются к продаже, а носят исключительно информационный характер