Вернуться на главную
Поиск
Каталоги запчастей к технике
Спецтехника
Hitachi
LX-150-2
FRAMES - LOADER FRAME
Каталог запасных частей к технике: Hitachi LX-150-2. FRAMES - LOADER FRAME
zoom-in
zoom-out
enlarge
shrink
circle-right
circle-left
file-text2
info
cart
Тип техники
Не выбрано
Легковые автомобили
Грузовые автомобили и прицепы
Автобусы
Сельхозтехника
Спецтехника
Двигатели
Мототехника
Марка
Не выбрано
Ammann
BOMAG
CARMIX
CASE IH
Changlin
ChengGong
Dimex
Doosan
DYNAPAC
Foton
HAMM
Hidromek
Hitachi
Hyundai
JCB
JLG
John Deere
Komatsu
LIEBHERR
LiuGong
Lonking (LongGong)
Luneng
MANITOU
Mitsuber
New Holland
PENGPU
RM-Terex
SANY
SDLG
SEM
Shantui
Shehwa HBXG
Soosan
TIGARBO
VOGELE
Volvo
WAY
WIRTGEN
XCMG
XGMA
Xiamen
YTO
Yuchai
Zoomlion
Автокран
АЗСМ
Алтайлесмаш
Амкодор
АОМЗ
Атек
АТЗ
Балканкар Рекорд
БелАЗ
Беловеж
Борекс
Брянский Арсенал
Булат
ВЭКС
ГАЗ
Геомаш
Гидромаш
Донекс
Дормаш
Дормашина
Дорэлектромаш
ДЭЗ
ЕлАЗ
ЗЗГТ
Ижнефтемаш
Канаш-электрокар
КЗКТ
ККЗ
Клевер
Клинцовский автокрановый завод
КМЗ
КМЗ 1 Мая
Ковровец
Коммаш
Кранэкс
КЭЗ
КЭМЗ
ЛЗА
МАЗ
МЗИК
МЗКМ
МЗКТ
Михневский РМЗ
МоАЗ
Мозырский МЗ
МТЗ
ОЗП
Онежец
ПАО "ТЗА"
ППС Детва
Промтрактор
ПТЗ
Раскат
СпецАгрегат
ТВЭКС
ТТМ
УВЗ
Угличмаш
УЗТМ
ХТЗ
ЧЗКМ
ЧСДМ
ЧТЗ
ЭКСКО
ЭКСМАШ
ЮрМаш
Модель
Не выбрано
EX-100-2 (2000)
EX-100-3 (2008)
EX-100WD (2008)
EX-120 (2008)
EX-120-2 (2008)
EX-160WD (2008)
EX-200 (2008)
EX-200-2 (2008)
EX-200-3
EX-220 (2008)
EX-220-2 (2008)
EX-270 (2008)
EX-300 (2008)
EX-300-2 (2000)
EX-400 Type A (2006)
EX-400 Type B (2006)
EX-60 (2003)
EX-60-2 (2000)
EX-60-3 (2008)
EX-70 (2017)
LX-110-7 (2008)
LX-130-7 (2008)
LX-150-2 (2008)
LX-160-7 (2008)
LX190-7/LX230-7 (2008)
Zaxis 190-3
ZAXIS 200-5A (2018)
ZAXIS 200LC-5A (2018)
ZAXIS 210H-5A (2018)
ZAXIS 210K-5A (2018)
ZAXIS 210LCH-5A (2018)
ZAXIS 210LCK-5A (2018)
ZAXIS 330-5G (2017)
ZAXIS 350H-5G (2017)
ZAXIS 48U-5A (2020)
ZAXIS 850-3
ZAXIS 870H-3
ZX-110 (2008)
ZX-160W (2008)
ZX-200 (2008)
ZX-230 (2008)
ZX-25 (2008)
ZX-270 (2008)
ZX-330 (2010)
ZX-330-3 (Part № PIHH-I-3) (2008)
ZX-330-3 (Part № PIHH-I-5) (2013)
ZX-330-3G (2008)
ZX-400R-3 (2010)
ZX-450 (2006)
ZX-600 (2007)
Компоненты EX-100-2 (2000)
Компоненты EX-100WD (2008)
Компоненты EX-120 (2008)
Компоненты EX-120-2 (2008)
Компоненты EX-160WD (2008)
Компоненты EX-200 (2008)
Компоненты EX-200-2 (2008)
Компоненты EX-200-3(LC, H)
Компоненты EX-220 (2008)
Компоненты EX-220-2 (2008)
Компоненты EX-270 (2008)
Компоненты EX-300 (2008)
Компоненты EX-300-2 (2000)
Компоненты EX-400 Type A (2006)
Компоненты EX-400 Type B (2006)
Компоненты EX-60 (2003)
Компоненты EX-60-2 (2000)
Компоненты EX-60-3 (2008)
Компоненты ZAXIS 450, 470, 500, 520 (2010)
Компоненты ZX-110 (2008)
Компоненты ZX-120 (130) (2008)
Компоненты ZX-160W (2008)
Компоненты ZX-200 (2008)
Компоненты ZX-230 (2008)
Компоненты ZX-270 (2008)
Компоненты ZX-330 (2008)
Компоненты ZX-450 (2006)
Схема
>
Не выбрано
WHEEL ASSEMBLY
WHEEL ASSEMBLY
WHEEL ASSEMBLY
WHEEL ASSEMBLY
WHEEL ASSEMBLY
DIFFERENTIAL OR BEVEL DRIVE - INPUT YOKE (FRONT AND REAR) (RE35714) (OC-1)
DIFFERENTIAL OR BEVEL DRIVE - YOKE DISCONNECT - CONTINUED (RE37967) (OC-A)
DIFFERENTIAL OR BEVEL DRIVE - SPIRAL BEVEL INPUT PINION AND RING GEAR SET (RE35711)(OC-3)
DIFFERENTIAL OR BEVEL DRIVE - SPIRAL BEVEL INPUT PINION AND RING GEAR SET (RE35712) (OC-3)
DIFFERENTIAL OR BEVEL DRIVE - SPIRAL BEVEL INPUT PINION AND RING GEAR SET (RE50967) (OC-3)
DIFFERENTIAL OR BEVEL DRIVE - INPUT QUILL ASSEMBLY -(RE39002) (OC-1) (REAR)
DIFFERENTIAL OR BEVEL DRIVE - INPUT QUILL ASSEMBLY - CONTINUED (RE39003) (OC-1) (FRONT)
DIFFERENTIAL OR BEVEL DRIVE - INPUT QUILL - CONTINUED (RE39813) (OC-A) (FRONT)
DIFFERENTIAL OR BEVEL DRIVE - OSCILLATING DUAL PIVOT - CONTINUED (RE44160) (OC-A) (REAR)
DIFFERENTIAL OR BEVEL DRIVE - DIFFERENTIAL CASE - CONTINUED (RE38999) (OC-1)
DIFFERENTIAL OR BEVEL DRIVE - DIFFERENTIAL CASE OIL LINES (RE44413) (OC-4) (FRONT AND REAR)
DIFFERENTIAL OR BEVEL DRIVE - DIFFERENTIAL BEARING QUILLS (STANDARD DIFFERENTIAL) (RE44166) (OC-1)
DIFFERENTIAL OR BEVEL DRIVE - DIFFERENTIAL BEARING QUILLS (NO-SPIN DIFFERENTIAL) (RE44167) (OC-2)
DIFFERENTIAL OR BEVEL DRIVE - DIFFERENTIAL BEARING QUILLS (DIFFERENTIAL LOCK) (RE44413) (OC-3)
DIFFERENTIAL OR BEVEL DRIVE - STANDARD DIFFERENTIAL (RE44166) (OC-1)
DIFFERENTIAL OR BEVEL DRIVE - STANDARD DIFFERENTIAL (NO-SPIN) (RE44167) (OC-2)
DIFFERENTIAL OR BEVEL DRIVE - STANDARD DIFFERENTIAL - CONTINUED (DIFFERENTIAL LOCK) (RE44413) (OC-4)
DIFFERENTIAL OR BEVEL DRIVE - DIFFERENTIAL SUPPORTS AND LUBRICATION LINES
INPUT DRIVE SHAFTS AND U-JOINTS - TRANSMISSION TO FRONT DIFFERENTIAL UNIVERSAL JOINTS (WITHOUT DISCONNECT)
INPUT DRIVE SHAFTS AND U-JOINTS - TRANSMISSION TO FRONT DIFFERENTIAL UNIVERSAL JOINTS (WITH DISCONNECT)
INPUT DRIVE SHAFTS AND U-JOINTS - TRANSMISSION TO REAR AXLE UNIVERSAL
POWERED WHEEL AXLE - AXLE STOP
AXLES - DRIVE AXLE HOUSING AND SUPPORT
AXLE, SHAFT, BEARINGS AND REDUCTION GEARS - PLANETARY FINAL DRIVE - CONTINUED (RE44172) (OC-3)
AXLE, SHAFT, BEARINGS AND REDUCTION GEARS - AXLE HOUSING AND SHAFT - CONTINUED (RE48700) (REAR)
AXLE, SHAFT, BEARINGS AND REDUCTION GEARS - AXLE HOUSING AND SHAFT - CONTINUED (RE48701) (FRONT)
HYDRAULIC SYSTEM - DIFFERENTIAL LOCK LINES
HYDRAULIC SYSTEM - DIFFERENTIAL LOCK PEDAL AND SWITCH
CONTROLS - FRONT AXLE DISCONNECT CONTROLS
FRONT AXLE DISCONNECT CONTROLS
INPUT DRIVE SHAFTS AND U-JOINTS - ENGINE TO TRANSMISSION UNIVERSAL JOINT
INPUT DRIVE SHAFTS AND U-JOINTS - DRIVE DAMPENER AND COVER
MOUNTING PARTS - TRANSMISSION MOUNTING BRACKETS
GEAR, SHAFTS, BEARINGS AND POWER SHIFT CLUTCH - TRANSMISSION
GEAR, SHAFTS, BEARINGS AND POWER SHIFT CLUTCH - CONVERTER HOUSING AND DRIVE
GEAR, SHAFTS, BEARINGS AND POWER SHIFT CLUTCH - CONVERTER
GEAR, SHAFTS, BEARINGS AND POWER SHIFT CLUTCH - INPUT SHAFT, HOUSING AND CHARGE PUMP
GEAR, SHAFTS, BEARINGS AND POWER SHIFT CLUTCH - GEARBOX HOUSING
GEAR, SHAFTS, BEARINGS AND POWER SHIFT CLUTCH - OIL SUCTION PIPES
GEAR, SHAFTS, BEARINGS AND POWER SHIFT CLUTCH - FILLER TUBE AND DIPSTICK
GEAR, SHAFTS, BEARINGS AND POWER SHIFT CLUTCH - CONVERTER PRESSURE REGULATOR
GEAR, SHAFTS, BEARINGS AND POWER SHIFT CLUTCH - GEARSHIFT SYSTEM (CONTROL VALVE PLATE AND GASKET)
GEAR, SHAFTS, BEARINGS AND POWER SHIFT CLUTCH - GEARSHIFT SYSTEM (CONTROL VALVE)
GEAR, SHAFTS, BEARINGS AND POWER SHIFT CLUTCH - FOURTH GEAR IDLER AND SHAFT
GEAR, SHAFTS, BEARINGS AND POWER SHIFT CLUTCH - CLUTCH ASSEMBLY (FORWARD AND FIRST GEAR CLUTCHES)
GEAR, SHAFTS, BEARINGS AND POWER SHIFT CLUTCH - CLUTCH ASSEMBLY (REVERSE AND SECOND GEAR CLUTCHES)
GEAR, SHAFTS, BEARINGS AND POWER SHIFT CLUTCH - CLUTCH ASSEMBLY (THIRD AND FOURTH GEAR)
GEAR, SHAFTS, BEARINGS AND POWER SHIFT CLUTCH - OUTPUT SHAFT
GEAR, SHAFTS, BEARINGS AND POWER SHIFT CLUTCH - TRANSMISSION FILTER
GEAR, SHAFTS, BEARINGS AND POWER SHIFT CLUTCH - MAGNETIC PICKUP
HYDRAULIC SYSTEM - TRANSMISSION OIL COOLER
HYDRAULIC SYSTEM - TRANSMISSION COOLER HYDRAULICS
HYDRAULIC SYSTEM - THERMAL BY-PASS VALVE
WIRING HARNESS AND SWITCHES - CLUTCH DISCONNECT CONTROL
CRANKSHAFT AND MAIN BEARINGS - CRANKSHAFT
CRANKSHAFT AND MAIN BEARINGS - MAIN AND MAIN THRUST BEARINGS
CAMSHAFT AND VALVE ACTUATING MEANS - CAMSHAFT AND GEAR
CAMSHAFT AND VALVE ACTUATING MEANS - TIMING GEAR COVER AND FRONT OIL SEAL
CAMSHAFT AND VALVE ACTUATING MEANS - ROCKER ARMS, SHAFT AND PUSH RODS
CAMSHAFT AND VALVE ACTUATING MEANS - ROCKER ARM COVER AND ENGINE VENTILATOR OUTLET HOSE
CONNECTING RODS AND PISTONS - PISTON, RINGS, LINERS AND CONNECTING RODS
CYLINDER BLOCK - CRANKSHAFT OIL SEAL AND HOUSING
CYLINDER BLOCK
CYLINDER BLOCK - ENGINE SHORT BLOCK
CYLINDER BLOCK - ENGINE OVERHAUL KIT
CYLINDER BLOCK - CYLINDER BLOCK FITTINGS
OILING SYSTEM - ENGINE OIL DIPSTICK AND TUBE
OILING SYSTEM - OIL PUMP
OILING SYSTEM - ENGINE OIL PUMP INTAKE
OILING SYSTEM - OIL PAN
OILING SYSTEM - ENGINE OIL FILTER AND HOUSING
OILING SYSTEM - OIL PAN
OILING SYSTEM - OIL PAN (ENGINE SERIAL NO. 151949-)
OILING SYSTEM - ENGINE OIL FILLER
CYLINDER HEAD AND VALVES - LIFT STRAPS
CYLINDER HEAD AND VALVES - CYLINDER HEAD AND VALVES
EXHAUST MANIFOLD
FUEL INJECTION PUMP AND LUBE PIPES
FUEL INJECTION NOZZLE
FUEL INJECTION NOZZLES AND LINES (6076HH031)(ENGINE SERIAL NO. 500000-)
FUEL INJECTION SYSTEM - FUEL INJECTION PUMP HOUSING CONNECTORS (NIPPONDENSO)
FUEL INJECTION SYSTEM - FUEL INJECTION PUMP GOVERNOR LEVERS (NIPPONDENSO)
FUEL INJECTION SYSTEM - SPEED CONTROL BRACKET
FUEL INJECTION SYSTEM - FUEL SHUT-OFF BRACKET AND ELECTRIC SHUT-OFF SOLENOID
FUEL INJECTION SYSTEM - ELECTRIC SHUT-OFF SOLENOID KIT
FUEL INJECTION SYSTEM - FUEL TRANSFER PUMP (NIPPONDENSO)
FUEL INJECTION SYSTEM - FUEL INJECTION PUMP HOUSING CONNECTORS
FUEL INJECTION SYSTEM - FUEL INJECTION PUMP GOVERNOR LEVERS AND CONTROLS
FUEL INJECTION SYSTEM - FUEL INJECTION PUMP AND LUBE LINES (ENGINE SERIAL NO.-101062)
FUEL INJECTION SYSTEM - FUEL INJECTION PUMP, LUBE LINE, AND LEAK-OFF LINE
FUEL INJECTION SYSTEM - SPEED CONTROL BRACKET
INTAKE MANIFOLD
INTAKE MANIFOLD - AFTERCOOLER AND INTAKE MANIFOLD
TURBOCHARGER - TURBOCHARGER AND OIL LINES
TURBOCHARGER - TURBOCHARGER CENTER HOUSING WITH ROTATING PARTS (AIRESEARCH)
TURBOCHARGER - TURBOCHARGER CENTER HOUSING WITH ROTATING PARTS (SCHWITZER)
WATER PUMP
WATER PUMP REPAIR KIT
WATER PUMP REPAIR KIT
WATER PUMP INLET HOUSING
THERMOSTATS, HOUSING AND WATER PIPING - WATER MANIFOLD AND THERMOSTAT
ENGINE OIL COOLER - ENGINE OIL COOLER, FILTER HOUSING AND FILTER
FUEL FILTER - FUEL FILTER AND PIPES
FUEL FILTER - PRE FILTER, PRE FILTER BRACKET & LINES
FUEL FILTER - FUEL FILTER AND LINES
FUEL TRANSFER PUMP
FUEL TRANSFER PUMP (6076TDW02 ENGINE SERIAL NO.-151948)
STARTING MOTOR
STARTING MOTOR (12 VOLT 37 MT) - (DELCO-REMY NO. 1993894)
STARTING MOTOR AND FASTENINGS - STARTER COMMUTATOR END FRAME (12 VOLT) (JOHN DEERE)
STARTING MOTOR AND FASTENINGS - STARTER MAIN FRAME AND COIL (12 VOLT) (JOHN DEERE)
STARTING MOTOR AND FASTENINGS - STARTER DRIVE HOUSING AND ARMATURE (12 VOLT) (JOHN DEERE)
STARTING MOTOR AND FASTENINGS - STARTER SOLENOID SWITCH (12 VOLT) (JOHN DEERE)
STARTING MOTOR AND FASTENINGS - STARTER SOLENOID COVER KIT (JOHN DEERE)
STARTING MOTOR AND FASTENINGS - STARTING MOTOR (12 VOLT 37 MT)
ALTERNATOR MOUNTING BRACKETS AND ADJUSTING STRAP
FAN DRIVE - CRANKSHAFT PULLEY AND DAMPER
FAN DRIVE PULLEY
FAN DRIVE PULLEY AND CLUTCH
FAN DRIVE PULLEY
FLYWHEEL, HOUSING AND FASTENINGS - FLYWHEEL
GASKET REPLACEMENT KITS - ENGINE GASKET KITS - (ENGINE SERIAL NO. 500000-)
COLD WEATHER STARTING AID
COLD WEAHTER STARTING AIDS - ETHER INJECTION SOLENOID
COLD WEAHTER STARTING AIDS - ENGINE COOLANT HEATER
COOLING SYSTEMS - FAN BLADE, SPACER AND BELTS
COOLING SYSTEMS - RADIATOR, FAN SHROUD AND GUARD
ENGINE SPEED CONTROLS - SPEED CONTROL CABLE AND PEDAL
INTAKE SYSTEM - AIR CLEANER
INTAKE SYSTEM - AIR CLEANER BRACKET AND HOSE
INTAKE SYSTEM - AIR STACK CAP
EXTERNAL EXHAUST SYSTEMS - MUFFLER
MOUNTING FRAME - ENGINE MOUNTING BRACKETS
EXTERNAL FUEL SUPPLY SYSTEMS - FUEL TANK AND FUEL TANK HOSES
ELECTRONICS - MAGNETIC PICK-UP
SECONDARY STEERING
SECONDARY STEERING PUMP
HYDRAULIC SYSTEM - PRIORITY VALVE
HYDRAULIC SYSTEM - STEERING VALVE
HYDRAULIC SYSTEM - STEERING CYLINDER PINS
HYDRAULIC SYSTEM - STEERING CYLINDER
HYDRAULIC SYSTEM - PRIORITY VALVE HYDRAULICS
HYDRAULIC SYSTEM - STEERING CYLINDER HYDRAULICS
HYDRAULIC SYSTEM - STEERING WHEEL, COLUMN AND LINKAGE
ACTIVE ELEMENTS - BRAKES (RE44162) (OC-3)
ACTIVE ELEMENTS - DIFFERENTIAL BRAKE LINE (RE44162) (OC-3)
CONTROLS LINKAGE - BRAKE PEDALS
HYDRAULIC SYSTEM - BRAKE VALVE
HYDRAULIC SYSTEM - BRAKE VALVE HYDRAULICS
CONTROL LINKAGE - HYDRAULIC RELEASED PARKING BRAKE, HOSE AND BRACKETS
CONTROL LINKAGE - PARK BRAKE CALIPER ASSEMBLY
CONTROL LINKAGE - PARK BRAKE REPAIR KIT
LICENSE BRACKETS - LICENSE PLATE BRACKET
VEHICLE FINISH AND TRIM - DECALS AND LABELS
VEHICLE FINISH AND TRIM - SLOW MOVING VEHICLE EMBLEM
SHIPPING AND PACKAGING - AIR CONDITIONER O-RING REPAIR KIT
SHIPPING AND PACKAGING - LOCTITE SERVICE KIT
SHIPPING AND PACKAGING - SILICONE RUBBER ADHESIVE
GREASES, OIL, FUELS AND COOLANTS - O-RING KIT
GREASES, OIL, FUELS AND COOLANTS - O-RING KIT
GREASES, OIL, FUELS AND COOLANTS - FLAT FACE O-RING SEAL KIT
GREASES, OIL, FUELS AND COOLANTS - DUST CAP WITH COVER KIT
LUBRICATION SYSTEMS - STEERING CYLINDER HEAD END LUBRICATION SYSTEM
MACHINE FILTERS
BATTERIES, SUPPORT AND CABLES - BATTERY INSTALLATION (SINGLE BATTERY)
BATTERIES, SUPPORT AND CABLES - BATTERY INSTALLATION (DUAL BATTERY)
ALTERNATOR, REGULATOR AND CHARGING SYSTEM WIRING - ALTERNATOR, PULLEY, SHIELD AND SCREEN (95 AMPS)
ALTERNATOR, REGULATOR AND CHARGING SYSTEM WIRING - ALTERNATOR, PULLEY AND SCREEN (135 AMP)
LIGHTING SYSTEM - FRONT TRACTOR LAMP
LIGHTING SYSTEM - FRONT WARNING AND TURN SIGNAL LIGHT (RIGHT SIDE ILLUSTRATED)
LIGHTING SYSTEM - FRONT LIGHT GUARDS
LIGHTING SYSTEM - STOP AND TAIL LAMP
LIGHTING SYSTEM - REAR TURN SIGNAL AND WARNING LAMP
LIGHTING SYSTEM - TAIL LIGHT AND STOP LIGHT BRACKET
LIGHTING SYSTEM - DOME LIGHT
LIGHTING SYSTEM - FRONT AND REAR WORK LAMP
WIRING HARNESS AND SWITCHES - WORK LIGHT SWITCH
WIRING HARNESS AND SWITCHES - DRIVE LIGHT SWITCH
WIRING HARNESS AND SWITCHES - TURN SIGNAL SWITCH
WIRING HARNESS AND SWITCHES - FLASHER SWITCH (4-WAY FLASHER SWITCH)
WIRING HARNESS AND SWITCHES - HYDRAULIC FILTER LEAD
WIRING HARNESS AND SWITCHES - AIR CONDITIONING SHUTOFF SWITCH
WIRING HARNESS AND SWITCHES - LOAD CENTER COMPARTMENT
WIRING HARNESS AND SWITCHES - KEY SWITCH
WIRING HARNESS AND SWITCHES - ENGINE OIL PRESSURE SWITCH
WIRING HARNESS AND SWITCHES - TRANSMISSION OIL PRESSURE SWITCH
WIRING HARNESS AND SWITCHES - HORN SWITCH
WIRING HARNESS AND SWITCHES - ENGINE COOLANT TEMPERATURE SENDER
WIRING HARNESS AND SWITCHES - TRANSMISSION OIL TEMPERATURE SENDER
WIRING HARNESS AND SWITCHES - CAB GROUND STRAP
WIRING HARNESS AND SWITCHES - START FLUID START AID WIRE LEAD
WIRING HARNESS AND SWITCHES - SHIFT SELECTOR, HORN AND TURN SIGNAL SWITCHES
WIRING HARNESS AND SWITCHES - PARK BRAKE SWITCH, KEY SWITCH AND CLAMPING
WIRING HARNESS AND SWITCHES - STEERING COLUMN HARNESS
WIRING HARNESS AND SWITCHES - RIDE CONTROL HARNESS
WIRING HARNESS AND SWITCHES - LOADER FRAME HARNESS
WIRING HARNESS AND SWITCHES - SECONDARY STEERING HARNESS
WIRING HARNESS AND SWITCHES - CAB WORK LIGHT HARNESS
WIRING HARNESS AND SWITCHES - CANOPY WORK LIGHT HARNESS
WIRING HARNESS AND SWITCHES - TEMPERATURE CONTROL HARNESS
WIRING HARNESS AND SWITCHES - TRANSMISSION HARNESS
WIRING HARNESS AND SWITCHES - AIR CONDITIONER COMPRESSOR HARNESS
WIRING HARNESS AND SWITCHES - REAR FRAME HARNESS
WIRING HARNESS AND SWITCHES - ENGINE AND INJECTION PUMP HARNESS
WIRING HARNESS AND SWITCHES - ENGINE FRAME HARNESS
WIRING HARNESS AND SWITCHES - START AID LEAD
WIRING HARNESS AND SWITCHES - FUSES, RELAYS, CIRCUIT BREAKERS AND FLASHER
WIRING HARNESS AND SWITCHES - WIRE LEAD KIT
WIRING HARNESS AND SWITCHES - WEATHERPACK TERMINALS AND CONNECTORS
WIRING HARNESS AND SWITCHES - SUPPLEMENTARY TERMINALS, CONNECTORS AND REPAIR CONDUIT
WIRING HARNESS AND SWITCHES - DEUTSCH TERMINALS
WIRING HARNESS AND SWITCHES - STACKABLE AUTO FUSE HOLDER AND TERMINALS (PACK-CON III)
WIRING HARNESS AND SWITCHES - CAB GROUND STRAP
WIRING HARNESS AND SWITCHES - HYDRAULIC FILTER LEAD
WIRING HARNESS AND SWITCHES - CAB WORK LIGHT HARNESS
WIRING HARNESS AND SWITCHES - CANOPY WORK LIGHT HARNESS
WIRING HARNESS AND SWITCHES - WIRE LEAD KIT
WIRING HARNESS AND SWITCHES - WEATHERPACK TERMINALS AND CONNECTORS
WIRING HARNESS AND SWITCHES - SUPPLEMENTARY TERMINALS, CONNECTORS AND REPAIR CONDUIT
WIRING HARNESS AND SWITCHES - DEUTSCH TERMINALS
WIRING HARNESS AND SWITCHES - STACKABLE AUTO FUSE HOLDER AND TERMINALS (PACK-CON III)
INSTRUMENTS AND INDICATORS - MONITOR (SIXTEEN FUNCTION)
INSTRUMENTS AND INDICATORS - MONITOR ALARM
INSTRUMENTS AND INDICATORS - OIL LEVEL SENSOR
INSTRUMENTS AND INDICATORS - ENGINE TEMPERATURE SWITCH SENSOR
INSTRUMENTS AND INDICATORS - MAGNETIC PICK-UP
FRAME INSTALLATION - ENGINE FRAME
FRAME INSTALLATION - STEERING CUSHION
FRAME BOTTOM GUARDS - REAR BOTTOM GUARD
FRAME BOTTOM GUARDS - AUXILIARY BOTTOM GUARD
CHASSIS WEIGHTS - INSIDE COUNTERWEIGHT
CHASSIS WEIGHTS - COUNTERWEIGHT AND ATTACHING HARDWARE
CHASSIS WEIGHTS - SECOND COUNTERWEIGHT AND ATTACHING HARDWARE
CHASSIS WEIGHTS - COUNTERWEIGHT WITH DRAWBAR
OPERATOR ENCLOSURE - CAB SHIELDS
OPERATOR ENCLOSURE - ACCESS DOOR (LIMITER AND HOLD-OPEN DEVICE)
OPERATOR ENCLOSURE - STORAGE COMPARTMENT DOOR
OPERATOR ENCLOSURE - FRONT AND REAR WINDOW WASHER
OPERATOR ENCLOSURE - CAB
OPERATOR ENCLOSURE - CAB ISOLATORS
OPERATOR ENCLOSURE - CANOPY
OPERATOR ENCLOSURE - CAB WINDOWS
OPERATOR ENCLOSURE - CAB WINDOW FRAME AND GLASS (RIGHT SIDE)
OPERATOR ENCLOSURE - CAB FRESH AIR FILTER AND LOCK
OPERATOR ENCLOSURE - CAB DOOR AND GLASS
OPERATOR ENCLOSURE - MAGAZINE HOLDER
OPERATOR ENCLOSURE - CAB DOOR, HOLD-OPEN RELEASE
OPERATOR ENCLOSURE - CAB DOOR HANDLE AND LINKAGE
OPERATOR ENCLOSURE - RIGHT-HAND WINDOW HOLD OPEN CATCH
OPERATOR ENCLOSURE - RIGHT CONSOLE
OPERATOR ENCLOSURE - LEFT CONSOLE COVER
OPERATOR ENCLOSURE - CANOPY FLOOR MAT
OPERATOR ENCLOSURE - CAB FLOOR MAT
OPERATOR ENCLOSURE - ASH TRAY
OPERATOR ENCLOSURE - FRONT WINDSHIELD WIPER AND SWITCH
OPERATOR ENCLOSURE - REAR WINDSHIELD WIPER AND SWITCH
OPERATOR ENCLOSURE - DASH PANEL AND LOWER COVER
OPERATOR ENCLOSURE - RIGHT CONSOLE COVER
OPERATOR ENCLOSURE - VANDAL COVER (WITH CANOPY)
OPERATOR ENCLOSURE - SLIDING REAR SIDE WINDOWS
SEAT AND SEAT BELTS - RETRACTABLE SEAT BELT 51 MM (2 IN.) WIDE
SEAT AND SEAT BELTS - RETRACTABLE SEAT BELT 76MM (3 IN.) WIDE
SEAT AND SEAT BELTS - SEAT
SEAT AND SEAT BELTS - SEAT AND BACKREST CUSHION
SEAT AND SEAT BELTS - BACKREST EXTENSION
SEAT AND SEAT BELTS - TETHER STRAP
SEAT AND SEAT BELTS - ARMRESTS AND BACKREST BRACKETS
SEAT AND SEAT BELTS - SEAT SLIDE TRACK (FORE AND AFT ADJUSTMENT)
SEAT AND SEAT BELTS - SEAT LOWER BACK ADJUSTER (SUSPENSION SEAT)
SEAT AND SEAT BELTS - SCISSORS SUSPENSION ARMS WITH SHAFTS (SUSPENSION SEAT)
SEAT AND SEAT BELTS - SEAT WEIGHT ADJUSTER ASSEMBLY
SEAT AND SEAT BELTS - SEAT SHELF
STEPS AND HANDHOLDS - STEP (ENGINE COMPARTMENT)
STEPS AND HANDHOLDS - ENGINE COMPARTMENT STEP
STEPS AND HANDHOLDS - ACCESS PLATFORM AND STEPS
STEPS AND HANDHOLDS - ACCESS STEPS WITHOUT PLATFORM
HEATING AND AIR CONDITIONING - FRESH AIR HOUSING, FILTER AND BLOWER RESISTOR
HEATING AND AIR CONDITIONING - PRESSURIZER HOUSING, FREEZE CONTROL SWITCH, LOUVERS AND DUCTS
HEATING AND AIR CONDITIONING - CLIMATE CONTROLS (RIGHT CONSOLE)
HEATING AND AIR CONDITIONING - HEATER HOSES AND CONTROL VALVE
HEATING AND AIR CONDITIONING - LEFT PANEL TEMPERATURE CONTROL WIRING HARNESS
HEATING AND AIR CONDITIONING - DEFROSTER
HEATING AND AIR CONDITIONING - CONDENSER DOOR AND REFRIGERENT LINES
HEATING AND AIR CONDITIONING - CONDENSER HOUSING WITH FANS
HEATING AND AIR CONDITIONING - PRESSURIZER HOUSING, BLOWER FAN, EVAPORATOR AND EXPANSION VALVE
HEATING AND AIR CONDITIONING - CONDENSER DOOR (LIMITER AND HOLD-OPEN DEVICE)
HEATING AND AIR CONDITIONING - REFRIGERANT LINES
HEATING AND AIR CONDITIONING - COMPRESSOR CLUTCH AND SERVICE VALVES
HEATING AND AIR CONDITIONING - COMPRESSOR HARDWARE KIT
HEATING AND AIR CONDITIONING - COMPRESSOR SHAFT SEAL KIT
HEATING AND AIR CONDITIONING - AIR CONDITIONER COMPRESSOR MOUNTING BRACKETS
HEATING AND AIR CONDITIONING - CAB REAR PANEL AND RECIRCULATION FILTER
HOOD OR ENGINE ENCLOSURE - HOOD
HOOD OR ENGINE ENCLOSURE - ENGINE SIDE SHIELDS
TRANSMISSION SHIELDS
GRILLE AND GRILLE HOUSING - GRILLE AND GRILLE HOUSING
FRONT FENDERS
LEFT REAR FENDER
RIGHT REAR FENDER
INSIDE REAR VIEW MIRROR
OUTSIDE MIRROR FOR CAB OR CANOPY
HORN AND WARNING DEVICES - BACK-UP ALARM
HORN AND WARNING DEVICES - HORN
TOOTH
HYDRAULIC SYSTEM - AUXILIARY CUTTING EDGE AND WEAR PLATES
HYDRAULIC SYSTEM - LOADER BUCKETS
FRAMES - LOADER FRAME
FRAMES - LOADER BOOM AND PINS
FRAMES - LOADER LINKAGE
HYDRAULIC SYSTEM - LOADER CONTROL VALVE (TWO OR THREE-SPOOL)
HYDRAULIC SYSTEM - INLET SECTION VALVE WITH RELIEF VALVE
HYDRAULIC SYSTEM - BOOM SECTION VALVE
HYDRAULIC SYSTEM - ANTI-CAVITY VALVE BOOM SECTION
HYDRAULIC SYSTEM - BUCKET SECTION VALVE
HYDRAULIC SYSTEM - UNIVERSAL RELIEF VALVE BUCKET SECTION
HYDRAULIC SYSTEM - AUXILIARY SECTION VALVE
HYDRAULIC SYSTEM - SINGLE AUXILIARY CONTROLLER
HYDRAULIC SYSTEM - TWO-LEVER REMOTE CONTROLLER
HYDRAULIC SYSTEM - THREE-LEVER REMOTE CONTROLLER
HYDRAULIC SYSTEM - BUCKET, BOOM AND AUXILIARY SECTION (TWO OR THREE-LEVER REMOTE CONTROLLER)
HYDRAULIC SYSTEM - HYDRAULIC REMOTE CONTROLLER
HYDRAULIC SYSTEM - SINGLE LEVER, TWO-LEVER AND THREE-LEVER REMOTE HYDRAULICS
HYDRAULIC SYSTEM - THIRD FUNCTION REMOTE HYDRAULICS
HYDRAULIC SYSTEM - BUCKET CYLINDER
HYDRAULIC SYSTEM - BOOM CYLINDER
HYDRAULIC SYSTEM - LOADER CONTROL VALVE TO BUCKET CYLINDER HYDRAULICS
HYDRAULIC SYSTEM - LOADER CONTROL VALVE TO BOOM CYLINDER HYDRAULICS
HYDRAULIC SYSTEM - THIRD FUNCTION AUXILIARY HYDRAULICS
HYDRAULIC SYSTEM - HYDRAULIC PUMP
HYDRAULIC SYSTEM - HYDRAULIC PUMP KIT (OPEN CENTER)
HYDRAULIC SYSTEM - BRAKE PUMP (CLOSED CENTER)
HYDRAULIC SYSTEM - HYDRAULIC PUMP HOSES AND FITTINGS
HYDRAULIC SYSTEM - HYDRAULIC RESERVOIR
HYDRAULIC SYSTEM - HYDRAULIC RESERVOIR FITTINGS
HYDRAULIC SYSTEM - HYDRAULIC RESERVOIR AND RETURN FILTER HOSES TO OIL COOLER
HYDRAULIC SYSTEM - HYDRAULIC FILTER AND HOSES
HYDRAULIC SYSTEM - HYDRAULIC OIL FILTER
HYDRAULIC SYSTEM - PRESSURE REDUCING VALVE MANIFOLD HOSES AND FITTINGS
HYDRAULIC SYSTEM - PRESSURE REDUCING VALVE MANIFOLD
HYDRAULIC SYSTEM - PRESSURE REDUCING VALVE
HYDRAULIC SYSTEM - SOLENOID VALVE
HYDRAULIC SYSTEM - LOADER CONTROL VALVE AND STEERING VALVE HOSES
HYDRAULIC SYSTEM - RETURN-TO-DIG BRACKET, SUPPORT AND SWITCH
HYDRAULIC SYSTEM - BOOM KICKOUT BRACKETS AND SWITCH
HYDRAULIC SYSTEM - THIRD FUNCTION AUXILIARY HYDRAULICS
HYDRAULIC SYSTEM - HYDRAULIC PUMP HOSES AND FITTINGS
HYDRAULIC SYSTEM - HYDRAULIC RESERVOIR
HYDRAULIC SYSTEM - RETURN-TO-DIG BRACKET, SUPPORT AND SWITCH
HYDRAULIC SYSTEM - BOOM KICKOUT BRACKETS AND SWITCH
TOOLS
1
1
2
3
3
3
4
4
4
4
4
4
4
5
6
6
7
8
9
9
10
11
11
11
12
13
13
14
15
15
16
16
17
18
19
20
21
22
23
24
25
26
27
27
28
29
30
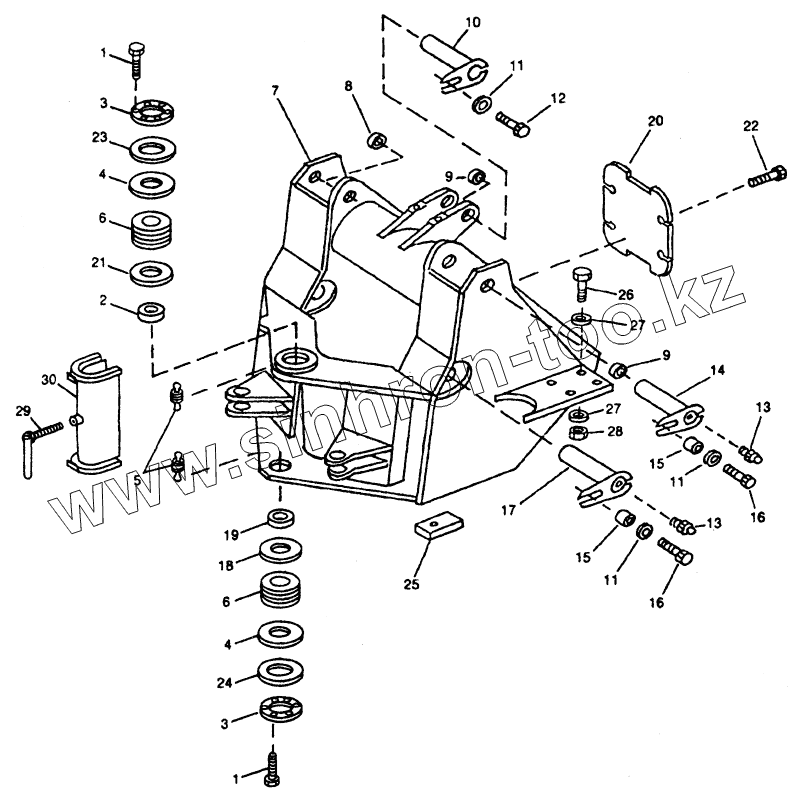
Позиция на иллюстрации
Заводской номер детали
Название детали
JD7798
JD7798
LUBRICATION FITTING
AT129503
AT129503
ROLLER BEARING
1
19M7493
CAP SCREW
2
T144442
SPACER
3
T140382
COVER
3
T130060
COVER
4
T140380
SHIM
4
T130059
SHIM
4
T130058
SHIM
4
T130057
SHIM
4
T140381
SHIM
4
T140379
SHIM
5
JD7763
LUBRICATION FITTING
6
AT150612
BUSHING
7
AT149480
FRAME
8
24H1240
WASHER
9
T101480
WASHER
10
AT102751
PIN
11
T146246
WASHER
12
19M8029
CAP SCREW
13
JD7847
LUBRICATION FITTING
14
AT103077
PIN
15
28H2499
BUSHING
16
19M7489
CAP SCREW
17
AT103049
PIN
18
T145895
SEAL
19
T144427
SPACER
20
T142510
COVER
21
AH75114
SEAL
22
19M7785
SCREW
23
T60752
SEAL
24
T145697
SEAL
25
T101635
STRAP
26
19M8000
CAP SCREW
27
24M7242
WASHER
28
14M7315
NUT
29
AT160033
HANDLE
30
AT156669
LOCKING COLLAR
Содержащиеся в справочниках-каталогах запасные части и детали не предлагаются к продаже, а носят исключительно информационный характер
Дополнительная информация
×
Название:
Номер:
Примечание: