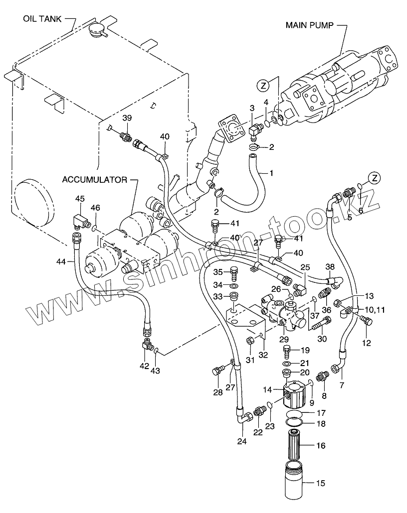
Каталог запасных частей к технике: Hitachi LX-130-7. VALVE CONTROL (3/4)
1
2
2
3
4
5
6
7
8
9
10
11
12
13
14
15
16
17
18
19
20
21
22
23
24
25
26
27
27
28
29
30
31
32
33
34
35
36
37
38
39
40
40
40
41
41
42
43
44
45
46
| Позиция на иллюстрации | Заводской номер детали | Название детали | |
|---|---|---|---|
| 1 | 04710-06035 | HOSE | |
| 2 | 24067-62281 | CLIP | |
| 3 | 26385-42501 | ELBOW | |
| 4 | 03320-00240 | O-RING | |
| 5 | 04134-20303 | NIPPLE | |
| 6 | 03320-00140 | O-RING | |
| 7 | 26567-42451 | HOSE | |
| 8 | 21787-62211 | NIPPLE | |
| 9 | 03320-00240 | O-RING | |
| 10 | 26507-82021 | CLIP | |
| 11 | 26602-42081 | CLIP | |
| 12 | 01183-10020 | BOLT&WASHER | |
| 13 | 01401-00010 | NUT | |
| А | 26557-42461 | FILTER ASSY | |
| 14 | 26557-42481 | HEAD | |
| 15 | 26557-42491 | HOUSING | |
| 16 | 26557-42471 | ELEMENT | |
| 17 | 03350-00650 | O-RING | |
| 18 | 26557-42511 | RING, BACK UP | |
| 19 | 01183-10040 | BOLT&WASHER | |
| 20 | 26407-32001 | RUBBER, MOUNT | |
| 21 | 26606-52721 | WASHER | |
| 22 | 26267-62451 | FITTING | |
| 23 | 03320-00240 | O-RING | |
| 24 | 26567-42431 | HOSE | |
| 25 | 04150-20404 | ELBOW | |
| 26 | 03320-00180 | O-RING | |
| 27 | 26602-42951 | CLIP | |
| 28 | 01183-10016 | BOLT&WASHER | |
| 29 | 26567-42041 | CHARGING VALVE | |
| 30 | 01183-10070 | BOLT&WASHER | |
| 31 | 01401-00010 | NUT | |
| 32 | 26567-42051 | BRACKET | |
| 33 | 26407-32001 | RUBBER, MOUNT | |
| 34 | 26606-52721 | WASHER | |
| 35 | 01183-10040 | BOLT&WASHER | |
| 36 | 04150-20202 | ELBOW | |
| 37 | 03320-00110 | O-RING | |
| 38 | 26557-42111 | HOSE | |
| 39 | 04137-00202 | NIPPLE | |
| 40 | 26602-42071 | CLIP | |
| 41 | 01183-10016 | BOLT&WASHER | |
| 42 | 04150-20303 | ELBOW | |
| 43 | 03320-00140 | O-RING | |
| 44 | 26567-42461 | HOSE | |
| 45 | 04150-30303 | ELBOW | |
| 46 | 03320-00140 | O-RING |
Содержащиеся в справочниках-каталогах запасные части и детали не предлагаются к продаже, а носят исключительно информационный характер