Каталог запасных частей к технике: Hitachi LX-130-7. ORBITROL
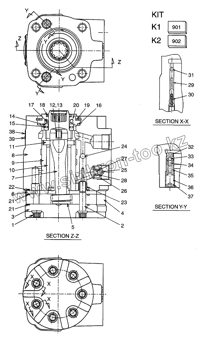
А1
901
902
1
2
3
4
5
6
7
8
9
10
11
12
13
14
15
16
17
18
19
20
21
21
22
23
24
25
26
27
28
29
30
31
32
33
34
35
36
37
38
39
| Позиция на иллюстрации | Заводской номер детали | Название детали | |
|---|---|---|---|
| А1 | 26564-12211 | ORBITROL ASSY | |
| 901 | 26564-17121 | SEAL KIT | |
| 902 | 26094-17021 | NEEDLE BEARING KIT | |
| 1 | 26564-17001 | SCREW | |
| 2 | 26564-17011 | SCREW | |
| 3 | 26384-17021 | CAP, END | |
| 4 | 26564-17021 | GEROTOR | |
| 5 | 26564-17031 | SPACER | |
| 6 | 26094-17101 | PLATE | |
| 7 | 26094-17111 | DRIVE | |
| А2 | 26404-17001 | CONTROL PARTS ASSY | |
| 8 | HOUSING | HOUSING | |
| 9 | SLEEVE | SLEEVE | |
| 10 | SPOOL | SPOOL | |
| 11 | 26094-17091 | PIN | |
| 12 | 26564-17041 | SPRING, CENTER | |
| 13 | 26314-17021 | SPRING, FLAT | |
| 14 | 26564-17051 | BEARING, RACE | |
| 15 | 26564-17061 | NEEDLE | |
| 16 | 26324-17041 | О-RING | |
| 17 | 26564-17071 | SEAL, OIL | |
| 18 | 26324-17021 | SEAL, DUST | |
| 19 | 26094-17001 | RING, RETAINING | |
| 20 | 26564-17081 | BUSHING | |
| 21 | 26324-17051 | О-RING | |
| 22 | 26404-17041 | О-RING | |
| 23 | 26404-17051 | ADAPTER | |
| 24 | 26404-17061 | BALL | |
| A3 | 26564-17131 | CHECK VALVE SUB ASSY | |
| 25 | POPPET | POPPET | |
| 26 | BODY | BODY | |
| 27 | GUIDE | GUIDE | |
| 28 | SPRING | SPRING | |
| 29 | 26564-17091 | RETAINER | |
| 30 | 26564-17101 | SPRING | |
| 31 | 26564-17111 | BALL | |
| 32 | SEAT | SEAT | |
| 33 | BALL | BALL | |
| 34 | HOLDER | HOLDER | |
| 35 | SPRING | SPRING | |
| 36 | PLUG | PLUG | |
| 37 | ОRING | О RING | |
| 38 | NAMEPLATE | NAME PLATE | |
| 39 | RIVET | RIVET |
Содержащиеся в справочниках-каталогах запасные части и детали не предлагаются к продаже, а носят исключительно информационный характер