Каталог запасных частей к технике: Hitachi LX-130-7. ENGINE MOUNT
1
2
2
3
4
5
5
6
6
7
7
8
8
9
9
9
10
10
10
11
11
11
12
12
12
13
13
14
14
14
15
16
17
18
18
19
20
21
22
23
24
25
26
27
27
27
28
29
30
31
31
32
33
34
35
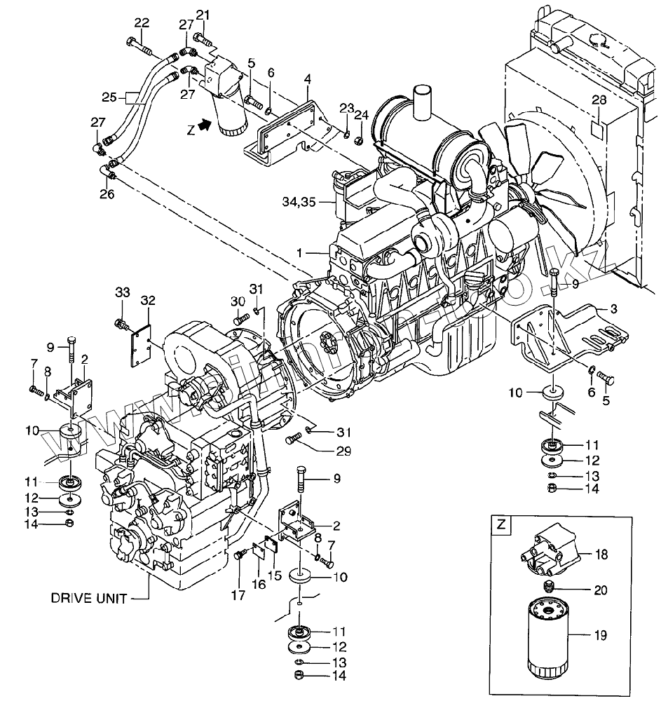
| Позиция на иллюстрации | Заводской номер детали | Название детали | |
|---|---|---|---|
| 1 | 26551-02042 | ENGINE | |
| 2 | 26551-02131 | BRACKET | |
| 3 | 26671-02081 | BRACKET | |
| 4 | 26671-02091 | BRACKET | |
| 5 | 01116-10040 | BOLT | |
| 6 | 02011-00010 | WASHER | |
| 7 | 01110-16040 | BOLT | |
| 8 | 02011-00016 | WASHER | |
| 9 | 01116-16110 | BOLT | |
| 10 | 26611-02101 | RUBBER, MOUNTING | |
| 11 | 26611-02111 | RUBBER, MOUNTING | |
| 12 | 26601-02091 | PLATE | |
| 13 | 02011-00016 | WASHER | |
| 14 | 01401-10016 | NUT | |
| 15 | 26551-02111 | PLATE | |
| 16 | 26551-02121 | PLATE | |
| 17 | 01183-10016 | BOLT&WASHER | |
| A | 26551-02081 | FILTER ASSY | |
| 18 | Z-8-97222-123-0 | HEAD | |
| 19 | 29141-04341 | ELEMENT | |
| 20 | Z-8-97222-125-0 | ADAPTER | |
| 21 | 01110-10110 | BOLT | |
| 22 | 01110-10150 | BOLT | |
| 23 | 02010-00010 | WASHER | |
| 24 | 01401-00010 | NUT | |
| 25 | 26671-02051 | HOSE | |
| 26 | 04150-30606 | ELBOW | |
| 27 | 04150-20606 | ELBOW | |
| 28 | 26551-07011 | PLATE, CAUTION | |
| 29 | 01116-10030 | BOLT | |
| 30 | 01116-10025 | BOLT | |
| 31 | 02011-00010 | WASHER | |
| 32 | 26553-82001 | PLATE | |
| 33 | 01183-10020 | BOLT&WASHER | |
| 34 | Z-1-13200-666-2 | FILTER, FUEL | |
| 35 | 29361-02601 | ELEMENT |
Содержащиеся в справочниках-каталогах запасные части и детали не предлагаются к продаже, а носят исключительно информационный характер