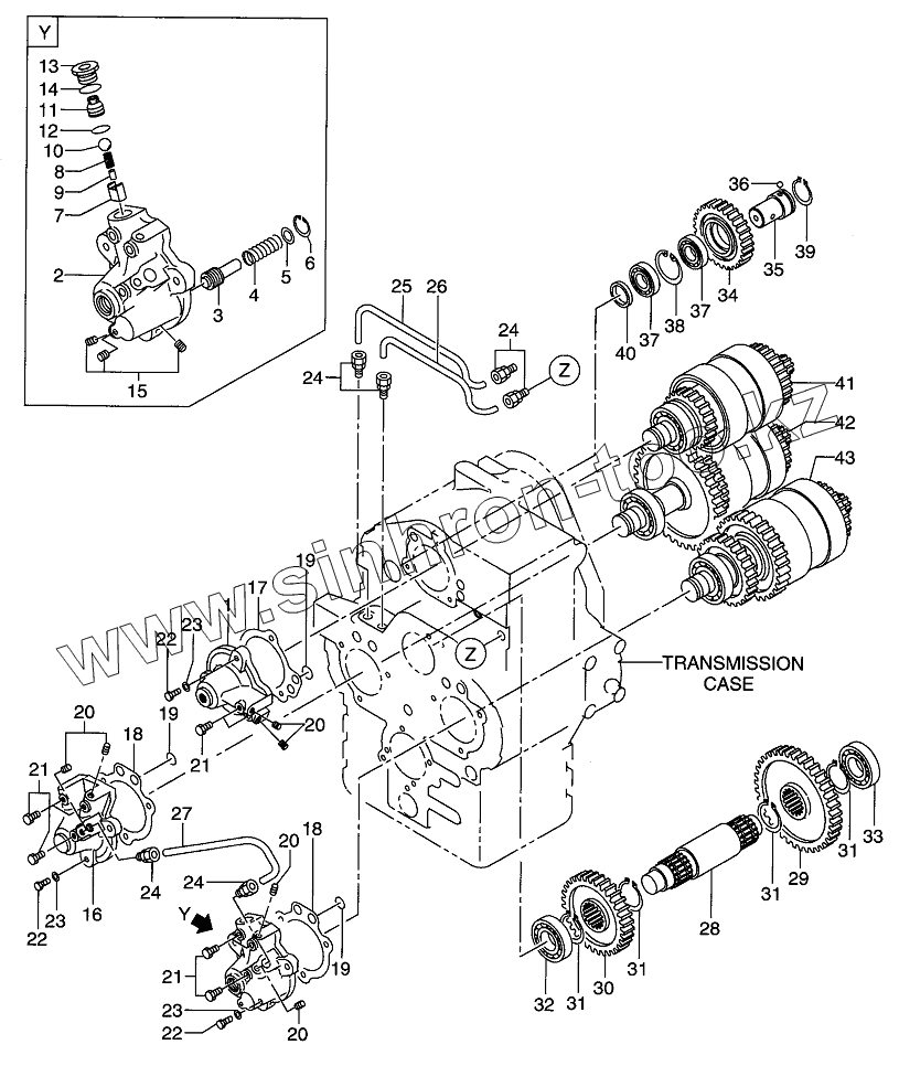
Каталог запасных частей к технике: Hitachi LX-130-7. DRIVE UNIT (2/4)
А1
1
2
3
4
5
6
7
8
9
10
11
12
13
14
15
16
17
18
18
19
19
19
20
20
20
20
21
21
21
22
22
22
23
23
23
24
24
24
24
25
26
27
28
29
30
31
31
31
31
32
33
34
35
36
37
37
38
39
40
41
42
43
| Позиция на иллюстрации | Заводской номер детали | Название детали | |
|---|---|---|---|
| А1 | 16562-50001 | DRIVE UNIT ASSY | |
| А2 | 16422-50352 | COVER ASSY | |
| 1 | 16422-52382 | CAP, DISTRIBUTOR | |
| 2 | 16422-53541 | CAP, DISTRIBUTOR | |
| 3 | 16422-53561 | SPOOL | |
| 4 | 16422-53551 | SPRING | |
| 5 | 26063-02111 | WASHER | |
| 6 | 02110-00026 | RING, SNAP | |
| 7 | 16422-53581 | GUIDE, SPRING | |
| 8 | 16662-52861 | SPRING | |
| 9 | 16422-53591 | ROD | |
| 10 | 03190-00016 | BALL | |
| 11 | 16552-52071 | SEAT | |
| 12 | 16422-52631 | О RING | |
| 13 | 16682-52131 | PLUG | |
| 14 | 03300-00224 | О RING | |
| 15 | 14813-82411 | PLUG | |
| 16 | 16422-53192 | CAP, DISTRIBUTOR | |
| 17 | 16422-52441 | GASKET | |
| 18 | 16422-53201 | GASKET | |
| 19 | 03300-00150 | О RING | |
| 20 | 14813-82421 | PLUG | |
| 21 | 24047-92111 | PLUG | |
| 22 | 01110-10040 | BOLT | |
| 23 | 02010-00010 | WASHER | |
| 24 | 16402-52862 | CONNECTOR | |
| 25 | 16422-53261 | TUBE | |
| 26 | 16422-53281 | TUBE | |
| 27 | 16422-53351 | TUBE | |
| 28 | 16752-52981 | SHAFT, IDLER | |
| 29 | 16752-53301 | GEAR | |
| 30 | 16562-52111 | GEAR | |
| 31 | 02100-00060 | RING, SNAP | |
| 32 | 16752-53011 | BEARING | |
| 33 | 16752-53021 | BEARING | |
| 34 | 16562-52101 | GEAR | |
| 35 | 16422-52911 | SHAFT | |
| 36 | 03190-00010 | BALL | |
| 37 | 03001-06009 | BEARING | |
| 38 | 02110-00075 | RING, SNAP | |
| 39 | 02110-00055 | RING, SNAP | |
| 40 | 16422-52941 | SPACER | |
| 41 | CLUTCH | CLUTCH | |
| 42 | CLUTCH | CLUTCH | |
| 43 | CLUTCH | CLUTCH |
Содержащиеся в справочниках-каталогах запасные части и детали не предлагаются к продаже, а носят исключительно информационный характер