Вернуться на главную
Поиск
Каталоги запчастей к технике
Спецтехника
Hitachi
LX-130-7
DECK PLATE & HANDRAIL
Каталог запасных частей к технике: Hitachi LX-130-7. DECK PLATE & HANDRAIL
zoom-in
zoom-out
enlarge
shrink
circle-right
circle-left
file-text2
info
cart
Тип техники
Не выбрано
Легковые автомобили
Грузовые автомобили и прицепы
Автобусы
Сельхозтехника
Спецтехника
Двигатели
Мототехника
Марка
Не выбрано
Ammann
BOMAG
CARMIX
CASE IH
Changlin
ChengGong
Dimex
Doosan
DYNAPAC
Foton
HAMM
Hidromek
Hitachi
Hyundai
JCB
JLG
John Deere
Komatsu
LIEBHERR
LiuGong
Lonking (LongGong)
Luneng
MANITOU
Mitsuber
New Holland
PENGPU
RM-Terex
SANY
SDLG
SEM
Shantui
Shehwa HBXG
Soosan
TIGARBO
VOGELE
Volvo
WAY
WIRTGEN
XCMG
XGMA
Xiamen
YTO
Yuchai
Zoomlion
Автокран
АЗСМ
Алтайлесмаш
Амкодор
АОМЗ
Атек
АТЗ
Балканкар Рекорд
БелАЗ
Беловеж
Борекс
Брянский Арсенал
Булат
ВЭКС
ГАЗ
Геомаш
Гидромаш
Донекс
Дормаш
Дормашина
Дорэлектромаш
ДЭЗ
ЕлАЗ
ЗЗГТ
Ижнефтемаш
Канаш-электрокар
КЗКТ
ККЗ
Клевер
Клинцовский автокрановый завод
КМЗ
КМЗ 1 Мая
Ковровец
Коммаш
Кранэкс
КЭЗ
КЭМЗ
ЛЗА
МАЗ
МЗИК
МЗКМ
МЗКТ
Михневский РМЗ
МоАЗ
Мозырский МЗ
МТЗ
ОЗП
Онежец
ПАО "ТЗА"
ППС Детва
Промтрактор
ПТЗ
Раскат
СпецАгрегат
ТВЭКС
ТТМ
УВЗ
Угличмаш
УЗТМ
ХТЗ
ЧЗКМ
ЧСДМ
ЧТЗ
ЭКСКО
ЭКСМАШ
ЮрМаш
Модель
Не выбрано
EX-100-2 (2000)
EX-100-3 (2008)
EX-100WD (2008)
EX-120 (2008)
EX-120-2 (2008)
EX-160WD (2008)
EX-200 (2008)
EX-200-2 (2008)
EX-200-3
EX-220 (2008)
EX-220-2 (2008)
EX-270 (2008)
EX-300 (2008)
EX-300-2 (2000)
EX-400 Type A (2006)
EX-400 Type B (2006)
EX-60 (2003)
EX-60-2 (2000)
EX-60-3 (2008)
EX-70 (2017)
LX-110-7 (2008)
LX-130-7 (2008)
LX-150-2 (2008)
LX-160-7 (2008)
LX190-7/LX230-7 (2008)
Zaxis 190-3
ZAXIS 200-5A (2018)
ZAXIS 200LC-5A (2018)
ZAXIS 210H-5A (2018)
ZAXIS 210K-5A (2018)
ZAXIS 210LCH-5A (2018)
ZAXIS 210LCK-5A (2018)
ZAXIS 330-5G (2017)
ZAXIS 350H-5G (2017)
ZAXIS 48U-5A (2020)
ZAXIS 850-3
ZAXIS 870H-3
ZX-110 (2008)
ZX-160W (2008)
ZX-200 (2008)
ZX-230 (2008)
ZX-25 (2008)
ZX-270 (2008)
ZX-330 (2010)
ZX-330-3 (Part № PIHH-I-3) (2008)
ZX-330-3 (Part № PIHH-I-5) (2013)
ZX-330-3G (2008)
ZX-400R-3 (2010)
ZX-450 (2006)
ZX-600 (2007)
Компоненты EX-100-2 (2000)
Компоненты EX-100WD (2008)
Компоненты EX-120 (2008)
Компоненты EX-120-2 (2008)
Компоненты EX-160WD (2008)
Компоненты EX-200 (2008)
Компоненты EX-200-2 (2008)
Компоненты EX-200-3(LC, H)
Компоненты EX-220 (2008)
Компоненты EX-220-2 (2008)
Компоненты EX-270 (2008)
Компоненты EX-300 (2008)
Компоненты EX-300-2 (2000)
Компоненты EX-400 Type A (2006)
Компоненты EX-400 Type B (2006)
Компоненты EX-60 (2003)
Компоненты EX-60-2 (2000)
Компоненты EX-60-3 (2008)
Компоненты ZAXIS 450, 470, 500, 520 (2010)
Компоненты ZX-110 (2008)
Компоненты ZX-120 (130) (2008)
Компоненты ZX-160W (2008)
Компоненты ZX-200 (2008)
Компоненты ZX-230 (2008)
Компоненты ZX-270 (2008)
Компоненты ZX-330 (2008)
Компоненты ZX-450 (2006)
Схема
>
Не выбрано
ENGINE MOUNT
ENGINE CONTROL
COOLING SYSTEM
RADIATOR
FUEL SYSTEM
AIR INTAKE & EXHAUST SYSTEM
AIR CLEANER
PRE CLEANER (APL)(OP)
CYLINDER BLOCK
OIL PAN
CAMSHAFT
PISTON, CRANKSHAFT & FLYWHEEL
FLYWHEEL HOUSING
TIMING GEAR CASE
CYLINDER HEAD
CYLINDER HEAD COVER
VALVE & ROCKER ARM
INLET MANIFOLD
EXHAUST MANIFOLD
TURBO CHARGER (FITTING PARTS)
TURBO CHARGER (INNER PARTS)
EXHAUST PIPE & MUFFLER (2000.7-)
OIL PIPING
OIL PUMP
OIL FILTER
FAN
WATER HOUSING & THERMOSTAT
WATER PUMP
OIL COOLER
INJECTION PIPING
FUEL PIPING
NOZZLE HOLDER
INJECTION PUMP (-2000.9)
GOVERNOR (-2000.9)
FEED PUMP (-2000.9)
AUTO TIMER (-2000.9)
COUPLING
FUEL FILTER
FUEL SEDIMENTER
STARTER (FITTING PARTS)
STARTER (INNER PARTS)
GENERATOR (FITTING PARTS)
GENERATOR (INNER PARTS)
ELECTRICAL PARTS
ELECTRICAL PARTS (WIRE HARNESS)
FRONT FRAME WIRING
COCKPIT WIRING (1/2)
COCKPIT WIRING (2/2)
REAR FRAME WIRING
ENGINE WIRING
BATTERY CABLE
BATTERY
INSTRUMENT PANEL
CLUSTER METER
ELECTRICAL PARTS (LAMP)
ELECTRICAL PARTS (RELAY) (1/2)
ELECTRICAL PARTS (RELAY) (2/2)
ELECTRICAL PARTS (RELAY & SWITCH)
ELECTRICAL PARTS (SWITCH)
ELECTRICAL PARTS (HORN & BUZZER)
CAR STEREO (CRS) (OP)
ROAD REGULATION KIT (RRE) (OP)
DRIVE UNIT (1/4)
DRIVE UNIT (2/4)
DRIVE UNIT (3/4)
DRIVE UNIT (4/4)
TRANSMISSION CONTROL VALVE (1/2)
TRANSMISSION CONTROL VALVE (2/2)
CLUTCH (FORWARD & REVERSE)
CLUTCH (1ST&2ND)
CLUTCH (3RD & 4TH)
TORQUE CONVERTER (1/2)
TORQUE CONVERTER (2/2)
TORQUE CONVERTER WHEEL
CHARGING PUMP
DRIVE AXLE-FR0NT (1/2)
DRIVE AXLE-FRONT (2/2)
DRIVE AXLE-REAR (1/2)
DRIVE AXLE-REAR (2/2)
PLANET CARRIER
WHEEL & TIRE
PROPELLER SHAFT
BRAKE LINE (1/2)
BRAKE LINE (2/2)
BRAKE VALVE
STEERING WHEEL UNIT
STEERING WHEEL
ORBITROL
STEERING CYLINDER
FRONT FRAME
REAR FRAME
BALANCE WEIGHT
COUNTER WEIGHT (CW045) (OP)
COUNTER WEIGHT (CW057) (OP)
COCKPIT & SEAT
SEAT
CAB
CAB (COVER)
CAB (MIRROR)
CAB (DOOR) (LH)
CAB (DOOR) (RH)
CAB (COVER & BOX)
CAB (WIPER)
CAB (LAMP)
CAB (RADIO & SWITCH)
CAB (MOUNT & WASHER TANK)
HOOD & GRILLE
SIDE PANEL
LAMP BRACKET & FRONT FENDER
STEP
DECK PLATE & HANDRAIL
BATTERY BOX
BELLY GUARD KIT (BGK) (OP)
CAB LESS KIT (ROCLS2) (1/2) (OP)
CAB LESS KIT (ROCLS2) (2/2) (OP)
SEAT (R0CLS2) (0P)
VALVE CONTROL BOX
VALVE CONTROL (1/4)
VALVE CONTROL (2/4)
VALVE CONTROL (3/4)
VALVE CONTROL (4/4)
MAIN VALVE
MPPC VALVE
BODY (MPPC VALVE)
CHARGING VALVE
PIPING KIT WITH THREE SPOOL VALVE (AP3) (OP)
CONTROL VALVE (AP3)(OP)
SPOOL SECTION (AP3)(OP)
OIL TANK
HYDRAULIC SYSTEM (SUCTION)
HYDRAULIC SYSTEM (BOOM & BUCKET)
HYDRAULIC SYSTEM( STEERING) (-1105)
HYDRAULIC SYSTEM (STEERING) (1106)
HYDRAULIC SYSTEM (STEERING) (1107-1108)
HYDRAULIC SYSTEM (STEERING) (1109)
HYDRAULIC SYSTEM (STEERING) (1110-1111)
HYDRAULIC SYSTEM (STEERING) (1112-)
PRIORITY VALVE
CUSHION VALVE
HYDRAULIC SYSTEM (TRANSMISSION)
PUMP MOUNT
MAIN PUMP
GEAR VALVE (MAIN PUMP)
SH PUMP (MAIN PUMP)
BOOM
HIGH LIFT ARM (HLA)(OP)
BUCKET
BOOM CYLINDER
BUCKET CYLINDER
BUCKET LEVELLER
AIR CONDITIONER (1/2)
AIR CONDITIONER (2/2)
AIR CONDITIONER PIPING (1/2)
AIR CONDITIONER PIPING (2/2)
COMPRESSOR MOUNT
AIR CONDITIONER UNIT
COOL BOX (CRB)(OP)
GREASE PIPING
DECAL (JPN)
SERVICE TOOLS
FIRE EXTINGUISHER (FE)(OP)
1
2
3
4
5
6
7
8
9
10
11
12
13
14
15
16
17
18
19
20
21
22
23
24
24
24
25
25
25
25
25
26
27
28
29
Позиция на иллюстрации
Заводской номер детали
Название детали
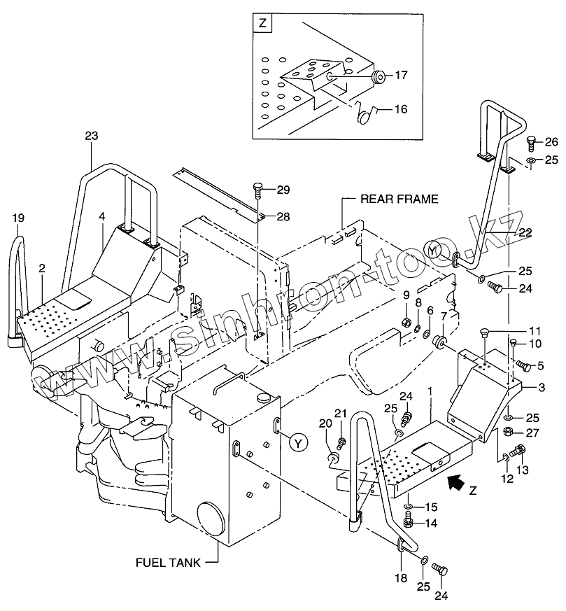
1
26566-50241
PLATE, DECK
2
26566-50251
PLATE, DECK
3
26566-50261
FENDER, REAR
4
26566-50271
FENDER, REAR
5
01110-12070
BOLT
6
26602-12021
WASHER
7
26602-12011
RUBBER, MOUNTING
8
02010-00012
WASHER
9
01401-00012
NUT
10
26754-12521
PLUG, HOLE
11
26754-12561
PLUG, HOLE
12
26096-42351
WASHER
13
01183-12025
BOLT&WASHER
14
01183-12030
BOLT&WASHER
15
26063-02111
WASHER
16
26316-42001
SPRING
17
21471-24371
GROMMET
18
26556-50281
HAND RAIL
19
26556-50291
HAND RAIL
20
26506-52111
CUSHION, RUBBER
21
01031-05025
SCREW
22
26566-52091
HAND RAIL
23
26566-52101
HAND RAIL
24
01183-12025
BOLT&WASHER
25
02000-00012
WASHER
26
01183-12030
BOLT&WASHER
27
01401-00012
NUT
28
26566-52281
PLATE
29
01183-10020
BOLT&WASHER
Содержащиеся в справочниках-каталогах запасные части и детали не предлагаются к продаже, а носят исключительно информационный характер
Дополнительная информация
×
Название:
Номер:
Примечание: