Вернуться на главную
Поиск
Каталоги запчастей к технике
Спецтехника
Hitachi
LX-110-7
Valve control(1/2)
Каталог запасных частей к технике: Hitachi LX-110-7. Valve control(1/2)
zoom-in
zoom-out
enlarge
shrink
circle-right
circle-left
file-text2
info
cart
Тип техники
Не выбрано
Легковые автомобили
Грузовые автомобили и прицепы
Автобусы
Сельхозтехника
Спецтехника
Двигатели
Мототехника
Марка
Не выбрано
Ammann
BOMAG
CARMIX
CASE IH
Changlin
ChengGong
Dimex
Doosan
DYNAPAC
Foton
HAMM
Hidromek
Hitachi
Hyundai
JCB
JLG
John Deere
Komatsu
LIEBHERR
LiuGong
Lonking (LongGong)
Luneng
MANITOU
Mitsuber
New Holland
PENGPU
RM-Terex
SANY
SDLG
SEM
Shantui
Shehwa HBXG
Soosan
TIGARBO
VOGELE
Volvo
WAY
WIRTGEN
XCMG
XGMA
Xiamen
YTO
Yuchai
Zoomlion
Автокран
АЗСМ
Алтайлесмаш
Амкодор
АОМЗ
Атек
АТЗ
Балканкар Рекорд
БелАЗ
Беловеж
Борекс
Брянский Арсенал
Булат
ВЭКС
ГАЗ
Геомаш
Гидромаш
Донекс
Дормаш
Дормашина
Дорэлектромаш
ДЭЗ
ЕлАЗ
ЗЗГТ
Ижнефтемаш
Канаш-электрокар
КЗКТ
ККЗ
Клевер
Клинцовский автокрановый завод
КМЗ
КМЗ 1 Мая
Ковровец
Коммаш
Кранэкс
КЭЗ
КЭМЗ
ЛЗА
МАЗ
МЗИК
МЗКМ
МЗКТ
Михневский РМЗ
МоАЗ
Мозырский МЗ
МТЗ
ОЗП
Онежец
ПАО "ТЗА"
ППС Детва
Промтрактор
ПТЗ
Раскат
СпецАгрегат
ТВЭКС
ТТМ
УВЗ
Угличмаш
УЗТМ
ХТЗ
ЧЗКМ
ЧСДМ
ЧТЗ
ЭКСКО
ЭКСМАШ
ЮрМаш
Модель
Не выбрано
EX-100-2 (2000)
EX-100-3 (2008)
EX-100WD (2008)
EX-120 (2008)
EX-120-2 (2008)
EX-160WD (2008)
EX-200 (2008)
EX-200-2 (2008)
EX-200-3
EX-220 (2008)
EX-220-2 (2008)
EX-270 (2008)
EX-300 (2008)
EX-300-2 (2000)
EX-400 Type A (2006)
EX-400 Type B (2006)
EX-60 (2003)
EX-60-2 (2000)
EX-60-3 (2008)
EX-70 (2017)
LX-110-7 (2008)
LX-130-7 (2008)
LX-150-2 (2008)
LX-160-7 (2008)
LX190-7/LX230-7 (2008)
Zaxis 190-3
ZAXIS 200-5A (2018)
ZAXIS 200LC-5A (2018)
ZAXIS 210H-5A (2018)
ZAXIS 210K-5A (2018)
ZAXIS 210LCH-5A (2018)
ZAXIS 210LCK-5A (2018)
ZAXIS 330-5G (2017)
ZAXIS 350H-5G (2017)
ZAXIS 48U-5A (2020)
ZAXIS 850-3
ZAXIS 870H-3
ZX-110 (2008)
ZX-160W (2008)
ZX-200 (2008)
ZX-230 (2008)
ZX-25 (2008)
ZX-270 (2008)
ZX-330 (2010)
ZX-330-3 (Part № PIHH-I-3) (2008)
ZX-330-3 (Part № PIHH-I-5) (2013)
ZX-330-3G (2008)
ZX-400R-3 (2010)
ZX-450 (2006)
ZX-600 (2007)
Компоненты EX-100-2 (2000)
Компоненты EX-100WD (2008)
Компоненты EX-120 (2008)
Компоненты EX-120-2 (2008)
Компоненты EX-160WD (2008)
Компоненты EX-200 (2008)
Компоненты EX-200-2 (2008)
Компоненты EX-200-3(LC, H)
Компоненты EX-220 (2008)
Компоненты EX-220-2 (2008)
Компоненты EX-270 (2008)
Компоненты EX-300 (2008)
Компоненты EX-300-2 (2000)
Компоненты EX-400 Type A (2006)
Компоненты EX-400 Type B (2006)
Компоненты EX-60 (2003)
Компоненты EX-60-2 (2000)
Компоненты EX-60-3 (2008)
Компоненты ZAXIS 450, 470, 500, 520 (2010)
Компоненты ZX-110 (2008)
Компоненты ZX-120 (130) (2008)
Компоненты ZX-160W (2008)
Компоненты ZX-200 (2008)
Компоненты ZX-230 (2008)
Компоненты ZX-270 (2008)
Компоненты ZX-330 (2008)
Компоненты ZX-450 (2006)
Схема
>
Не выбрано
Engine mount
Generator(GE061-648)(OP)
Engine Control
Radiator(-2100)
Radiator(2101-)
Dust proof radiator(DPR-648)(-2100)(OP)
Dust proof radiator(DPR-648)(2101-)(OP)
Fuel system(-2100)
Fuel system(2101-)
Air intake & exhaust parts
Cylinder block
Chamber cover&breather
Crankshaft piston&flywheel
Gear case
Flywheel housing
Oil pan
Cylinder head
Valve mechanism
Air intake&exhasut system
Muffler
Oil pipe
Oil pump
Oil filter
Fan
Water pump
Thermostat
Oil cooler
Injection piping
Fuel filter
Sedimenter
Nozzle & nozzle holder
Injection pump mount
Starter & generator mount
Electrical parts & hanger
Electrical parts(wire harness)
Wiring(front frame)
Wiring(cockpit)(1/2)(-2100)
Wiring(cockpit)(1/2)(2101-)
Wiring(cockpit)(2/2)
Wiring(rear frame)(-2100)
Wiring(rear frame)(2101-)
Battery cable
Battery
Instrument panel
Cluster meter
Electrical parts(lamp)
Electrical parts(relay&motor)(-2100)
Electrical parts(relay&motor)(2101-)
Electrical parts(horn&buzzer)
Electrical parts(switch)
Car stereo(CRS-648)(OP)
Revolving lamp(RLY001-648)(OP)
Revolving lamp(RLY002-648)(OP)
Revolving lamp(RLYS01-648)(OP)
Revolving lamp(RLYS02-648)(OP)
Automatic transmission(ATM-648)(OP)
Cluster meter(ATM-648)(OP)
Heater(HR400A-648)(OP)
Heater(piping)(HR400A-648)(OP)
Heater(electrical)(HR400A-648)(OP)
Heater unit(HR40QA-648)(OP)
Tachograph(TC0004-648)(OP)
Drive unit mount
Drive unit(1/3)
Drive unit(2/3)
Drive unit(3/3)
Transmission control valve(1/2)
Transmission control valve(2/2)
Clutch(forvard&reverse)
Clutch(1st&2nd)
Clutch(3rd&4th)
Torque converter(1/2)
Torque converter(2/2)
Torque converter wheel
Charging pump
Drive axle - front(1/3)
Drive axle - front(2/3)
Drive axle - front(3/3)
Drive axle - rear(1/3)
Drive axle - rear(2/3)
Drive axle - rear(3/3)
Planet carrier
Wheel
Tire chain(TC003-648)(OP)
Propeller shaft
Brake pedal
Brake line(brake valve)
Brake valve
Brake line(split cylinder-front axle)
Brake line(split cylinder-rear axle)
Split cylinder
Parking brake(-1190)
Parking brake(1191-)
Stop valve(1191-)
Steering wheel unit
Steering valve(-2100)
Priority valve(-2100)
Steering cylinder
Front frame
Rear frame
Balance weight
Cockpit
Seat mount(-1355)
Seat mount(1356-)
Seat(1356-)
Cockpit mount
Rops cab
Rops cab(cover&mat)
Rops cab(door,RH)(1/2)
Rops cab(door,RH)(2/2)
Rops cab(door,LH)(1/2)
Rops cab(door,LH)(2/2)
Rops cab(lamp&radio)
Rops cab(wiper)
Rops cab(electrical)
Rops cab(mount)
Steel cab(SCB001-648)(OP)
Cab(cover&mat)(SCB001-648)
Cab(door,RH)(1/2)(SCB001-648)(OP)
Cab(door,RH)(2/2)(SCB001-648)(OP)
Cab(door,LH)(1/2)(SCB001-648)(OP)
Cab(door,LH)(2/2)(SCB001-648)(OP)
Cab(lamp&radio)(SCB001-648)(OP)
Cab(wiper)(SCB001-648)(OP)
Cab(electrical)(SCB001-648)(OP)
Cab(mount)(SCB001-648)(OP)
Low cab(LSB150-648)(OP)
Cab(cover&mat)(LSB150-648)(OP)
Cab(door,RH)(1/2)(LSB150-648)(OP)
Cab(door,RH)(2/2)(LSB150-648)(OP)
Cab(door,LH)(1/2)(LSB150-648)(OP)
Cab(door,LH)(2/2)(LSB150-648)(OP)
Cab(lamp&radio)(LSB150-648)(OP)
Cab(wiper)(LSB150-648)(OP)
Cab(electrical)(LCB150-648)(OP)
Cab(mount)(LSB150-648)(OP)
Hood&grille(-2100)
Hood&grille(2101-)
Side panel
Lamp bracket&front fender
Step&rear fender
Battery box
Sound absorbing material
Air-con less kit(dashboard&mat)(ACLS3-648)(OP)
Air conditioner less kit(cover)(ACLS3-648)(OP)
Rops cab less kit(ROCLS1-648)(OP)
Full rear fender(FRF-648)(OP)
Under mirror(UMR001-648)
Valve control(1/2)
Valve control(2/2)
Control valve
Control valve(bucket section)(-1324)
Control valve(boom section)(-1324)
Piping kit with 3 spool valve(LEVER)(AP3-648)(OP)
Piping kit with 3 spool valve(PIPING)(AP3-648)(OP)
Control valve(AP3-648)(-1344)(OP)
Control valve(AP3-648)(1345-)(OP)
Piping kit with 4 spool valve(PIPING)(AP4002-648)(OP)
Piping kit with 4 spool valve(LEVER)(AP4002-648)(OP)
Control valve(AP4002-648)(-2100)(OP)
Control valve(AP4002-648)(2101-)(OP)
Control valve(bucket section)(AP4002-648)(OP)
Control valve(boom section)(AP4002-648)(OP)
Lever kit(LK2001-648)(OP)
Oil tank
Hydraulic line(suction)
Main pump(-2100)
Hydraulic line(boom&bucket)
Hydraulic line(steering)
Cushion valve
Hydraulic line(transmission)
Boom
High lift arm(HLA-648)(OP)
Boom kickout
Bucket
Bucket(1type)(B1H150-648)(OP)
Bucket(3type)(B3H150-648)(OP)
Bucket(double edge)(DBH160-648)(OP)
Bucket(double edge)(ODB160-648)(OP)
Boom cylinder
Bucket cylinder
One touch coupler(OTC-648)(OP)
Coupler cylinder(OTC-648)(OP)
Bucket leveler
Logger(TL047-648)
Logger(clamp cylinder)(TL047-648)
Logger(piping)(TL047-648)
Air conditioner(1/2)(-2100)
Air conditioner(1/2)(2101-)
Air conditioner(2/2)(-2100)
Air conditioner(2/2)(2101-)
Air conditioner piping(1/2)
Air conditioner piping(2/2)
Air conditioner (electrical parts)
Grease piping
Decal(JPN:-1324)
156A decal(JPN:1325-)
Service tools
1
2
3
4
5
6
7
8
9
10
11
11
11
12
13
13
13
14
14
14
15
16
17
18
19
20
21
22
22
23
23
23
24
25
26
27
28
29
30
31
32
33
34
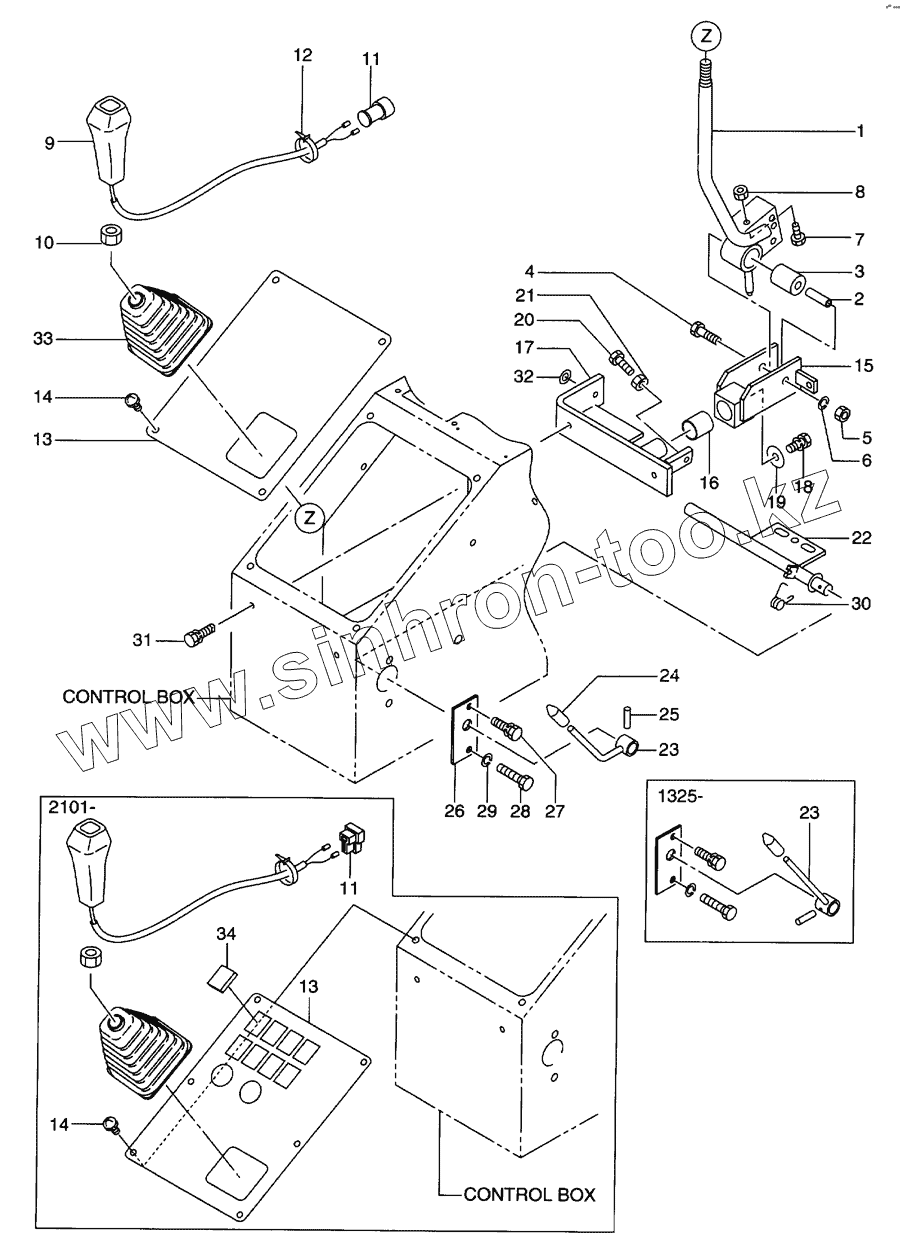
Позиция на иллюстрации
Заводской номер детали
Название детали
1
26407-42001
LEVER,CONTROL
2
26327-42061
PIN
3
26327-42101
BUSHING
4
01110-10065
BOLT
5
01401-00010
NUT
6
02010-00010
WASHER
7
01100-08030
BOLT
8
01400-00008
NUT
9
26407-42061
KNOB
10
01400-00014
NUT
11
26192-42721
CONNECTOR
11
26622-42411
CONNECTOR, BOOM
12
04913-10200
BAND
13
26407-42041
COVER
13
26196-73271
COVER
14
01033-06016
SCREW
14
01033-06016
SCREW
15
26407-42011
BOSS
16
26327-42101
BUSHING
17
26407-42021
BRACKET
18
01183-10020
BOLT&WASHER
19
26606-52721
WASHER
20
01100-08030
BOLT
21
01400-00008
NUT
22
26407-42031
LINK,STOPPER
22
26197-42021
LINK,STOPPER
23
26407-42071
HANDLE
23
26197-42001
HANDLE
24
26387-42231
GRIP
25
02270-04022
PIN
26
26407-42081
PLATE
27
01183-08016
BOLT&WASHER
28
01120-08050
BOLT
29
02010-00008
WASHER
30
26327-42081
SPRING
31
01183-08016
BOLT&WASHER
32
02000-00008
WASHER
33
26387-42321
BOOT
34
26812-42641
CAP
Содержащиеся в справочниках-каталогах запасные части и детали не предлагаются к продаже, а носят исключительно информационный характер
Дополнительная информация
×
Название:
Номер:
Примечание: