Вернуться на главную
Поиск
Каталоги запчастей к технике
Спецтехника
Hitachi
LX-110-7
Radiator(-2100)
Каталог запасных частей к технике: Hitachi LX-110-7. Radiator(-2100)
zoom-in
zoom-out
enlarge
shrink
circle-right
circle-left
file-text2
info
cart
Тип техники
Не выбрано
Легковые автомобили
Грузовые автомобили и прицепы
Автобусы
Сельхозтехника
Спецтехника
Двигатели
Мототехника
Марка
Не выбрано
Ammann
BOMAG
CARMIX
CASE IH
Changlin
ChengGong
Dimex
Doosan
DYNAPAC
Foton
HAMM
Hidromek
Hitachi
Hyundai
JCB
JLG
John Deere
Komatsu
LIEBHERR
LiuGong
Lonking (LongGong)
Luneng
MANITOU
Mitsuber
New Holland
PENGPU
RM-Terex
SANY
SDLG
SEM
Shantui
Shehwa HBXG
Soosan
TIGARBO
VOGELE
Volvo
WAY
WIRTGEN
XCMG
XGMA
Xiamen
YTO
Yuchai
Zoomlion
Автокран
АЗСМ
Алтайлесмаш
Амкодор
АОМЗ
Атек
АТЗ
Балканкар Рекорд
БелАЗ
Беловеж
Борекс
Брянский Арсенал
Булат
ВЭКС
ГАЗ
Геомаш
Гидромаш
Донекс
Дормаш
Дормашина
Дорэлектромаш
ДЭЗ
ЕлАЗ
ЗЗГТ
Ижнефтемаш
Канаш-электрокар
КЗКТ
ККЗ
Клевер
Клинцовский автокрановый завод
КМЗ
КМЗ 1 Мая
Ковровец
Коммаш
Кранэкс
КЭЗ
КЭМЗ
ЛЗА
МАЗ
МЗИК
МЗКМ
МЗКТ
Михневский РМЗ
МоАЗ
Мозырский МЗ
МТЗ
ОЗП
Онежец
ПАО "ТЗА"
ППС Детва
Промтрактор
ПТЗ
Раскат
СпецАгрегат
ТВЭКС
ТТМ
УВЗ
Угличмаш
УЗТМ
ХТЗ
ЧЗКМ
ЧСДМ
ЧТЗ
ЭКСКО
ЭКСМАШ
ЮрМаш
Модель
Не выбрано
EX-100-2 (2000)
EX-100-3 (2008)
EX-100WD (2008)
EX-120 (2008)
EX-120-2 (2008)
EX-160WD (2008)
EX-200 (2008)
EX-200-2 (2008)
EX-200-3
EX-220 (2008)
EX-220-2 (2008)
EX-270 (2008)
EX-300 (2008)
EX-300-2 (2000)
EX-400 Type A (2006)
EX-400 Type B (2006)
EX-60 (2003)
EX-60-2 (2000)
EX-60-3 (2008)
EX-70 (2017)
LX-110-7 (2008)
LX-130-7 (2008)
LX-150-2 (2008)
LX-160-7 (2008)
LX190-7/LX230-7 (2008)
Zaxis 190-3
ZAXIS 200-5A (2018)
ZAXIS 200LC-5A (2018)
ZAXIS 210H-5A (2018)
ZAXIS 210K-5A (2018)
ZAXIS 210LCH-5A (2018)
ZAXIS 210LCK-5A (2018)
ZAXIS 330-5G (2017)
ZAXIS 350H-5G (2017)
ZAXIS 48U-5A (2020)
ZAXIS 850-3
ZAXIS 870H-3
ZX-110 (2008)
ZX-160W (2008)
ZX-200 (2008)
ZX-230 (2008)
ZX-25 (2008)
ZX-270 (2008)
ZX-330 (2010)
ZX-330-3 (Part № PIHH-I-3) (2008)
ZX-330-3 (Part № PIHH-I-5) (2013)
ZX-330-3G (2008)
ZX-400R-3 (2010)
ZX-450 (2006)
ZX-600 (2007)
Компоненты EX-100-2 (2000)
Компоненты EX-100WD (2008)
Компоненты EX-120 (2008)
Компоненты EX-120-2 (2008)
Компоненты EX-160WD (2008)
Компоненты EX-200 (2008)
Компоненты EX-200-2 (2008)
Компоненты EX-200-3(LC, H)
Компоненты EX-220 (2008)
Компоненты EX-220-2 (2008)
Компоненты EX-270 (2008)
Компоненты EX-300 (2008)
Компоненты EX-300-2 (2000)
Компоненты EX-400 Type A (2006)
Компоненты EX-400 Type B (2006)
Компоненты EX-60 (2003)
Компоненты EX-60-2 (2000)
Компоненты EX-60-3 (2008)
Компоненты ZAXIS 450, 470, 500, 520 (2010)
Компоненты ZX-110 (2008)
Компоненты ZX-120 (130) (2008)
Компоненты ZX-160W (2008)
Компоненты ZX-200 (2008)
Компоненты ZX-230 (2008)
Компоненты ZX-270 (2008)
Компоненты ZX-330 (2008)
Компоненты ZX-450 (2006)
Схема
>
Не выбрано
Engine mount
Generator(GE061-648)(OP)
Engine Control
Radiator(-2100)
Radiator(2101-)
Dust proof radiator(DPR-648)(-2100)(OP)
Dust proof radiator(DPR-648)(2101-)(OP)
Fuel system(-2100)
Fuel system(2101-)
Air intake & exhaust parts
Cylinder block
Chamber cover&breather
Crankshaft piston&flywheel
Gear case
Flywheel housing
Oil pan
Cylinder head
Valve mechanism
Air intake&exhasut system
Muffler
Oil pipe
Oil pump
Oil filter
Fan
Water pump
Thermostat
Oil cooler
Injection piping
Fuel filter
Sedimenter
Nozzle & nozzle holder
Injection pump mount
Starter & generator mount
Electrical parts & hanger
Electrical parts(wire harness)
Wiring(front frame)
Wiring(cockpit)(1/2)(-2100)
Wiring(cockpit)(1/2)(2101-)
Wiring(cockpit)(2/2)
Wiring(rear frame)(-2100)
Wiring(rear frame)(2101-)
Battery cable
Battery
Instrument panel
Cluster meter
Electrical parts(lamp)
Electrical parts(relay&motor)(-2100)
Electrical parts(relay&motor)(2101-)
Electrical parts(horn&buzzer)
Electrical parts(switch)
Car stereo(CRS-648)(OP)
Revolving lamp(RLY001-648)(OP)
Revolving lamp(RLY002-648)(OP)
Revolving lamp(RLYS01-648)(OP)
Revolving lamp(RLYS02-648)(OP)
Automatic transmission(ATM-648)(OP)
Cluster meter(ATM-648)(OP)
Heater(HR400A-648)(OP)
Heater(piping)(HR400A-648)(OP)
Heater(electrical)(HR400A-648)(OP)
Heater unit(HR40QA-648)(OP)
Tachograph(TC0004-648)(OP)
Drive unit mount
Drive unit(1/3)
Drive unit(2/3)
Drive unit(3/3)
Transmission control valve(1/2)
Transmission control valve(2/2)
Clutch(forvard&reverse)
Clutch(1st&2nd)
Clutch(3rd&4th)
Torque converter(1/2)
Torque converter(2/2)
Torque converter wheel
Charging pump
Drive axle - front(1/3)
Drive axle - front(2/3)
Drive axle - front(3/3)
Drive axle - rear(1/3)
Drive axle - rear(2/3)
Drive axle - rear(3/3)
Planet carrier
Wheel
Tire chain(TC003-648)(OP)
Propeller shaft
Brake pedal
Brake line(brake valve)
Brake valve
Brake line(split cylinder-front axle)
Brake line(split cylinder-rear axle)
Split cylinder
Parking brake(-1190)
Parking brake(1191-)
Stop valve(1191-)
Steering wheel unit
Steering valve(-2100)
Priority valve(-2100)
Steering cylinder
Front frame
Rear frame
Balance weight
Cockpit
Seat mount(-1355)
Seat mount(1356-)
Seat(1356-)
Cockpit mount
Rops cab
Rops cab(cover&mat)
Rops cab(door,RH)(1/2)
Rops cab(door,RH)(2/2)
Rops cab(door,LH)(1/2)
Rops cab(door,LH)(2/2)
Rops cab(lamp&radio)
Rops cab(wiper)
Rops cab(electrical)
Rops cab(mount)
Steel cab(SCB001-648)(OP)
Cab(cover&mat)(SCB001-648)
Cab(door,RH)(1/2)(SCB001-648)(OP)
Cab(door,RH)(2/2)(SCB001-648)(OP)
Cab(door,LH)(1/2)(SCB001-648)(OP)
Cab(door,LH)(2/2)(SCB001-648)(OP)
Cab(lamp&radio)(SCB001-648)(OP)
Cab(wiper)(SCB001-648)(OP)
Cab(electrical)(SCB001-648)(OP)
Cab(mount)(SCB001-648)(OP)
Low cab(LSB150-648)(OP)
Cab(cover&mat)(LSB150-648)(OP)
Cab(door,RH)(1/2)(LSB150-648)(OP)
Cab(door,RH)(2/2)(LSB150-648)(OP)
Cab(door,LH)(1/2)(LSB150-648)(OP)
Cab(door,LH)(2/2)(LSB150-648)(OP)
Cab(lamp&radio)(LSB150-648)(OP)
Cab(wiper)(LSB150-648)(OP)
Cab(electrical)(LCB150-648)(OP)
Cab(mount)(LSB150-648)(OP)
Hood&grille(-2100)
Hood&grille(2101-)
Side panel
Lamp bracket&front fender
Step&rear fender
Battery box
Sound absorbing material
Air-con less kit(dashboard&mat)(ACLS3-648)(OP)
Air conditioner less kit(cover)(ACLS3-648)(OP)
Rops cab less kit(ROCLS1-648)(OP)
Full rear fender(FRF-648)(OP)
Under mirror(UMR001-648)
Valve control(1/2)
Valve control(2/2)
Control valve
Control valve(bucket section)(-1324)
Control valve(boom section)(-1324)
Piping kit with 3 spool valve(LEVER)(AP3-648)(OP)
Piping kit with 3 spool valve(PIPING)(AP3-648)(OP)
Control valve(AP3-648)(-1344)(OP)
Control valve(AP3-648)(1345-)(OP)
Piping kit with 4 spool valve(PIPING)(AP4002-648)(OP)
Piping kit with 4 spool valve(LEVER)(AP4002-648)(OP)
Control valve(AP4002-648)(-2100)(OP)
Control valve(AP4002-648)(2101-)(OP)
Control valve(bucket section)(AP4002-648)(OP)
Control valve(boom section)(AP4002-648)(OP)
Lever kit(LK2001-648)(OP)
Oil tank
Hydraulic line(suction)
Main pump(-2100)
Hydraulic line(boom&bucket)
Hydraulic line(steering)
Cushion valve
Hydraulic line(transmission)
Boom
High lift arm(HLA-648)(OP)
Boom kickout
Bucket
Bucket(1type)(B1H150-648)(OP)
Bucket(3type)(B3H150-648)(OP)
Bucket(double edge)(DBH160-648)(OP)
Bucket(double edge)(ODB160-648)(OP)
Boom cylinder
Bucket cylinder
One touch coupler(OTC-648)(OP)
Coupler cylinder(OTC-648)(OP)
Bucket leveler
Logger(TL047-648)
Logger(clamp cylinder)(TL047-648)
Logger(piping)(TL047-648)
Air conditioner(1/2)(-2100)
Air conditioner(1/2)(2101-)
Air conditioner(2/2)(-2100)
Air conditioner(2/2)(2101-)
Air conditioner piping(1/2)
Air conditioner piping(2/2)
Air conditioner (electrical parts)
Grease piping
Decal(JPN:-1324)
156A decal(JPN:1325-)
Service tools
1
2
3
3
4
4
5
6
7
7
8
8
9
9
10
10
11
11
12
13
14
15
16
17
18
19
20
21
22
23
24
25
26
27
28
29
30
31
32
33
34
35
36
37
38
38
38
39
39
39
40
41
41
42
Позиция на иллюстрации
Заводской номер детали
Название детали
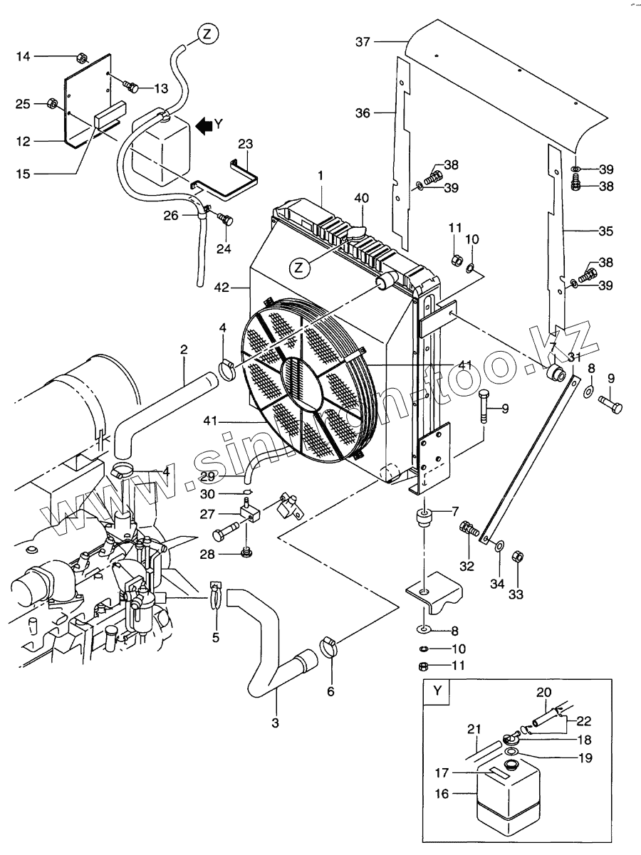
1
26482-12001
RADIATOR
2
26422-12011
HOSE
3
26422-12021
HOSE
3
26482-12121
HOSE
4
04911-00063
CLIP
5
04911-00070
CLIP
6
04911-00075
CLIP
7
26606-42251
MOUNT, RUBBER
8
26312-12021
WASHER
9
01110-12060
BOLT
10
02010-00012
WASHER
11
01401-00012
NUT
12
26402-12011
BRACKET
13
01183-10020
BOLT&WASHER
14
01401-00010
NUT
15
26322-12061
MAT
A1
26382-12073
TANK ASSY
16
26382-17041
TANK
17
26602-17161
PLATE,CAUTION
A2
26402-17021
CONDUCTION ASSY
18
26402-17031
CAP
19
26602-17181
PACKING
20
26402-17041
HOSE
21
26382-17081
HOSE
22
26382-17091
CLAMP
23
26382-12061
BAND
24
01183-10020
BOLT&WASHER
25
01401-00010
NUT
26
26602-42071
CLIP
27
26432-12041
ADAPTER
28
24047-92111
PLUG
29
26412-12031
HOSE
30
24067-62251
CLIP
31
26482-12011
PLATE
32
01183-12050
BOLT&WASHER
33
01401-00012
NUT
34
02000-00012
WASHER
35
26482-12021
COVER
36
26482-12031
COVER
37
26482-12041
COVER
38
01183-10030
BOLT&WASHER
39
02000-00010
WASHER
40
290C2-17122
CAP
41
26482-17001
GUARD
42
26482-17011
GUIDE
Содержащиеся в справочниках-каталогах запасные части и детали не предлагаются к продаже, а носят исключительно информационный характер
Дополнительная информация
×
Название:
Номер:
Примечание: