Каталог запасных частей к технике: Hitachi LX190-7/LX230-7. ELECTRICAL PARTS (RELAY & SWITCH)
1
2
3
3
4
4
4
4
5
5
5
5
6
6
7
8
9
9
9
10
11
12
13
14
15
16
17
18
19
20
20
21
22
23
24
25
26
27
28
29
29
29
30
31
32
33
34
35
36
37
38
39
40
41
42
43
44
45
45
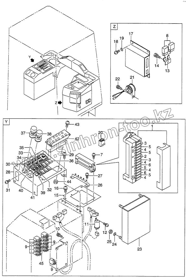
| Позиция на иллюстрации | Заводской номер детали | Название детали | |
|---|---|---|---|
| 1 | 26752-42252 | FUSE BOX | |
| 2 | 26662-42631 | FUSE | |
| 3 | 26792-42411 | FUSE | |
| 4 | 26662-42641 | FUSE | |
| 5 | 26662-42651 | FUSE | |
| 6 | 26752-47041 | FUSE | |
| 7 | 01033-06020 | BOLT | |
| 8 | 26812-42281 | DIODE UNIT | |
| 9 | 26192-42031 | RELAY | |
| 10 | 01033-06020 | BOLT | |
| 11 | 26602-40261 | FLASHER UNIT | |
| 12 | 01033-05016 | SCREW | |
| 13 | 26552-42461 | BRACKET | |
| 14 | 01183-08016 | BOLT&WASHER | |
| 15 | 26562-42321 | PLATE | |
| 16 | 01033-08016 | SCREW&WASHER | |
| 17 | 26832-42351 | АТС UNIT | |
| 18 | 01033-08016 | SCREW&WASHER | |
| 19 | 02000-00008 | WASHER | |
| 20 | 26792-42191 | CONNECTOR | |
| 20 | 26792-42211 | CONNECTOR | |
| 21 | 26312-42261 | BUZZER | |
| 22 | 01033-05016 | SCREW | |
| 23 | 26792-42261 | CONTROL UNIT | |
| 24 | 02010-00006 | WASHER | |
| 25 | 01400-00006 | NUT | |
| 26 | 26792-42292 | BRACKET | |
| 27 | 01033-06020 | BOLT | |
| 28 | 26562-42311 | PANEL, SWITCH | |
| 29 | 01033-08016 | SCREW&WASHER | |
| 29 | 01033-08016 | SCREW&WASHER | |
| 29 | 01183-08016 | BOLT&WASHER | |
| 30 | 26556-72321 | RADIO | |
| 31 | 01033-05012 | SCREW&WASHER | |
| 32 | 26562-42161 | SWITCH | |
| 33 | 26562-42191 | SWITCH | |
| 34 | 26562-42201 | SWITCH | |
| 35 | 26562-42211 | SWITCH | |
| 36 | 26562-42341 | CAP | |
| 37 | 26756-73591 | WIPER SWITCH | |
| 38 | 26756-73601 | WIPER SWITCH | |
| 39 | 26812-42631 | PILOT LAMP | |
| 40 | 26792-42251 | LAMP, PILOT | |
| 41 | 26792-42241 | LAMP, PILOT | |
| 42 | 26756-71131 | CONTROL UNIT | |
| 43 | 01033-05016 | SCREW | |
| 44 | 01400-00005 | NUT | |
| 45 | 26192-42031 | RELAY | |
| 45 | 29382-47051 | RELAY |
Содержащиеся в справочниках-каталогах запасные части и детали не предлагаются к продаже, а носят исключительно информационный характер