Вернуться на главную
Поиск
Каталоги запчастей к технике
Спецтехника
Hitachi
LX190-7/LX230-7
DRIVE UNIT (1/5)
Каталог запасных частей к технике: Hitachi LX190-7/LX230-7. DRIVE UNIT (1/5)
zoom-in
zoom-out
enlarge
shrink
circle-right
circle-left
file-text2
info
cart
Тип техники
Не выбрано
Легковые автомобили
Грузовые автомобили и прицепы
Автобусы
Сельхозтехника
Спецтехника
Двигатели
Мототехника
Марка
Не выбрано
Ammann
BOMAG
CARMIX
CASE IH
Changlin
ChengGong
Dimex
Doosan
DYNAPAC
Foton
HAMM
Hidromek
Hitachi
Hyundai
JCB
JLG
John Deere
Komatsu
LIEBHERR
LiuGong
Lonking (LongGong)
Luneng
MANITOU
Mitsuber
New Holland
PENGPU
RM-Terex
SANY
SDLG
SEM
Shantui
Shehwa HBXG
Soosan
TIGARBO
VOGELE
Volvo
WAY
WIRTGEN
XCMG
XGMA
Xiamen
YTO
Yuchai
Zoomlion
Автокран
АЗСМ
Алтайлесмаш
Амкодор
АОМЗ
Атек
АТЗ
Балканкар Рекорд
БелАЗ
Беловеж
Борекс
Брянский Арсенал
Булат
ВЭКС
ГАЗ
Геомаш
Гидромаш
Донекс
Дормаш
Дормашина
Дорэлектромаш
ДЭЗ
ЕлАЗ
ЗЗГТ
Ижнефтемаш
Канаш-электрокар
КЗКТ
ККЗ
Клевер
Клинцовский автокрановый завод
КМЗ
КМЗ 1 Мая
Ковровец
Коммаш
Кранэкс
КЭЗ
КЭМЗ
ЛЗА
МАЗ
МЗИК
МЗКМ
МЗКТ
Михневский РМЗ
МоАЗ
Мозырский МЗ
МТЗ
ОЗП
Онежец
ПАО "ТЗА"
ППС Детва
Промтрактор
ПТЗ
Раскат
СпецАгрегат
ТВЭКС
ТТМ
УВЗ
Угличмаш
УЗТМ
ХТЗ
ЧЗКМ
ЧСДМ
ЧТЗ
ЭКСКО
ЭКСМАШ
ЮрМаш
Модель
Не выбрано
EX-100-2 (2000)
EX-100-3 (2008)
EX-100WD (2008)
EX-120 (2008)
EX-120-2 (2008)
EX-160WD (2008)
EX-200 (2008)
EX-200-2 (2008)
EX-200-3
EX-220 (2008)
EX-220-2 (2008)
EX-270 (2008)
EX-300 (2008)
EX-300-2 (2000)
EX-400 Type A (2006)
EX-400 Type B (2006)
EX-60 (2003)
EX-60-2 (2000)
EX-60-3 (2008)
EX-70 (2017)
LX-110-7 (2008)
LX-130-7 (2008)
LX-150-2 (2008)
LX-160-7 (2008)
LX190-7/LX230-7 (2008)
Zaxis 190-3
ZAXIS 200-5A (2018)
ZAXIS 200LC-5A (2018)
ZAXIS 210H-5A (2018)
ZAXIS 210K-5A (2018)
ZAXIS 210LCH-5A (2018)
ZAXIS 210LCK-5A (2018)
ZAXIS 330-5G (2017)
ZAXIS 350H-5G (2017)
ZAXIS 48U-5A (2020)
ZAXIS 850-3
ZAXIS 870H-3
ZX-110 (2008)
ZX-160W (2008)
ZX-200 (2008)
ZX-230 (2008)
ZX-25 (2008)
ZX-270 (2008)
ZX-330 (2010)
ZX-330-3 (Part № PIHH-I-3) (2008)
ZX-330-3 (Part № PIHH-I-5) (2013)
ZX-330-3G (2008)
ZX-400R-3 (2010)
ZX-450 (2006)
ZX-600 (2007)
Компоненты EX-100-2 (2000)
Компоненты EX-100WD (2008)
Компоненты EX-120 (2008)
Компоненты EX-120-2 (2008)
Компоненты EX-160WD (2008)
Компоненты EX-200 (2008)
Компоненты EX-200-2 (2008)
Компоненты EX-200-3(LC, H)
Компоненты EX-220 (2008)
Компоненты EX-220-2 (2008)
Компоненты EX-270 (2008)
Компоненты EX-300 (2008)
Компоненты EX-300-2 (2000)
Компоненты EX-400 Type A (2006)
Компоненты EX-400 Type B (2006)
Компоненты EX-60 (2003)
Компоненты EX-60-2 (2000)
Компоненты EX-60-3 (2008)
Компоненты ZAXIS 450, 470, 500, 520 (2010)
Компоненты ZX-110 (2008)
Компоненты ZX-120 (130) (2008)
Компоненты ZX-160W (2008)
Компоненты ZX-200 (2008)
Компоненты ZX-230 (2008)
Компоненты ZX-270 (2008)
Компоненты ZX-330 (2008)
Компоненты ZX-450 (2006)
Схема
>
Не выбрано
ENGINE MOUNT
ENGINE CONTROL
COOLING SYSTEM
RADIATOR (LX190-7:-4103, LX230-7:-2110)
RADIATOR (LX190-7:4104-, LX230-7:2111-)
INTER COOLER
FUEL SYSTEM
AIR INTAKE & EXHAUST SYSTEM (LX190-7)
AIR INTAKE & EXHAUST SYSTEM (LX230-7)
AIR CLEANER (LX190-7)
AIR CLEANER (LX230-7)
CYLINDER BLOCK
PISTON & CRANKSHAFT
TIMING GEAR
OIL PAN
FLYWHEEL & HOUSING
TACHOMETER DRIVE
COVER (CYLINDER BLOCK)
ATTACHING PARTS (CYLINDER BLOCK)
SERVICE CYLINDER HEAD
CYLINDER HEAD
VALVE MECHANISM
ROCKER COVER & BREATHER
INLET MANIFOLD (-305085)
INLET MANIFOLD (305086-)
EXHAUST MANIFOLD
TURBOCHARGER (FITTING PARTS)
TURBOCHARGER (INNER PARTS)
MUFFLER
OIL COOLER
OIL PUMP
OIL FILTER
OIL PIPE (-305085)
OIL PIPE (305086-)
WATER PUMP
FAN
FAN DRIVE
WATER PIPE & THERMOSTAT
INTER COOLER (-305085)
FUEL PIPING & NOZZLE (-305085)
FUEL PIPING & NOZZLE (305086-)
FUEL RETURN HOSE
FUEL FILTER (-305085)
FUEL FILTER (305086-)
FUEL INJECTION PUMP (FITTING PARTS) (-305085)
FUEL INJECTION PUMP (305086-)
INJECTION PUMP OIL LINE (305086-)
INJECTION PUMP DRIVE
INJECTION PUMP (INNER PARTS) (-305085)
GOVERNOR (1/2) (-305085)
GOVERNOR (2/2) (-305085)
AUTOMATIC TIMER (-305085)
FEED PUMP (-305085)
COUPLING (-305085)
ENGINE STOP SOLENOID
STARTER (FITTING PARTS)
STARTER (INNER PARTS)
ALTERNATOR (FITTING PARTS)
ALTERNATOR (INNER PARTS)
OTHER PARTS
ENGINE HARNESS (305086-)
ELECTRICAL PARTS (WIRE HARNESS)
FRONT FRAME WIRING
COCKPIT WIRING (1/2)
COCKPIT WIRING (2/2)
REAR FRAME WIRING
ENGINE WIRING
BATTERY CABLE
BATTERY
INSTRUMENT PANEL
CLUSTER METER
ELECTRICAL PARTS(LAMP)
ELECTRICAL PARTS (RELAY)
ELECTRICAL PARTS (RELAY & SWITCH)
ELECTRICAL PARTS (SWITCH)
ELECTRICAL PARTS (HORN & BUZZER)
CAR STEREO (CRS)(OP)
ROAD REGULATION KIT (RRE)(OP)
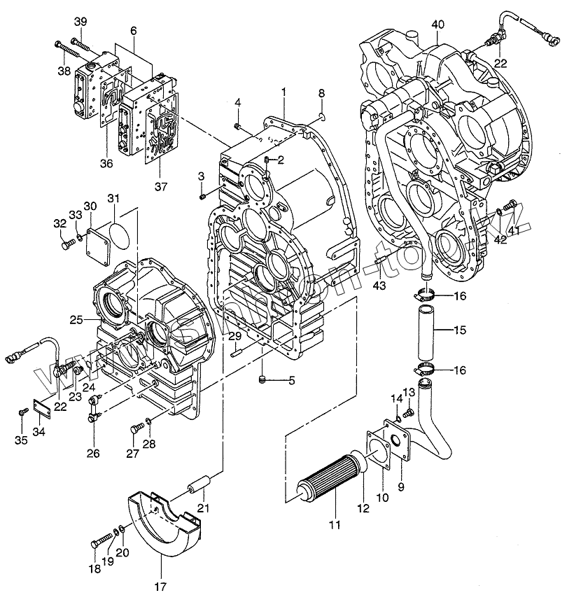
DRIVE UNIT (1/5)
DRIVE UNIT (2/5)
DRIVE UNIT (3/5)
DRIVE UNIT (4/5)
DRIVE UNIT (5/5)
TRANSMISSION CONTROL VALVE (1/2)
TRANSMISSION CONTROL VALVE (2/2)
CLUTCH (FORWARD & REVERSE)
CLUTCH (1ST & 2ND)
CLUTCH (3RD & 4TH)
TORQUE CONVERTER (1/2)
TORQUE CONVERTER (2/2)
TORQUE CONVERTER WHEEL
CHARGING PUMP
DRIVE AXLE (FRONT) (1/2) (LX190-7)
DRIVE AXLE (FRONT) (2/2) (LX190-7)
DRIVE AXLE (FRONT) (1/2) (LX230-7)
DRIVE AXLE (FRONT) (2/2) (LX230-7)
DRIVE AXLE (REAR) (1/2) (LX190-7)
DRIVE AXLE (REAR) (2/2) (LX190-7)
DRIVE AXLE (REAR) (1/2) (LX230-7)
DRIVE AXLE (REAR) (2/2) (LX230-7)
PLANET CARRIER (LX190-7)
PLANET CARRIER (LX230-7)
WHEEL & TIRE
PROPELLER SHAFT
BRAKE LINE (1/2)
BRAKE LINE (2/2)
BRAKE VALVE
STEERING WHEEL UNIT
STEERING WHEEL
STEERING GEAR
STEERING CONTROL
STEERING VALVE
STEERING CYLINDER
FRONT FRAME
REAR FRAME
BALANCE WEIGHT
BALANCE WEIGHT (CWA) (LX190-7) (OP)
BALANCE WEIGHT (CWB) (LX190-7) (OP)
BALANCE WEIGHT (CW045) (LX190-7) (OP)
BALANCE WEIGHT (CWA) (LX230-7) (OP)
BALANCE WEIGHT (CWB) (LX230-7) (OP)
COCKPIT & SEAT
SEAT
CAB
CAB (COVER)
CAB (MIRROR)
CAB (DOOR) (LH)
CAB (DOOR) (RH)
CAB (COVER & BOX)
CAB (WIPER)
CAB (LAMP)
CAB (ELECTRICAL PARTS)
CAB (MOUNT & WASHER TANK)
HOOD & GRILLE
SIDE PANEL
LAMP BRACKET & FRONT FENDER
STEP
DECK PLATE & HANDRAIL
BATTERY BOX
BELLY GUARD KIT (BGK)(OP)
CAB LESS KIT (ROCLS2) (1/2) (OP)
CAB LESS KIT (ROCLS2) (2/2) (OP)
SEAT (ROCLS2) (OP)
VALVE CONTROL BOX
VALVE CONTROL (1/4)
VALVE CONTROL (2/4)
VALVE CONTROL (3/4)
VALVE CONTROL (4/4)
MAIN VALVE
MPPC VALVE
BODY (MPPC VALVE)
CHARGING VALVE
PIPING KIT WITH 3 SPOOL VALVE (AP3) (OP)
MAIN VALE (AP3) (0P)
OIL TANK
HYDRAULIC SYSTEM (SUCTION)
HYDRAULIC SYSTEM (BOOM & BUCKET)
HYDRAULIC SYSTEM (STEERING)
HYDRAULIC SYSTEM (TRANSMISSION)
ANTI-PITCHING SYSTEM (APS) (OP)
ANTI-PITCHING SYSTEM (ELECTRICAL) (APS) (OP)
VALVE (APS) (OP)
SOLENOID VALVE (APS) (OP)
PUMP MOUNT
MAIN PUMP (LX190-7)
MAIN PUMP (LX230-7)
STEER PUMP
GEAR PUMP
BOOM (LX190-7)
BOOM (LX230-7)
HIGH LIFT ARM (HLA) (LX190-7) (OP)
HIGH LIFT ARM (HLA) (LX230-7) (OP)
BUCKET (LX190-7)
BUCKET (LX230-7)
BOOM CYLINDER (LX190-7)
BOOM CYLINDER (LX230-7)
BUCKET CYLINDER (LX190-7)
BUCKET CYLINDER (LX230-7)
BUCKET LEVELER
AIR CONDITIONER (1/2) (LX190-7)
AIR CONDITIONER (1/2) (LX230-7)
AIR CONDITIONER (2/2)
AIR CONDITIONER PIPING (1/2)
AIR CONDITIONER PIPING (2/2)
COMPRESSOR MOUNT
AIR CONDITIONER UNIT
COOL BOX (CRB) (LX190-7) (OP)
GREASE PIPING
DECAL (JPN)
SERVICE TOOLS
FIRE EXTINGUISHER (FE) (OP)
ENGINE OVERHAUL GASKET KIT
SERVICE CYLINDER BLOCK
SERVICE CRANKSHAFT
LINER & PISTON KIT
16792-50011
1
2
3
4
5
6
6
8
9
10
11
12
13
14
15
16
16
17
18
19
20
21
22
22
23
24
25
26
27
28
29
30
31
32
33
34
35
36
37
38
39
40
41
41
42
43
Позиция на иллюстрации
Заводской номер детали
Название детали
16792-50011
16792-50011
DRIVE UNIT ASSY
1
16762-52301
CASE, TRANSMISSION
2
14813-82341
PLUG
3
14813-82351
PLUG
4
14813-82371
PLUG
5
14813-82461
PLUG
6
16762-50231
T/M CONTROL VALVE
6
16792-50331
CONTROL VALVE ASSY
7
03300-00180
О-RING
8
03300-00300
О-RING
9
16762-52531
TUBE
10
16422-53131
GASKET
11
16772-52651
STRAINER
12
03310-00750
O-RING
13
01110-12035
BOLT
14
02010-00012
WASHER
15
16772-52791
HOSE
16
24067-62321
CLIP
17
16762-52551
BAFFLE, OIL
18
01110-12100
BOLT
19
02010-00012
WASHER
20
02000-00012
WASHER
21
16762-52501
TUBE
22
16402-54331
SENSOR
23
16762-52981
PLUG
24
03300-00250
O-RING
25
16762-52321
CASE, REAR
26
26607-52261
GAUGE, LEVEL
27
01110-12035
BOLT
28
02010-00012
WASHER
29
02212-10032
PIN
30
16762-52791
PLATE
31
03310-01350
O-RING
32
01110-12035
BOLT
33
02010-00012
WASHER
34
09300-00902
NAME PLATE
35
14092-52141
SCREW
36
16402-53451
GASKET
37
16402-53461
GASKET
38
01171-10130
BOLT
39
01171-10070
BOLT
40
CONVERTOR
TORQUE CONVERTOR
41
01110-12035
BOLT
41
01110-12090
BOLT
42
02010-00012
WASHER
43
02212-10032
PIN
Содержащиеся в справочниках-каталогах запасные части и детали не предлагаются к продаже, а носят исключительно информационный характер
Дополнительная информация
×
Название:
Номер:
Примечание: