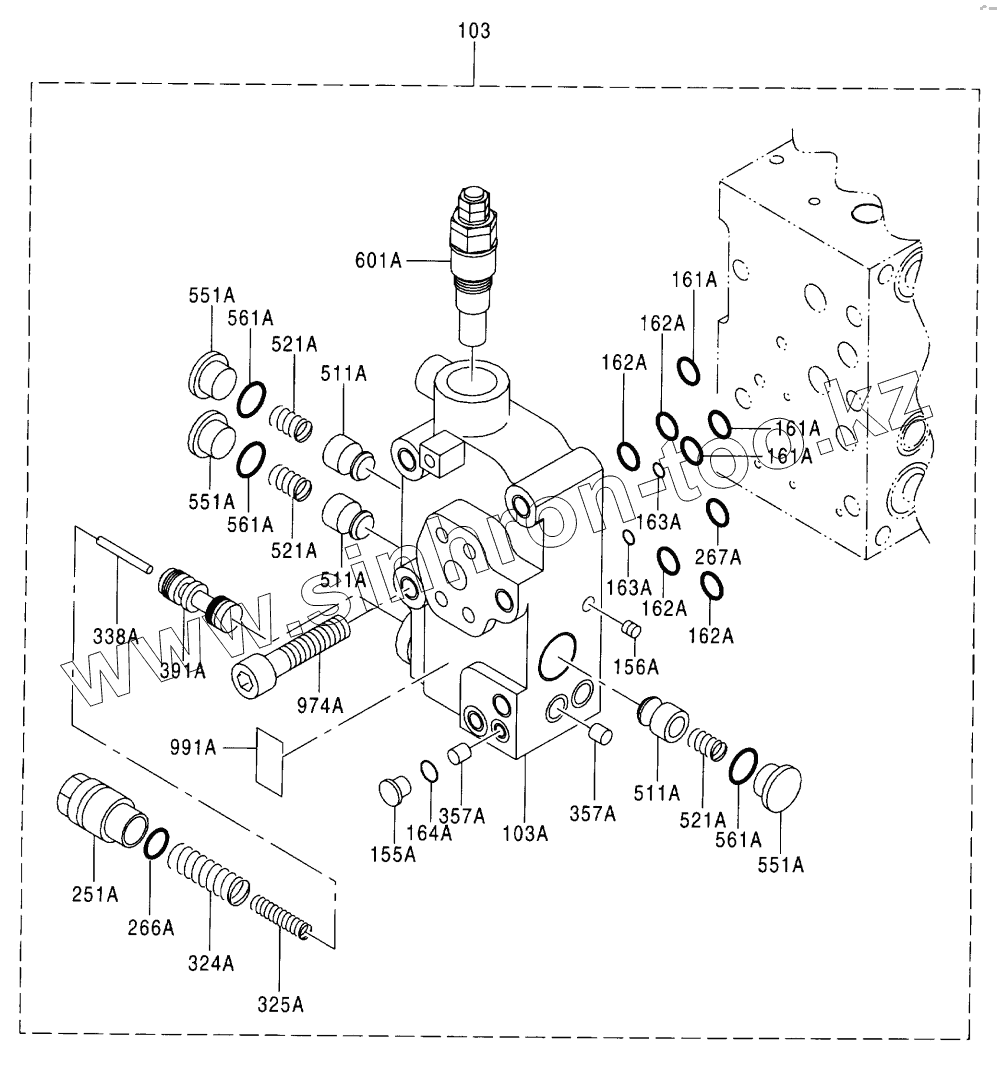
Каталог запасных частей к технике: Hitachi Компоненты ZX-330. VALVE, CONTROL (5/6)
0719303
0628615
0719309
0719308
4506424
4506424
4506424
0719114
0719114
0719114
0719110
0719110
0719110
0816702
0816702
0816702
SPOOL
0719306
0719306
0719305
0719304
4433970
0682503
A811025
0719302
4506408
0443405
0443405
0443803
0443803
0443803
0443803
0443404
0443404
0443404
0263019
0719004
BLOCK
103
| Позиция на иллюстрации | Заводской номер детали | Название детали | |
|---|---|---|---|
| 0719303 | 0719303 | SPRING | |
| 0628615 | 0628615 | NAME-PLATE | |
| 0719309 | 0719309 | BOLT, SOCKET | |
| 0719308 | 0719308 | VALVE, RELIEF | |
| 4506424 | 4506424 | O-RING | |
| 0719114 | 0719114 | PLUG | |
| 0719110 | 0719110 | SPRING | |
| 0816702 | 0816702 | POPPET | |
| SPOOL | SPOOL | SPOOL | |
| 0719306 | 0719306 | ORIFICE | |
| 0719305 | 0719305 | STOPPER | |
| 0719304 | 0719304 | SPRING | |
| 4433970 | 4433970 | VАLVЕ, СОNТRОL | |
| 0682503 | 0682503 | O-RING | |
| A811025 | A811025 | O-RING | |
| 0719302 | 0719302 | PLUG | |
| 4506408 | 4506408 | O-RING | |
| 0443405 | 0443405 | O-RING | |
| 0443803 | 0443803 | O-RING | |
| 0443404 | 0443404 | O-RING | |
| 0263019 | 0263019 | PLUG | |
| 0719004 | 0719004 | PLUG | |
| BLOCK | BLOCK | JUNCTION BLOCK | |
| 103 | 0816701 | BLOCK |
Содержащиеся в справочниках-каталогах запасные части и детали не предлагаются к продаже, а носят исключительно информационный характер